СИСТЕМА ОСВЕЩЕНИЯ Цепь питания

Код DTC Наименование DTC
Цепь питания

ОПИСАНИЕ

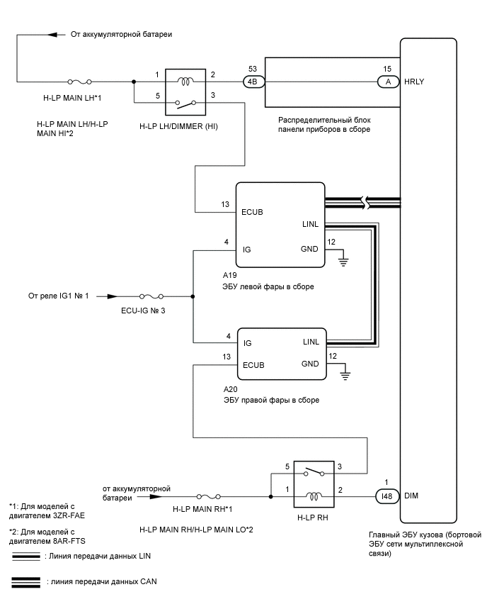
Главный ЭБУ кузова (бортовой ЭБУ сети мультиплексной связи) получает сигналы IG и обеспечивает подачу питания в ЭБУ фары в сборе через реле H-LP.

СХЕМА ЭЛЕКТРИЧЕСКИХ СОЕДИНЕНИЙ

E308251E02

ПРЕДОСТЕРЕЖЕНИЕ / ПРИМЕЧАНИЕ / УКАЗАНИЕ

Note:
  • Перед выполнением следующей процедуры проверки проверьте предохранители цепей, относящихся к данной системе.

  • В случае замены главного ЭБУ кузова (бортового ЭБУ сети мультиплексной связи) обратитесь к бюллетеню технического обслуживания.

  • Поскольку аккумуляторная батарея системы блокировки дверей устанавливается между аккумуляторной батареей автомобиля и главным ЭБУ кузова (бортовым ЭБУ сети мультиплексной связи), перед выполнением данной процедуры диагностики сначала выполните проверку без снятия с автомобиля, чтобы убедиться в отсутствии неисправностей в цепи питания главного ЭБУ кузова (бортового ЭБУ сети мультиплексной связи).*

    *: для моделей с батареей системы блокировки дверей

ПОРЯДОК ВЫПОЛНЕНИЯ

  1. ПРОВЕРЬТЕ ЖГУТ ПРОВОДОВ И РАЗЪЕМ (ЭБУ ФАРЫ В СБОРЕ – АККУМУЛЯТОРНАЯ БАТАРЕЯ И МАССА)

    1. E298708C08

      *A

      ЭБУ левой фары в сборе

      *B

      ЭБУ правой фары в сборе

      *a

      Вид спереди разъема со стороны жгута проводов:

      (ЭБУ фары в сборе)

      Отсоедините разъем A19 ЭБУ левой фары в сборе или разъем A20 ЭБУ правой фары в сборе.

    2. Измерьте напряжение в соответствии со значениями, приведенными в таблице.

      Номинальное напряжение

      Table 1. ЭБУ левой фары в сборе

      Подключение диагностического прибора

      Положение переключателя

      Номинальное значение

      A19-13 (ECUB) - масса

      Питание включено (IG)

      11–14 В

      A19-4 (IG) - масса

      Питание включено (IG)

      11–14 В

      Table 2. ЭБУ правой фары в сборе

      Подключение диагностического прибора

      Положение переключателя

      Номинальное значение

      A20-13 (ECUB) - масса

      Зажигание включено (IG)

      11–14 В

      A20-4 (IG) - масса

      Питание включено (IG)

      11 - 14 В

    3. Измерьте сопротивление в соответствии со значениями, приведенными в таблице ниже.

      Номинальное сопротивление

      Table 3. ЭБУ левой фары в сборе

      Подключение диагностического прибора

      Условие

      Номинальное значение

      A19-12 (GND) - масса

      Всегда

      Менее 1 Ом

      Table 4. ЭБУ правой фары в сборе

      Подключение диагностического прибора

      Условие

      Номинальное значение

      A20-12 (GND) - масса

      Всегда

      Менее 1 Ом

    Result

    Result

    Перейти к

    OK

    А

    NG (ЭБУ левой фары в сборе)

    B

    NG (ЭБУ правой фары в сборе)

    C

    A

    ПЕРЕЙДИТЕ К СЛЕДУЮЩЕМУ ПРЕДПОЛАГАЕМОМУ УЧАСТКУ, УКАЗАННОМУ В ТАБЛИЦЕ ПРИЗНАКОВ НЕИСПРАВНОСТЕЙ

    C

    ПРОВЕРЬТЕ РЕЛЕ ФАР (H-LP RH)Щелкните по следующей ссылке

    B
  2. ПРОВЕРЬТЕ РЕЛЕ ПЕРЕКЛЮЧАТЕЛЯ СВЕТА ФАР (H-LP LH/DIMMER [HI])

    1. Извлеките реле переключателя света фар (H-LP LH/DIMMER [HI]) из блока реле моторного отсека.

    2. Проверьте реле переключателя света фар (H-LP LH/DIMMER [HI]).

      Нажмите здесьЩелкните по следующей ссылке

    Результат

    Перейти к

    OK

    НЕ СООТВ.

    НЕ СООТВ.

    ЗАМЕНИТЕ РЕЛЕ ПЕРЕКЛЮЧАТЕЛЯ СВЕТА ФАР (H-LP LH/DIMMER [HI])

    СООТВ
  3. ПРОВЕРЬТЕ ЖГУТ ПРОВОДОВ И РАЗЪЕМ (РЕЛЕ ПЕРЕКЛЮЧАТЕЛЯ СВЕТА ФАР (H-LP LH/DIMMER (HI)) - АККУМУЛЯТОРНАЯ БАТАРЕЯ)

    1. E298997C02

      *a

      Вид спереди разъема со стороны жгута проводов:

      (к реле переключателя света фар (H-LP LH/DIMMER [HI]))

      Извлеките реле переключателя света фар (H-LP LH/DIMMER [HI]) из блока реле моторного отсека.

    2. Измерьте напряжение в соответствии со значениями, приведенными в таблице.

      Номинальное напряжение

      Подключение диагностического прибора

      Условие

      Заданные условия

      Контакт 1 реле - масса

      Всегда

      11-14 В

      Контакт 5 реле - масса

      Всегда

      11-14 В

    Результат

    Перейти к

    OK

    НЕ СООТВ.

    НЕ СООТВ.

    ОТРЕМОНТИРУЙТЕ ИЛИ ЗАМЕНИТЕ ЖГУТ ПРОВОДОВ ИЛИ РАЗЪЕМ

    СООТВ
  4. ПРОВЕРЬТЕ ЖГУТ ПРОВОДОВ И РАЗЪЕМ (РЕЛЕ ПЕРЕКЛЮЧАТЕЛЯ СВЕТА ФАР (H-LP LH/DIMMER (HI)) - ЭБУ ЛЕВОЙ ФАРЫ В СБОРЕ)

    1. Извлеките реле переключателя света фар (H-LP LH/DIMMER [HI]) из блока реле моторного отсека.

    2. Отсоедините разъем A19 ЭБУ левой фары в сборе.

    3. Измерьте сопротивление в соответствии со значениями, приведенными в таблице ниже.

      Номинальное сопротивление

      Подключение диагностического прибора

      Условие

      Номинальное значение

      Контакт 3 реле - A19-13 (ECUB)

      Всегда

      Менее 1 Ом

      Контакт 3 реле или A19-13 (ECUB) - масса

      Всегда

      10 кОм или более

    Результат

    Перейти к

    OK

    НЕ СООТВ.

    НЕ СООТВ.

    ОТРЕМОНТИРУЙТЕ ИЛИ ЗАМЕНИТЕ ЖГУТ ПРОВОДОВ ИЛИ РАЗЪЕМ

    СООТВ
  5. ПРОВЕРЬТЕ ЖГУТ ПРОВОДОВ И РАЗЪЕМ (РЕЛЕ ПЕРЕКЛЮЧАТЕЛЯ СВЕТА ФАР (H-LP LH/DIMMER (HI)) - ГЛАВНЫЙ ЭБУ КУЗОВА (БОРТОВОЙ ЭБУ СЕТИ МУЛЬТИПЛЕКСНОЙ СВЯЗИ))

    1. Извлеките реле переключателя света фар (H-LP LH/DIMMER [HI]) из блока реле моторного отсека.

    2. Снимите распределительный блок панели приборов в сборе.

      Для моделей с левосторонним рулевым управлением:

      Нажмите здесьЩелкните по следующей ссылке

      Для моделей с правосторонним рулевым управлением:

      Нажмите здесьЩелкните по следующей ссылке

    3. Снимите главный ЭБУ кузова (бортовой ЭБУ сети мультиплексной связи) с распределительного блока панели приборов в сборе.

      Для моделей с левосторонним рулевым управлением:

      Нажмите здесьЩелкните по следующей ссылке

      Для моделей с правосторонним рулевым управлением:

      Нажмите здесьЩелкните по следующей ссылке

    4. Отсоедините разъем 4B распределительного блока панели приборов.

    5. Измерьте сопротивление в соответствии со значениями, приведенными в таблице ниже.

      Номинальное сопротивление

      Подключение диагностического прибора

      Условие

      Номинальное значение

      Контакт 2 реле - A-15 (HRLY)

      Всегда

      Менее 1 Ом

      Контакт 2 реле или A-15 (HRLY) - масса

      Всегда

      10 кОм или более

    Результат

    Перейти к

    OK

    НЕ СООТВ.

    OK

    ЗАМЕНИТЕ ГЛАВНЫЙ ЭБУ КУЗОВА (БОРТОВОЙ ЭБУ СЕТИ МУЛЬТИПЛЕКСНОЙ СВЯЗИ)

    Для моделей с левосторонним рулевым управлением:

    Нажмите здесьЩелкните по следующей ссылке

    Для моделей с правосторонним рулевым управлением:

    Нажмите здесьЩелкните по следующей ссылке

    NG
  6. ПРОВЕРЬТЕ ЖГУТ ПРОВОДОВ И РАЗЪЕМ (РЕЛЕ ПЕРЕКЛЮЧАТЕЛЯ СВЕТА ФАР (H-LP LH/DIMMER (HI)) - РАСПРЕДЕЛИТЕЛЬНЫЙ БЛОК ПАНЕЛИ ПРИБОРОВ В СБОРЕ)

    1. Извлеките реле переключателя света фар (H-LP LH/DIMMER [HI]) из блока реле моторного отсека.

    2. Отсоедините разъем 4B распределительного блока панели приборов.

    3. Измерьте сопротивление в соответствии со значениями, приведенными в таблице ниже.

      Номинальное сопротивление

      Подключение диагностического прибора

      Условие

      Номинальное значение

      Контакт 2 реле - 4B-53

      Всегда

      Менее 1 Ом

      Контакт 2 реле или 4B-53 - масса

      Всегда

      10 кОм или более

    Результат

    Перейти к

    OK

    НЕ СООТВ.

    OK

    ЗАМЕНИТЕ РАСПРЕДЕЛИТЕЛЬНЫЙ БЛОК ПАНЕЛИ ПРИБОРОВ В СБОРЕ

    Для моделей с левосторонним рулевым управлением:

    Нажмите здесьЩелкните по следующей ссылке

    Для моделей с правосторонним рулевым управлением:

    Нажмите здесьЩелкните по следующей ссылке

    NG

    ОТРЕМОНТИРУЙТЕ ИЛИ ЗАМЕНИТЕ ЖГУТ ПРОВОДОВ ИЛИ РАЗЪЕМ

  7. ПРОВЕРЬТЕ РЕЛЕ ФАР (H-LP RH)

    1. Извлеките реле фар (H-LP RH) из блока реле моторного отсека № 2.

    2. Проверьте реле фар (H-LP RH).

      Нажмите здесьЩелкните по следующей ссылке

    Результат

    Перейти к

    OK

    НЕ СООТВ.

    НЕ СООТВ.

    ЗАМЕНИТЕ РЕЛЕ ФАР (РЕЛЕ H-LP RH)

    СООТВ
  8. ПРОВЕРЬТЕ ЖГУТ ПРОВОДОВ И РАЗЪЕМ (РЕЛЕ ФАР (H-LP RH) - АККУМУЛЯТОРНАЯ БАТАРЕЯ)

    1. B340809C11

      *a

      Вид спереди разъема со стороны жгута проводов:

      (к реле фар (H-LP RH))

      Извлеките реле фар (H-LP RH) из блока реле моторного отсека № 2.

    2. Измерьте напряжение в соответствии со значениями, приведенными в таблице.

      Номинальное напряжение

      Подключение диагностического прибора

      Условие

      Заданные условия

      Контакт 1 реле - масса

      Всегда

      11-14 В

      Контакт 5 реле - масса

      Всегда

      11-14 В

    Результат

    Перейти к

    OK

    НЕ СООТВ.

    НЕ СООТВ.

    ОТРЕМОНТИРУЙТЕ ИЛИ ЗАМЕНИТЕ ЖГУТ ПРОВОДОВ ИЛИ РАЗЪЕМ

    СООТВ
  9. ПРОВЕРЬТЕ ЖГУТ ПРОВОДОВ И РАЗЪЕМ (РЕЛЕ ФАР (РЕЛЕ H-LP RH) - ЭБУ ПРАВОЙ ФАРЫ И ГЛАВНЫЙ ЭБУ КУЗОВА (БОРТОВОЙ ЭБУ СЕТИ МУЛЬТИПЛЕКСНОЙ СВЯЗИ))

    1. Извлеките реле фар (H-LP RH) из блока реле моторного отсека № 2.

    2. Отсоедините левый разъем A20 ЭБУ правой фары в сборе.

    3. Отсоедините разъем I48 главного ЭБУ кузова (бортового ЭБУ сети мультиплексной связи).

    4. Измерьте сопротивление в соответствии со значениями, приведенными в таблице ниже.

      Номинальное сопротивление

      Подключение диагностического прибора

      Условие

      Номинальное значение

      Контакт 3 реле - A20-13 (ECUB)

      Всегда

      Менее 1 Ом

      Контакт 2 реле - I48-1 (DIM)

      Всегда

      Менее 1 Ом

      Контакт 3 реле или A20-13 (ECUB) - масса

      Всегда

      10 кОм или более

      Контакт 2 реле или I48-1 (DIM) - масса

      Всегда

      10 кОм или более

    Результат

    Перейти к

    OK

    НЕ СООТВ.

    OK

    ЗАМЕНИТЕ ГЛАВНЫЙ ЭБУ КУЗОВА (БОРТОВОЙ ЭБУ СЕТИ МУЛЬТИПЛЕКСНОЙ СВЯЗИ)

    Для моделей с левосторонним рулевым управлением:

    Нажмите здесьЩелкните по следующей ссылке

    Для моделей с правосторонним рулевым управлением:

    Нажмите здесьЩелкните по следующей ссылке

    NG

    ОТРЕМОНТИРУЙТЕ ИЛИ ЗАМЕНИТЕ ЖГУТ ПРОВОДОВ ИЛИ РАЗЪЕМ