СИСТЕМА ЗЕРКАЛ С ЭЛЕКТРОПРИВОДОМ (без памяти) Невозможно управлять отводными зеркалами с электроприводом с помощью переключателя отвода зеркал

Код DTC Наименование DTC
Невозможно управлять отводными зеркалами с электроприводом с помощью переключателя отвода зеркал

ОПИСАНИЕ

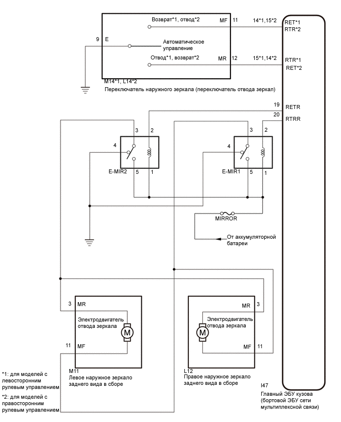
Когда приводится в действие переключатель наружного зеркала (переключатель отвода зеркал), сигнал отвода/возврата зеркал передается в главный ЭБУ кузова (бортовой ЭБУ сети мультиплексной связи). На основании принятого сигнала главный ЭБУ кузова (бортовой ЭБУ сети мультиплексной связи) обеспечивает отвод или возврат наружных зеркал заднего вида в сборе.

СХЕМА СОЕДИНЕНИЙ

E299099E03

ПРЕДОСТЕРЕЖЕНИЕ / ПРИМЕЧАНИЕ / УКАЗАНИЕ

Note:
  • Перед выполнением следующей процедуры проверки проверьте предохранители цепей, относящихся к данной системе.

  • В случае замены главного ЭБУ кузова (бортового ЭБУ сети мультиплексной связи) обратитесь к бюллетеню технического обслуживания.

  • Поскольку аккумуляторная батарея системы блокировки дверей устанавливается между аккумуляторной батареей автомобиля и главным ЭБУ кузова (бортовым ЭБУ сети мультиплексной связи), перед выполнением данной процедуры диагностики сначала выполните проверку без снятия с автомобиля, чтобы убедиться в отсутствии неисправностей в цепи питания главного ЭБУ кузова (бортового ЭБУ сети мультиплексной связи).*

    *: для моделей с батареей системы блокировки дверей

ПОРЯДОК ВЫПОЛНЕНИЯ

  1. СНИМИТЕ ПОКАЗАНИЯ GTS (OUTER MIRROR FOLD SW)

    1. Подключите GTS к DLC3.

    2. Включите зажигание (IG).

    3. Включите GTS.

    4. Войдите в следующие меню: Body Electrical / Main Body / Data List.

    5. Снимите показания с дисплея GTS в режиме DATA LIST.

      Body Electrical > Main Body > Data List

      Информация на дисплее прибора

      Измеряемая величина

      Диапазон

      Нормальное состояние

      Замечание по диагностике

      Outer Mirror Fold SW

      Сигнал переключателя отвода зеркал

      ON (ВКЛ) / OFF (ВЫКЛ)

      ON (ВКЛ): Переключатель отвода зеркал в положении отвода

      OFF (ВЫКЛ): Переключатель отвода зеркал не в положении отвода

      -

      Outer Mirror Return SW

      Сигнал переключателя отвода зеркал

      ON (ВКЛ) / OFF (ВЫКЛ)

      ON (ВКЛ): Переключатель отвода зеркал в положении возврата

      OFF (ВЫКЛ): Переключатель отвода зеркал не в положении возврата

      -

      Body Electrical > Main Body > Data List

      Информация на дисплее прибора

      Outer Mirror Fold SW

      Outer Mirror Return SW

    OK

    На экране GTS для каждого параметра отображается ON (ВКЛ) или OFF (ВЫКЛ) в соответствии с приведенной выше таблицей.

    Result

    Перейти к

    OK

    НЕ СООТВ.

    НЕ СООТВ.

    ПРОВЕРЬТЕ ПЕРЕКЛЮЧАТЕЛЬ НАРУЖНОГО ЗЕРКАЛА (ПЕРЕКЛЮЧАТЕЛЬ ОТВОДА ЗЕРКАЛ)Click here

    СООТВ
  2. ПРОВЕРЬТЕ НЕИСПРАВНЫЕ ДЕТАЛИ

    1. Проверьте неисправные детали.

      Нажмите здесьClick here

    Result

    Result

    Перейдите к

    Оба зеркала неисправны

    A

    Правое зеркало неисправно

    B

    Левое зеркало неисправно

    C

    B

    ПРОВЕРЬТЕ ПРАВОЕ НАРУЖНОЕ ЗЕРКАЛО ЗАДНЕГО ВИДА В СБОРЕ (ФУНЦИЮ ДИСТАНЦИОННОГО ОТВОДА ЗЕРКАЛА)Click here

    C

    ПРОВЕРЬТЕ ЛЕВОЕ НАРУЖНОЕ ЗЕРКАЛО ЗАДНЕГО ВИДА В СБОРЕ (ФУНЦИЮ ДИСТАНЦИОННОГО ОТВОДА ЗЕРКАЛА)Click here

    A
  3. ПРОВЕРЬТЕ РЕЛЕ АВТОМАТИЧЕСКОГО ОТВОДА (E-MIR1, E-MIR2)

    1. Извлеките реле E-MIR1 и E-MIR2 из блока реле № 3 в сборе.

    2. Проверьте реле E-MIR1 и E-MIR2.

      Нажмите здесьClick here

    Результат

    Перейти к

    OK

    НЕ СООТВ.

    НЕ СООТВ.

    ЗАМЕНИТЕ РЕЛЕ АВТОМАТИЧЕСКОГО ОТВОДА

    СООТВ
  4. ПРОВЕРЬТЕ ЖГУТ ПРОВОДОВ И РАЗЪЕМ (РЕЛЕ АВТОМАТИЧЕСКОГО ОТВОДА - АККУМУЛЯТОРНАЯ БАТАРЕЯ)

    1. Снимите реле E-MIR1 и E-MIR2.

    2. E299105C01

      *1

      Реле E-MIR1

      *2

      Реле E-MIR2

      Измерьте напряжение в соответствии со значениями, приведенными в таблице.

      Номинальное напряжение

      Подключение диагностического прибора

      Условие

      Заданные условия

      Контакт 1 держателя реле E-MIR1 - масса

      Всегда

      11-14 В

      Контакт 5 держателя реле E-MIR1 - масса

      Всегда

      11-14 В

      Контакт 1 держателя реле E-MIR2 - масса

      Всегда

      11-14 В

      Контакт 5 держателя реле E-MIR2 - масса

      Всегда

      от 11 до 14 В

    Результат

    Перейти к

    OK

    НЕ СООТВ.

    НЕ СООТВ.

    ОТРЕМОНТИРУЙТЕ ИЛИ ЗАМЕНИТЕ ЖГУТ ПРОВОДОВ ИЛИ РАЗЪЕМ

    СООТВ
  5. ПРОВЕРЬТЕ ЖГУТ ПРОВОДОВ И РАЗЪЕМ (РЕЛЕ АВТОМАТИЧЕСКОГО ОТВОДА - МАССА)

    1. Снимите реле E-MIR1 и E-MIR2.

    2. E299105C01

      *1

      Реле E-MIR1

      *2

      Реле E-MIR2

      Измерьте сопротивление в соответствии со значениями, приведенными в таблице ниже.

      Номинальное сопротивление

      Подключение диагностического прибора

      Условие

      Заданные условия

      Контакт 4 держателя реле E-MIR1 - масса

      Всегда

      Менее 1 Ом

      Контакт 4 держателя реле E-MIR2 - масса

      Всегда

      Менее 1 Ом

    Результат

    Перейти к

    OK

    НЕ СООТВ.

    НЕ СООТВ.

    ОТРЕМОНТИРУЙТЕ ИЛИ ЗАМЕНИТЕ ЖГУТ ПРОВОДОВ ИЛИ РАЗЪЕМ

    СООТВ
  6. ПРОВЕРЬТЕ ЖГУТ ПРОВОДОВ И РАЗЪЕМ (РЕЛЕ АВТОМАТИЧЕСКОГО ОТВОДА - ГЛАВНЫЙ ЭБУ КУЗОВА (БОРТОВОЙ ЭБУ СЕТИ МУЛЬТИПЛЕКСНОЙ СВЯЗИ))

    1. Снимите реле E-MIR1 и E-MIR2.

    2. Измерьте сопротивление в соответствии со значениями, приведенными в таблице ниже.

      Номинальное сопротивление

      Подключение диагностического прибора

      Условие

      Номинальное значение

      Контакт 2 держателя реле E-MIR1 - I47-20 (RTRR)

      Всегда

      Менее 1 Ом

      Контакт 2 держателя реле E-MIR1 - масса

      Всегда

      10 кОм или более

      Контакт 2 держателя реле E-MIR2 - I47-19 (RETR)

      Всегда

      Менее 1 Ом

      Контакт 2 держателя реле E-MIR2 - масса

      Всегда

      10 кОм или более

    Результат

    Перейти к

    OK

    НЕ СООТВ.

    НЕ СООТВ.

    ОТРЕМОНТИРУЙТЕ ИЛИ ЗАМЕНИТЕ ЖГУТ ПРОВОДОВ ИЛИ РАЗЪЕМ

    СООТВ
  7. ПРОВЕРЬТЕ ЖГУТ ПРОВОДОВ И РАЗЪЕМ (РЕЛЕ АВТОМАТИЧЕСКОГО ОТВОДА - ПРАВОЕ ИЛИ ЛЕВОЕ НАРУЖНОЕ ЗЕРКАЛО ЗАДНЕГО ВИДА В СБОРЕ)

    1. Снимите реле E-MIR1 и E-MIR2.

    2. Отсоедините разъем L12 правого наружного зеркала заднего вида в сборе или разъем M11 левого наружного зеркала заднего вида в сборе.

    3. Измерьте сопротивление в соответствии со значениями, приведенными в таблице ниже.

      Номинальное сопротивление

      Подключение диагностического прибора

      Условие

      Заданные условия

      Контакт 3 держателя реле E-MIR1 - L12-11 (MF) или M11-11 (MF)

      Всегда

      Менее 1 Ом

      Контакт 3 держателя реле E-MIR2 - L12-3 (MR) или M11-3 (MR)

      Всегда

      Менее 1 Ом

    Результат

    Перейти к

    OK

    НЕ СООТВ.

    OK

    ЗАМЕНИТЕ ГЛАВНЫЙ ЭБУ КУЗОВА (БОРТОВОЙ ЭБУ СЕТИ МУЛЬТИПЛЕКСНОЙ СВЯЗИ)

    Для моделей с левосторонним рулевым управлением: Нажмите здесьClick here

    Для моделей с правосторонним рулевым управлением: Нажмите здесьClick here

    NG

    ОТРЕМОНТИРУЙТЕ ИЛИ ЗАМЕНИТЕ ЖГУТ ПРОВОДОВ ИЛИ РАЗЪЕМ

  8. ПРОВЕРЬТЕ ПЕРЕКЛЮЧАТЕЛЬ ЭЛЕКТРОПРИВОДА НАРУЖНОГО ЗЕРКАЛА В СБОРЕ (ПЕРЕКЛЮЧАТЕЛЬ ОТВОДА ЗЕРКАЛ)

    1. Снимите переключатель наружного зеркала в сборе.

      Нажмите здесьClick here

    2. Проверьте переключатель наружного зеркала в сборе.

      Нажмите здесьClick here

    Результат

    Перейти к

    OK

    НЕ СООТВ.

    НЕ СООТВ.

    ЗАМЕНИТЕ ПЕРЕКЛЮЧАТЕЛЬ НАРУЖНОГО ЗЕРКАЛА В СБОРЕ

    Нажмите здесьClick here

    СООТВ
  9. ПРОВЕРЬТЕ ЖГУТ ПРОВОДОВ И РАЗЪЕМ (ПЕРЕКЛЮЧАТЕЛЬ НАРУЖНОГО ЗЕРКАЛА В СБОРЕ - ГЛАВНЫЙ ЭБУ КУЗОВА (БОРТОВОЙ ЭБУ СЕТИ МУЛЬТИПЛЕКСНОЙ СВЯЗИ) И МАССА)

    1. Отсоедините разъем M14*1 или L14*2 переключателя наружного зеркала.

      • *1: для моделей с левосторонним рулевым управлением

      • *2: для моделей с правосторонним рулевым управлением

    2. Отсоедините разъем I47 главного ЭБУ кузова (бортового ЭБУ сети мультиплексной связи).

    3. Измерьте сопротивление в соответствии со значениями, приведенными в таблице ниже.

      Номинальное сопротивление

      Table 1. для моделей с левосторонним рулевым управлением.

      Подключение диагностического прибора

      Условие

      Номинальное значение

      M14-11 (MF) - I47-14 (RET)

      Всегда

      Менее 1 Ом

      M14-12 (MR) - I47-15 (RTR)

      Всегда

      Менее 1 Ом

      M14-9 (E) - масса

      Всегда

      Менее 1 Ом

      M14-11 (MF) или I47-14 (RET) - масса

      Всегда

      10 кОм или более

      M14-12 (MR) или I47-15 (RTR) - масса

      Всегда

      10 кОм или более

      Table 2. Для моделей с правосторонним рулевым управлением

      Подключение диагностического прибора

      Условие

      Номинальное значение

      L14-11 (MF) - I47-15 (RTR)

      Всегда

      Менее 1 Ом

      L14-12 (MR) - I47-14 (RET)

      Всегда

      Менее 1 Ом

      L14-9 (E) - масса

      Всегда

      Менее 1 Ом

      L14-11 (MF) или I47-15 (RTR) - масса

      Всегда

      10 кОм или более

      L14-12 (MR) или I47-14 (RET) - масса

      Всегда

      10 кОм или более

    Результат

    Перейти к

    OK

    НЕ СООТВ.

    OK

    ЗАМЕНИТЕ ГЛАВНЫЙ ЭБУ КУЗОВА (БОРТОВОЙ ЭБУ СЕТИ МУЛЬТИПЛЕКСНОЙ СВЯЗИ)

    Для моделей с левосторонним рулевым управлением: Нажмите здесьClick here

    Для моделей с правосторонним рулевым управлением: Нажмите здесьClick here

    NG

    ОТРЕМОНТИРУЙТЕ ИЛИ ЗАМЕНИТЕ ЖГУТ ПРОВОДОВ ИЛИ РАЗЪЕМ

  10. ПРОВЕРЬТЕ ПРАВОЕ НАРУЖНОЕ ЗЕРКАЛО ЗАДНЕГО ВИДА В СБОРЕ (ФУНЦИЮ ДИСТАНЦИОННОГО ОТВОДА ЗЕРКАЛА)

    1. Снимите правое наружное зеркало заднего вида в сборе.

      Нажмите здесьClick here

    2. Проверьте правое наружное зеркало заднего вида в сборе.

      Нажмите здесьClick hereClick here

    Результат

    Перейти к

    OK

    НЕ СООТВ.

    НЕ СООТВ.

    ЗАМЕНИТЕ ПРАВОЕ НАРУЖНОЕ ЗЕРКАЛО ЗАДНЕГО ВИДА В СБОРЕ

    Нажмите здесьClick here

    СООТВ
  11. ПРОВЕРЬТЕ ЖГУТ ПРОВОДОВ И РАЗЪЕМ (ПРАВОЕ НАРУЖНОЕ ЗЕРКАЛО ЗАДНЕГО ВИДА В СБОРЕ - РЕЛЕ АВТОМАТИЧЕСКОГО ОТВОДА)

    1. Отсоедините разъем L12 правого наружного зеркала заднего вида в сборе.

    2. Снимите реле E-MIR1 и E-MIR2.

    3. Измерьте сопротивление в соответствии со значениями, приведенными в таблице ниже.

      Номинальное сопротивление

      Подключение диагностического прибора

      Условие

      Заданные условия

      L12-11 (MF) - контакт 3 держателя реле E-MIR1

      Всегда

      Менее 1 Ом

      L12-11 (MF) - масса

      Всегда

      10 кОм или более

      L12-3 (MR) - контакт 3 держателя реле E-MIR2

      Всегда

      Менее 1 Ом

      L12-3 (MR) - масса

      Всегда

      10 кОм или более

    Результат

    Перейти к

    OK

    НЕ СООТВ.

    OK

    ВЫПОЛНИТЕ ПРОВЕРКУ С ИМИТАЦИЕЙ УСЛОВИЙ ВОЗНИКНОВЕНИЯ НЕИСПРАВНОСТИ

    Нажмите здесьClick hereClick hereClick hereClick here

    NG

    ОТРЕМОНТИРУЙТЕ ИЛИ ЗАМЕНИТЕ ЖГУТ ПРОВОДОВ ИЛИ РАЗЪЕМ

  12. ПРОВЕРЬТЕ ЛЕВОЕ НАРУЖНОЕ ЗЕРКАЛО ЗАДНЕГО ВИДА В СБОРЕ (ФУНЦИЮ ДИСТАНЦИОННОГО ОТВОДА ЗЕРКАЛА)

    1. Снимите левое наружное зеркало заднего вида.

      Нажмите здесьClick here

    2. Проверьте левое наружное зеркало заднего вида в сборе.

      Нажмите здесьClick hereClick here

    Результат

    Перейти к

    OK

    НЕ СООТВ.

    НЕ СООТВ.

    ЗАМЕНИТЕ ЛЕВОЕ НАРУЖНОЕ ЗЕРКАЛО ЗАДНЕГО ВИДА В СБОРЕ

    Нажмите здесьClick here

    СООТВ
  13. ПРОВЕРЬТЕ ЖГУТ ПРОВОДОВ И РАЗЪЕМ (ЛЕВОЕ НАРУЖНОЕ ЗЕРКАЛО ЗАДНЕГО ВИДА В СБОРЕ - РЕЛЕ АВТОМАТИЧЕСКОГО ОТВОДА)

    1. Отсоедините разъем M11 левого наружного зеркала заднего вида в сборе.

    2. Снимите реле E-MIR1 и E-MIR2.

    3. Измерьте сопротивление в соответствии со значениями, приведенными в таблице ниже.

      Номинальное сопротивление

      Подключение диагностического прибора

      Условие

      Заданные условия

      M11-11 (MF) - контакт 3 держателя реле E-MIR1

      Всегда

      Менее 1 Ом

      M11-11 (MF) - масса

      Всегда

      10 кОм или более

      M11-3 (MR) - контакт 3 держателя реле E-MIR2

      Всегда

      Менее 1 Ом

      M11-3 (MR) - масса

      Всегда

      10 кОм или более

    Результат

    Перейти к

    OK

    НЕ СООТВ.

    OK

    ВЫПОЛНИТЕ ПРОВЕРКУ С ИМИТАЦИЕЙ УСЛОВИЙ ВОЗНИКНОВЕНИЯ НЕИСПРАВНОСТИ

    Нажмите здесьClick hereClick hereClick hereClick here

    NG

    ОТРЕМОНТИРУЙТЕ ИЛИ ЗАМЕНИТЕ ЖГУТ ПРОВОДОВ ИЛИ РАЗЪЕМ