СИСТЕМА БЛОКА ИНДИКАЦИИ НА ВЕТРОВОМ СТЕКЛЕ Цепь главного выключателя

Код DTC Наименование DTC
Цепь главного выключателя

ОПИСАНИЕ

Выключатель индикации на ветровом стекле и зеркало щитка приборов соединены посредством прямого соединения. Зеркало щитка приборов можно включить и выключить при помощи выключателя индикации на ветровом стекле.

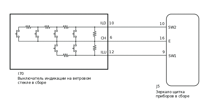
СХЕМА ЭЛЕКТРИЧЕСКИХ СОЕДИНЕНИЙ

E380252E02

ПОРЯДОК ВЫПОЛНЕНИЯ

  1. СНИМИТЕ ПОКАЗАНИЯ GTS (MAIN SWITCH)

    1. Подключите GTS к DLC3.

    2. Включите зажигание (IG).

    3. Включите GTS.

    4. Войдите в следующие меню: Body Electrical / Head Up Display / Data List.

    5. Снимите показания с дисплея GTS в режиме DATA LIST.

      Body Electrical > Head Up Display > Data List

      Информация на дисплее прибора

      Измеряемая величина

      Диапазон

      Нормальное состояние

      Замечание по диагностике

      Главный выключатель

      Main switch

      OFF (ВЫКЛ) или ON (ВКЛ)

      OFF (ВЫКЛ): Переключатель отпущен

      ON (ВКЛ): Выключатель нажат

      -

      Brightness Up Switch

      Переключатель увеличения яркости

      OFF (ВЫКЛ) или ON (ВКЛ)

      OFF (ВЫКЛ): Переключатель отпущен

      ON (ВКЛ): Выключатель нажат

      -

      Brightness Down Switch

      Переключатель уменьшения яркости

      OFF (ВЫКЛ) или ON (ВКЛ)

      OFF (ВЫКЛ): Переключатель отпущен

      ON (ВКЛ): Выключатель нажат

      -

      Projection Position Up Switch

      Переключатель смещения проекции вверх

      OFF (ВЫКЛ) или ON (ВКЛ)

      OFF (ВЫКЛ): Переключатель отпущен

      ON (ВКЛ): Выключатель нажат

      -

      Projection Position Down Switch

      Переключатель смещения проекции вниз

      OFF (ВЫКЛ) или ON (ВКЛ)

      OFF (ВЫКЛ): Переключатель отпущен

      ON (ВКЛ): Выключатель нажат

      -

      Display Change Switch

      Переключатель обновления дисплея

      OFF (ВЫКЛ) или ON (ВКЛ)

      OFF (ВЫКЛ): Переключатель отпущен

      ON (ВКЛ): Выключатель нажат

      -

      OK

      Состояние выключателя блока индикации на ветровом стекле на экране GTS изменяется в соответствии с фактическим положением выключателя.

      Body Electrical > Head Up Display > Data List

      Информация на дисплее прибора

      Главный выключатель

      Brightness Up Switch

      Brightness Down Switch

      Projection Position Up Switch

      Projection Position Down Switch

      Display Change Switch

    Результат

    Перейти к

    OK

    НЕ СООТВ.

    СООТВ

    ЗАМЕНИТЕ ЗЕРКАЛО ЩИТКА ПРИБОРОВ В СБОРЕ

    Нажмите здесьClick here

    НЕ СООТВ.
  2. ПРОВЕРЬТЕ ВЫКЛЮЧАТЕЛЬ ИНДИКАЦИИ НА ВЕТРОВОМ СТЕКЛЕ В СБОРЕ

    1. Снимите выключатель индикации на ветровом стекле в сборе.

      Нажмите здесьClick here

    2. Проверьте выключатель индикации на ветровом стекле в сборе.

      Нажмите здесьClick here

    Результат

    Перейти к

    OK

    НЕ СООТВ.

    НЕ СООТВ.

    ЗАМЕНИТЕ ВЫКЛЮЧАТЕЛЬ ИНДИКАЦИИ НА ВЕТРОВОМ СТЕКЛЕ В СБОРЕ

    Нажмите здесьClick here

    СООТВ
  3. ПРОВЕРЬТЕ ЖГУТ ПРОВОДОВ И РАЗЪЕМ (ЗЕРКАЛО ЩИТКА ПРИБОРОВ — ВЫКЛЮЧАТЕЛЬ ИНДИКАЦИИ НА ВЕТРОВОМ СТЕКЛЕ)

    1. Отсоедините разъем J5 зеркала щитка приборов.

    2. Отсоедините разъем I70 выключателя индикации на ветровом стекле в сборе.

    3. Измерьте сопротивление в соответствии со значениями, приведенными в таблице ниже.

      Номинальное сопротивление

      Подключение диагностического прибора

      Условие

      Заданные условия

      J5-9 (SW1) - I70-12 (ILU)

      Всегда

      Менее 1 Ом

      J5-10 (SW2) - I70-10 (ILD)

      Всегда

      Менее 1 Ом

      J5-16 (E) - I70-6 (CH)

      Всегда

      Менее 1 Ом

      J5-9 (SW1) или I70-12 (ILU) - масса

      Всегда

      10 кОм или более

      J5-10 (SW2) или I70-10 (ILD) - масса

      Всегда

      10 кОм или более

      J5-16 (E) или I70-6 (CH) - масса

      Всегда

      10 кОм или более

    Результат

    Перейти к

    OK

    НЕ СООТВ.

    СООТВ

    ЗАМЕНИТЕ ЗЕРКАЛО ЩИТКА ПРИБОРОВ В СБОРЕ

    Нажмите здесьClick here

    NG

    ОТРЕМОНТИРУЙТЕ ИЛИ ЗАМЕНИТЕ ЖГУТ ПРОВОДОВ ИЛИ РАЗЪЕМ