CAN COMMUNICATION SYSTEM(for RHD), Diagnostic DTC:U1002

DTC Code DTC Name
U1002 Lost Communication with Gateway Module

DESCRIPTION

  • The main body ECU (multiplex network body ECU) stores this DTC when no signals can be received from the ECUs that have been memorized as those connected to the sub bus 1.

  • When the main body ECU (multiplex network body ECU) receives a response signal from the ECUs connected to the sub bus 1, the main body ECU (multiplex network body ECU) recognizes and memorizes that the ECU is connected to the sub bus 1. Based on this memorized data, the main body ECU (multiplex network body ECU) monitors for malfunctions in the ECUs connected to the sub bus 1 when communicating with those ECUs. If the main body ECU (multiplex network body ECU) cannot receive response signals from the ECUs that have been memorized as those connected to the sub bus 1, the main body ECU (multiplex network body ECU) determines that a malfunction exists.

  • If 2 or more DTCs are output during the DTC check, one side of the CAN branch wire may be open (one side of the CANH [CAN branch wire]/CANL [CAN branch wire] of the ECU and/or sensor is open).

DTC No.

Detection Item

DTC Detection Condition

Trouble Area

DTC Output from

U1002

Lost Communication with Gateway Module

Lost communication with the gateway module.

  • Open or short in sub bus 1 CAN main wire or connector

  • Open or short in sub bus 1 CAN branch wire or connector

  • Main body ECU (multiplex network body ECU)

  • Multiplex network door ECU

  • Position control ECU and switch assembly*

  • No. 11 CAN junction connector*

  • No. 5 CAN junction connector

  • No. 1 CAN junction terminal

Main body ECU (multiplex network body ECU)

  • *: w/ Seat Memory

  • For vehicles with a power back door system.

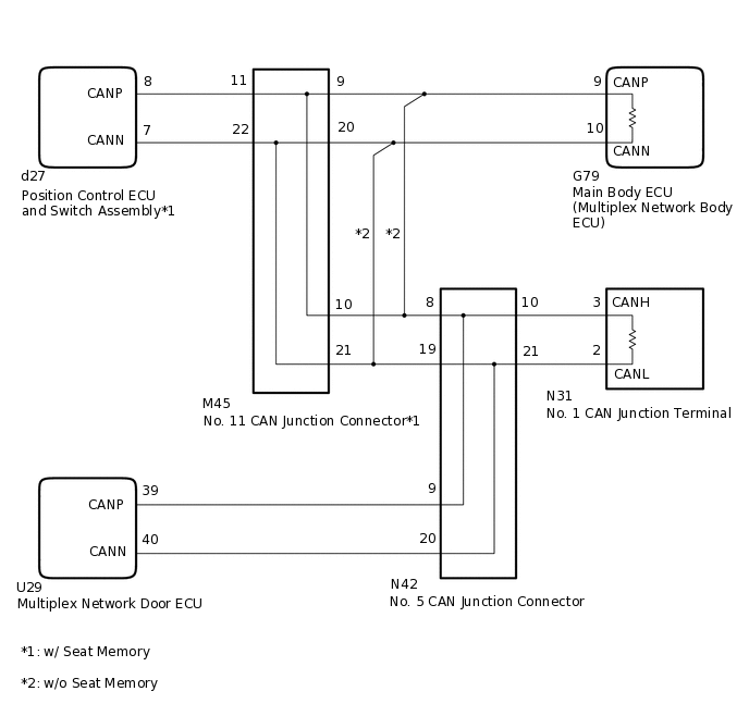
WIRING DIAGRAM

C280386E12

CAUTION / NOTICE / HINT

Note:
  • Because the order of diagnosis is important to allow correct diagnosis, make sure to begin troubleshooting using How to Proceed with Troubleshooting when CAN communication system related DTCs are output.

    Click here

  • Before measuring the resistance of the CAN bus, turn the power switch off and leave the vehicle for 1 minute or more without operating the key, switches or opening or closing the doors. After that, disconnect the cable from the negative (-) auxiliary battery terminal and leave the vehicle for 1 minute or more before measuring the resistance.

  • After turning the power switch off, waiting time may be required before disconnecting the cable from the negative (-) auxiliary battery terminal. Therefore, make sure to read the disconnecting the cable from the negative (-) auxiliary battery terminal notices before proceeding with work.

    Click hereClick hereClick here

  • DTC check procedure: Turn the power switch to on (IG) and wait at least 20 seconds.

  • After the repair, perform CAN Bus Check and check that all the ECUs and sensors connected to the CAN communication system are displayed.

    Click hereClick here

  • When replacing the main body ECU (multiplex network body ECU), make sure to replace it with a new one.

Tip:
  • Operating the power switch, any other switches or a door triggers related ECU and sensor communication on the CAN. This communication will cause the resistance value to change.

  • Even after DTCs are cleared, if a DTC is stored again after driving the vehicle for a while, the malfunction may be occurring due to vibration of the vehicle. In such a case, wiggling the ECUs or wire harness while performing the inspection below may help determine the cause of the malfunction.

PROCEDURE

  1. CHECK SUB BUS 1

    1. C216700C09

      *a

      Component with harness connected

      (No. 1 CAN Junction Terminal)

      *b

      Front view of DLC3

      Disconnect the cable from the negative (-) auxiliary battery terminal.

    2. Measure the resistance according to the value(s) in the table below.

      Standard Resistance

      Tester Connection

      Condition

      Specified Condition

      Resistance: Malfunction

      N31-3 (CANH) - N31-2 (CANL)

      Cable disconnected from negative (-) auxiliary battery terminal

      54 to 69 Ω

      Below 53 Ω: Short in line

      N31-3 (CANH) - N31-2 (CANL)

      Cable disconnected from negative (-) auxiliary battery terminal

      54 to 69 Ω

      Higher than 70 Ω: Open in CAN main bus line

      N31-3 (CANH) - G14-16 (BAT)

      Cable disconnected from negative (-) auxiliary battery terminal

      6 kΩ or higher

      Below 6 kΩ: +B short

      N31-2 (CANL) - G14-16 (BAT)

      Cable disconnected from negative (-) auxiliary battery terminal

      6 kΩ or higher

      Below 6 kΩ: +B short

      N31-3 (CANH) - N31-1 (E)

      Cable disconnected from negative (-) auxiliary battery terminal

      200 Ω or higher

      Below 200 Ω: Ground short

      N31-2 (CANL) - N31-1 (E)

      Cable disconnected from negative (-) auxiliary battery terminal

      200 Ω or higher

      Below 200 Ω: Ground short

    Result

    Result

    Proceed to

    OK

    A

    NG

    - Open in CAN main wire

    B

    NG

    - Short in CAN bus wire

    C

    NG

    - +B short

    - Ground short

    D

    B

    CHECK FOR OPEN IN CAN BUS MAIN WIRE (NO. 5 CAN JUNCTION CONNECTOR)Click here

    C

    CHECK FOR SHORT IN CAN BUS WIRES (NO. 5 CAN JUNCTION CONNECTOR)Click here

    D

    CHECK FOR SHORT IN CAN BUS WIRES (NO. 5 CAN JUNCTION CONNECTOR)Click here

    A
  2. CHECK FOR DTC

    1. Clear the DTCs.

      Body Electrical > Main Body > Clear DTCs

    2. Check for DTCs.

      Body Electrical > Main Body > Trouble Codes

    Result

    Result

    Proceed to

    DTC U1002 is output from main body ECU (multiplex network body ECU)

    A

    Other DTC is output

    B

    A

    REPLACE MAIN BODY ECU (MULTIPLEX NETWORK BODY ECU)

    B

    GO TO DIAGNOSTIC TROUBLE CODE CHART

  3. CHECK FOR OPEN IN CAN BUS MAIN WIRE (NO. 5 CAN JUNCTION CONNECTOR)

    1. C348167C07

      *a

      Rear view of wire harness connector

      (to No. 5 CAN Junction Connector)

      *b

      to No. 11 CAN Junction Connector (w/ Seat Memory) or Main Body ECU (Multiplex Network Body ECU) (w/o Seat Memory)

      *c

      to No. 1 CAN Junction Terminal

      Disconnect the No. 5 CAN junction connector.

    2. Measure the resistance according to the value(s) in the table below.

      Standard Resistance

      Tester Connection

      Condition

      Specified Condition

      N42-8 (CANH) - N42-19 (CANL)

      Cable disconnected from negative (-) auxiliary battery terminal

      108 to 132 Ω

      N42-10 (CANH) - N42-21 (CANL)

      Cable disconnected from negative (-) auxiliary battery terminal

      108 to 132 Ω

    Result

    Result

    Proceed to

    OK

    A

    NG (to No. 1 CAN junction terminal CAN main wire)

    B

    NG (to No. 11 CAN junction connector CAN main wire) (w/ Seat Memory)

    C

    NG (to main body ECU [multiplex network body ECU] CAN main wire) (w/o Seat Memory)

    D

    A

    REPLACE NO. 5 CAN JUNCTION CONNECTOR

    C

    CONNECT CONNECTORClick here

    D

    CONNECT CONNECTORClick here

    B
  4. CONNECT CONNECTOR

    1. Reconnect the N42 No. 5 CAN junction connector.

    Result

    Proceed to

    NEXT

    NEXT
  5. CHECK FOR OPEN IN CAN BUS MAIN WIRE (NO. 1 CAN JUNCTION TERMINAL - NO. 5 CAN JUNCTION CONNECTOR)

    1. C210060C18

      *a

      Rear view of wire harness connector

      (to No. 1 CAN Junction Terminal)

      Disconnect the No. 1 CAN junction terminal connector.

    2. Measure the resistance according to the value(s) in the table below.

      Standard Resistance

      Tester Connection

      Condition

      Specified Condition

      N31-3 (CANH) - N31-2 (CANL)

      Cable disconnected from negative (-) auxiliary battery terminal

      108 to 132 Ω

    Result

    Proceed to

    OK

    NG

    OK

    REPLACE NO. 1 CAN JUNCTION TERMINAL

    NG

    REPAIR OR REPLACE CAN MAIN WIRE OR CONNECTOR (NO. 1 CAN JUNCTION TERMINAL - NO. 5 CAN JUNCTION CONNECTOR)

  6. CONNECT CONNECTOR

    1. Reconnect the N42 No. 5 CAN junction connector.

    Result

    Proceed to

    NEXT

    NEXT
  7. CHECK FOR OPEN IN CAN BUS MAIN WIRE (NO. 11 CAN JUNCTION CONNECTOR)

    1. C348167C09

      *a

      Rear view of wire harness connector

      (to No. 11 CAN Junction Connector)

      *b

      to Main Body ECU (Multiplex Network Body ECU)

      *c

      to No. 5 CAN Junction Connector

      Disconnect the No. 11 CAN junction connector.

    2. Measure the resistance according to the value(s) in the table below.

      Standard Resistance

      Tester Connection

      Condition

      Specified Condition

      M45-9 (CANH) - M45-20 (CANL)

      Cable disconnected from negative (-) auxiliary battery terminal

      108 to 132 Ω

      M45-10 (CANH) - M45-21 (CANL)

      Cable disconnected from negative (-) auxiliary battery terminal

      108 to 132 Ω

    Result

    Result

    Proceed to

    OK

    A

    NG (to main body ECU [multiplex network body ECU] CAN main wire)

    B

    NG (to No. 5 CAN junction connector CAN main wire)

    C

    A

    REPLACE NO. 11 CAN JUNCTION CONNECTOR

    C

    REPAIR OR REPLACE CAN MAIN WIRE OR CONNECTOR (NO. 11 CAN JUNCTION CONNECTOR - NO. 5 CAN JUNCTION CONNECTOR)

    B
  8. CONNECT CONNECTOR

    1. Reconnect the M45 No. 11 CAN junction connector.

    Result

    Proceed to

    NEXT

    NEXT
  9. CHECK FOR OPEN IN CAN BUS MAIN WIRE (MAIN BODY ECU - NO. 11 CAN JUNCTION CONNECTOR)

    1. C277474C01

      *a

      Rear view of wire harness connector

      (to Main Body ECU [Multiplex Network Body ECU])

      Disconnect the main body ECU (multiplex network body ECU) connector.

    2. Measure the resistance according to the value(s) in the table below.

      Standard Resistance

      Tester Connection

      Condition

      Specified Condition

      G79-9 (CANP) - G79-10 (CANN)

      Cable disconnected from negative (-) auxiliary battery terminal

      108 to 132 Ω

    Result

    Proceed to

    OK

    NG

    OK

    REPLACE MAIN BODY ECU (MULTIPLEX NETWORK BODY ECU)

    NG

    REPAIR OR REPLACE CAN MAIN WIRE OR CONNECTED TO MAIN BODY ECU (MAIN BODY ECU - NO. 11 CAN JUNCTION CONNECTOR)

  10. CONNECT CONNECTOR

    1. Reconnect the N42 No. 5 CAN junction connector.

    Result

    Proceed to

    NEXT

    NEXT
  11. CHECK FOR OPEN IN CAN BUS MAIN WIRE (MAIN BODY ECU - NO. 5 CAN JUNCTION CONNECTOR)

    1. C277474C01

      *a

      Rear view of wire harness connector

      (to Main Body ECU [Multiplex Network Body ECU])

      Disconnect the main body ECU (multiplex network body ECU) connector.

    2. Measure the resistance according to the value(s) in the table below.

      Standard Resistance

      Tester Connection

      Condition

      Specified Condition

      G79-9 (CANP) - G79-10 (CANN)

      Cable disconnected from negative (-) auxiliary battery terminal

      108 to 132 Ω

    Result

    Proceed to

    OK

    NG

    OK

    REPLACE MAIN BODY ECU (MULTIPLEX NETWORK BODY ECU)

    NG

    REPAIR OR REPLACE CAN MAIN WIRE OR CONNECTED TO MAIN BODY ECU (MAIN BODY ECU - NO. 5 CAN JUNCTION CONNECTOR)

  12. CHECK FOR SHORT IN CAN BUS WIRES (NO. 5 CAN JUNCTION CONNECTOR)

    1. C348167C08

      *a

      Rear view of wire harness connector

      (to No. 5 CAN Junction Connector)

      *b

      to No. 11 CAN Junction Connector (w/ Seat Memory) or Main Body ECU (Multiplex Network Body ECU) (w/o Seat Memory)

      *c

      to Multiplex Network Door ECU

      *d

      to No. 1 CAN Junction Terminal

      Disconnect the No. 5 CAN junction connector.

    2. Measure the resistance according to the value(s) in the table below.

      Standard Resistance

      Tester Connection

      Condition

      Specified Condition

      N42-8 (CANH) - N42-19 (CANL)

      Cable disconnected from negative (-) auxiliary battery terminal

      108 to 132 Ω

      N42-9 (CANH) - N42-20 (CANL)

      Cable disconnected from negative (-) auxiliary battery terminal

      200 Ω or higher

      N42-10 (CANH) - N42-21 (CANL)

      Cable disconnected from negative (-) auxiliary battery terminal

      108 to 132 Ω

    Result

    Result

    Proceed to

    OK

    A

    NG (to multiplex network door ECU CAN branch wire)

    B

    NG (to No. 5 CAN junction terminal CAN main wire)

    C

    NG (to No. 11 CAN junction connector CAN main wire) (w/ Seat Memory)

    D

    NG (to main body ECU [multiplex network body ECU] CAN main wire) (w/o Seat Memory)

    E

    A

    REPLACE NO. 5 CAN JUNCTION CONNECTOR

    C

    CONNECT CONNECTORClick here

    D

    CONNECT CONNECTORClick here

    E

    CONNECT CONNECTORClick here

    B
  13. CONNECT CONNECTOR

    1. Reconnect the N42 No. 5 CAN junction connector.

    Result

    Proceed to

    NEXT

    NEXT
  14. CHECK FOR SHORT IN CAN BUS WIRES (MULTIPLEX NETWORK DOOR ECU)

    1. C317101C13

      *a

      Front view of wire harness connector

      (to Multiplex Network Door ECU)

      Disconnect the multiplex network door ECU connector.

    2. Measure the resistance according to the value(s) in the table below.

      Standard Resistance

      Tester Connection

      Condition

      Specified Condition

      U29-39 (CANP) - U29-40 (CANN)

      Cable disconnected from negative (-) auxiliary battery terminal

      54 to 69 Ω

    Result

    Proceed to

    OK

    NG

    OK

    REPLACE MULTIPLEX NETWORK DOOR ECU

    NG

    REPAIR OR REPLACE CAN BRANCH WIRE CONNECTED TO MULTIPLEX NETWORK DOOR ECU (CANP, CANN)

  15. CONNECT CONNECTOR

    1. Reconnect the N42 No. 5 CAN junction connector.

    Result

    Proceed to

    NEXT

    NEXT
  16. CHECK FOR SHORT IN CAN BUS WIRES (NO. 1 CAN JUNCTION TERMINAL)

    1. C210060C18

      *a

      Rear view of wire harness connector

      (to No. 1 CAN Junction Terminal)

      Disconnect the No. 1 CAN junction terminal connector.

    2. Measure the resistance according to the value(s) in the table below.

      Standard Resistance

      Tester Connection

      Condition

      Specified Condition

      N31-3 (CANH) - N31-2 (CANL)

      Cable disconnected from negative (-) auxiliary battery terminal

      108 to 132 Ω

    Result

    Proceed to

    OK

    NG

    OK

    REPLACE NO. 1 CAN JUNCTION TERMINAL

    NG

    REPAIR OR REPLACE CAN MAIN WIRE OR CONNECTOR (NO. 1 CAN JUNCTION TERMINAL - NO. 5 CAN JUNCTION CONNECTOR)

  17. CONNECT CONNECTOR

    1. Reconnect the N42 No. 5 CAN junction connector.

    Result

    Proceed to

    NEXT

    NEXT
  18. CHECK FOR SHORT IN CAN BUS WIRES (NO. 11 CAN JUNCTION CONNECTOR)

    1. C348167C10

      *a

      Rear view of wire harness connector

      (to No. 11 CAN Junction Connector)

      *b

      to Main Body ECU (Multiplex Network Body ECU)

      *c

      to No. 5 CAN Junction Connector

      *d

      to Position Control ECU and Switch Assembly

      Disconnect the No. 11 CAN junction connector.

    2. Measure the resistance according to the value(s) in the table below.

      Standard Resistance

      Tester Connection

      Condition

      Specified Condition

      M45-9 (CANH) - M45-20 (CANL)

      Cable disconnected from negative (-) auxiliary battery terminal

      108 to 132 Ω

      M45-10 (CANH) - M45-21 (CANL)

      Cable disconnected from negative (-) auxiliary battery terminal

      108 to 132 Ω

      M45-11 (CANH) - M45-21 (CANL)

      Cable disconnected from negative (-) auxiliary battery terminal

      200 Ω or higher

    Result

    Result

    Proceed to

    OK

    A

    NG (to main body ECU [multiplex network body ECU] CAN main wire)

    B

    NG (to position control ECU and switch assembly CAN branch wire)

    C

    NG (to No. 5 CAN junction connector CAN main wire)

    D

    A

    REPLACE NO. 11 CAN JUNCTION CONNECTOR

    C

    CONNECT CONNECTORClick here

    D

    REPAIR OR REPLACE CAN MAIN WIRE OR CONNECTOR (NO. 11 CAN JUNCTION CONNECTOR - NO. 5 CAN JUNCTION CONNECTOR)

    B
  19. CONNECT CONNECTOR

    1. Reconnect the M45 No. 11 CAN junction connector.

    Result

    Proceed to

    NEXT

    NEXT
  20. CHECK FOR SHORT IN CAN BUS WIRES (MAIN BODY ECU)

    1. C277474C01

      *a

      Rear view of wire harness connector

      (to Main Body ECU [Multiplex Network Body ECU])

      Disconnect the main body ECU (multiplex network body ECU) connector.

    2. Measure the resistance according to the value(s) in the table below.

      Standard Resistance

      Tester Connection

      Condition

      Specified Condition

      G79-9 (CANP) - G79-10 (CANN)

      Cable disconnected from negative (-) auxiliary battery terminal

      108 to 132 Ω

      Result

      Proceed to

      OK

      NG

    OK

    REPLACE MAIN BODY ECU (MULTIPLEX NETWORK BODY ECU)

    NG

    REPAIR OR REPLACE CAN MAIN WIRE OR CONNECTED TO MAIN BODY ECU (CANP, CANN)

  21. CONNECT CONNECTOR

    1. Reconnect the M45 No. 11 CAN junction connector.

    Result

    Proceed to

    NEXT

    NEXT
  22. CHECK FOR SHORT IN CAN BUS WIRES (POSITION CONTROL ECU AND SWITCH ASSEMBLY)

    1. C219233C12

      *a

      Rear view of wire harness connector

      (to Position Control ECU and Switch Assembly)

      Disconnect the position control ECU and switch assembly connector.

    2. Measure the resistance according to the value(s) in the table below.

      Standard Resistance

      Tester Connection

      Condition

      Specified Condition

      d27-8 (CANP) - d27-7 (CANN)

      Cable disconnected from negative (-) auxiliary battery terminal

      54 to 69 Ω

    Result

    Proceed to

    OK

    NG

    OK

    REPLACE POSITION CONTROL ECU AND SWITCH ASSEMBLY

    NG

    REPAIR OR REPLACE CAN BRANCH WIRE OR CONNECTED TO POSITION CONTROL ECU AND SWITCH ASSEMBLY (CANP, CANN)

  23. CONNECT CONNECTOR

    1. Reconnect the N42 No. 5 CAN junction connector.

    Result

    Proceed to

    NEXT

    NEXT

    CHECK FOR SHORT IN CAN BUS WIRES (MAIN BODY ECU)Click here

  24. CHECK FOR SHORT IN CAN BUS WIRES (NO. 5 CAN JUNCTION CONNECTOR)

    1. Disconnect the No. 5 CAN junction connector.

      C278787C81

      *a

      Rear view of wire harness connector

      (to No. 5 CAN Junction Connector)

      *b

      Front view of DLC3

      *c

      to No. 11 CAN Junction Connector (w/ Seat Memory) or Main Body ECU (Multiplex Network Body ECU) (w/o Seat Memory)

      *d

      to Multiplex Network Door ECU

      *e

      to No. 1 CAN Junction Terminal

      -

      -

    2. Measure the resistance according to the value(s) in the table below.

      Standard Resistance

      Tester Connection

      Condition

      Specified Condition

      Connected to

      N42-8 (CANH) - G14-4 (CG)

      Cable disconnected from negative (-) auxiliary battery terminal

      200 Ω or higher

      • No. 11 CAN junction connector*1

      • Main body ECU (multiplex network body ECU)*2

      N42-19 (CANL) - G14-4 (CG)

      Cable disconnected from negative (-) auxiliary battery terminal

      200 Ω or higher

      N42-8 (CANH) - G14-16 (BAT)

      Cable disconnected from negative (-) auxiliary battery terminal

      6 kΩ or higher

      N42-19 (CANL) - G14-16 (BAT)

      Cable disconnected from negative (-) auxiliary battery terminal

      6 kΩ or higher

      N42-9 (CANH) - G14-4 (CG)

      Cable disconnected from negative (-) auxiliary battery terminal

      200 Ω or higher

      Multiplex network door ECU

      N42-20 (CANL) - G14-4 (CG)

      Cable disconnected from negative (-) auxiliary battery terminal

      200 Ω or higher

      N42-9 (CANH) - G14-16 (BAT)

      Cable disconnected from negative (-) auxiliary battery terminal

      6 kΩ or higher

      N42-20 (CANL) - G14-16 (BAT)

      Cable disconnected from negative (-) auxiliary battery terminal

      6 kΩ or higher

      N42-10 (CANH) - G14-4 (CG)

      Cable disconnected from negative (-) auxiliary battery terminal

      200 Ω or higher

      No. 1 CAN junction terminal

      N42-21 (CANL) - G14-4 (CG)

      Cable disconnected from negative (-) auxiliary battery terminal

      200 Ω or higher

      N42-10 (CANH) - G14-16 (BAT)

      Cable disconnected from negative (-) auxiliary battery terminal

      6 kΩ or higher

      N42-21 (CANL) - G14-16 (BAT)

      Cable disconnected from negative (-) auxiliary battery terminal

      6 kΩ or higher

      *1: w/ Seat Memory

      *2: w/o Seat Memory

    Result

    Result

    Proceed to

    OK

    A

    NG (to multiplex network door ECU CAN branch wire)

    B

    NG (to No. 1 CAN junction terminal CAN main wire)

    C

    NG (to No. 11 CAN junction connector CAN main wire) (w/ Seat Memory)

    D

    NG (to main body ECU [multiplex network body ECU] CAN main wire) (w/o Seat Memory)

    E

    A

    REPLACE NO. 5 CAN JUNCTION CONNECTOR

    C

    CONNECT CONNECTORClick here

    D

    CONNECT CONNECTORClick here

    E

    CONNECT CONNECTORClick here

    B
  25. CONNECT CONNECTOR

    1. Reconnect the N42 No. 5 CAN junction connector.

    Result

    Proceed to

    NEXT

    NEXT
  26. CHECK FOR SHORT IN CAN BUS WIRES (MULTIPLEX NETWORK DOOR ECU)

    1. C217223C31

      *a

      Rear view of wire harness connector

      (to Multiplex Network Door ECU)

      *b

      Front view of DLC3

      Disconnect the multiplex network door ECU connector.

    2. Measure the resistance according to the value(s) in the table below.

      Standard Resistance

      Tester Connection

      Condition

      Specified Condition

      U29-39 (CANP) - G14-4 (CG)

      Cable disconnected from negative (-) auxiliary battery terminal

      200 Ω or higher

      U29-40 (CANN) - G14-4 (CG)

      Cable disconnected from negative (-) auxiliary battery terminal

      200 Ω or higher

      U29-39 (CANP) - G14-16 (BAT)

      Cable disconnected from negative (-) auxiliary battery terminal

      6 kΩ or higher

      U29-40 (CANN) - G14-16 (BAT)

      Cable disconnected from negative (-) auxiliary battery terminal

      6 kΩ or higher

    Result

    Proceed to

    OK

    NG

    OK

    REPLACE MULTIPLEX NETWORK DOOR ECU

    NG

    REPAIR OR REPLACE CAN BRANCH WIRE CONNECTED TO MULTIPLEX NETWORK DOOR ECU (CANP, CANN)

  27. CONNECT CONNECTOR

    1. Reconnect the N42 No. 5 CAN junction connector.

    Result

    Proceed to

    NEXT

    NEXT
  28. CHECK FOR SHORT IN CAN BUS WIRES (NO. 1 CAN JUNCTION TERMINAL)

    1. C251147C04

      *a

      Rear view of wire harness connector

      (to No. 1 CAN Junction Terminal)

      *b

      Front view of DLC3

      Disconnect the No. 1 CAN junction terminal connector.

    2. Measure the resistance according to the value(s) in the table below.

      Standard Resistance

      Tester Connection

      Condition

      Specified Condition

      N31-3 (CANH) - G14-4 (CG)

      Cable disconnected from negative (-) auxiliary battery terminal

      200 Ω or higher

      N31-2 (CANL) - G14-4 (CG)

      Cable disconnected from negative (-) auxiliary battery terminal

      200 Ω or higher

      N31-3 (CANH) - G14-16 (BAT)

      Cable disconnected from negative (-) auxiliary battery terminal

      6 kΩ or higher

      N31-2 (CANL) - G14-16 (BAT)

      Cable disconnected from negative (-) auxiliary battery terminal

      6 kΩ or higher

    Result

    Proceed to

    OK

    NG

    OK

    REPLACE NO. 1 CAN JUNCTION TERMINAL

    NG

    REPAIR OR REPLACE CAN MAIN WIRE OR CONNECTOR (NO. 1 CAN JUNCTION TERMINAL - NO. 5 CAN JUNCTION CONNECTOR)

  29. CONNECT CONNECTOR

    1. Reconnect the N42 No. 5 CAN junction connector.

    Result

    Proceed to

    NEXT

    NEXT
  30. CHECK FOR SHORT IN CAN BUS WIRES (NO. 11 CAN JUNCTION CONNECTOR)

    1. Disconnect the No. 11 CAN junction connector.

      C278787C82

      *a

      Rear view of wire harness connector

      (to No. 11 CAN Junction Connector)

      *b

      Front view of DLC3

      *c

      to Main Body ECU (Multiplex Network Body ECU)

      *d

      to No. 5 CAN Junction Connector

      *e

      to Position Control ECU and Switch Assembly

      -

      -

    2. Measure the resistance according to the value(s) in the table below.

      Standard Resistance

      Tester Connection

      Condition

      Specified Condition

      Connected to

      M45-9 (CANH) - G14-4 (CG)

      Cable disconnected from negative (-) auxiliary battery terminal

      200 Ω or higher

      Main body ECU (multiplex network body ECU)

      M45-20 (CANL) - G14-4 (CG)

      Cable disconnected from negative (-) auxiliary battery terminal

      200 Ω or higher

      M45-9 (CANH) - G14-16 (BAT)

      Cable disconnected from negative (-) auxiliary battery terminal

      6 kΩ or higher

      M45-20 (CANL) - G14-16 (BAT)

      Cable disconnected from negative (-) auxiliary battery terminal

      6 kΩ or higher

      M45-10 (CANH) - G14-4 (CG)

      Cable disconnected from negative (-) auxiliary battery terminal

      200 Ω or higher

      No. 5 CAN junction connector

      M45-21 (CANL) - G14-4 (CG)

      Cable disconnected from negative (-) auxiliary battery terminal

      200 Ω or higher

      M45-10 (CANH) - G14-16 (BAT)

      Cable disconnected from negative (-) auxiliary battery terminal

      6 kΩ or higher

      M45-21 (CANL) - G14-16 (BAT)

      Cable disconnected from negative (-) auxiliary battery terminal

      6 kΩ or higher

      M45-11 (CANH) - G14-4 (CG)

      Cable disconnected from negative (-) auxiliary battery terminal

      200 Ω or higher

      Position control ECU and switch assembly

      M45-22 (CANL) - G14-4 (CG)

      Cable disconnected from negative (-) auxiliary battery terminal

      200 Ω or higher

      M45-11 (CANH) - G14-16 (BAT)

      Cable disconnected from negative (-) auxiliary battery terminal

      6 kΩ or higher

      M45-22 (CANL) - G14-16 (BAT)

      Cable disconnected from negative (-) auxiliary battery terminal

      6 kΩ or higher

    Result

    Result

    Proceed to

    OK

    A

    NG (to main body ECU [multiplex network body ECU] CAN main wire)

    B

    NG (to position control ECU and switch assembly CAN branch wire or connector)

    C

    NG (to No. 5 CAN junction connector CAN main wire)

    D

    A

    REPLACE NO. 11 CAN JUNCTION CONNECTOR

    C

    CONNECT CONNECTORClick here

    D

    REPAIR OR REPLACE CAN MAIN WIRE OR CONNECTOR (NO. 11 CAN JUNCTION CONNECTOR - NO. 5 CAN JUNCTION CONNECTOR)

    B
  31. CONNECT CONNECTOR

    1. Reconnect the M45 No. 11 CAN junction connector.

    Result

    Result

    NEXT

    NEXT
  32. CHECK FOR SHORT IN CAN BUS WIRES (MAIN BODY ECU)

    1. C277475C01

      *a

      Rear view of wire harness connector

      (to Main Body ECU [Multiplex Network Body ECU])

      *b

      Front view of DLC3

      Disconnect the main body ECU (multiplex network body ECU) connector.

    2. Measure the resistance according to the value(s) in the table below.

      Standard Resistance

      Tester Connection

      Condition

      Specified Condition

      G79-9 (CANP) - G14-4 (CG)

      Cable disconnected from negative (-) auxiliary battery terminal

      200 Ω or higher

      G79-10 (CANN) - G14-4 (CG)

      Cable disconnected from negative (-) auxiliary battery terminal

      200 Ω or higher

      G79-9 (CANP) - G14-16 (BAT)

      Cable disconnected from negative (-) auxiliary battery terminal

      6 kΩ or higher

      G79-10 (CANN) - G14-16 (BAT)

      Cable disconnected from negative (-) auxiliary battery terminal

      6 kΩ or higher

    Result

    Proceed to

    OK

    NG

    OK

    REPLACE MAIN BODY ECU (MULTIPLEX NETWORK BODY ECU)

    NG

    REPAIR OR REPLACE CAN MAIN WIRE CONNECTED TO MAIN BODY ECU (CANP, CANN)

  33. CONNECT CONNECTOR

    1. Reconnect the M45 No. 11 CAN junction connector.

    Result

    Result

    NEXT

    NEXT
  34. CHECK FOR SHORT IN CAN BUS WIRES (POSITION CONTROL ECU AND SWITCH ASSEMBLY)

    1. C251433C09

      *a

      Rear view of wire harness connector

      (to Position Control ECU and Switch Assembly)

      *b

      Front view of DLC3

      Disconnect the position control ECU and switch assembly connector.

    2. Measure the resistance according to the value(s) in the table below.

      Standard Resistance

      Tester Connection

      Condition

      Specified Condition

      d27-8 (CANP) - G14-4 (CG)

      Cable disconnected from negative (-) auxiliary battery terminal

      200 Ω or higher

      d27-7 (CANN) - G14-4 (CG)

      Cable disconnected from negative (-) auxiliary battery terminal

      200 Ω or higher

      d27-8 (CANP) - G14-16 (BAT)

      Cable disconnected from negative (-) auxiliary battery terminal

      6 kΩ or higher

      d27-7 (CANN) - G14-16 (BAT)

      Cable disconnected from negative (-) auxiliary battery terminal

      6 kΩ or higher

    Result

    Proceed to

    OK

    NG

    OK

    REPLACE POSITION CONTROL ECU AND SWITCH ASSEMBLY

    NG

    REPAIR OR REPLACE CAN BRANCH WIRE OR CONNECTED TO POSITION CONTROL ECU AND SWITCH ASSEMBLY (CANP, CANN)

  35. CONNECT CONNECTOR

    1. Reconnect the N42 No. 5 CAN junction connector.

    Result

    Proceed to

    NEXT

    NEXT

    CHECK FOR SHORT IN CAN BUS WIRES (MAIN BODY ECU)Click here