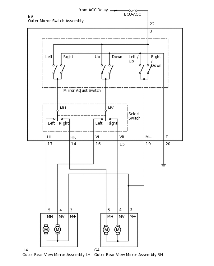
POWER MIRROR CONTROL SYSTEM SYSTEM DIAGRAM

  1. ELECTRICAL REMOTE CONTROL MIRROR FUNCTION

    B289307E23
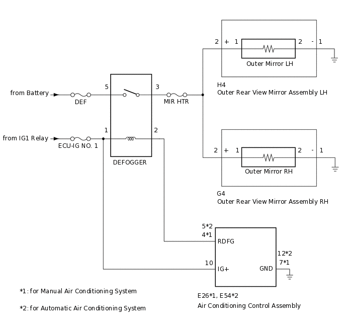
  2. MIRROR HEATER FUNCTION

    B372373E03