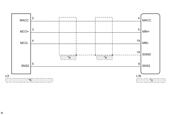
AUDIO AND VISUAL SYSTEM Microphone Circuit between Microphone and Radio Receiver

DESCRIPTION


WIRING DIAGRAM

A005BAIE65
*a (Shielded)
*b Map Light Assembly (Telephone Microphone Assembly)
*c Radio and Display Receiver Assembly

PROCEDURE


  1. CHECK HARNESS AND CONNECTOR (RADIO AND DISPLAY RECEIVER ASSEMBLY - MAP LIGHT ASSEMBLY (TELEPHONE MICROPHONE ASSEMBLY))


    1. Disconnect the L35 radio and display receiver assembly connector.

    2. Disconnect the U3 map light assembly (telephone microphone assembly) connector.

    3. Measure the resistance according to the value(s) in the table below.

      Standard Resistance
      Tester Connection Condition Specified Condition
      L35-6 (SNS2) - U3-5 (SNS2) Always Below 1 Ω
      L35-4 (MACC) - U3-2 (MACC) Always Below 1 Ω
      L35-5 (MIN+) - U3-3 (MCO+) Always Below 1 Ω
      L35-19 (MIN-) - U3-4 (MCO-) Always Below 1 Ω
      L35-6 (SNS2) - Body ground Always 10 kΩ or higher
      L35-4 (MACC) - Body ground Always 10 kΩ or higher
      L35-5 (MIN+) - Body ground Always 10 kΩ or higher
      L35-19 (MIN-) - Body ground Always 10 kΩ or higher
      L35-18 (SGND) - Body ground Always 10 kΩ or higher

    NG
    OK
  2. INSPECT RADIO AND DISPLAY RECEIVER ASSEMBLY


    1. Reconnect the L35 radio and display receiver assembly connector.

    2. Reconnect the U3 map light assembly (telephone microphone assembly) connector.

    3. A005C89E02
      Text in Illustration
      *a

      Component with harness connected

      (Radio and Display Receiver Assembly)

      Measure the voltage according to the value(s) in the table below.

      Standard Voltage
      Tester Connection Condition Specified Condition
      L35-4 (MACC) - Body ground Power switch on (ACC) 4 to 6 V
    4. Measure the resistance according to the value(s) in the table below.

      Standard Resistance
      Tester Connection Condition Specified Condition
      L35-18 (SGND) - Body ground Always Below 1 Ω
      L35-19 (MIN-) - Body ground Always Below 1 Ω

    NG
    OK
  3. INSPECT MAP LIGHT ASSEMBLY (TELEPHONE MICROPHONE ASSEMBLY)


    1. Disconnect the U3 map light assembly (telephone microphone assembly) connector.

    2. A005DEME02
      Text in Illustration
      *a

      Component without harness connected

      (Map Light Assembly (Telephone Microphone Assembly))

      Measure the resistance according to the value(s) in the table below.

      Standard Resistance
      Tester Connection Condition Specified Condition
      U3-5 (SNS2) - U3-4 (MCO-) Always Below 1 Ω

    NG
    OK
  4. INSPECT MAP LIGHT ASSEMBLY (TELEPHONE MICROPHONE ASSEMBLY)


    1. Reconnect the L35 radio and display receiver assembly connector.

    2. Reconnect the U3 map light assembly (telephone microphone assembly) connector.

    3. Turn the power switch on (ACC).

    4. Connect an oscilloscope to terminals 3 (MCO+) and 4 (MCO-) of the U3 map light assembly (telephone microphone assembly) connector.

    5. A0059PFE01
      Text in Illustration
      *a

      Component with harness connected

      (Map Light Assembly (Telephone Microphone Assembly))

      Check the waveform of the telephone microphone assembly using the oscilloscope.

      Result
      Result Proceed to
      A waveform synchronized with the voice input to the map light assembly (telephone microphone assembly) is output A
      A waveform synchronized with the voice input to the map light assembly (telephone microphone assembly) is not output B

    A
    B
  5. REPLACE TELEPHONE MICROPHONE ASSEMBLY


    1. Replace the telephone microphone assembly Click here.

    2. Check if the same malfunction recurs.

      Result
      Result Proceed to

      Malfunction does not recur

      (returns to normal)

      A
      Malfunction recurs B

    A
    B