ANTI-LOCK BRAKE SYSTEM Brake Warning Light Remains ON

DTC Code DTC Name
Brake Warning Light Remains ON

DESCRIPTION

The skid control ECU (brake actuator assembly) is connected to the combination meter assembly via CAN communication.

If any of the following is detected, the brake warning light remains on:

  • The skid control ECU (brake actuator assembly) connector is disconnected from the skid control ECU (brake actuator assembly).

  • The brake fluid level is insufficient.

  • The parking brake is applied.

  • EBD operation is not possible.

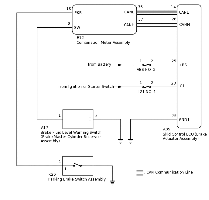
WIRING DIAGRAM

C303451E01

CAUTION / NOTICE / HINT

Note:

Inspect the fuses for circuits related to this system before performing the following procedure.

PROCEDURE

  1. CHECK CAN COMMUNICATION SYSTEM

    1. Check if CAN communication system DTCs are output.

      Click hereClick here

      Result

      Result

      Proceed to

      DTCs are not output.

      A

      DTCs are output.

      B

    B

    INSPECT CAN COMMUNICATION SYSTEM

    A
  2. CHECK IF BRAKE ACTUATOR ASSEMBLY CONNECTOR IS SECURELY CONNECTED

    1. Check if the skid control ECU (brake actuator assembly) connector is securely connected.

      OK

      The connector is securely connected.

    Result

    Proceed to

    OK

    NG

    NG

    CONNECT CONNECTOR TO BRAKE ACTUATOR ASSEMBLY CORRECTLY

    OK
  3. CHECK BATTERY

    1. Check the battery voltage.

      Standard Voltage

      11 to 14 V

    Result

    Proceed to

    OK

    NG

    NG

    CHECK OR REPLACE CHARGING SYSTEM COMPONENT OR BATTERY

    OK
  4. CHECK HARNESS AND CONNECTOR (POWER SOURCE TERMINAL)

    1. C305133C07

      *a

      Front view of wire harness connector

      (to Skid Control ECU (Brake Actuator Assembly))

      Disconnect the A39 skid control ECU (brake actuator assembly) connector.

    2. Measure the voltage according to the value(s) in the table below.

      Standard Voltage

      Tester Connection

      Condition

      Specified Condition

      A39-25 (+BS) - Body ground

      Always

      11 to 14 V

      A39-25 (+BS) - A39-38 (GND1)

      Always

      11 to 14 V

      A39-28 (IG1) - Body ground

      Ignition switch ON

      11 to 14 V

      A39-28 (IG1) - A39-38 (GND1)

      Ignition switch ON

      11 to 14 V

    Result

    Proceed to

    OK

    NG

    NG

    REPAIR OR REPLACE HARNESS OR CONNECTOR (POWER SOURCE TERMINAL)

    OK
  5. CHECK HARNESS AND CONNECTOR (GND1 TERMINAL)

    1. C305133C08

      *a

      Front view of wire harness connector

      (to Skid Control ECU (Brake Actuator Assembly))

      Turn the ignition switch off.

    2. Measure the resistance according to the value(s) in the table below.

      Standard Resistance

      Tester Connection

      Condition

      Specified Condition

      A39-38 (GND1) - Body ground

      Always

      Below 1 Ω

    Result

    Proceed to

    OK

    NG

    NG

    REPAIR OR REPLACE HARNESS OR CONNECTOR (GND1 CIRCUIT)

    OK
  6. READ VALUE USING GTS (PARKING BRAKE SWITCH ASSEMBLY)

    1. Reconnect the A39 skid control ECU (brake actuator assembly) connector.

    2. Connect the GTS to the DLC3.

    3. Turn the ignition switch to ON.

    4. Select the Data List using the GTS.

      Click here

      Chassis > ABS/VSC/TRC > Data List

      Tester Display

      Measurement Item

      Range

      Normal Condition

      Diagnostic Note

      Parking Brake SW

      Parking brake switch

      ON or OFF

      ON: Parking brake applied

      OFF: Parking brake released

      -

      Chassis > ABS/VSC/TRC > Data List

      Tester Display

      Parking Brake SW

    5. Using the GTS, check that the switch condition displayed on the GTS changes according to the parking brake operation.

      OK

      The GTS displays ON or OFF according to parking brake operation.

    Result

    Proceed to

    OK

    NG

    NG

    INSPECT PARKING BRAKE SWITCH ASSEMBLYClick here

    OK
  7. INSPECT BRAKE MASTER CYLINDER RESERVOIR ASSEMBLY

    1. C304973C01

      *a

      Component without harness connected

      (Brake Fluid Level Warning Switch (Brake Master Cylinder Reservoir Assembly))

      Turn the ignition switch off.

    2. Remove the reservoir filler cap and strainer.

    3. Disconnect the A17 brake fluid level warning switch (brake master cylinder reservoir assembly) connector.

    4. Measure the resistance according to the value(s) in the table below.

      Tip:

      A float is located inside the reservoir. Its position changes according to the brake fluid level.

      Standard Resistance

      Tester Connection

      Condition

      Specified Condition

      1 (+) - 2 (E)

      Switch OFF (Float up)

      1.9 to 2.1 kΩ

      1 (+) - 2 (E)

      Switch ON (Float down)

      Below 1 Ω

      Tip:

      If the switch condition is normal, adjust the brake fluid level to the MAX level.

    Result

    Proceed to

    OK

    NG

    NG

    REPLACE BRAKE MASTER CYLINDER RESERVOIR ASSEMBLY

    for LHD:Click here

    for RHD:Click here

    OK
  8. CHECK HARNESS AND CONNECTOR (COMBINATION METER ASSEMBLY - BRAKE MASTER CYLINDER RESERVOIR ASSEMBLY)

    1. Disconnect the E12 combination meter assembly connector.

    2. Measure the resistance according to the value(s) in the table below.

      Standard Resistance

      Tester Connection

      Condition

      Specified Condition

      E12-8 (SW) - A17-1 (+)

      Always

      Below 1 Ω

      E12-8 (SW) or A17-1 (+) - Body ground

      Always

      10 kΩ or higher

      A17-2 (E) - Body ground

      Always

      Below 1 Ω

    Result

    Proceed to

    OK

    NG

    NG

    REPAIR OR REPLACE HARNESS OR CONNECTOR

    OK
  9. READ VALUE USING GTS (BRAKE WARNING LIGHT)

    1. Reconnect the A17 brake fluid level warning switch (brake master cylinder reservoir assembly) connector.

    2. Reconnect the E12 combination meter assembly connector.

    3. Select the Data List on the GTS.

      Click here

      Chassis > ABS/VSC/TRC > Data List

      Tester Display

      Measurement Item

      Range

      Normal Condition

      Diagnostic Note

      Brake Warning Light

      Brake warning light

      ON or OFF

      ON: Warning light on

      OFF: Warning light off

      -

      Chassis > ABS/VSC/TRC > Data List

      Tester Display

      Brake Warning Light

    4. Check the GTS display condition of the brake warning light.

      Result

      Result

      Proceed to

      Display of the Data List remains ON.

      A

      Display of the Data List remains OFF.

      B

      Tip:

      If troubleshooting has been carried out according to Problem Symptoms Table, refer back to the table and proceed to the next step before replacing parts.

      Click here

    A

    REPLACE BRAKE ACTUATOR ASSEMBLY

    B

    INSPECT METER / GAUGE SYSTEM

  10. INSPECT PARKING BRAKE SWITCH ASSEMBLY

    1. C211519C07

      *a

      Component without harness connected

      (Parking Brake Switch Assembly)

      Turn the ignition switch off.

    2. Disconnect the K26 parking brake switch assembly connector.

    3. Measure the resistance according to the value(s) in the table below.

      Standard Resistance

      Tester Connection

      Condition

      Specified Condition

      1 (+) - Body ground

      Switch ON (Switch pin free)

      Below 1 Ω

      1 (+) - Body ground

      Switch OFF (Switch pin pushed in)

      10 kΩ or higher

    Result

    Proceed to

    OK

    NG

    NG

    REPLACE PARKING BRAKE SWITCH ASSEMBLY

    OK
  11. CHECK HARNESS AND CONNECTOR (COMBINATION METER ASSEMBLY - PARKING BRAKE SWITCH ASSEMBLY)

    1. Disconnect the E12 combination meter assembly connector.

    2. Measure the resistance according to the value(s) in the table below.

      Standard Resistance

      Tester Connection

      Condition

      Specified Condition

      E12-10 (PKBI) - K26-1 (+)

      Always

      Below 1 Ω

      E12-10 (PKBI) or K26-1 (+) - Body ground

      Always

      10 kΩ or higher

    Result

    Proceed to

    OK

    NG

    NG

    REPAIR OR REPLACE HARNESS OR CONNECTOR

    OK
  12. READ VALUE USING GTS (BRAKE WARNING LIGHT)

    1. Reconnect the K26 parking brake switch assembly connector.

    2. Reconnect the E12 combination meter assembly connector.

    3. Select the Data List on the GTS.

      Click here

      Chassis > ABS/VSC/TRC > Data List

      Tester Display

      Measurement Item

      Range

      Normal Condition

      Diagnostic Note

      Brake Warning Light

      Brake warning light

      ON or OFF

      ON: Warning light on

      OFF: Warning light off

      -

      Chassis > ABS/VSC/TRC > Data List

      Tester Display

      Brake Warning Light

    4. Check the GTS display condition of the brake warning light.

      Result

      Result

      Proceed to

      Display of the Data List remains ON.

      A

      Display of the Data List remains OFF.

      B

      Tip:

      If troubleshooting has been carried out according to Problem Symptoms Table, refer back to the table and proceed to the next step before replacing parts.

      Click here

    A

    REPLACE BRAKE ACTUATOR ASSEMBLY

    B

    INSPECT METER / GAUGE SYSTEM