METER / GAUGE SYSTEM, Diagnostic DTC:B1507 and B1508

DTC Code DTC Name
B1507 Open in Turn Signal Circuit
B1508 Short in Turn Signal / Hazard Flasher Circuit

DESCRIPTION

These DTCs are stored when the combination meter assembly detects an open in a turn signal light circuit, a short in a turn signal light circuit, or a short in the hazard warning light circuit.

DTC No.

Detection Item

DTC Detection Condition

Trouble Area

B1507

Open in Turn Signal Circuit

Both conditions are met:

  • IG voltage is 10 to 15 V or higher.

  • Open in turn signal light circuit.

  • Bulb

  • Harness or connector

  • Side turn signal light assembly

  • Outer rear view mirror sub-assembly

  • Rear combination light socket and wire sub-assembly

  • Combination meter assembly

B1508

Short in Turn Signal / Hazard Flasher Circuit

Both conditions are met:

  • IG voltage is 7 V or higher.

  • Short in turn signal light circuit or hazard warning light circuit.

  • Bulb

  • Harness or connector

  • Side turn signal light assembly

  • Outer rear view mirror sub-assembly

  • Rear combination light socket and wire sub-assembly

  • Combination meter assembly

WIRING DIAGRAM

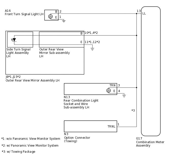
  1. for LH Side

    E333475E02
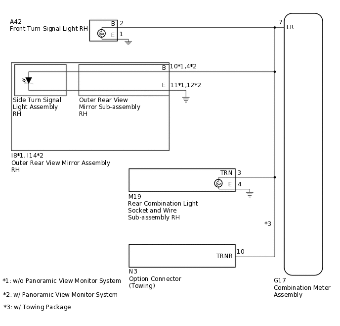
  2. for RH Side

    E333475E01

CAUTION / NOTICE / HINT

Note:
  • Inspect the bulbs for this system before performing the following procedure.

  • When replacing the combination meter assembly, make sure to replace it with a new one.

PROCEDURE

  1. CHECK FOR DTC

    1. Clear the DTCs.

      Click here

      Body Electrical > Combination Meter > Clear DTCs

    2. Check for DTCs.

      Click here

      Body Electrical > Combination Meter > Trouble Codes

    Result

    Proceed to

    DTC B1507 or B1508 output does not occur

    DTC B1507 or B1508 is output

    DTC B1507 or B1508 output does not occur

    USE SIMULATION METHOD TO CHECK

    DTC B1507 or B1508 is output
  2. CONFIRM MALFUNCTIONING LIGHT

    1. Check the malfunctioning turn signal light.

    Result

    Result

    Proceed to

    LH side turn signal light does not illuminate.

    A

    RH side turn signal light does not illuminate.

    B

    B

    CHECK HARNESS AND CONNECTOR (TURN SIGNAL CIRCUIT RH)Click here

    A
  3. CHECK HARNESS AND CONNECTOR (TURN SIGNAL CIRCUIT LH)

    • *1: w/o Panoramic View Monitor System

    • *2: w/o Panoramic View Monitor System

    • *3: w/ Towing Package

    1. Disconnect the G17 combination meter assembly connector.

    2. Disconnect the A16 front turn signal light LH connector.

    3. Disconnect the J8*1 or J15*2 rear combination light socket wire sub-assembly LH connector.

    4. Disconnect the N13 outer rear view mirror sub-assembly LH connector.

    5. w/ Towing Package:

      Disconnect the N3 option connector (Towing).

    6. Measure the resistance according to the value(s) in the table below.

      Standard Resistance

      Tester Connection

      Condition

      Specified Condition

      G17-13 (LL) - A16-2 (B)

      Always

      Below 1 Ω

      G17-13 (LL) - J8-10 (B)

      Always

      Below 1 Ω

      G17-13 (LL) - J15-4 (B)

      Always

      Below 1 Ω

      G17-13 (LL) - N13-3 (TRN)

      Always

      Below 1 Ω

      G17-13 (LL) - N3-1 (TRNL)

      Always

      Below 1 Ω

      A16-1 (E) - Body Ground

      Always

      Below 1 Ω

      J8-11 (E) - Body Ground

      Always

      Below 1 Ω

      J15-12 (E) - Body Ground

      Always

      Below 1 Ω

      N13-4 (E) - Body Ground

      Always

      Below 1 Ω

      G17-13 (LL) or A16-2 (B) - Body ground

      Always

      10 kΩ or higher

      G17-13 (LL) or J8-10 (B) - Body ground

      Always

      10 kΩ or higher

      G17-13 (LL) or J15-4 (B) - Body ground

      Always

      10 kΩ or higher

      G17-13 (LL) or N13-3 (TRN) - Body ground

      Always

      10 kΩ or higher

      G17-13 (LL) or N3-1 (TRNL) - Body ground

      Always

      10 kΩ or higher

    Result

    Proceed to

    OK

    NG

    NG

    REPAIR OR REPLACE HARNESS OR CONNECTOR

    OK
  4. INSPECT OUTER REAR VIEW MIRROR ASSEMBLY LH

    E270441
    1. Remove the outer rear view mirror assembly LH.

      Click here

    2. Connect the positive (+) lead from the battery to terminal 10 and the negative (-) lead to terminal 11, and check that the light comes on.

    Result

    Proceed to

    Light comes on

    Light not comes on

    Light comes on

    REPLACE COMBINATION METER ASSEMBLY

    Light not comes on
  5. INSPECT SIDE TURN SIGNAL LIGHT ASSEMBLY LH

    1. Remove the side turn signal light assembly LH.

      Click here

    2. Inspect the side turn signal light assembly LH.

      Click here

    Result

    Proceed to

    OK

    NG

    OK

    OUTER REAR VIEW MIRROR SUB-ASSEMBLY LH

    NG

    REPLACE SIDE TURN SIGNAL LIGHT ASSEMBLY LH

  6. CHECK HARNESS AND CONNECTOR (TURN SIGNAL CIRCUIT RH)

    • *1: w/o Panoramic View Monitor System

    • *2: w/o Panoramic View Monitor System

    • *3: w/ Towing Package

    1. Disconnect the G17 combination meter assembly connector.

    2. Disconnect the A42 front turn signal light RH connector.

    3. Disconnect the I8*1 or I14*2 rear combination light socket wire sub-assembly RH connector.

    4. Disconnect the M19 outer rear view mirror sub-assembly RH connector.

    5. w/ Towing Package:

      Disconnect the N3 option connector (Towing).

    6. Measure the resistance according to the value(s) in the table below.

      Standard Resistance

      Tester Connection

      Condition

      Specified Condition

      G17-7 (LR) - A42-2 (B)

      Always

      Below 1 Ω

      G17-7 (LR) - I8-10 (B)

      Always

      Below 1 Ω

      G17-7 (LR) - I14-4 (B)

      Always

      Below 1 Ω

      G17-7 (LR) - M19-3 (TRN)

      Always

      Below 1 Ω

      G17-7 (LR) - N3-10 (TRNR)

      Always

      Below 1 Ω

      A42-1 (E) - Body Ground

      Always

      Below 1 Ω

      I8-11 (E) - Body Ground

      Always

      Below 1 Ω

      I14-12 (E) - Body Ground

      Always

      Below 1 Ω

      M19-4 (E) - Body Ground

      Always

      Below 1 Ω

      G17-7 (LR) or A42-2 (B) - Body ground

      Always

      10 kΩ or higher

      G17-7 (LR) or I8-10 (B) - Body ground

      Always

      10 kΩ or higher

      G17-7 (LR) or I14-4 (B) - Body ground

      Always

      10 kΩ or higher

      G17-7 (LR) or M19-3 (TRN) - Body ground

      Always

      10 kΩ or higher

      G17-7 (LR) or N3-10 (TRNR) - Body ground

      Always

      10 kΩ or higher

    Result

    Proceed to

    OK

    NG

    NG

    REPAIR OR REPLACE HARNESS OR CONNECTOR

    OK
  7. INSPECT OUTER REAR VIEW MIRROR ASSEMBLY RH

    E270441
    1. Remove the outer rear view mirror assembly RH.

      Click here

    2. Connect the positive (+) lead from the battery to terminal 10 and the negative (-) lead to terminal 11, and check that the light comes on.

    Result

    Proceed to

    Light comes on

    Light not comes on

    Light comes on

    REPLACE COMBINATION METER ASSEMBLY

    Light not comes on
  8. INSPECT SIDE TURN SIGNAL LIGHT ASSEMBLY RH

    1. Remove the side turn signal light assembly LH.

      Click here

    2. Inspect the side turn signal light assembly LH.

      Click here

    Result

    Proceed to

    OK

    NG

    OK

    OUTER REAR VIEW MIRROR SUB-ASSEMBLY RH

    NG

    REPLACE SIDE TURN SIGNAL LIGHT ASSEMBLY LH