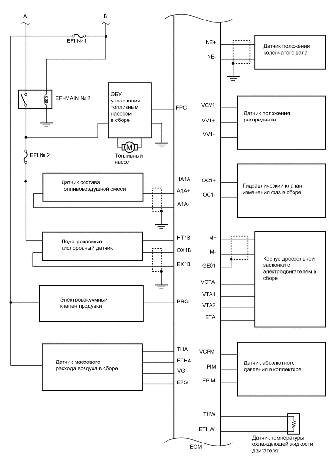
СИСТЕМА SFI (для моделей без системы РОГ) СХЕМА СИСТЕМЫ

A330664E02
A330675E01
A330666E02