СИСТЕМА ЗАПУСКА И ОСТАНОВА Сигнальная цепь стартера

Код DTC Наименование DTC
Сигнальная цепь стартера

ОПИСАНИЕ

Благодаря цепи задержки стартера ЭБУ запуска и останова двигателя может активировать реле ST № 2 (управляющее работой стартера) после активации реле ST (управляющее работой шестерни стартера) для управления стартером в сборе.

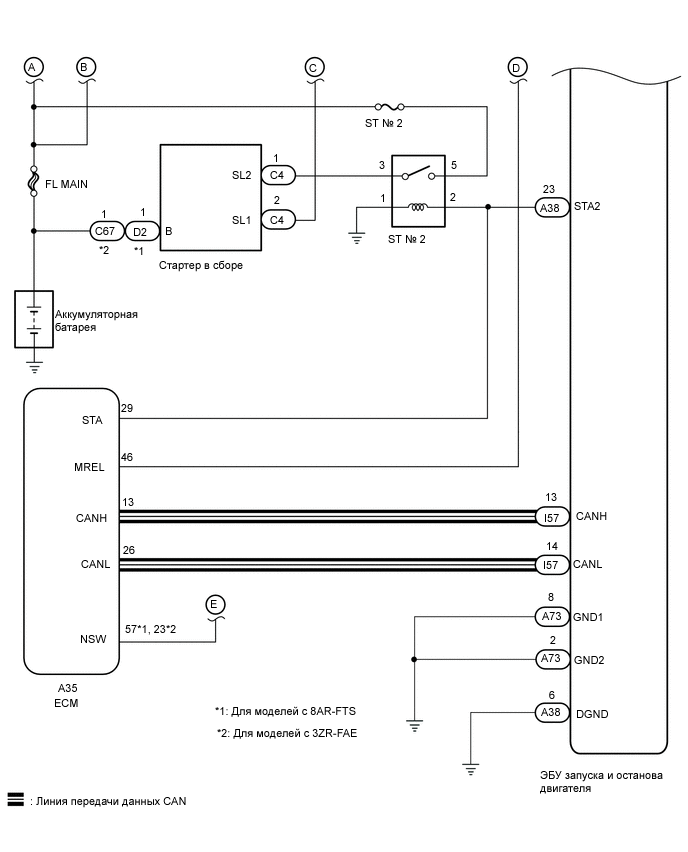
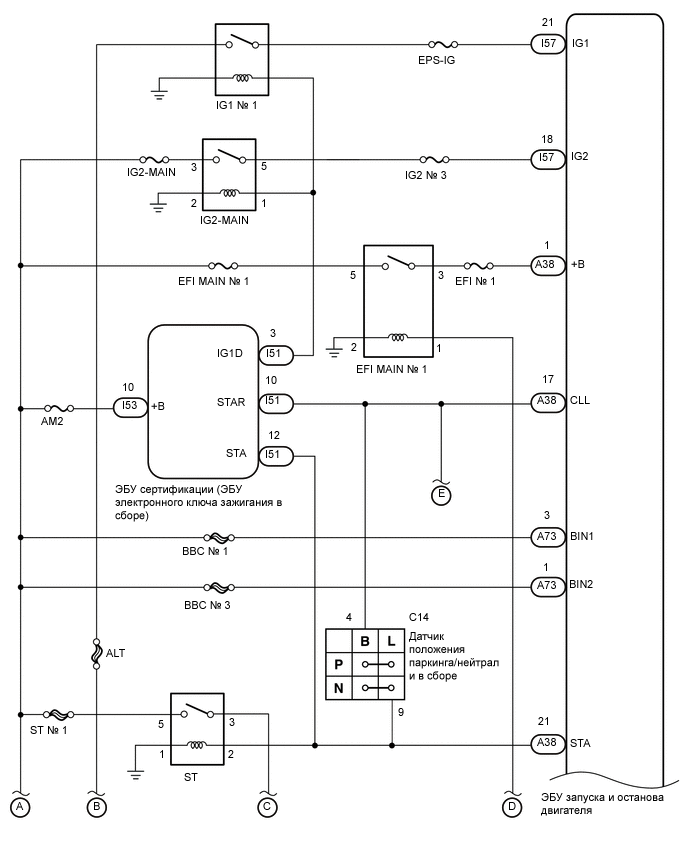
СХЕМА ЭЛЕКТРИЧЕСКИХ СОЕДИНЕНИЙ

A410146E01
A410145E01

ПРЕДОСТЕРЕЖЕНИЕ / ПРИМЕЧАНИЕ / УКАЗАНИЕ

Note:
  • Для моделей с 8AR-FTS:

    Перед тем, как заменять ЭБУ запуска и останова двигателя, считайте число запусков стартера и запишите его в новый ЭБУ запуска и останова двигателя.

    Нажмите здесьClick here

  • для моделей с 3ZR-FAE:

    В случае замены ЭБУ запуска и останова двигателя на новый загрузите предыдущее состояние (количество запусков стартера) из старого ЭБУ запуска и останова двигателя. После замены ЭБУ запуска и останова двигателя включите зажигание (IG) и подождите 20 секунд, после чего убедитесь, что для параметра "Stop&Start Operating Permission (Discharged Oil Pump Air)" в списке Data List отображается "OK". Затем загрузите предыдущее состояние (количество срабатываний стартера) в ЭБУ запуска и останова двигателя.

    Нажмите здесьClick here

  • После замены ЭБУ запуска и останова двигателя или блока управления системой кондиционирования выполните сброс и настройте данные системы кондиционирования в ЭБУ запуска и останова двигателя.

    Нажмите здесьClick here

  • После замены ЭБУ запуска и останова двигателя или ЭБУ системы SRS выполните удаление и калибровку "нуля" датчика замедления в ЭБУ запуска и останова двигателя.

    Нажмите здесьClick here

  • После замены стартера в сборе выполните инициализацию числа запусков стартера, сохраненного в ЭБУ запуска и останова двигателя.

    Нажмите здесьClick here

  • Перед выполнением последующей процедуры проверки проверьте плавкие предохранители цепей, относящихся к данной системе.

ПОРЯДОК ВЫПОЛНЕНИЯ

  1. ПРОВЕРЬТЕ, ПРОКРУЧИВАЕТСЯ ЛИ КОЛЕНЧАТЫЙ ВАЛ ДВИГАТЕЛЯ

    1. Включите зажигание (START) и убедитесь, что коленчатый вал двигателя прокручивается.

    Result

    Result

    Перейдите к

    Коленчатый вал двигателя прокручивается

    A

    Коленчатый вал двигателя прокручивается

    B

    B

    ВЫПОЛНИТЕ АКТИВНУЮ ДИАГНОСТИКУ С ПОМОЩЬЮ GTS (STARTER(HOOD ЗАКРЫВАНИЕ))Click here

    A
  2. ВЫПОЛНИТЕ АКТИВНУЮ ДИАГНОСТИКУ С ПОМОЩЬЮ GTS (STARTER(HOOD CLOSE))

    1. Убедитесь, что капот двигателя закрыт.

    2. Подключите GTS к DLC3.

    3. Включите зажигание (IG).

    4. Включите диагностический прибор TechDoc3.

    5. Войдите в следующие меню: Powertrain / Stop and Start / Active Test / Starter(Hood Close).

      Powertrain > Stop и Start > Active Test

      Информация на дисплее прибора

      Starter(Hood Close)

    6. Убедитесь, что при выполнении испытания "Starter(Hood Close)" в режиме Active Test коленчатый вал двигателя прокручивается.

      Note:

      Испытание "Starter(Hood Close)" прекращается автоматически через 3 с после начала работы стартера.

      Номинальный режим

      Коленчатый вал двигателя прокручивается

    Result

    Перейти к

    OK

    НЕ СООТВ.

    СООТВ

    СМ. DTC P160300 (ОПРЕДЕЛИТЕ ПРИЧИНУ, ПО КОТОРОЙ ДВИГАТЕЛЬ ГЛОХНЕТ)

    Нажмите здесьClick hereClick here

    NG
  3. ПРОВЕРЬТЕ ЖГУТ ПРОВОДОВ И РАЗЪЕМ (ЦЕПЬ ПИТАНИЯ ЭБУ ЗАПУСКА И ОСТАНОВА ДВИГАТЕЛЯ)

    1. Отсоедините разъемы A73, A38 и I57 ЭБУ запуска и останова двигателя.

      A348463C28

      *a

      Вид спереди разъема со стороны жгута проводов:

      (к ЭБУ запуска и останова двигателя)

      -

      -

    2. Измерьте напряжение в соответствии со значениями, приведенными в таблице.

      Номинальное напряжение

      Подключение диагностического прибора

      Условие

      Заданные условия

      A73-1 (BIN2) - масса

      Всегда

      9,5-14 В

      A73-3 (BIN1) - масса

      Всегда

      9,5-14 В

    3. Включите питание (IG).

    4. Измерьте напряжение в соответствии со значениями, приведенными в таблице.

      Номинальное напряжение

      Подключение диагностического прибора

      Условие

      Заданные условия

      A38-1 (+B) - масса

      Зажигание включено (IG)

      9,5 - 14 В

      I57-18 (IG2) - масса

      Зажигание включено (IG)

      9,5 - 14 В

      I57-21 (IG1) - масса

      Выключатель зажигания в состоянии ON (ВКЛ) (IG)

      9,5 - 14 В

    Result

    Перейти к

    OK

    НЕ СООТВ.

    НЕ СООТВ.

    ОТРЕМОНТИРУЙТЕ ИЛИ ЗАМЕНИТЕ ЖГУТ ПРОВОДОВ ИЛИ РАЗЪЕМ

    СООТВ
  4. ПРОВЕРЬТЕ ЖГУТ ПРОВОДОВ И РАЗЪЕМ (ЭБУ ЗАПУСКА И ОСТАНОВА ДВИГАТЕЛЯ - МАССА)

    1. Отсоедините разъемы A73 и A38 ЭБУ запуска и останова двигателя.

    2. Измерьте сопротивление в соответствии со значениями, приведенными в таблице ниже.

      Номинальное сопротивление

      Подключение диагностического прибора

      Условие

      Заданные условия

      A73-2 (GND2) - масса

      Всегда

      Менее 1 Ом

      A73-8 (GND1) - масса

      Всегда

      Менее 1 Ом

      A38-6 (DGND) - масса

      Всегда

      Менее 1 Ом

    Результат

    Перейти к

    OK

    НЕ СООТВ.

    OK

    ЗАМЕНИТЕ ЭБУ ЗАПУСКА И ОСТАНОВА ДВИГАТЕЛЯ

    Нажмите здесьClick here

    NG

    ОТРЕМОНТИРУЙТЕ ИЛИ ЗАМЕНИТЕ ЖГУТ ПРОВОДОВ ИЛИ РАЗЪЕМ

  5. ВЫПОЛНИТЕ АКТИВНУЮ ДИАГНОСТИКУ С ПОМОЩЬЮ GTS (STARTER(HOOD CLOSE))

    1. Убедитесь, что капот двигателя закрыт.

    2. Подключите GTS к DLC3.

    3. Включите зажигание (IG).

    4. Включите диагностический прибор TechDoc3.

    5. Войдите в следующие меню: Powertrain / Stop and Start / Active Test / Starter(Hood Close).

      Powertrain > Stop и Start > Active Test

      Информация на дисплее прибора

      Starter(Hood Close)

    6. Убедитесь, что при выполнении испытания "Starter(Hood Close)" в режиме Active Test коленчатый вал двигателя прокручивается.

      Note:

      Испытание "Starter(Hood Close)" прекращается автоматически через 3 с после начала работы стартера.

      Номинальный режим

      Коленчатый вал двигателя прокручивается

    Result

    Result

    Перейдите к

    Коленчатый вал двигателя прокручивается

    A

    Коленчатый вал двигателя прокручивается

    B

    B

    ПРОВЕРЬТЕ ЭБУ ЗАПУСКА И ОСТАНОВА ДВИГАТЕЛЯ (СИГНАЛ STA, STA2)Click here

    A
  6. СНИМИТЕ ПОКАЗАНИЯ GTS (NEUTRAL SWITCH)

    1. Подключите GTS к DLC3.

    2. Включите зажигание (IG).

    3. Включите GTS.

    4. Войдите в следующие меню: Powertrain / Stop and Start / Data List / Neutral Switch.

    5. Следуя подсказкам на экране GTS, считайте данные в режиме Data List.

      Powertrain > Stop and Start > Data List

      Информация на дисплее прибора

      Neutral Switch

      OK

      Информация на дисплее прибора

      Режим

      Нормальное состояние

      Neutral Switch

      Рычаг переключения передач в положении P или N

      ON (ВКЛ)

      Рычаг переключения передач не в положении P или N

      OFF (ВЫКЛ)

    Результат

    Перейти к

    OK

    НЕ СООТВ.

    НЕ СООТВ.

    ПРОВЕРЬТЕ ЖГУТ ПРОВОДОВ И РАЗЪЕМ (ЭБУ СЕРТИФИКАЦИИ (ЭБУ ЭЛЕКТРОННОГО КЛЮЧА ЗАЖИГАНИЯ В СБОРЕ) — ЭБУ ЗАПУСКА И ОСТАНОВА ДВИГАТЕЛЯ)Click here

    OK
  7. ПРОВЕРЬТЕ ДАТЧИК ПОЛОЖЕНИЯ ПАРКИНГА/НЕЙТРАЛИ В СБОРЕ

    1. Проверьте датчик положения паркинга/нейтрали.

      • Для моделей с U661E:

        Нажмите здесьClick here

      • Для моделей с U661F:

        Нажмите здесьClick here

      • для K114:

        Нажмите здесьClick here

      • для K114F:

        Нажмите здесьClick here

    Результат

    Перейти к

    OK

    НЕ СООТВ.

    НЕ СООТВ.

    ЗАМЕНИТЕ ДАТЧИК ПОЛОЖЕНИЯ ПАРКИНГА/НЕЙТРАЛИ В СБОРЕ

    • Для моделей с U661E:

      Нажмите здесьClick here

    • Для моделей с U661F:

      Нажмите здесьClick here

    • для K114:

      Нажмите здесьClick here

    • для K114F:

      Нажмите здесьClick here

    СООТВ
  8. ПРОВЕРЬТЕ ЖГУТ ПРОВОДОВ И РАЗЪЕМ (ЭБУ СЕРТИФИКАЦИИ (ЭБУ ЭЛЕКТРОННОГО КЛЮЧА ЗАЖИГАНИЯ В СБОРЕ) - РЕЛЕ ST)

    1. Отсоедините разъем I51 ЭБУ сертификации (ЭБУ электронного ключа зажигания в сборе).

    2. Извлеките реле ST из распределительного блока и блока реле моторного отсека № 1 в сборе.

    3. Измерьте сопротивление в соответствии со значениями, приведенными в таблице ниже.

      Номинальное сопротивление

      Подключение диагностического прибора

      Условие

      Заданные условия

      I51-10 (STAR) - контакт 2 реле ST

      Рычаг переключения передач в положении P или N

      Менее 1 Ом

      I51-10 (STAR) - контакт 2 реле ST

      Рычаг переключения передач не в положении P или N

      10 кОм или более

    Результат

    Перейти к

    OK

    НЕ СООТВ.

    OK

    ПЕРЕЙДИТЕ К СЛЕДУЮЩЕЙ ПРЕДПОЛАГАЕМОЙ ЗОНЕ, УКАЗАННОЙ В ТАБЛИЦЕ ПРИЗНАКОВ НЕИСПРАВНОСТЕЙ

    Нажмите здесьClick hereClick here

    NG

    ОТРЕМОНТИРУЙТЕ ИЛИ ЗАМЕНИТЕ ЖГУТ ПРОВОДОВ ИЛИ РАЗЪЕМ

  9. ПРОВЕРЬТЕ ЖГУТ ПРОВОДОВ И РАЗЪЕМ (ЭБУ СЕРТИФИКАЦИИ (ЭБУ ЭЛЕКТРОННОГО КЛЮЧА ЗАЖИГАНИЯ В СБОРЕ) — ЭБУ ЗАПУСКА И ОСТАНОВА ДВИГАТЕЛЯ)

    1. Отсоедините разъем I51 ЭБУ сертификации (ЭБУ электронного ключа зажигания в сборе).

    2. Отсоедините разъем A38 ЭБУ запуска и останова двигателя.

    3. Отсоедините разъем C14 датчика положения паркинга/нейтрали.

    4. Измерьте сопротивление в соответствии со значениями, приведенными в таблице ниже.

      Номинальное сопротивление

      Подключение диагностического прибора

      Условие

      Заданные условия

      I51-10 (STAR) - A38-17 (CLL)

      Всегда

      Менее 1 Ом

      I51-10 (STAR) - масса

      Всегда

      10 кОм или более

      A38-17 (CLL) - масса

      Всегда

      10 кОм или более

    Результат

    Перейти к

    OK

    НЕ СООТВ.

    НЕ СООТВ.

    ОТРЕМОНТИРУЙТЕ ИЛИ ЗАМЕНИТЕ ЖГУТ ПРОВОДОВ ИЛИ РАЗЪЕМ

    СООТВ
  10. ПРОВЕРЬТЕ ЭБУ СЕРТИФИКАЦИИ (ЭБУ ЭЛЕКТРОННОГО КЛЮЧА ЗАЖИГАНИЯ В СБОРЕ) (СИГНАЛ STAR)

    1. A288763C24

      *a

      Вид спереди разъема со стороны жгута проводов:

      (к ЭБУ запуска и останова двигателя)

      Отсоедините разъем A38 ЭБУ запуска и останова двигателя.

    2. Измерьте напряжение в соответствии со значениями, приведенными в таблице.

      Номинальное напряжение

      Подключение диагностического прибора

      Условие

      Заданные условия

      A38-17 (CLL) - масса

      Двигатель запущен с помощью выключателя зажигания (выключатель зажигания включен (START))

      9,5 - 14 В

    Result

    Перейти к

    OK

    NG (для моделей с системой посадки и запуска)

    NG (для моделей без системы посадки и запуска)

    OK

    ПЕРЕЙДИТЕ К СЛЕДУЮЩЕЙ ПРЕДПОЛАГАЕМОЙ ЗОНЕ, УКАЗАННОЙ В ТАБЛИЦЕ ПРИЗНАКОВ НЕИСПРАВНОСТЕЙ

    Нажмите здесьClick hereClick here

    NG (для моделей с системой посадки и запуска)

    Перейдите к разделу "СИСТЕМА ПОСАДКИ И ЗАПУСКА"

    Нажмите здесьClick here

    NG (для моделей без системы посадки и запуска)

    ПЕРЕЙДИТЕ К РАЗДЕЛУ "КНОПОЧНЫЙ ЗАПУСК"

    Нажмите здесьClick here

  11. ПРОВЕРЬТЕ ЭБУ ЗАПУСКА И ОСТАНОВА ДВИГАТЕЛЯ (СИГНАЛ STA, STA2)

    1. Подсоедините осциллограф к контактам A38-21 (STA), A38-23 (STA2) и A38-6 (DGND).

      A385717C50

      *a

      Устройство с подсоединенным жгутом проводов

      (ЭБУ запуска и останова двигателя)

      -

      -

    2. A285702E09

      Проверьте форму сигнала сразу после включения зажигания (START).

      Параметр / Устройство

      Условие

      Подключение диагностического прибора

      A38-21 (STA) - A38-6 (DGND)

      A38-23 (STA2) - A38-6 (DGND)

      Условие

      Двигатель запущен с помощью выключателя зажигания

      Result

      Result

      Следующий шаг

      Задержка между включением реле ST и реле ST № 2: От 0,03 до 0,06 с

      A

      Задержка между включением реле ST и реле ST № 2: не в диапазоне от 0,03 до 0,06 с

      B

      Реле ST включается, а реле ST № 2 не включается

      C

      Реле ST и реле ST № 2 не включаются

      D

      Note:

      После замены ЭБУ запуска и останова двигателя убедитесь в отсутствии чрезмерного износа ведущего диска с коронной шестерней в сборе и ведущей шестерни стартера. Неисправность в цепи задержки может привести к износу или повреждению ведущего диска с коронной шестерней в сборе или ведущей шестерни стартера.

    B

    ЗАМЕНИТЕ РЕЛЕ ОГРАНИЧЕНИЯ БРОСКОВ ТОКА

    • Для моделей с 8AR-FTS:

      Нажмите здесьClick here

    • для моделей с 3ZR-FAE:

      Нажмите здесьClick here

    C

    ПРОВЕРЬТЕ ЖГУТ ПРОВОДОВ И РАЗЪЕМ (ЭБУ ЗАПУСКА И ОСТАНОВА ДВИГАТЕЛЯ (ЦЕПЬ ПИТАНИЯ)Click here

    D

    ПРОВЕРЬТЕ ЖГУТ ПРОВОДОВ И РАЗЪЕМ (РЕЛЕ ST - МАССА)Click here

    A
  12. ПРОВЕРЬТЕ РЕЛЕ (РЕЛЕ ST, ST № 2)

    1. Проверьте реле ST.

      • Для моделей с 8AR-FTS:

        Нажмите здесьClick here

      • для моделей с 3ZR-FAE:

        Нажмите здесьClick here

    2. Проверьте реле ST № 2.

      • Для моделей с 8AR-FTS:

        Нажмите здесьClick here

      • для моделей с 3ZR-FAE:

        Нажмите здесьClick here

    Результат

    Перейти к

    OK

    НЕ СООТВ.

    НЕ СООТВ.

    ЗАМЕНИТЕ РЕЛЕ (РЕЛЕ ST, РЕЛЕ ST № 2)

    СООТВ
  13. ПРОВЕРЬТЕ ЖГУТ ПРОВОДОВ И РАЗЪЕМ (РЕЛЕ ST, ST № 2 — АККУМУЛЯТОРНАЯ БАТАРЕЯ)

    A330869C03

    *1

    Распределительный блок и блок реле моторного отсека № 1

    *2

    Распределительный блок и блок реле моторного отсека № 2

    *a

    Контакт реле ST

    *b

    Контакт реле ST № 2

    1. Извлеките реле ST из распределительного блока и блока реле моторного отсека № 1 в сборе.

    2. Извлеките реле ST № 2 из блока реле моторного отсека № 2 и распределительного блока.

    3. Измерьте напряжение в соответствии со значениями, приведенными в таблице.

      Номинальное напряжение

      Подключение диагностического прибора

      Условие

      Заданные условия

      Контакт 5 реле ST - масса

      Всегда

      9,5-14 В

      Контакт 5 реле ST № 2 - масса

      Всегда

      9,5 - 14 В

    Result

    Перейти к

    OK

    НЕ СООТВ.

    НЕ СООТВ.

    ОТРЕМОНТИРУЙТЕ ИЛИ ЗАМЕНИТЕ ЖГУТ ПРОВОДОВ ИЛИ РАЗЪЕМ

    СООТВ
  14. ПРОВЕРЬТЕ ЖГУТ ПРОВОДОВ И РАЗЪЕМ (РЕЛЕ ST, ST № 2 — СТАРТЕР В СБОРЕ)

    1. Извлеките реле ST из распределительного блока и блока реле моторного отсека № 1 в сборе.

    2. Извлеките реле ST № 2 из блока реле моторного отсека № 2 и распределительного блока.

    3. Отсоедините разъем C4 стартера в сборе.

    4. Измерьте сопротивление в соответствии со значениями, приведенными в таблице ниже.

      Номинальное сопротивление

      Подключение диагностического прибора

      Условие

      Заданные условия

      Контакт 3 реле ST - C4-2 (SL1)

      Всегда

      Менее 1 Ом

      Контакт 3 реле ST № 2 - C4-1 (SL2)

      Всегда

      Менее 1 Ом

    Результат

    Перейти к

    OK

    НЕ СООТВ.

    НЕ СООТВ.

    ОТРЕМОНТИРУЙТЕ ИЛИ ЗАМЕНИТЕ ЖГУТ ПРОВОДОВ ИЛИ РАЗЪЕМ

    СООТВ
  15. ПРОВЕРЬТЕ ЖГУТ ПРОВОДОВ И РАЗЪЕМ (РЕЛЕ ST - МАССА)

    1. Извлеките реле ST из распределительного блока и блока реле моторного отсека № 1 в сборе.

    2. Измерьте сопротивление в соответствии со значениями, приведенными в таблице ниже.

      Номинальное сопротивление

      Подключение диагностического прибора

      Условие

      Заданные условия

      Контакт 1 реле ST - масса

      Всегда

      Менее 1 Ом

    Результат

    Перейти к

    OK

    НЕ СООТВ.

    НЕ СООТВ.

    ОТРЕМОНТИРУЙТЕ ИЛИ ЗАМЕНИТЕ ЖГУТ ПРОВОДОВ ИЛИ РАЗЪЕМ

    СООТВ
  16. ПРОВЕРЬТЕ ЖГУТ ПРОВОДОВ И РАЗЪЕМ (РЕЛЕ ST № 2 - МАССА)

    1. Извлеките реле ST № 2 из блока реле моторного отсека № 2 и распределительного блока.

    2. Измерьте сопротивление в соответствии со значениями, приведенными в таблице ниже.

      Номинальное сопротивление

      Подключение диагностического прибора

      Условие

      Номинальное значение

      Контакт 1 реле ST № 2 - масса

      Всегда

      Менее 1 Ом

    Результат

    Перейти к

    OK

    НЕ СООТВ.

    НЕ СООТВ.

    ОТРЕМОНТИРУЙТЕ ИЛИ ЗАМЕНИТЕ ЖГУТ ПРОВОДОВ ИЛИ РАЗЪЕМ

    СООТВ
  17. ПРОВЕРЬТЕ ЖГУТ ПРОВОДОВ И РАЗЪЕМ (ЭБУ ЗАПУСКА И ОСТАНОВА ДВИГАТЕЛЯ – РЕЛЕ ST)

    1. Отсоедините разъем A38 ЭБУ запуска и останова двигателя.

    2. Извлеките реле ST из распределительного блока и блока реле моторного отсека № 1 в сборе.

    3. Отсоедините разъем I51 ЭБУ сертификации (ЭБУ электронного ключа зажигания в сборе).

    4. Отсоедините разъем C14 датчика положения паркинга/нейтрали.

    5. Измерьте сопротивление в соответствии со значениями, приведенными в таблице ниже.

      Номинальное сопротивление

      Подключение диагностического прибора

      Условие

      Заданные условия

      A38-21 (STA) - контакт 2 реле ST

      Всегда

      Менее 1 Ом

      A38-21 (STA) - масса

      Всегда

      10 кОм или более

      Контакт 2 реле ST - масса

      Всегда

      10 кОм или более

    Результат

    Перейти к

    OK

    НЕ СООТВ.

    НЕ СООТВ.

    ОТРЕМОНТИРУЙТЕ ИЛИ ЗАМЕНИТЕ ЖГУТ ПРОВОДОВ ИЛИ РАЗЪЕМ

    СООТВ
  18. ПРОВЕРЬТЕ ЖГУТ ПРОВОДОВ И РАЗЪЕМ (ЭБУ ЗАПУСКА И ОСТАНОВА ДВИГАТЕЛЯ – РЕЛЕ ST № 2)

    1. Отсоедините разъем A38 ЭБУ запуска и останова двигателя.

    2. Извлеките реле ST № 2 из блока реле моторного отсека № 2 и распределительного блока.

    3. Отсоедините разъем A35 ECM.

    4. Измерьте сопротивление в соответствии со значениями, приведенными в таблице ниже.

      Номинальное сопротивление

      Подключение диагностического прибора

      Условие

      Заданные условия

      A38-23 (STA2) - контакт 2 реле ST № 2

      Всегда

      Менее 1 Ом

      A38-23 (STA2) - масса

      Всегда

      10 кОм или более

      Контакт 2 реле ST № 2 - масса

      Всегда

      10 кОм или более

    Результат

    Перейти к

    OK

    НЕ СООТВ.

    НЕ СООТВ.

    ОТРЕМОНТИРУЙТЕ ИЛИ ЗАМЕНИТЕ ЖГУТ ПРОВОДОВ ИЛИ РАЗЪЕМ

    СООТВ
  19. ПРОВЕРЬТЕ СИГНАЛ СТАРТЕРА (ФОРМУ ВЫХОДНОГО СИГНАЛА)

    1. Подсоедините положительный (+) вывод осциллографа к положительному (+) выводу аккумуляторной батареи, а отрицательный (-) вывод — к отрицательному (-) выводу аккумуляторной батареи.

    2. Прокручивая коленвал двигателя, подсчитайте количество провалов осцилограммы

      A285237E02

      Номинальный режим

      Форма сигнала падает 2 раза

      Result

      Количество случаев падения формы сигнала

      Перейти К

      0 раз

      A

      2 раза

      B

    B

    ПРОВЕРЬТЕ СТАРТЕР В СБОРЕClick here

    A
  20. ПРОВЕРЬТЕ РЕЛЕ ОГРАНИЧЕНИЯ БРОСКОВ ТОКА

    1. A327520C02

      *1

      Стартер в сборе

      *a

      Контакт B

      *b

      Контакт М

      Отсоедините провод от отрицательного (-) вывода аккумуляторной батареи.

    2. Отсоедините контакты В и М реле ограничения бросков тока.

    3. Измерьте сопротивление в соответствии со значениями, приведенными в таблице ниже.

      Номинальное сопротивление

      Подключение диагностического прибора

      Условие

      Заданные условия

      Контакт B - контакт M

      Всегда

      Менее 1 Ом

    Результат

    Перейти к

    OK

    НЕ СООТВ.

    НЕ СООТВ.

    ПРОВЕРЬТЕ СТАРТЕР В СБОРЕ (КОНТАКТ М)Click here

    СООТВ
  21. ПРОВЕРЬТЕ СТАРТЕР В СБОРЕ (КОНТАКТ С)

    1. Отсоедините провод от отрицательного (-) вывода аккумуляторной батареи.

    2. A327521C02

      *1

      Стартер в сборе

      *a

      Проверьте деталь

      *b

      Контакт C

      *c

      Контакт B

      Отсоедините контакт B реле ограничения бросков тока.

    3. Отсоедините контакт С стартера в сборе.

    4. Измерьте сопротивление в соответствии со значениями, приведенными в таблице ниже.

      Номинальное сопротивление

      Подключение диагностического прибора

      Условие

      Номинальное значение

      Контакт C - контакт B

      Всегда

      Менее 1 Ом

    Результат

    Перейти к

    OK

    НЕ СООТВ.

    OK

    ЗАМЕНИТЕ СТАРТЕР В СБОРЕ

    • Для моделей с 8AR-FTS:

      Нажмите здесьClick here

    • для моделей с 3ZR-FAE:

      Нажмите здесьClick here

    NG

    ОТРЕМОНТИРУЙТЕ ИЛИ ЗАМЕНИТЕ ЖГУТ ПРОВОДОВ ИЛИ РАЗЪЕМ

  22. ПРОВЕРЬТЕ СТАРТЕР В СБОРЕ (КОНТАКТ М)

    1. Отсоедините провод от отрицательного (-) вывода аккумуляторной батареи.

    2. A327522C02

      *1

      Стартер в сборе

      *a

      Проверьте деталь

      *b

      Контакт М

      Отсоедините контакт М реле ограничения бросков тока.

    3. Измерьте сопротивление в соответствии со значениями, приведенными в таблице ниже.

      Номинальное сопротивление

      Подключение диагностического прибора

      Условие

      Номинальное значение

      Контакт M - масса

      Всегда

      Менее 1 Ом

    Результат

    Перейти к

    OK

    НЕ СООТВ.

    OK

    ЗАМЕНИТЕ РЕЛЕ ОГРАНИЧЕНИЯ БРОСКОВ ТОКА

    • Для моделей с 8AR-FTS:

      Нажмите здесьClick here

    • для моделей с 3ZR-FAE:

      Нажмите здесьClick here

    NG

    ЗАМЕНИТЕ СТАРТЕР В СБОРЕ

    • Для моделей с 8AR-FTS:

      Нажмите здесьClick here

    • для моделей с 3ZR-FAE:

      Нажмите здесьClick here

  23. ПРОВЕРЬТЕ СТАРТЕР В СБОРЕ

    1. Проверьте стартер в сборе.

      • Для моделей с 8AR-FTS:

        Нажмите здесьClick here

      • для моделей с 3ZR-FAE:

        Нажмите здесьClick here

    Результат

    Перейти к

    OK

    НЕ СООТВ.

    OK

    ПЕРЕЙДИТЕ К СЛЕДУЮЩЕЙ ПРЕДПОЛАГАЕМОЙ ЗОНЕ, УКАЗАННОЙ В ТАБЛИЦЕ ПРИЗНАКОВ НЕИСПРАВНОСТЕЙ

    Нажмите здесьClick hereClick here

    NG

    ЗАМЕНИТЕ СТАРТЕР В СБОРЕ

    • Для моделей с 8AR-FTS:

      Нажмите здесьClick here

    • для моделей с 3ZR-FAE:

      Нажмите здесьClick here

  24. ПРОВЕРЬТЕ ЖГУТ ПРОВОДОВ И РАЗЪЕМ (ЦЕПЬ ПИТАНИЯ ЭБУ ЗАПУСКА И ОСТАНОВА ДВИГАТЕЛЯ)

    1. Отсоедините разъемы A73, A38 и I57 ЭБУ запуска и останова двигателя.

      A348463C28

      *a

      Вид спереди разъема со стороны жгута проводов:

      (к ЭБУ запуска и останова двигателя)

      -

      -

    2. Измерьте напряжение в соответствии со значениями, приведенными в таблице.

      Номинальное напряжение

      Подключение диагностического прибора

      Условие

      Заданные условия

      A73-1 (BIN2) - масса

      Всегда

      9,5-14 В

      A73-3 (BIN1) - масса

      Всегда

      9,5-14 В

    3. Включите питание (IG).

    4. Измерьте напряжение в соответствии со значениями, приведенными в таблице.

      Номинальное напряжение

      Подключение диагностического прибора

      Условие

      Заданные условия

      A38-1 (+B) - масса

      Зажигание включено (IG)

      9,5 - 14 В

      I57-18 (IG2) - масса

      Зажигание включено (IG)

      9,5 - 14 В

      I57-21 (IG1) - масса

      Выключатель зажигания в состоянии ON (ВКЛ) (IG)

      9,5 - 14 В

    Result

    Перейти к

    OK

    НЕ СООТВ.

    НЕ СООТВ.

    ОТРЕМОНТИРУЙТЕ ИЛИ ЗАМЕНИТЕ ЖГУТ ПРОВОДОВ ИЛИ РАЗЪЕМ

    СООТВ
  25. ПРОВЕРЬТЕ ЖГУТ ПРОВОДОВ И РАЗЪЕМ (ЭБУ ЗАПУСКА И ОСТАНОВА ДВИГАТЕЛЯ - МАССА)

    1. Отсоедините разъемы A73 и A38 ЭБУ запуска и останова двигателя.

    2. Измерьте сопротивление в соответствии со значениями, приведенными в таблице ниже.

      Номинальное сопротивление

      Подключение диагностического прибора

      Условие

      Заданные условия

      A73-2 (GND2) - масса

      Всегда

      Менее 1 Ом

      A73-8 (GND1) - масса

      Всегда

      Менее 1 Ом

      A38-6 (DGND) - масса

      Всегда

      Менее 1 Ом

    Результат

    Перейти к

    OK

    НЕ СООТВ.

    OK

    ЗАМЕНИТЕ ЭБУ ЗАПУСКА И ОСТАНОВА ДВИГАТЕЛЯ

    Нажмите здесьClick here

    NG

    ОТРЕМОНТИРУЙТЕ ИЛИ ЗАМЕНИТЕ ЖГУТ ПРОВОДОВ ИЛИ РАЗЪЕМ