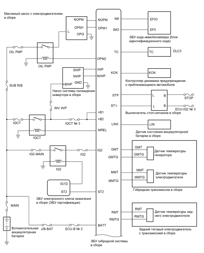
СИСТЕМА УПРАВЛЕНИЯ ГИБРИДНОЙ СИСТЕМОЙ СХЕМА СИСТЕМЫ

A372827E03
A372828E05
A375994E01
A372830E03