FRONT POWER SEAT CONTROL SYSTEM(w/ Memory) One or more Power Seat Motors do not Operate

DTC Code DTC Name
One or more Power Seat Motors do not Operate

DESCRIPTION

Signals are input into the position control ECU and switch assembly. The built-in ECU manages the signals received from the front power seat switch assembly and operates each motor. If the position control ECU and switch assembly receives more than 2 motor operation signals, the motor is stopped. Manual operation is restarted after the position control ECU and switch assembly receives 1 signal only.

WIRING DIAGRAM

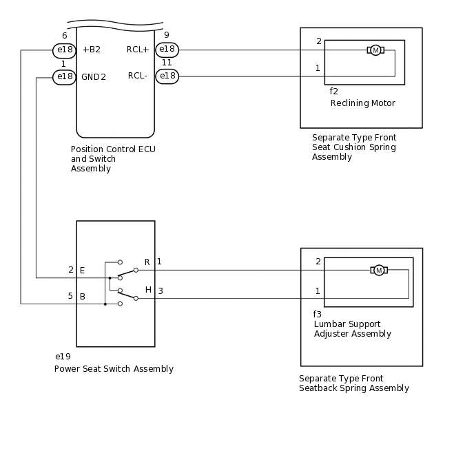
Figure 1. for LHD:
B342190E06
B342191E03
Figure 2. for RHD:
B342190E07
B342191E04

CAUTION / NOTICE / HINT

Note:

Inspect the fuses for circuits related to this system before performing the following procedure.

PROCEDURE

  1. CHECK FRONT POWER SEAT OPERATION

    1. Check that each function of the power seat operates normally by using the power seat switch assembly.

      Click here

    Result

    Result

    Proceed to

    One or more power seat functions (except lumbar support adjustment function) do not operate

    A

    All power seat functions do not operate

    B

    Front vertical and lifter functions do not operate

    C

    Only lumbar support adjustment function does not operate

    D

    B

    GO TO OTHER DIAGNOSIS PROCEDURE (Front Power Seat does not Operate with Front Power Seat Switch)

    C

    CHECK HARNESS AND CONNECTOR (POSITION CONTROL ECU AND SWITCH ASSEMBLY - BATTERY)Click here

    D

    INSPECT POWER SEAT SWITCH ASSEMBLYClick here

    A
  2. READ VALUE USING GTS (POWER SEAT SWITCH)

    1. Connect the GTS to the DLC3.

    2. Turn the power switch on (IG).

    3. Turn the GTS on.

    4. Enter the following menus: Body Electrical / Driver Seat / Data List.

    5. Read the Data List according to the display on the GTS.

      Body Electrical > Driver Seat > Data List

      Tester Display

      Measurement Item

      Range

      Normal Condition

      Diagnostic Note

      Reclining Rear

      Reclining switch signal (Rearward)

      ON or OFF

      ON: Reclining switch (Rearward) on

      OFF: Reclining switch (Rearward) off

      -

      Reclining Front

      Reclining switch signal (Forward)

      ON or OFF

      ON: Reclining switch (Forward) on

      OFF: Reclining switch (Forward) off

      -

      Front Vertical Down

      Front vertical switch signal (Downward)

      ON or OFF

      ON: Front vertical switch (Downward) on

      OFF: Front vertical switch (Downward) off

      -

      Front Vertical Up

      Front vertical switch signal (Upward)

      ON or OFF

      ON: Front vertical switch (Upward) on

      OFF: Front vertical switch (Upward) off

      -

      Lifter Switch Down

      Lifter switch signal (Downward)

      ON or OFF

      ON: Lifter switch (Downward) on

      OFF: Lifter switch (Downward) off

      -

      Lifter Switch Up

      Lifter switch signal (Upward)

      ON or OFF

      ON: Lifter switch (Upward) on

      OFF: Lifter switch (Upward) off

      -

      Slide Rear

      Slide switch signal (Rearward)

      ON or OFF

      ON: Slide switch (Rearward) on

      OFF: Slide switch (Rearward) off

      -

      Slide Front

      Slide switch signal (Forward)

      ON or OFF

      ON: Slide switch (Forward) on

      OFF: Slide switch (Forward) off

      -

      Body Electrical > Driver Seat > Data List

      Tester Display

      Reclining Rear

      Reclining Front

      Front Vertical Down

      Front Vertical Up

      Lifter Switch Down

      Lifter Switch Up

      Slide Rear

      Slide Front

      OK

      ON or OFF is displayed on the GTS according to the table above.

    Result

    Proceed to

    OK

    NG

    NG

    REPLACE POSITION CONTROL ECU AND SWITCH ASSEMBLY

    OK
  3. PERFORM ACTIVE TEST USING GTS (POWER SEAT MOTOR)

    1. Enter the following menus: Body Electrical / Driver Seat / Active Test.

    2. Perform the Active Test according to the display on the GTS.

      Body Electrical > Driver Seat > Active Test

      Tester Display

      Measurement Item

      Control Range

      Diagnostic Note

      Seat Reclining

      Seat reclining operation

      OFF/Rear/Front

      -

      Front Vertical Operation

      Seat front vertical operation

      OFF/Down/Up

      -

      Lifter Operation

      Seat lifter operation

      OFF/Down/Up

      -

      Seat Slide Operation

      Seat slide operation

      OFF/Rear/Front

      -

      Body Electrical > Driver Seat > Active Test

      Tester Display

      Seat Reclining

      Body Electrical > Driver Seat > Active Test

      Tester Display

      Front Vertical Operation

      Body Electrical > Driver Seat > Active Test

      Tester Display

      Lifter Operation

      Body Electrical > Driver Seat > Active Test

      Tester Display

      Seat Slide Operation

    Result

    Result

    Proceed to

    The power seat functions operate normally.

    A

    Slide, front vertical or lifter function does not operate normally.

    B

    Reclining function does not operate normally.

    C

    A

    REPLACE POSITION CONTROL ECU AND SWITCH ASSEMBLY

    C

    INSPECT SEPARATE TYPE FRONT SEATBACK SPRING ASSEMBLYClick here

    B
  4. INSPECT SEPARATE TYPE FRONT SEAT CUSHION SPRING ASSEMBLY

    1. Remove the separate type front seat cushion spring assembly.

      Click here

    2. Inspect the separate type front seat cushion spring assembly.

      Click here

    Result

    Proceed to

    OK

    NG

    OK

    CHECK HARNESS AND CONNECTOR (POSITION CONTROL ECU AND SWITCH ASSEMBLY - POWER SEAT MOTOR)Click here

    NG

    REPLACE SEPARATE TYPE FRONT SEAT CUSHION SPRING ASSEMBLY

  5. INSPECT SEPARATE TYPE FRONT SEATBACK SPRING ASSEMBLY

    1. Remove the separate type front seatback spring assembly.

      Click here

    2. Inspect the separate type front seatback spring assembly.

      Click here

    Result

    Proceed to

    OK

    NG

    NG

    REPLACE SEPARATE TYPE FRONT SEATBACK SPRING ASSEMBLY

    OK
  6. CHECK HARNESS AND CONNECTOR (POSITION CONTROL ECU AND SWITCH ASSEMBLY - POWER SEAT MOTOR)

    1. for LHD

      1. Disconnect the e18 position control ECU and switch assembly connector.

      2. Disconnect the e15, e16, e17 and f2 motor connectors.

      3. Measure the resistance according to the value(s) in the table below.

        Standard Resistance

        Tester Connection

        Condition

        Specified Condition

        e18-3 (SLD+) - e15-2

        Always

        Below 1 Ω

        e18-4 (SLD-) - e15-1

        Always

        Below 1 Ω

        e18-5 (FRV-) - e16-1

        Always

        Below 1 Ω

        e18-8 (FRV+) - e16-2

        Always

        Below 1 Ω

        e18-10 (LFT+) - e17-2

        Always

        Below 1 Ω

        e18-12 (LFT-) - e17-1

        Always

        Below 1 Ω

        e18-9 (RCL+) - f2-2

        Always

        Below 1 Ω

        e18-11 (RCL-) - f2-1

        Always

        Below 1 Ω

        e18-3 (SLD+) - Body ground

        Always

        10 kΩ or higher

        e18-4 (SLD-) - Body ground

        Always

        10 kΩ or higher

        e18-5 (FRV-) - Body ground

        Always

        10 kΩ or higher

        e18-8 (FRV+) - Body ground

        Always

        10 kΩ or higher

        e18-10 (LFT+) - Body ground

        Always

        10 kΩ or higher

        e18-12 (LFT-) - Body ground

        Always

        10 kΩ or higher

        e18-9 (RCL+) - Body ground

        Always

        10 kΩ or higher

        e18-11 (RCL-) - Body ground

        Always

        10 kΩ or higher

        Tip:

        Check the wire harness and connector between the position control ECU and switch assembly and the applicable motor.

    2. for RHD

      1. Disconnect the d27 position control ECU and switch assembly connector.

      2. Disconnect the d18, d19, d20 and g1 motor connectors.

      3. Measure the resistance according to the value(s) in the table below.

        Standard Resistance

        Tester Connection

        Condition

        Specified Condition

        d27-3 (SLD+) - e18-2

        Always

        Below 1 Ω

        d27-4 (SLD-) - e18-1

        Always

        Below 1 Ω

        d27-5 (FRV-) - e19-1

        Always

        Below 1 Ω

        d27-8 (FRV+) - e19-2

        Always

        Below 1 Ω

        d27-10 (LFT+) - e20-2

        Always

        Below 1 Ω

        d27-12 (LFT-) - e20-1

        Always

        Below 1 Ω

        d27-9 (RCL+) - g1-2

        Always

        Below 1 Ω

        d27-11 (RCL-) - g1-1

        Always

        Below 1 Ω

        d27-3 (SLD+) - Body ground

        Always

        10 kΩ or higher

        d27-4 (SLD-) - Body ground

        Always

        10 kΩ or higher

        d27-5 (FRV-) - Body ground

        Always

        10 kΩ or higher

        d27-8 (FRV+) - Body ground

        Always

        10 kΩ or higher

        d27-10 (LFT+) - Body ground

        Always

        10 kΩ or higher

        d27-12 (LFT-) - Body ground

        Always

        10 kΩ or higher

        d27-9 (RCL+) - Body ground

        Always

        10 kΩ or higher

        d27-11 (RCL-) - Body ground

        Always

        10 kΩ or higher

        Tip:

        Check the wire harness and connector between the position control ECU and switch assembly and the applicable motor.

    Result

    Proceed to

    OK

    NG

    OK

    REPLACE POSITION CONTROL ECU AND SWITCH ASSEMBLY

    NG

    REPAIR OR REPLACE HARNESS OR CONNECTOR

  7. CHECK HARNESS AND CONNECTOR (POSITION CONTROL ECU AND SWITCH ASSEMBLY - BATTERY)

    1. Disconnect the e6*1 or d28*2 position control ECU and switch assembly connector.

      • *1: for LHD

      • *2: for RHD

    2. Measure the voltage according to the value(s) in the table below.

      Standard Voltage

      for LHD

      Tester Connection

      Condition

      Specified Condition

      e6-12 (SYSB) - Body ground

      Power switch off

      11 to 14 V

      for RHD

      Tester Connection

      Condition

      Specified Condition

      d28-12 (SYSB) - Body ground

      Power switch off

      11 to 14 V

    Result

    Proceed to

    OK

    NG

    OK

    REPLACE POSITION CONTROL ECU AND SWITCH ASSEMBLY

    NG

    REPAIR OR REPLACE HARNESS OR CONNECTOR

  8. INSPECT POWER SEAT SWITCH ASSEMBLY

    1. Remove the power seat witch assembly.

      Click here

    2. Inspect the power seat switch assembly.

      Click here

    Result

    Proceed to

    OK

    NG

    NG

    REPLACE POWER SEAT SWITCH ASSEMBLY

    OK
  9. INSPECT SEPARATE TYPE FRONT SEATBACK SPRING ASSEMBLY

    1. Remove the separate type front seatback spring assembly.

      Click here

    2. Inspect the separate type front seatback spring assembly.

      Click here

    Result

    Proceed to

    OK

    NG

    NG

    REPLACE SEPARATE TYPE FRONT SEATBACK SPRING ASSEMBLY

    OK
  10. CHECK HARNESS AND CONNECTOR (POSITION CONTROL ECU AND SWITCH ASSEMBLY - POWER SEAT SWITCH ASSEMBLY AND LUMBAR MOTOR)

    • *1: for LHD

    • *2: for RHD

    1. Disconnect the e18*1 or d27*2 position control ECU and switch assembly connector.

    2. Disconnect the e19*1 or d21*2 power seat switch assembly connector.

    3. Measure the resistance according to the value(s) in the table below.

      Standard Resistance

      for LHD

      Tester Connection

      Condition

      Specified Condition

      e18-6 (+B2) - e19-5 (B)

      Always

      Below 1 Ω

      e18-1 (GND2) - e19-2 (E)

      Always

      Below 1 Ω

      e19-3 (H) - f3-1

      Always

      Below 1 Ω

      e19-1 (R) - f3-2

      Always

      Below 1 Ω

      e19-5 (B) - Body ground

      Always

      10 kΩ or higher

      e19-2 (E) - Body ground

      Always

      10 kΩ or higher

      e19-3 (H) - Body ground

      Always

      10 kΩ or higher

      e19-1 (R) - Body ground

      Always

      10 kΩ or higher

      for RHD

      Tester Connection

      Condition

      Specified Condition

      d27-6 (+B2) - d21-5 (B)

      Always

      Below 1 Ω

      d27-1 (GND2) - d21-2 (E)

      Always

      Below 1 Ω

      d21-1 (H) -g2-1

      Always

      Below 1 Ω

      d21-3 (R) - g2-2

      Always

      Below 1 Ω

      d21-5 (B) - Body ground

      Always

      10 kΩ or higher

      d21-2 (E) - Body ground

      Always

      10 kΩ or higher

      d21-3 (H) - Body ground

      Always

      10 kΩ or higher

      d21-1 (R) - Body ground

      Always

      10 kΩ or higher

    Result

    Proceed to

    OK

    NG

    OK

    REPLACE POSITION CONTROL ECU AND SWITCH ASSEMBLY

    NG

    REPAIR OR REPLACE HARNESS OR CONNECTOR