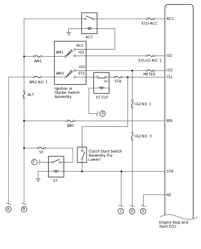
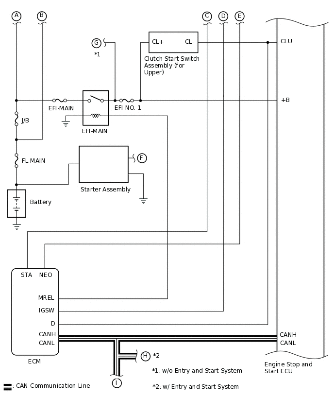
STOP AND START SYSTEM SYSTEM DIAGRAM

Figure 1. w/o Entry and Start System
A327771E01
Figure 2. w/ Entry and Start System
A327772E01
A327773E01
A327774E01
A327775E01