СИСТЕМА SFI Выходная цепь VC

Код DTC Наименование DTC
Выходная цепь VC

ОПИСАНИЕ

Для управления микропроцессором блок ECM постоянно формирует напряжение питания 5 В из напряжения, подаваемого с аккумуляторной батареи на контакты +B, +B2 (BATT). ECM также подает питание к датчикам через выходную цепь VC.

A256646E78

При коротком замыкании цепи VC микропроцессор блока ECM и датчики, питание к которым подается по цепи VC, не работают вследствие отсутствия напряжения в цепи VC. Когда система находится в этом состоянии, она не запустится.

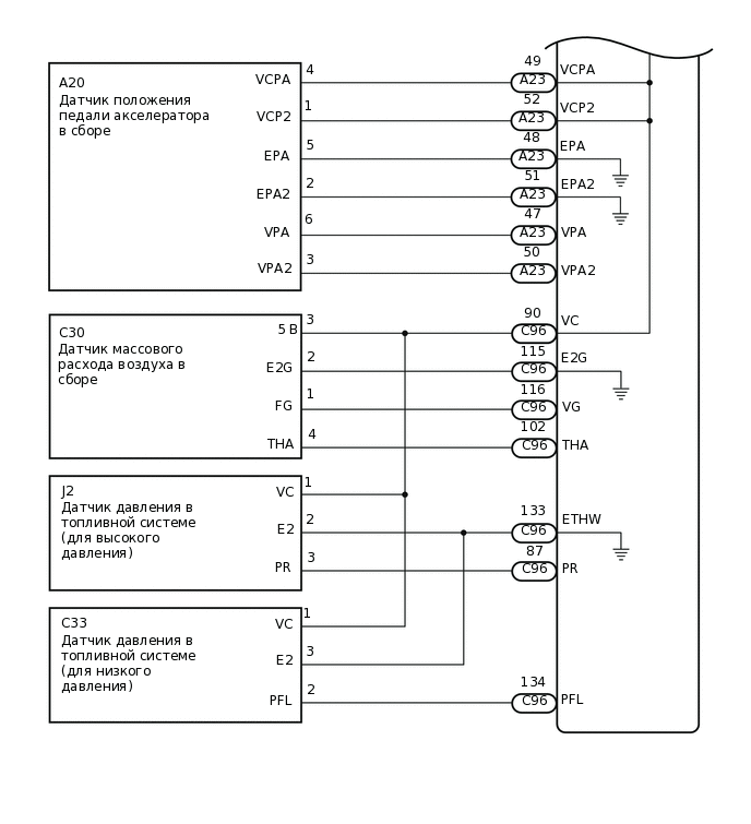
СХЕМА СОЕДИНЕНИЙ

ПРЕДОСТЕРЕЖЕНИЕ / ПРИМЕЧАНИЕ / УКАЗАНИЕ

Note:

Перед выполнением следующей процедуры проверки проверьте предохранители цепей, относящихся к данной системе.

ПОРЯДОК ВЫПОЛНЕНИЯ

  1. ПРОВЕРЬТЕ СОЕДИНЕНИЕ МЕЖДУ GTS И ECM

    1. Подключите GTS к DLC3.

    2. Включите зажигание (IG).

    3. Включите GTS.

    4. Проверьте состояние обмена данными между GTS и ЕСМ.

      Tip:

      Его можно проверить с помощью параметра "Engine" в режиме Data List.

    Result

    Result

    Перейти К

    Обмен данными не осуществляется

    А

    Обмен данными осуществляется

    Б

    B

    ПЕРЕЙДИТЕ К СЛЕДУЮЩЕЙ ПРЕДПОЛАГАЕМОЙ ЗОНЕ, УКАЗАННОЙ В ТАБЛИЦЕ ПРИЗНАКОВ НЕИСПРАВНОСТЕЙ

    A
  2. ПРОВЕРЬТЕ НАПРЯЖЕНИЕ ПРЕДОХРАНИТЕЛЯ EFI № 1

    A402426C02

    *1

    Блок реле моторного отсека и распределительный блок

    *2

    Предохранитель EFI № 1

    1. Включите зажигание (IG).

    2. Измерьте напряжение в соответствии со значениями, приведенными в таблице.

      Номинальное напряжение

      Подключение диагностического прибора

      Условие

      Заданные условия

      1 (предохранитель EFI № 1) - масса

      Зажигание включено (IG)

      11–14 В

      Tip:
      • Проверьте с ним предохранитель, установленный в распределительный блок и блок реле моторного отсека в сборе.

      • Если результат не соответствует требованиям, поскольку ток не подается на контакты +B и +B2 ECM, система не запустится.

    Result

    Перейти к

    OK

    НЕ СООТВ.

    НЕ СООТВ.

    ПЕРЕЙДИТЕ К ЦЕПИ ПИТАНИЯ ECM

    СООТВ
  3. ПРОВЕРЬТЕ СОЕДИНЕНИЕ МЕЖДУ GTS И ECM (ДАТЧИК ПОЛОЖЕНИЯ ДРОССЕЛЬНОЙ ЗАСЛОНКИ)

    1. Отсоедините разъем корпуса дроссельной заслонки с электродвигателем в сборе.

    2. Включите зажигание (IG).

    3. Включите GTS.

    4. Проверьте состояние обмена данными между GTS и ЕСМ.

      Tip:

      Его можно проверить с помощью параметра "Engine" в режиме Data List.

    Result

    Result

    Перейти К

    Обмен данными не осуществляется

    А

    Обмен данными осуществляется

    B

    Tip:

    Выполните "Проверку после ремонта" после замены корпуса дроссельной заслонки с электродвигателем в сборе.

    Нажмите здесьЩелкните по следующей ссылке

    B

    ЗАМЕНИТЕ КОРПУС ДРОССЕЛЬНОЙ ЗАСЛОНКИ С ЭЛЕКТРОДВИГАТЕЛЕМ В СБОРЕ

    A
  4. ПРОВЕРЬТЕ СОЕДИНЕНИЕ МЕЖДУ GTS И ECM (ДАТЧИК ПОЛОЖЕНИЯ ПЕДАЛИ АКСЕЛЕРАТОРА)

    1. Отсоедините разъем датчика положения педали акселератора в сборе.

    2. Включите зажигание (IG).

    3. Включите GTS.

    4. Проверьте состояние обмена данными между GTS и ЕСМ.

      Tip:

      Его можно проверить с помощью параметра "Engine" в режиме Data List.

    Result

    Result

    Перейти К

    Обмен данными не осуществляется

    А

    Обмен данными осуществляется

    Б

    B

    ЗАМЕНИТЕ ДАТЧИК ПОЛОЖЕНИЯ ПЕДАЛИ АКСЕЛЕРАТОРА В СБОРЕ

    A
  5. ПРОВЕРЬТЕ СОЕДИНЕНИЕ МЕЖДУ GTS И ECM (ДАТЧИК ПОЛОЖЕНИЯ КОЛЕНЧАТОГО ВАЛА)

    1. Отсоедините разъем датчика положения коленчатого вала.

    2. Включите зажигание двигателя (IG).

    3. Включите GTS.

    4. Проверьте состояние обмена данными между GTS и ЕСМ.

      Tip:

      Его можно проверить с помощью параметра "Engine" в режиме Data List.

    Result

    Result

    Перейти К

    Обмен данными не осуществляется

    А

    Обмен данными осуществляется

    Б

    B

    ЗАМЕНИТЕ ДАТЧИК ПОЛОЖЕНИЯ КОЛЕНЧАТОГО ВАЛА

    A
  6. ПРОВЕРЬТЕ СОЕДИНЕНИЕ МЕЖДУ GTS И ECM (ДАТЧИК ПОЛОЖЕНИЯ РАСПРЕДВАЛА (ВПУСКНЫХ КЛАПАНОВ РЯДА 1))

    1. Отсоедините разъем датчика VVT (для распредвала впускных клапанов ряда 1).

    2. Включите питание (IG).

    3. Включите GTS.

    4. Проверьте состояние обмена данными между GTS и ЕСМ.

      Tip:

      Его можно проверить с помощью параметра "Engine" в режиме Data List.

    Result

    Result

    Перейти К

    Обмен данными не осуществляется

    А

    Обмен данными осуществляется

    Б

    B

    ЗАМЕНИТЕ ДАТЧИК ПОЛОЖЕНИЯ РАСПРЕДВАЛА (ВПУСКНЫХ КЛАПАНОВ РЯДА 1)

    A
  7. ПРОВЕРЬТЕ СОЕДИНЕНИЕ МЕЖДУ GTS И ECM (ДАТЧИК ПОЛОЖЕНИЯ РАСПРЕДВАЛА (ВПУСКНЫХ КЛАПАНОВ РЯДА 2))

    1. Отсоедините разъем датчика VVT (для распредвала впускных клапанов ряда 2).

    2. Включите питание (IG).

    3. Включите GTS.

    4. Проверьте состояние обмена данными между GTS и ЕСМ.

      Tip:

      Его можно проверить с помощью параметра "Engine" в режиме Data List.

    Result

    Result

    Перейти К

    Обмен данными не осуществляется

    А

    Обмен данными осуществляется

    Б

    B

    ЗАМЕНИТЕ ДАТЧИК ПОЛОЖЕНИЯ РАСПРЕДВАЛА (ВПУСКНЫХ КЛАПАНОВ РЯДА 2)

    A
  8. ПРОВЕРЬТЕ СОЕДИНЕНИЕ МЕЖДУ GTS И ECM (ДАТЧИК ПОЛОЖЕНИЯ РАСПРЕДВАЛА (ВЫПУСКНЫХ КЛАПАНОВ РЯДА 1))

    1. Отсоедините разъем датчика VVT (для распредвала выпускных клапанов ряда 1).

    2. Включите питание (IG).

    3. Включите GTS.

    4. Проверьте состояние обмена данными между GTS и ЕСМ.

      Tip:

      Его можно проверить с помощью параметра "Engine" в режиме Data List.

    Result

    Result

    Перейти К

    Обмен данными не осуществляется

    А

    Обмен данными осуществляется

    Б

    B

    ЗАМЕНИТЕ ДАТЧИК ПОЛОЖЕНИЯ РАСПРЕДВАЛА (ВЫПУСКНЫХ КЛАПАНОВ РЯДА 1)

    A
  9. ПРОВЕРЬТЕ СОЕДИНЕНИЕ МЕЖДУ GTS И ECM (ДАТЧИК ПОЛОЖЕНИЯ РАСПРЕДВАЛА (ВЫПУСКНЫХ КЛАПАНОВ РЯДА 2))

    1. Отсоедините разъем датчика VVT (для распредвала выпускных клапанов ряда 2).

    2. Включите питание (IG).

    3. Включите GTS.

    4. Проверьте состояние обмена данными между GTS и ЕСМ.

      Tip:

      Его можно проверить с помощью параметра "Engine" в режиме Data List.

    Result

    Result

    Перейти К

    Обмен данными не осуществляется

    А

    Обмен данными осуществляется

    Б

    B

    ЗАМЕНИТЕ ДАТЧИК ПОЛОЖЕНИЯ РАСПРЕДВАЛА (ВЫПУСКНЫХ КЛАПАНОВ РЯДА 2)

    A
  10. ПРОВЕРЬТЕ СОЕДИНЕНИЕ МЕЖДУ GTS И ECM (ДАТЧИК ДАВЛЕНИЯ В ТОПЛИВНОЙ СИСТЕМЕ В КОНТУРЕ ВЫСОКОГО ДАВЛЕНИЯ)

    1. Отсоедините разъем датчика давления в топливной системе (в контуре высокого давления).

    2. Включите зажигание (IG).

    3. Включите GTS.

    4. Проверьте состояние обмена данными между GTS и ЕСМ.

      Tip:

      Его можно проверить с помощью параметра "Engine" в режиме Data List.

    Result

    Result

    Перейти К

    Обмен данными не осуществляется

    А

    Обмен данными осуществляется

    B

    Tip:

    Выполните "Проверку после ремонта" после замены датчика давления в топливной системе в контуре высокого давления.

    Нажмите здесьЩелкните по следующей ссылке

    B

    ЗАМЕНИТЕ ЛЕВУЮ ТОПЛИВНУЮ РАМПУ С ДАТЧИКОМ В СБОРЕ (ДАТЧИК ДАВЛЕНИЯ В ТОПЛИВНОЙ СИСТЕМЕ В КОНТУРЕ ВЫСОКОГО ДАВЛЕНИЯ)

    A
  11. ПРОВЕРЬТЕ СОЕДИНЕНИЕ МЕЖДУ GTS И ECM (ДАТЧИК ДАВЛЕНИЯ В ТОПЛИВНОЙ СИСТЕМЕ В КОНТУРЕ НИЗКОГО ДАВЛЕНИЯ)

    1. Отсоедините разъем датчика давления в топливной системе (в контуре низкого давления).

    2. Включите зажигание (IG).

    3. Включите GTS.

    4. Проверьте состояние обмена данными между GTS и ЕСМ.

      Tip:

      Его можно проверить с помощью параметра "Engine" в режиме Data List.

    Result

    Result

    Перейти К

    Обмен данными не осуществляется

    А

    Обмен данными осуществляется

    B

    Tip:

    Выполните "Проверку после ремонта" после замены датчика давления в топливной системе в контуре низкого давления.

    Нажмите здесьЩелкните по следующей ссылке

    B

    ЗАМЕНИТЕ ПРАВУЮ ТОПЛИВНУЮ РАМПУ (ДАТЧИК ДАВЛЕНИЯ В ТОПЛИВНОЙ СИСТЕМЕ В КОНТУРЕ НИЗКОГО ДАВЛЕНИЯ)

    A
  12. ПРОВЕРЬТЕ СОЕДИНЕНИЕ МЕЖДУ GTS И ECM (ДАТЧИК МАССОВОГО РАСХОДА ВОЗДУХА В СБОРЕ)

    1. Отсоедините разъем датчика массового расхода воздуха.

    2. Включите питание (IG).

    3. Включите GTS.

    4. Проверьте состояние обмена данными между GTS и ЕСМ.

      Tip:

      Его можно проверить с помощью параметра "Engine" в режиме Data List.

    Result

    Result

    Перейти К

    Обмен данными не осуществляется

    А

    Обмен данными осуществляется

    B

    Tip:

    Выполните "Послеремонтную проверку" после замены датчика массового расхода воздуха в сборе.

    Нажмите здесьЩелкните по следующей ссылке

    B

    ЗАМЕНИТЕ ДАТЧИК МАССОВОГО РАСХОДА ВОЗДУХА В СБОРЕ

    A
  13. ПРОВЕРЬТЕ ЖГУТ ПРОВОДОВ И РАЗЪЕМ

    1. Отсоедините разъем корпуса дроссельной заслонки с электродвигателем в сборе.

    2. Отсоедините разъем датчика положения педали акселератора в сборе.

    3. Отсоедините разъем датчика положения коленчатого вала.

    4. Отсоедините разъем датчика VVT (для распредвала впускных клапанов ряда 1).

    5. Отсоедините разъем датчика VVT (для распредвала впускных клапанов ряда 2).

    6. Отсоедините разъем датчика VVT (для распредвала выпускных клапанов ряда 1).

    7. Отсоедините разъем датчика VVT (для распредвала выпускных клапанов ряда 2).

    8. Отсоедините разъем датчика давления в топливной системе (в контуре высокого давления).

    9. Отсоедините разъем датчика давления в топливной системе (в контуре низкого давления).

    10. Отсоедините разъем датчика массового расхода воздуха.

    11. Отсоедините разъемы ECM.

    12. Измерьте сопротивление в соответствии со значениями, приведенными в таблице ниже.

      Номинальное сопротивление

      Подключение диагностического прибора

      Условие

      Заданные условия

      C96-121 (VCTA) - масса

      Всегда

      10 кОм или более

      A23-49 (VCPA) - масса

      Всегда

      10 кОм или более

      A23-52 (VCP2) - масса

      Всегда

      10 кОм или более

      C96-96 (VCNE) - масса

      Всегда

      10 кОм или более

      C96-99 (VCV1) - масса

      Всегда

      10 кОм или более

      C96-98 (VCV2) - масса

      Всегда

      10 кОм или более

      C96-90 (VC) - масса

      Всегда

      10 кОм или более

      A23-2 (+B) - 1 (предохранитель EFI № 1)

      Всегда

      Менее 1 Ом

      A23-3 (+B2) - 1 (предохранитель EFI № 1)

      Всегда

      Менее 1 Ом

      A23-2 (+B) - масса

      Всегда

      10 кОм или более

      A23-3 (+B2) - масса

      Всегда

      10 кОм или более

    Результат

    Перейти к

    OK

    НЕ СООТВ.

    NG

    ОТРЕМОНТИРУЙТЕ ИЛИ ЗАМЕНИТЕ ЖГУТ ПРОВОДОВ ИЛИ РАЗЪЕМ