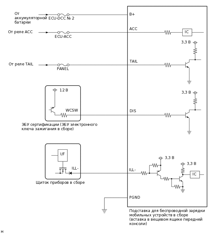
СИСТЕМА БЕСПРОВОДНОЙ ЗАРЯДКИ СХЕМА СИСТЕМЫ

E216153E02