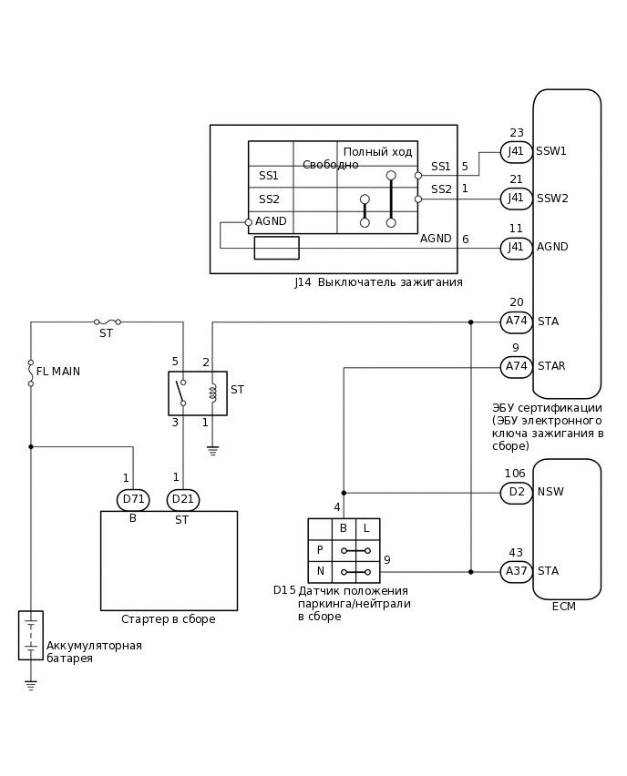
СИСТЕМА ЗАПУСКА СХЕМА СИСТЕМЫ

A375989E04