BACK DOOR CLOSER SYSTEM Back Door cannot be Opened

DTC Code DTC Name
Back Door cannot be Opened

DESCRIPTION

When the back door cannot be opened, one of the following may be malfunctioning: 1) multiplex network door ECU, 2) back door lock assembly, 3) back door opener switch assembly, 4) main body ECU (multiplex network body ECU), or 5) certification ECU (smart key ECU assembly).

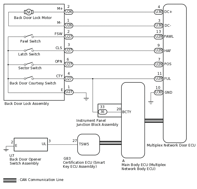
WIRING DIAGRAM

B440939E02

CAUTION / NOTICE / HINT

Note:
  • For vehicles with an entry and start system:

    Before replacing the certification ECU (smart key ECU assembly), refer to the entry and start system.

    Click here

  • The back door closer system uses the CAN communication system. First, confirm that there is no malfunction in the CAN communication system. Refer to the How to Proceed with Troubleshooting procedure.

  • When replacing the main body ECU (multiplex network body ECU), make sure to replace it with a new one.

  • If the replacement, removal and installation of the multiplex network door ECU or disconnection of the connectors of the multiplex network door ECU has been performed, initialize the power back door system.

    Click here

PROCEDURE

  1. CHECK FOR DTC

    1. Check for DTCs.

      Click here

      Body Electrical > Back Door > Trouble Codes

    Result

    Proceed to

    DTC is not output

    DTC B2250 is output

    DTC B2251 is output

    DTC B2250 is output

    GO TO DTC B2250

    DTC B2251 is output

    GO TO DTC CHART B2251

    DTC is not output
  2. BASIC FUNCTION POWER DOOR LOCK OPERATION

    1. Check the power door lock basic function.

      Click hereClick here

      OK

      The power door lock basic function can be operated normally.

    Result

    Proceed to

    OK

    NG

    NG

    GO TO POWER DOOR LOCK CONTROL SYSTEM

    OK
  3. READ VALUE USING GTS

    1. Check if the back door lock functions properly.

      Click here

      Body Electrical > Main Body > Data List

      Tester Display

      Measurement Item

      Range

      Normal Condition

      Diagnostic Note

      Back Door Open

      Back door condition signal

      Permit or Prohibit

      Permit: Back door unlocked

      Prohibit: Back door locked

      -

      Body Electrical > Main Body > Data List

      Tester Display

      Back Door Open

      OK

      The back door functions as specified in the normal condition column.

      Result

      Proceed to

      OK

      NG (for RHD)

      NG (for LHD)

    NG (for RHD)

    REPLACE MAIN BODY ECU (MULTIPLEX NETWORK BODY ECU)

    NG (for LHD)

    REPLACE MAIN BODY ECU (MULTIPLEX NETWORK BODY ECU)

    OK
  4. READ VALUE USING GTS

    1. Check if the back door lock functions properly.

      Click here

      Body Electrical > Back Door > Data List

      Tester Display

      Measurement Item

      Range

      Normal Condition

      Diagnostic Note

      Door Lock Status

      Back door condition signal

      Lock or Unlock

      Lock: Back door locked

      Unlock: Back door unlocked

      -

      Body Electrical > Back Door > Data List

      Tester Display

      Door Lock Status

      OK

      The back door functions as specified in the normal condition column.

    Result

    Proceed to

    OK

    NG

    NG

    REPLACE MULTIPLEX NETWORK DOOR ECU

    OK
  5. READ VALUE USING GTS

    1. Check if the back door opener switch assembly functions properly.

      Click here

      Body Electrical > Entry&Start > Data List

      Tester Display

      Measurement Item

      Range

      Normal Condition

      Diagnostic Note

      Tr/B-Door Lock SW

      Back door opener switch assembly signal

      ON or OFF

      ON: Back door opener switch assembly on

      OFF: Back door opener switch assembly off

      -

      Body Electrical > Smart Key > Data List

      Tester Display

      Tr/B-Door Unlock SW

      OK

      The back door control switch assembly functions as specified in the normal condition column.

    Result

    Proceed to

    OK

    NG

    NG

    INSPECT BACK DOOR OPENER SWITCH ASSEMBLYClick here

    OK
  6. INSPECT BACK DOOR LOCK ASSEMBLY

    1. Remove the back door lock assembly.

      Click here

    2. Inspect the back door lock assembly.

      Click here

    Result

    Proceed to

    OK

    NG

    NG

    REPLACE BACK DOOR LOCK ASSEMBLY

    OK
  7. CHECK HARNESS AND CONNECTOR (BACK DOOR LOCK ASSEMBLY - MULTIPLEX NETWORK DOOR ECU AND BODY GROUND)

    1. Disconnect the U26 and U27 back door lock assembly connector.

    2. Disconnect the U30 and U29 multiplex network door ECU connectors.

    3. Disconnect the 3E instrument panel junction block assembly connector.

    4. Measure the resistance according to the value(s) in the table below.

      Standard Resistance

      Tester Connection

      Condition

      Specified Condition

      U26-2 (M+) - U30-4 (DC+)

      Always

      Below 1 Ω

      U26-1 (M-) - U30-3 (DC-)

      Always

      Below 1 Ω

      U27-4 (CTY) - U29-11 (FUL)

      Always

      Below 1 Ω

      U27-4 (CTY) - 3E-33

      Always

      Below 1 Ω

      U27-2 (FSW) - U29-13 (PAWL)

      Always

      Below 1 Ω

      U27-3 (CLS) - U29-9 (HAF)

      Always

      Below 1 Ω

      U27-6 (OPN) - U29-7 (POS)

      Always

      Below 1 Ω

      U27-1 (E) - Body ground

      Always

      Below 1 Ω

      U26-2 (M+) or U30-4 (DC+) - Body ground

      Always

      10 kΩ or higher

      U26-1 (M-) or U30-3 (DC-) - Body ground

      Always

      10 kΩ or higher

      U27-2 (FSW) or U29-13 (PAWL) - Body ground

      Always

      10 kΩ or higher

      U27-4 (CTY) or U29-11 (FUL) - Body ground

      Always

      10 kΩ or higher

      U27-4 (CTY) or 3E-33 - Body ground

      Always

      10 kΩ or higher

      U27-3 (CLS) or U29-9 (HAF) - Body ground

      Always

      10 kΩ or higher

      U27-6 (OPN) or U29-7 (POS) - Body ground

      Always

      10 kΩ or higher

    Result

    Proceed to

    OK

    NG

    NG

    REPAIR OR REPLACE HARNESS OR CONNECTOR

    OK
  8. REPLACE MULTIPLEX NETWORK DOOR ECU

    1. Temporarily replace the multiplex network door ECU with a new or normally functioning one.

      Click here

    Result

    Proceed to

    NEXT

    NEXT
  9. CHECK BACK DOOR CLOSER SYSTEM

    1. Check the back door open operation.

    Result

    Proceed to

    Back door can be opened

    Back door cannot be opened (for RHD)

    Back door cannot be opened (for LHD)

    Back door can be opened

    END (MULTIPLEX NETWORK DOOR ECU WAS DEFECTIVE)

    Back door cannot be opened (for RHD)

    REPLACE MAIN BODY ECU (MULTIPLEX NETWORK BODY ECU)

    Back door cannot be opened (for LHD)

    REPLACE MAIN BODY ECU (MULTIPLEX NETWORK BODY ECU)

  10. INSPECT BACK DOOR OPENER SWITCH ASSEMBLY

    1. Remove the back door opener switch assembly.

      Click here

    2. Inspect the back door opener switch assembly.

      Click here

    Result

    Proceed to

    OK

    NG

    NG

    REPLACE BACK DOOR OPENER SWITCH ASSEMBLY

    OK
  11. CHECK HARNESS AND CONNECTOR (BACK DOOR OPENER SWITCH ASSEMBLY - CERTIFICATION ECU AND BODY GROUND)

    1. Disconnect the U7 back door opener switch assembly connector.

    2. Disconnect the G83 certification ECU (smart key ECU assembly) connector.

    3. Measure the resistance according to the value(s) in the table below.

      Standard Resistance

      Tester Connection

      Condition

      Specified Condition

      U7-3 (UL) - G83-27 (TSW5)

      Always

      Below 1 Ω

      U7-2 (E) - Body ground

      Always

      Below 1 Ω

      U7-3 (UL) or G83-27 (TSW5) - Body ground

      Always

      10 kΩ or higher

    Result

    Proceed to

    OK

    NG

    OK

    REPLACE CERTIFICATION ECU (SMART KEY ECU ASSEMBLY)

    NG

    REPAIR OR REPLACE HARNESS OR CONNECTOR