SFI SYSTEM(w/ Canister Pump Module), Diagnostic DTC:P2102 and P2103

DTC Code DTC Name
P2102 Throttle Actuator Control Motor Circuit Low
P2103 Throttle Actuator Control Motor Circuit High

DESCRIPTION

The throttle actuator is operated by the ECM and opens and closes the throttle valve using gears.

The opening angle of the throttle valve is detected by the throttle position sensor, which is mounted on the throttle body with motor assembly. The throttle position sensor provides feedback to the ECM. This feedback allows the ECM to appropriately control the throttle actuator and monitor the throttle opening angle as the ECM responds to a request from the hybrid system.

Tip:

This Electronic Throttle Control System (ETCS) does not use a throttle cable.

DTC No.

Detection Item

DTC Detection Condition

Trouble Area

MIL

Memory

P2102

Throttle Actuator Control Motor Circuit Low

Both of the following conditions are met for 2.0 seconds (1 trip detection logic):

(a) The throttle actuator drive duty cycle is 80% or higher.

(b) The throttle actuator current is less than 0.5 A.

  • Open in throttle actuator circuit

  • Throttle actuator

  • ECM

Comes on

DTC stored

P2103

Throttle Actuator Control Motor Circuit High

Either of the following conditions is met (1 trip detection logic):

  • A motor driver IC high current limiter monitor input failure.

  • A motor driver IC high current inhibit signal on.

  • Short in throttle actuator circuit

  • Throttle actuator

  • Throttle valve

  • Throttle body with motor assembly

  • ECM

Comes on

DTC stored

MONITOR DESCRIPTION

The ECM monitors the electrical current through the electronic actuator, and detects malfunctions and open circuits in the throttle actuator based on this value. If the current is outside the standard range, the ECM determines that there is a malfunction in the throttle actuator. In addition, if the throttle valve does not function properly (for example, stuck on), the ECM determines that there is a malfunction. The ECM then illuminates the MIL and stores a DTC.

MONITOR STRATEGY

Required Sensors/Components

Throttle actuator (throttle body with motor assembly)

Frequency of Operation

Continuous

CONFIRMATION DRIVING PATTERN

A220567E09
  1. Connect the GTS to the DLC3.

  2. Turn the power switch on (IG) and turn the GTS on.

  3. Clear the DTCs (even if no DTCs are stored, perform the clear DTC procedure).

  4. Turn the power switch off and wait for at least 30 seconds.

  5. Turn the power switch on (IG) and turn the GTS on [A].

  6. Put the engine in inspection mode (maintenance mode).

    Click here

  7. Start the engine.

  8. With the vehicle stationary, fully depress the accelerator pedal and quickly release it [B].

  9. Check that 16 seconds or more have elapsed from the instant when the accelerator pedal is first depressed.

  10. Enter the following menus: Powertrain / Engine and ECT / Trouble Codes [C].

  11. Read the pending DTCs.

    Tip:
    • If a pending DTC is output, the system is malfunctioning.

    • If a pending DTC is not output, perform the following procedure.

  12. Enter the following menus: Powertrain / Engine and ECT / Utility / All Readiness.

  13. Input the DTC: P2102 or P2103.

  14. Check the DTC judgment result.

    GTS Display

    Description

    NORMAL

    • DTC judgment completed

    • System normal

    ABNORMAL

    • DTC judgment completed

    • System abnormal

    INCOMPLETE

    • DTC judgment not completed

    • Perform driving pattern after confirming DTC enabling conditions

    N/A

    • Unable to perform DTC judgment

    • Number of DTCs which do not fulfill DTC preconditions has reached ECU memory limit

    Tip:
    • If the judgment result shows NORMAL, the system is normal.

    • If the judgment result shows ABNORMAL, the system has a malfunction.

    • If the judgment result shows INCOMPLETE or N/A, perform steps [B] and [C] again.

FAIL-SAFE

When either of these DTCs or other DTCs relating to Electronic Throttle Control System (ETCS) malfunctions are stored, the ECM enters fail-safe mode. During fail-safe mode, the ECM cuts the current to the throttle actuator, and the throttle valve is returned to a 5.5° throttle valve opening angle by the return spring. The ECM stops the engine and the vehicle can be driven using solely the hybrid system. If the accelerator pedal is depressed firmly and gently, the vehicle can be driven slowly.

Fail-safe mode continues until a pass condition is detected, and the power switch is then turned off.

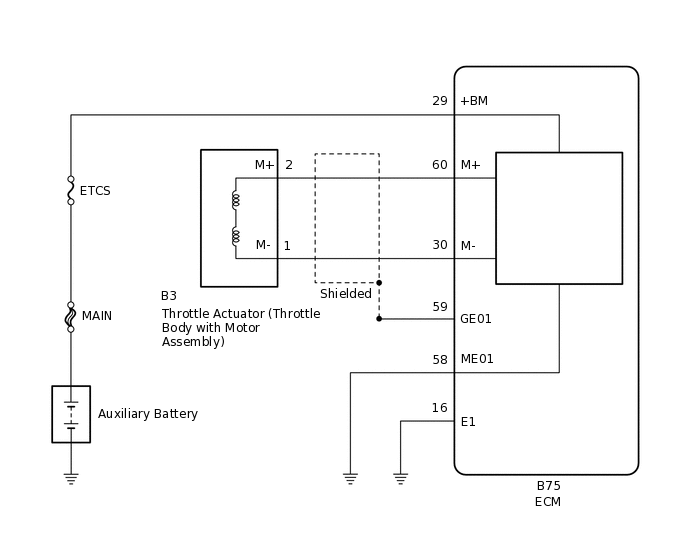
WIRING DIAGRAM

A298882E11

CAUTION / NOTICE / HINT

Note:

Inspect the fuses for circuits related to this system before performing the following procedure.

Tip:
  • The throttle actuator current (Throttle Motor Current) and the throttle actuator duty ratio (Throttle Motor Duty (Open) / Throttle Motor Duty (Close)) can be read using the GTS. However, the ECM shuts off the throttle actuator current when the electronic throttle control system malfunctions.

  • Read freeze frame data using the GTS. The ECM records vehicle and driving condition information as freeze frame data the moment a DTC is stored. When troubleshooting, freeze frame data can help determine if the vehicle was moving or stationary, if the engine was warmed up or not, if the air fuel ratio was lean or rich, and other data from the time the malfunction occurred.

PROCEDURE

  1. INSPECT THROTTLE BODY WITH MOTOR ASSEMBLY (RESISTANCE OF THROTTLE ACTUATOR)

    1. Inspect the throttle body with motor assembly.

      Click here

      Tip:

      Perform "Inspection After Repair" after replacing the throttle body with motor assembly.

      Click here

    Result

    Proceed to

    OK

    NG

    NG

    REPLACE THROTTLE BODY WITH MOTOR ASSEMBLY

    OK
  2. CHECK HARNESS AND CONNECTOR (THROTTLE BODY WITH MOTOR ASSEMBLY - ECM)

    1. Disconnect the throttle body with motor assembly connector.

    2. Disconnect the ECM connector.

    3. Measure the resistance according to the value(s) in the table below.

      Standard Resistance

      Tester Connection

      Condition

      Specified Condition

      B3-2 (M+) - B75-60 (M+)

      Always

      Below 1 Ω

      B3-1 (M-) - B75-30 (M-)

      Always

      Below 1 Ω

      B3-2 (M+) or B75-60 (M+) - Body ground

      Always

      10 kΩ or higher

      B3-1 (M-) or B75-30 (M-) - Body ground

      Always

      10 kΩ or higher

    Result

    Proceed to

    OK

    NG

    NG

    REPAIR OR REPLACE HARNESS OR CONNECTOR

    OK
  3. INSPECT THROTTLE BODY WITH MOTOR ASSEMBLY (VISUALLY CHECK THROTTLE VALVE)

    1. Check for foreign matter between the throttle valve and housing.

      OK

      No foreign matter between the throttle valve and housing.

      Tip:

      Perform "Inspection After Repair" after cleaning the throttle body with motor assembly.

      Click here

    Result

    Proceed to

    OK

    NG

    NG

    REMOVE FOREIGN OBJECT AND CLEAN THROTTLE BODY WITH MOTOR ASSEMBLY

    OK
  4. INSPECT THROTTLE BODY WITH MOTOR ASSEMBLY (THROTTLE VALVE)

    1. Check if the throttle valve opens and closes smoothly.

      OK

      Throttle valve opens and closes smoothly.

      Tip:

      Perform "Inspection After Repair" after replacing the throttle body with motor assembly.

      Click here

    Result

    Proceed to

    OK

    NG

    OK

    REPLACE ECM

    NG

    REPLACE THROTTLE BODY WITH MOTOR ASSEMBLY