WIPER AND WASHER SYSTEM(w/o Rain Sensor) SYSTEM DIAGRAM
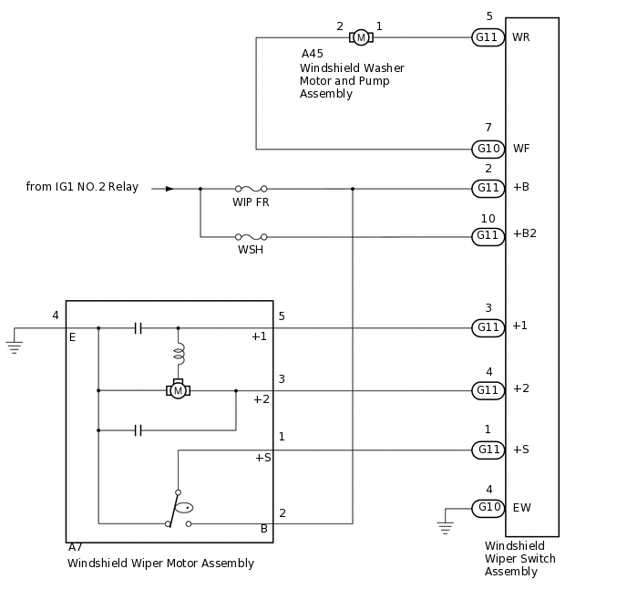
FRONT WIPER AND WASHER SYSTEM
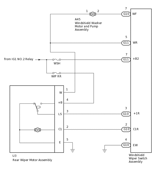
REAR WIPER AND WASHER SYSTEM
WASHER FLUID WARNING SYSTEM
FRONT WIPER AND WASHER SYSTEM
REAR WIPER AND WASHER SYSTEM
WASHER FLUID WARNING SYSTEM