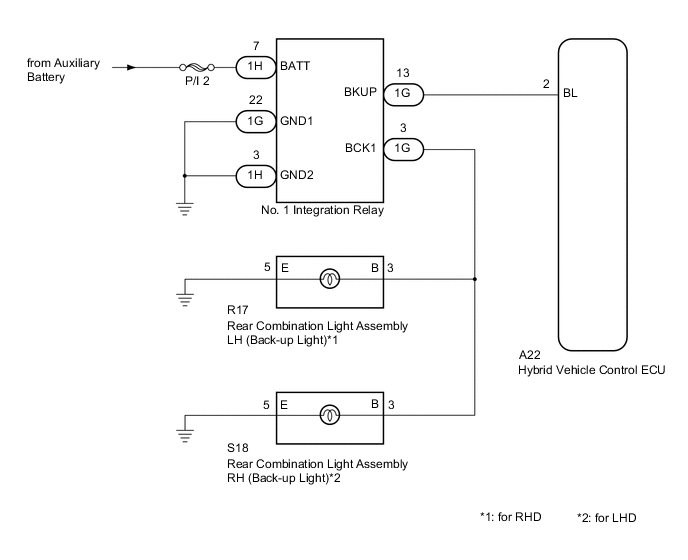
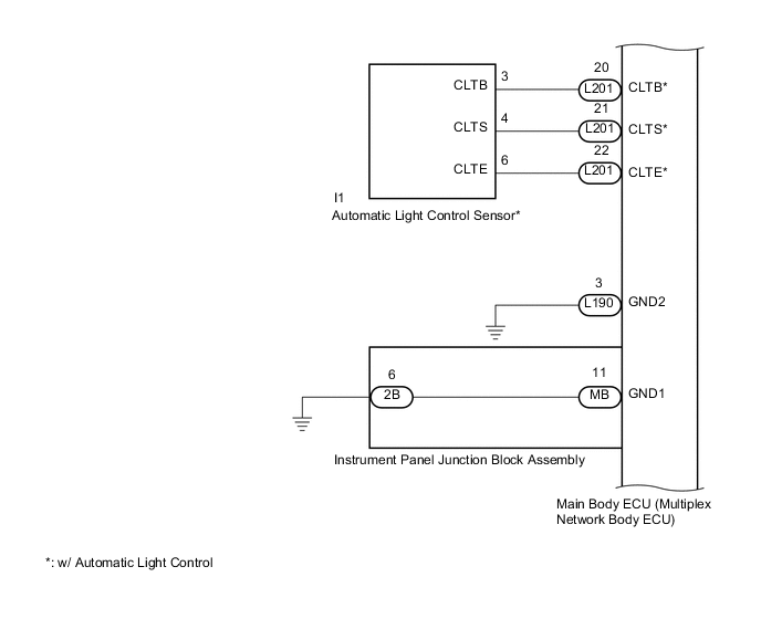
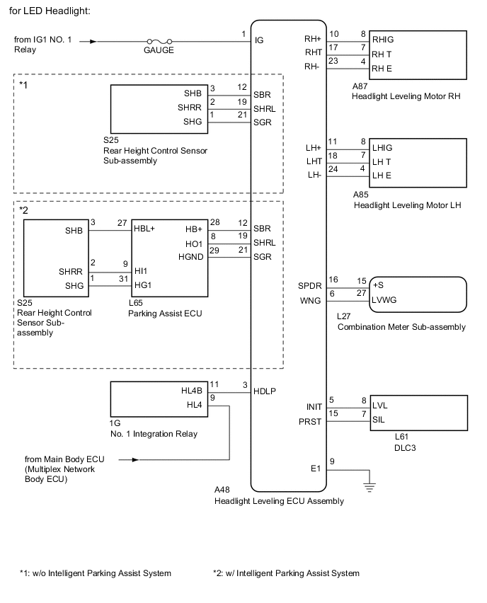
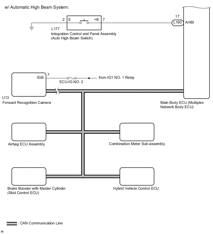
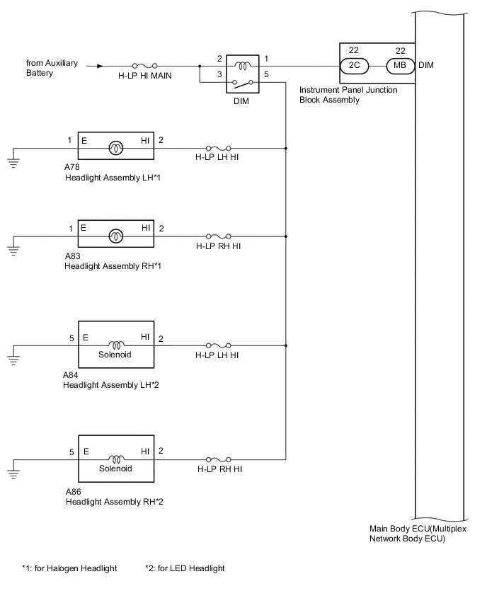
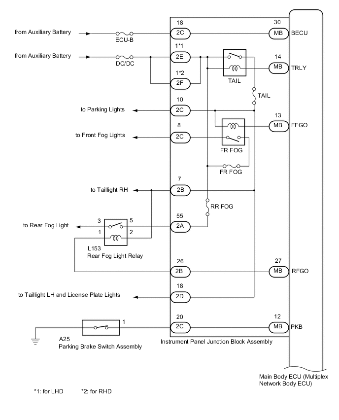
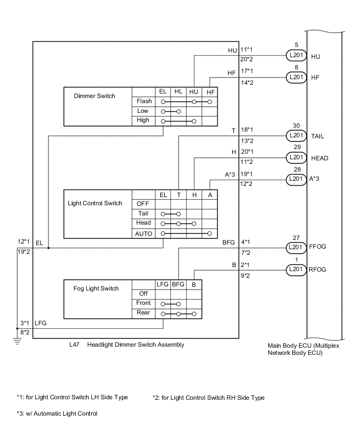
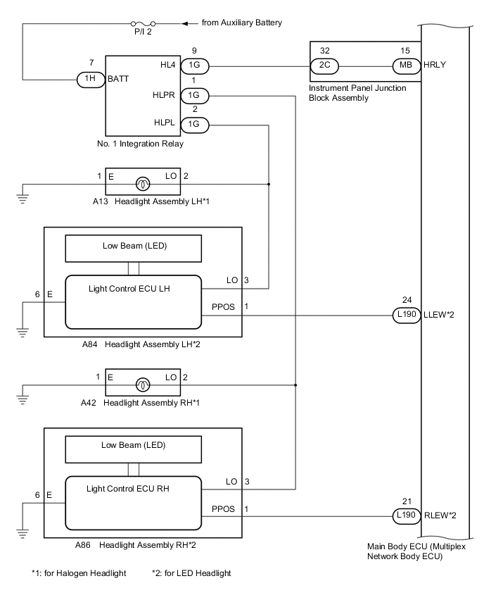
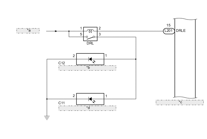
LIGHTING SYSTEM SYSTEM DIAGRAM

B005Z83E01
B005XOTE01
B005XWGE05
B005YLGE04
B005XSQE04
B005XXFE09
*a from DRL Fuse
*b Daytime Running Light Assembly LH
*c Main Body ECU (Multiplex Network Body ECU)
*d Daytime Running Light Assembly RH
B005XFWE03
B005Z1GE14
B005Y6HE01
B005XR1E05