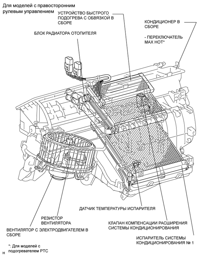
СИСТЕМА КОНДИЦИОНИРОВАНИЯ (для моделей с кондиционером с ручным управлением) РАСПОЛОЖЕНИЕ ДЕТАЛЕЙ

ИЛЛЮСТРАЦИЯ

A01E0VAE14

ИЛЛЮСТРАЦИЯ

A01E1IAE16

ИЛЛЮСТРАЦИЯ

A01DVJDE02

ИЛЛЮСТРАЦИЯ

A01E1G8E02

ИЛЛЮСТРАЦИЯ

A01E1P2E07

ИЛЛЮСТРАЦИЯ

A01DW9ZE07