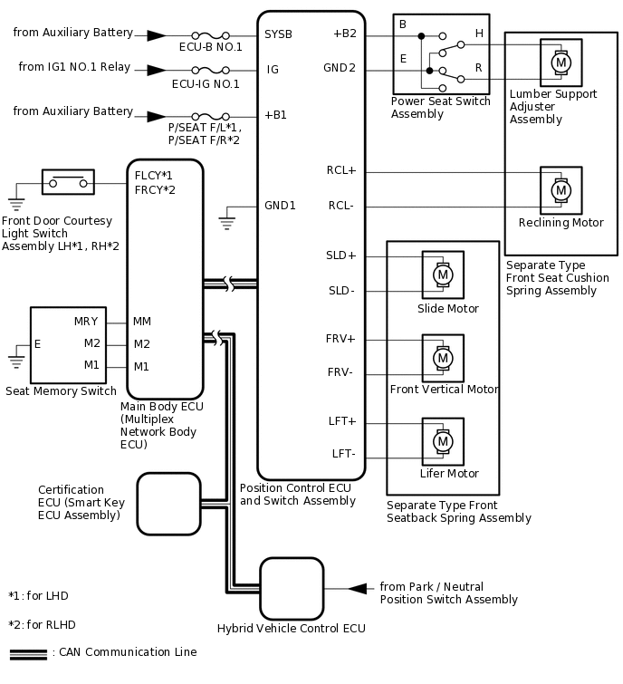
FRONT POWER SEAT CONTROL SYSTEM(w/ Memory) SYSTEM DIAGRAM

E349849E03
Table 1. Communication Table

Sender

Receiver

Signal

Line

Hybird Vehicle Control ECU

Main Body ECU (Multiplex Network Body ECU)

  • Transmission information

  • Park (P) state signal

CAN

Main Body ECU (Multiplex Network Body ECU)

Position Control ECU and Switch Assembly

  • Park (P) state signal

  • Vehicle speed signal

  • Transmission information

  • Driving position buzzer request

  • Driver seat position request

  • Driver seat position data

CAN

Certification ECU (Smart Key ECU Assembly)

Main Body ECU (Multiplex Network Body ECU)

  • Memory call replay request

  • Key identification No. 1 to No. 7 acquisition condition

CAN

Position Control ECU and Switch Assembly

Main Body ECU (Multiplex Network Body ECU)

  • State signal of driver seat

  • State signal of driving position buzzer

CAN