RADIO RECEIVER COMPONENTS

ILLUSTRATION

A005BAFE01

ILLUSTRATION

A005BXXE03
*a CENTER INSTRUMENT PANEL REGISTER ASSEMBLY
*b INSTRUMENT PANEL BOX ASSEMBLY
*c RADIO AND DISPLAY RECEIVER ASSEMBLY WITH BRACKET
*d INTEGRATION CONTROL AND PANEL

ILLUSTRATION

A005A5KE05
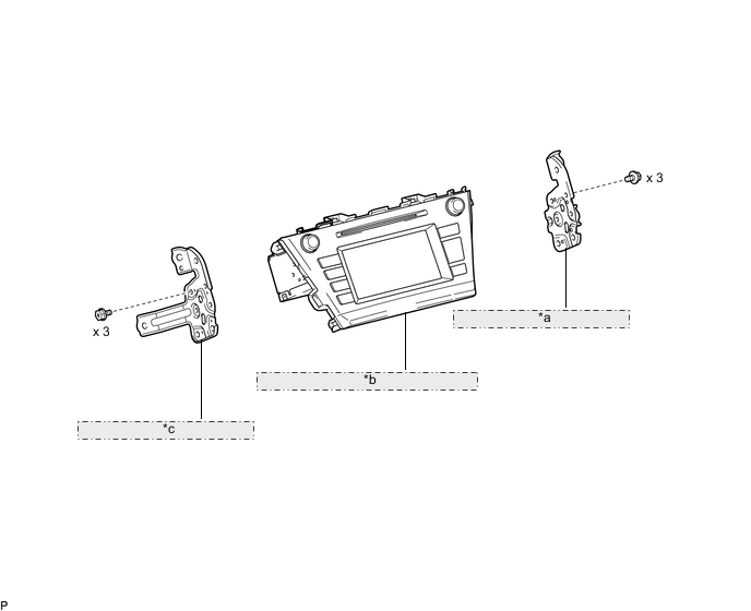
w/o Navigation System
*a NO. 1 RADIO RECEIVER BRACKET
*b RADIO AND DISPLAY RECEIVER ASSEMBLY
*c NO. 2 RADIO RECEIVER BRACKET

ILLUSTRATION

A005BKKE03