СИСТЕМА ECD (для моделей без охладителя РОГ), Diagnostic DTC:P0400

Код DTC Наименование DTC
P0400 Рециркуляция отработавших газов

ОПИСАНИЕ

Система РОГ обеспечивает рециркуляцию отработавших газов и регулирует их объем так, чтобы он соответствовал требуемому уровню в зависимости от условий движения. Рециркулирующие газы смешиваются с воздухом на впуске, благодаря чему система РОГ может замедлять процесс сгорания в двигателе и понижать температуру сгорания. Это способствует снижению содержания оксидов азота (NOx) в отработавших газах.

Для повышения эффективности рециркуляции ЕСМ регулирует подъем клапана РОГ и угол поворота дроссельной заслонки.

№ DTC Условие обнаружения DTC Неисправный участок
P0400

Выполнение одного из следующих условий:


  • Массовый расход воздуха не изменяется при включении клапана РОГ

    (логика диагностирования за 1 поездку)


  • Заедание клапана РОГ

  • Клапан РОГ не движется плавно

  • E-VRV для РОГ (клапан РОГ)

  • Цепь E-VRV для РОГ

  • Засорение в линии РОГ между выпускным и впускным коллекторами

  • Датчик массового расхода воздуха

  • Система впуска (утечки и засоры)

  • Система выпуска отработавших газов (утечки отработавших газов)

  • ECM

Tech Tips

Обнаружение кодов DTC не производится в течение 4 секунд после включения и выключения выключателя тормоза.

ОПИСАНИЕ РАБОТЫ СИСТЕМЫ КОНТРОЛЯ



A01DWULE05

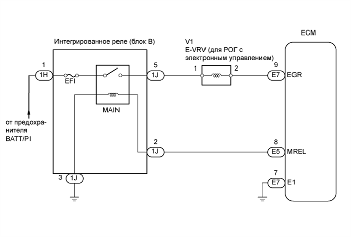
СХЕМА СОЕДИНЕНИЙ

A01E0T8E04

ПОСЛЕДОВАТЕЛЬНОСТЬ ПРОВЕРКИ

Tech Tips

С помощью портативного диагностического прибора считайте данные фиксированного набора параметров. В этих параметрах отражается состояние двигателя на момент обнаружения неисправности. При поиске неисправностей фиксированные параметры позволяют определить, двигался ли автомобиль в момент возникновения неисправности или нет, был ли прогрет двигатель и пр.

Note

После замены новый ЕСМ необходимо зарегистрировать (см. стр. Click here) и инициализировать (см. стр. Click here).

ПОРЯДОК ВЫПОЛНЕНИЯ


  1. ПРОВЕРЬТЕ, НЕ ВЫВОДЯТСЯ ЛИ ДРУГИЕ DTC


    1. Подсоедините портативный диагностический прибор к DLC3.

    2. Включите зажигание и включите портативный диагностический прибор.

    3. Войдите в следующие меню: Powertrain / Engine and ECT / DTC.

    4. Удалите коды DTC.

      Результат
      Индикация (отображаемые коды DTC) Перейти к
      P0400 А
      P0400 и другие DTC B

      Tech Tips

      Если отображаются какие-либо коды, помимо P0400, сначала выполните процедуры поиска неисправностей для этих DTC.


    B
    А
  2. ВЫПОЛНИТЕ АКТИВНУЮ ДИАГНОСТИКУ С ПОМОЩЬЮ ПОРТАТИВНОГО ДИАГНОСТИЧЕСКОГО ПРИБОРА (ИСПЫТАНИЕ "ACTIVATE THE EGR VALVE CLOSE")


    1. Подсоедините портативный диагностический прибор к DLC3.

    2. Убедитесь, что система кондиционирования и все вспомогательное оборудование выключены, запустите двигатель и дайте ему прогреться (температура охлаждающей жидкости двигателя должна быть не менее 70°C (158°F)).

    3. Выключите зажигание. Подождите 30 с, а затем повторно запустите двигатель.

    4. Включите портативный диагностический прибор.

    5. Выберите следующие элементы меню: Powertrain / Engine and ECT / Data List / MAF.

    6. Считайте значение MAF, отображаемое на экране диагностического прибора, в режиме холостого хода двигателя.

    7. Выберите следующие элементы меню: Powertrain / Engine and ECT / Active Test / Activate the EGR Valve Close.

    8. Считайте значение MAF при закрытом клапане РОГ с помощью функции активной диагностики.

      Tech Tips


      • Если холостой ход сохраняется не менее 15 мин, заданная степень открывания клапана РОГ становится равной 0% (клапан РОГ полностью закрывается). Поскольку в этом случае диагностика оказывается невозможной, необходимо привести автомобиль в движение или перезапустить двигатель.

      • Перед выполнением диагностики убедитесь, что заданная степень открывания клапана РОГ не равна 0%.

      Результат
      Active Test Результат Следующий шаг

      Activate the EGR Valve Close:

      из положения OFF (ВЫКЛ) (открыт) в положение ON (ВКЛ) (закрыт)

      Значение MAF не изменяется. А
      Значение MAF изменяется. B

      Note

      Поскольку измеренные величины могут отличаться от указанных ниже, например, из-за разных условий измерения и изменения состояния автомобиля в результате старения, никогда не используйте их для вынесения решения об исправности или неисправности автомобиля.

      Tech Tips

      Неисправность может иметь временный характер и быть обусловлена отложениями или попаданием в систему постороннего материала. Убедитесь в отсутствии отложений и посторонних частиц в клапане E-VRV и датчике массового расхода воздуха.

      Для справки
      Состояние клапана РОГ (степень открывания) Условия проведения измерений MAF (для справки)
      Открыт (55%)
      • Атмосферное давление: 101 кПа

      • Температура воздуха на впуске: 30°C (86°F)

      • Температура охлаждающей жидкости двигателя: 88°C (190°F)

      3,0 - 9,0 г/с
      Закрыт (0%) 13 - 20 г/с

    B
    А
  3. ПРОВЕРЬТЕ ВАКУУМНЫЙ НАСОС В СБОРЕ


    1. Проверьте разрежение, создаваемое вакуумным насосом.

      Номинальное значение / Номинальный режим
      Более 86,7 кПа (650 мм рт.ст., 26 дюймов рт.ст.)

    NG
    OK
  4. ПРОВЕРЬТЕ ВАКУУМНЫЙ ШЛАНГ


    1. Проверьте вакуумные шланги.

      OK
      Шланги не повреждены и подсоединены надежно.

    NG
    OK
  5. ПРОВЕРЬТЕ E-VRV ДЛЯ РОГ


    1. Проверьте клапан E-VRV (см. стр. Click here).


    NG
    OK
  6. ПРОВЕРЬТЕ ЖГУТ ПРОВОДОВ (E-VRV ДЛЯ РОГ - ECM)

    A01E1M3E18

    1. Отсоедините разъем V1 E-VRV.

    2. Отсоедините разъем E7 ECM.

    3. Измерьте сопротивление разъемов со стороны жгута проводов.

      Номинальное сопротивление
      Контакты для подключения диагностического прибора Заданные условия
      E7-9 (EGR) - V1-2 Менее 1 Ом
      E7-9 (EGR) или V1-2 - масса 10 кОм или более

    NG
    OK
  7. ПРОВЕРЬТЕ ЖГУТ ПРОВОДОВ (E-VRV ДЛЯ РОГ - ИНТЕГРИРОВАННОЕ РЕЛЕ (РЕЛЕ MAIN))

    A01E2ZPE10

    1. Извлеките интегрированное реле из распределительного блока моторного отсека.

    2. Отсоедините разъем 1J интегрированного реле.

    3. Отсоедините разъем V1 E-VRV.

    4. Измерьте сопротивление разъемов со стороны жгута проводов.

      Номинальное сопротивление
      Контакты для подключения диагностического прибора Заданные условия
      1J-5 - V1-1 Менее 1 Ом
      1J-5 или V1-1 - масса 10 кОм или более

    NG
    OK
  8. ПРОВЕРЬТЕ КЛАПАН РОГ В СБОРЕ


    1. Проверьте клапан РОГ (см. стр. Click here).

      Tech Tips


      • Если на клапане имеются какие-либо отложения, очистите его.

      • При проверке клапана РОГ убедитесь, что клапан полностью закрыт.


    OK
    NG
  9. ЗАМЕНИТЕ КЛАПАН РОГ В СБОРЕ


    1. Замените клапан РОГ в сборе (см. стр. Click here).


    ДАЛЕЕ
  10. УБЕДИТЕСЬ В ОТСУТСТВИИ ЗАСОРЕНИЯ ГАЗОВОГО КАНАЛА РОГ (ВЫПУСКНОЙ КОЛЛЕКТОР - КЛАПАН РОГ)


    1. Проверьте отсутствие засорения в газовом канале РОГ между выпускным коллектором и клапаном РОГ.

      OK
      Засорение в газовом канале РОГ отсутствует
      Результат
      Результат Перейти к
      NG А
      OK B

    B
    А
  11. ОТРЕМОНТИРУЙТЕ ИЛИ ЗАМЕНИТЕ НЕИСПРАВНЫЕ ДЕТАЛИ, УЗЛЫ И СИСТЕМЫ


    1. Отремонтируйте или замените неисправные детали, узлы и системы.


    ДАЛЕЕ
  12. ПРОВЕРЬТЕ, ВЫВОДИТСЯ ЛИ КОД DTC СНОВА


    1. Подсоедините портативный диагностический прибор к DLC3.

    2. Включите зажигание и портативный диагностический прибор.

    3. Запустите двигатель и дайте ему прогреться, пока охлаждающая жидкость двигателя не достигнет температуры 80°C (176°F).

    4. Переместите рычаг переключения передач в положение 2-й передачи и замедлите движение при скорости не менее 50 км/час (31 миля в час) (полностью отпустите педаль акселератора примерно на 5 с или больший период времени).

    5. Выберите следующие элементы меню: Powertrain / Engine and ECT / DTC.

    6. Считайте коды DTC.

      Результат
      Индикация (отображаемые коды DTC) Следующий шаг
      P0400 А
      Коды не выводятся B

    B
    А
  13. ЗАМЕНИТЕ ECM


    1. Замените ECM (см. стр. Click here).


    ДАЛЕЕ
  14. ПРОВЕРЬТЕ, УСТРАНЕНА ЛИ ДОЛЖНЫМ ОБРАЗОМ НЕИСПРАВНОСТЬ


    1. Подсоедините портативный диагностический прибор к DLC3.

    2. Включите зажигание и портативный диагностический прибор.

    3. Запустите двигатель и дайте ему прогреться, пока охлаждающая жидкость двигателя не достигнет температуры 80°C (176°F).

    4. Переместите рычаг переключения передач в положение 2-й передачи и замедлите движение при скорости не менее 50 км/час (31 миля в час) (полностью отпустите педаль акселератора примерно на 5 с или больший период времени).

    5. Выберите следующие элементы меню: Powertrain / Engine and ECT / DTC.

    6. Убедитесь, что DTC не выводится снова.

      Tech Tips

      Если DTC выводится повторно, возможно, неисправен датчик массового расхода воздуха.


    ДАЛЕЕ