AIRBAG SYSTEM


  1. FUNCTION OF MAIN COMPONENTS


    1. The main components have the following functions:

      Component Function
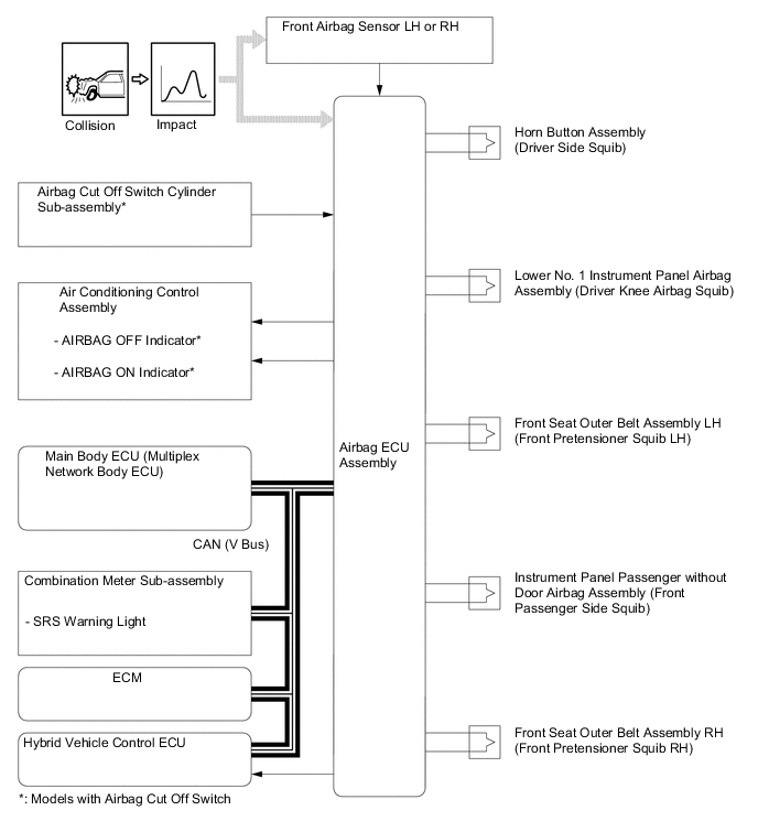
      Airbag ECU Assembly
      • In the event of a collision, the airbag ECU assembly receives signals from either of the front airbag sensors. The airbag ECU assembly receives the signal via its judgment circuit and also receives another signal from the safing sensor built into the airbag ECU assembly. After receiving a signal from at least one of the front airbag sensors and the safing sensor, the airbag ECU assembly determines whether the horn button assembly (driver airbag), instrument panel passenger without door airbag assembly (front passenger airbag), lower No. 1 instrument panel airbag assembly (driver knee airbag), and front seat belt pretensioners should be deployed. The airbag ECU assembly also diagnoses system malfunctions.

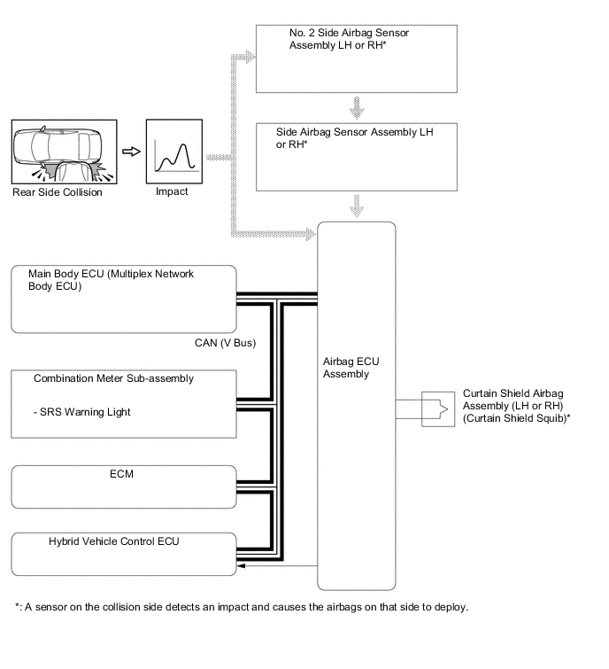
      • In the event of a collision, the airbag ECU assembly receives signals from the side airbag sensor assemblies or No. 2 side airbag sensor assemblies. The airbag ECU assembly receives the signal via its judgment circuit and also receives another signal from the safing sensor built into the airbag ECU assembly. After receiving a signal from at least one of the side airbag sensors and the safing sensor, the airbag ECU assembly determines whether the front seat airbag assemblies, curtain shield airbag assemblies and front seat belt pretensioner should be deployed. The airbag ECU assembly also diagnoses system malfunctions.

      Horn Button Assembly Driver Side Squib The airbags are used as supplements to the seat belts to help reduce impact to the occupants.
      Instrument Panel Passenger Airbag Assembly Front Passenger Side Squib
      Lower No. 1 Instrument Panel Airbag Assembly Driver Knee Airbag Squib
      Front Seat Airbag Assembly LH/RH Front Side Airbag Squib LH/RH
      Curtain Shield Airbag Assembly LH/RH Curtain Shield Squib LH/RH
      Front Airbag Sensor LH/RH Based on the deceleration of the vehicle during a frontal collision, a distortion is created in the sensor and converted into an electrical signal.
      Side Airbag Sensor Assembly LH/RH Based on the deceleration of the vehicle during a side or side rear collision, a distortion is created in the sensor and converted into an electrical signal.
      No. 2 Side Airbag Sensor assembly LH/RH
      Front Seat Outer Belt Assembly LH/RH Front Pretensioner Squib LH/RH The front seat outer belt assemblies are used to help reduce impact to the occupants.
      Airbag Cut OFF Switch Cylinder Sub-assembly* The airbag cut OFF switch cylinder sub-assembly suspends the front passenger airbag assembly operation.
      Hybrid Vehicle Control ECU
      • The hybrid vehicle control ECU receives an airbag deployment signal from the airbag sensor during a frontal collision or side collision.

      • The hybrid vehicle control ECU will shut down the hybrid system power supply by turning the System Main Relays (SMRs) off, in order to ensure safety.

      ECM The fuel pump is stopped when an SRS airbag is deployed in a frontal, side, or rear side collision.
      Combination Meter Sub-assembly SRS Warning Light The SRS warning light turns on to alert the driver when the airbag ECU assembly detects a malfunction in the airbag system.

      *: Models with airbag cut off switch

  2. OPERATING CONDITION


    1. Ignition Condition


      1. Deceleration sensors used for the airbag system are installed on various parts on the vehicle and calculate the deceleration (or acceleration) rate of each part during a collision.

      2. Depending on the situation, the airbag ECU assembly sends a deployment signal to each airbag based on the information from each sensor.

      3. Frontal collision signals are produced based on the information from the airbag ECU assembly and front airbag sensors. Frontal collision signals are used to deploy the airbags except the front seat airbag assemblies and curtain shield airbag assemblies.

        A0050Q8E03
      4. The front seat airbag assemblies are deployed and the front seat belt pretensioner in the front seat outer belt assembly LH or RH is activated based on signals from the side airbag sensor assemblies and airbag ECU assembly.

        A0050QHE02
      5. The curtain shield airbag assemblies are deployed based on signals from the No. 2 side airbag sensor assemblies or the side airbag sensor assemblies, and the airbag ECU assembly.

        A00513AE02
  3. SYSTEM CONTROL


    1. Airbag for Frontal Collision


      1. There are 3 airbags which deploy in the event of a frontal collision: the horn button assembly, instrument panel passenger without door airbag assembly and lower No. 1 instrument panel airbag assembly. In addition, the front seat belt pretensioners contained in the front seat outer belt assemblies LH and RH are also activated.

        A0050TAE05
    2. Airbag for Side/Rear Side Collision


      1. There are 2 airbags which deploy in the event of a severe side collision: the front seat airbag assembly and curtain shield airbag assembly. These airbags deploy simultaneously. Additionally, at the same time, the front seat outer belt assembly is also activated.

      2. For a side collision, if the side airbag sensor assembly detects an impact, it informs the airbag ECU assembly, and the airbag ECU assembly causes the front seat airbag assembly and curtain shield airbag assembly to deploy simultaneously with the pretensioner (front seat outer belt assembly LH or RH).

        A0051DDE05
      3. For a rear side collision, if the No. 2 side airbag sensor assembly detects an impact, it informs the airbag ECU assembly via the side airbag sensor assembly, and the airbag ECU assembly causes the curtain shield airbag assembly to be deploy.

        A0051D4E05
    3. Airbag Cut Off Switch Cylinder Sub-assembly


      1. The airbag cut off switch cylinder sub-assembly can be used if the deployment of the instrument panel passenger without door airbag assembly is undesirable.

      2. The airbag cut off switch cylinder sub-assembly can be operated by the mechanical key, which is supplied with the key. Once the airbag cut off switch cylinder sub-assembly is turned to OFF, the instrument panel passenger without door airbag assembly will be disabled, regardless of any collision that occurs.

      3. If the instrument panel passenger without door airbag assembly has been disabled, the AIRBAG OFF indicator light in the air conditioning control assembly illuminates to inform the occupant.

        A0050XL
      4. The table below shows whether the airbags for the front passenger are enabled or disabled, and the AIRBAG OFF indicator on or off condition according to the airbag cut off switch cylinder status.

        Item Airbag Cut Off Switch Cylinder Status
        ON OFF Failure
        Front Passenger Instrument Panel Passenger without Door Airbag Assembly X X
        Seat Belt Pretensioner
        AIRBAG ON Indicator Light X X
        AIRBAG OFF Indicator Light X

        Tech Tips

        ○: Indicates airbag enabled (for airbag or pretensioners), or indicates light is on (for indicator light)

        X: Indicates airbag disabled (for airbag or pretensioners), or indicates light is off (for indicator light)

    4. Primary Check Illumination Control


      1. After the power switch is turned on (IG), the airbag ECU assembly illuminates the SRS warning light in the combination meter sub-assembly for approximately 6 seconds and conducts the primary check. During the primary check, the ignition of airbags is prohibited and a diagnosis of the airbag ECU assembly is performed. If trouble is detected during the primary check, the SRS warning light remains on even after the 6 seconds have elapsed.

      2. After the power switch is turned on (IG), the airbag ECU assembly operates the passenger airbag ON/OFF indicator lights as shown below to check for an open in the indicator light circuits.

        A0050ORE59
  4. CONSTRUCTION


    1. Airbag ECU Assembly


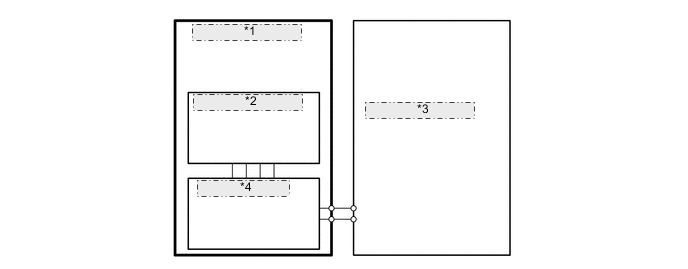
      1. The airbag ECU assembly consists of judgment circuits, a safing sensor, ignition control circuit, backup power source, diagnostic circuit and memory circuit.

        Item Outline
        Judgment Circuit Judgment circuits are built into the airbag ECU assembly to judge the severity of a collision using the acceleration/deceleration signals from the front airbag sensors, side airbag sensor assemblies and No. 2 side airbag sensor assemblies.
        Deceleration Sensor A deceleration sensor is built into the airbag ECU assembly. This sensor distorts in the event of a collision. The amount of distortion is based on the deceleration rate of the vehicle during a frontal collision and is converted into an electric signal.
        Ignition Control Circuit The ignition control circuit performs calculations based on the signal output from the judgment circuit of the airbag ECU assembly, front airbag sensors, side airbag sensor assemblies and No. 2 side airbag sensor assemblies. If the calculated values are greater than the specified values, the airbags are deployed.
        Safing Sensor During a frontal, side or rear side collision, this sensor turns on and outputs an on signal to the airbag ECU assembly if the deceleration rate of the safing sensor is greater than a specified value.
        Backup Power Circuit The backup power circuit consists of a power supply capacitor and a DC-DC converter. When the power supply to the airbag ECU assembly is disrupted during a collision, the power supply capacitor discharges and supplies electric power to the system. The DC-DC converter operates as a boosting transformer when the battery voltage falls below a predetermined level.
        Diagnostic Circuit The diagnostic circuit constantly monitors for system malfunctions. When a malfunction is detected, it turns on the SRS warning light in the combination meter sub-assembly to inform the driver.
        Memory Circuit When a malfunction is detected by the diagnostic circuit, a DTC is stored in memory.
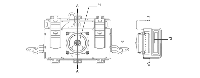
    2. Horn Button Assembly


      1. The horn button assembly contains an initiator and propellant.

        A0051D0E02
        Text in Illustration
        *1 Bag *2 Inflator
        *3 Initiator Connector - -
        *a A-A Cross Section *b Reverse Side
    3. Instrument Panel Passenger without Door Airbag Assembly


      1. The instrument panel passenger without door airbag assembly contains an initiator and propellant.

        A00514RE02
        Text in Illustration
        *1 Initiator Connector *2 Inflator
        *3 Bag - -
        *a A-A Cross Section - -
    4. Lower No. 1 Instrument Panel Airbag Assembly


      1. The knee airbag assembly consists of an airbag door, inflator and a bag.

        A00515AE02
        Text in Illustration
        *1 Inflator *2 Bag
        *a A-A Cross Section - -
    5. Front Seat Airbag Assembly


      1. Each front seat airbag assembly is a one-piece design, consisting of an inflator and a bag.

        A0050OFE02
        Text in Illustration
        *1 Front Seat Airbag Assembly *2 Inflator
        *3 Bag - -
        *a A-A Cross Section *b B-B Cross Section
    6. Curtain Shield Airbag Assembly


      1. Each curtain shield airbag assembly is a one-piece design, consisting of an inflator and a bag.

        A0050SNE02
        Text in Illustration
        *1 Curtain Shield Airbag Assembly *2 Inflator
        *3 Bag - -
        *a A-A Cross Section - -
    7. Front Airbag Sensor


      1. The front airbag sensors are electrical type deceleration sensors. As a result of the deceleration of the vehicle during a frontal collision, distortion is created in the internal element in the sensor and is converted into an electrical signal. Accordingly, the extent of the initial collision can be detected in detail.

        A00518QE31
        *1 Front Airbag Sensor
        *2 Deceleration Sensor
        *3 Airbag ECU Assembly
        *4 Communication IC
    8. Side Airbag Sensor Assembly and No. 2 Side Airbag Sensor assembly


      1. A deceleration sensor is enclosed in the side airbag sensor assembly and No. 2 side airbag sensor assembly. As a result of the deceleration of the vehicle during a side or rear side collision, distortion is created in the internal element in the sensor and is converted into an electrical signal.

        A00514CE31
  5. DIAGNOSIS


    1. If the airbag ECU assembly detects a malfunction in the SRS airbag system, the airbag ECU assembly stores the malfunction data in memory, in addition to illuminating the SRS warning light.

    2. The airbag ECU assembly outputs the malfunction data and 5-digit Diagnostic Trouble Codes (DTCs) to the Global TechStream (GTS).

    3. The 5-digit DTCs can be read after connecting the Global TechStream (GTS) to the DLC3. For details, refer to the Repair Manual.

    4. If the SRS airbag deploys, the airbag ECU assembly will turn on the SRS warning light. However, different from the ordinary diagnosis function, a DTC will not be stored. The SRS warning light cannot be turned off. It is necessary to replace the airbag ECU assembly with a new one.