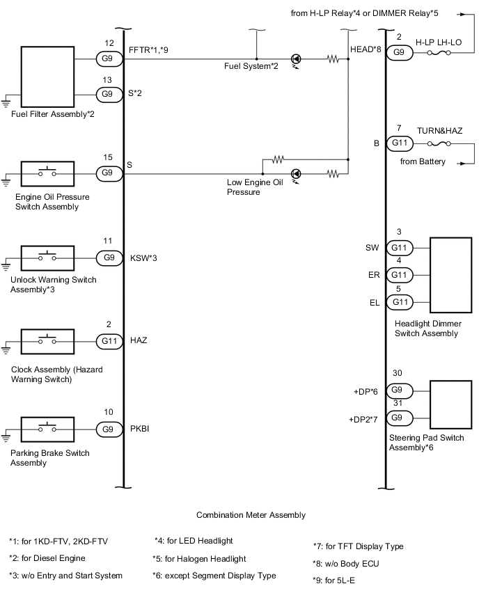
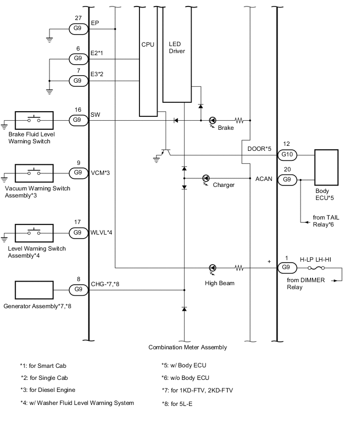
METER / GAUGE SYSTEM SYSTEM DIAGRAM


  1. CAN SIGNAL

    for LHD: Click here

    for RHD: Click here

  2. DIRECT LINE SIGNAL

    B0024XRE01
    B00258VE01
    B0025SOE02
    B0027Q6E03
    B0025CME01
    B00275BE01