RELAY ON-VEHICLE INSPECTION

PROCEDURE

  1. INSPECT HEADLIGHT RELAY

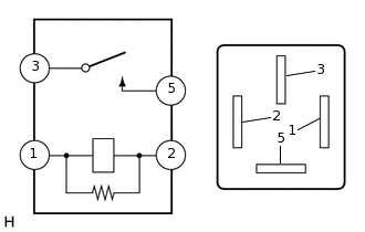
    1. E256069N01

      Check the resistance.

      1. Measure the resistance according to the value(s) in the table below.

        Standard Resistance

        Tester Connection

        Condition

        Specified Condition

        3 - 5

        Battery voltage not applied to terminals 1 and 2

        10 kΩ or higher

        Battery voltage applied to terminals 1 and 2

        Below 1 Ω

        If the result is not as specified, replace the headlight relay.

  2. INSPECT HEADLIGHT DIMMER RELAY

    1. E256069N01

      Check the resistance.

      1. Measure the resistance according to the value(s) in the table below.

        Standard Resistance

        Tester Connection

        Condition

        Specified Condition

        3 - 5

        Battery voltage not applied to terminals 1 and 2

        10 kΩ or higher

        Battery voltage applied to terminals 1 and 2

        Below 1 Ω

  3. INSPECT FOG LIGHT RELAY

    1. E256070N01

      Check the resistance.

      1. Measure the resistance according to the value(s) in the table below.

        Standard Resistance

        Tester Connection

        Condition

        Specified Condition

        3 - 5

        Battery voltage not applied to terminals 1 and 2

        10 kΩ or higher

        Battery voltage applied to terminals 1 and 2

        Below 1 Ω

        If the result is not as specified, replace the fog light relay.

  4. INSPECT RUNNING LIGHT RELAY

    1. E256070N01

      Check the resistance.

      1. Measure the resistance according to the value(s) in the table below.

        Standard Resistance

        Tester Connection

        Condition

        Specified Condition

        3 - 5

        Battery voltage not applied to terminals 1 and 2

        10 kΩ or higher

        Battery voltage applied to terminals 1 and 2

        Below 1 Ω

        If the result is not as specified, replace the running light relay.

  5. INSPECT REAR FOG LIGHT RELAY

    1. E256070N01

      Check the resistance.

      1. Measure the resistance according to the value(s) in the table below.

        Standard Resistance

        Tester Connection

        Condition

        Specified Condition

        3 - 5

        Battery voltage not applied to terminals 1 and 2

        10 kΩ or higher

        Battery voltage applied to terminals 1 and 2

        Below 1 Ω

        If the result is not as specified, replace the rear fog light relay.