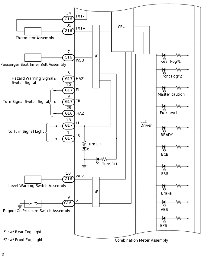
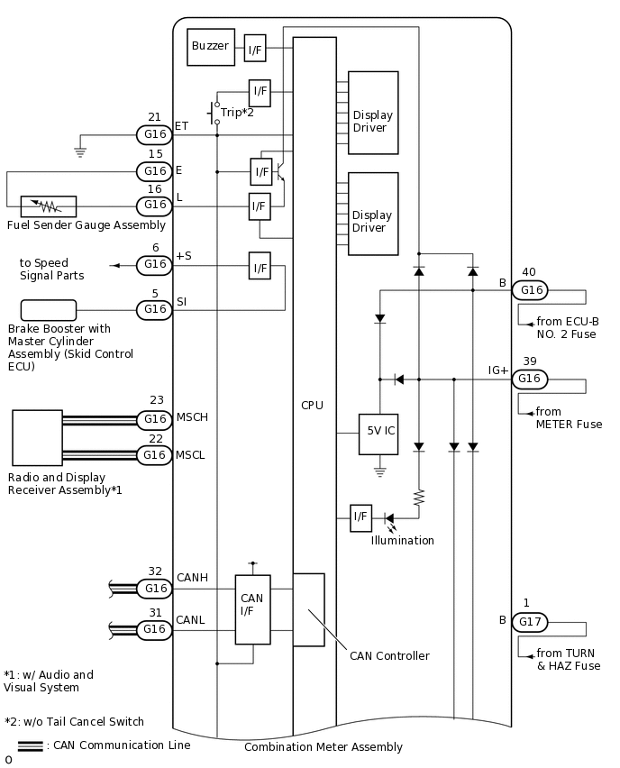
METER / GAUGE SYSTEM SYSTEM DIAGRAM
CAN SIGNAL
for LHD:Click hereClick hereClick here
for RHD:Click hereClick hereClick here
DIRECT LINE SIGNAL
CAN SIGNAL
for LHD:Click hereClick hereClick here
for RHD:Click hereClick hereClick here
DIRECT LINE SIGNAL