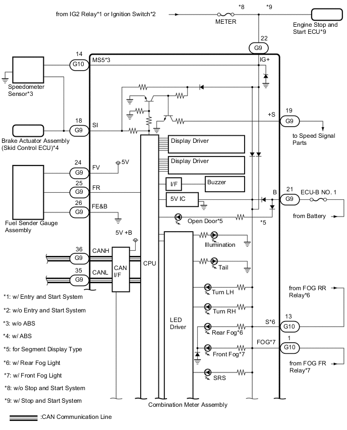
METER / GAUGE SYSTEM SYSTEM DIAGRAM


  1. CAN SIGNAL

    for LHD without Central Gateway ECU: Click here

    for RHD without Central Gateway ECU: Click here

    for LHD with Central Gateway ECU: Click here

    for RHD with Central Gateway ECU: Click here

  2. DIRECT LINE SIGNAL

    B0027N1E01
    B00258VE01
    B0025SOE02
    B0027Q6E03
    B002501E01
    B00275BE01