LIGHTING SYSTEM(w/o Automatic Headlight Beam Level Control System), Diagnostic DTC:B2430, B2431

DTC Code DTC Name
B2430 LED Headlight LH
B2431 LED Headlight RH

DESCRIPTION

These DTCs are stored when the low beam headlights do not illuminate, or a communication malfunction is detected between the light control ECU and main body ECU (multiplex network body ECU).

Tech Tips

DTC B2430 or DTC B2431 may also be stored if a headlight cooling fan is malfunctioning. In this case, the light control ECU will dim or turn off the malfunctioning low beam headlight.

DTC No. Detection Item DTC Detection Condition Trouble Area DTC Output from
B2430 LED Headlight LH

    Detection condition:

  • All of the following conditions are met:


    • Engine running

    • Low beam headlights on


    Malfunction Status:

  • Any of the following conditions is met:


    • Light control ECU malfunction

    • Headlight LED unit assembly LH malfunction

    • Light control ECU power source and signal malfunction


    Malfunction Time:

  • 10 seconds or more


  • Headlight LED unit assembly LH

  • Headlight unit assembly LH

  • Light control ECU

  • H-LP LH relay

  • Instrument panel junction block assembly

  • Main body ECU (multiplex network body ECU)

  • Harness or connector

Main body ECU (multiplex network body ECU)
B2431 LED Headlight RH

    Detection condition:

  • All of the following conditions are met:


    • Engine running

    • Low beam headlights on


    Malfunction Status:

  • Any of the following conditions is met:


    • Light control ECU malfunction

    • Headlight LED unit assembly RH malfunction

    • Light control ECU power source and signal malfunction


    Malfunction Time:

  • 10 seconds or more


  • Headlight LED unit assembly RH

  • Headlight unit assembly RH

  • Light control ECU

  • H-LP RH relay

  • Main body ECU (multiplex network body ECU)

  • Harness or connector

Main body ECU (multiplex network body ECU)

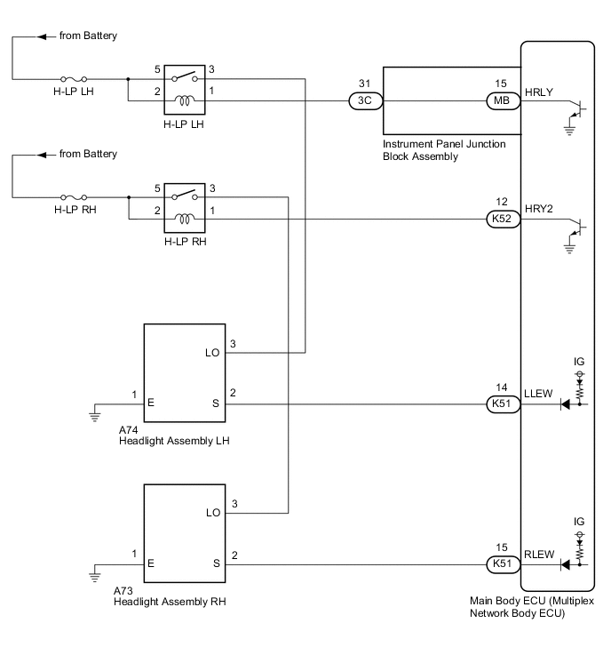
WIRING DIAGRAM

B0085YGE07

  1. HEADLIGHT ASSEMBLY CIRCUIT

    B00849DE01

CAUTION / NOTICE / HINT

Note


  • Inspect the fuses for circuits related to this system before performing the following procedure.

  • Before replacing the main body ECU (multiplex network body ECU), refer to Service Bulletin.*


    • *: w/ Smart Entry and Start System

PROCEDURE


  1. CLEAR DTC


    1. Connect the GTS to the DLC3.

    2. Turn the ignition switch to ON.

    3. Turn the GTS on.

    4. Enter the following menus: Body Electrical / Main Body / Trouble Codes.

    5. Clear the DTCs.


      Body Electrical > Main Body > Clear DTCs
      Result
      Proceed to
      NEXT

    NEXT
  2. CHECK FOR DTC


    1. Connect the GTS to the DLC3.

    2. Start the engine.

    3. Operate the light control switch to turn on the low beam headlights and wait 10 seconds or more.

    4. Turn the GTS on.

    5. Enter the following menus: Body Electrical / Main Body / Trouble Codes.

    6. Check for DTCs.


      Body Electrical > Main Body > Trouble Codes
      OK
      DTC B2430 and B2431 are not output.
      Result
      Result Proceed to
      OK A
      NG (DTC B2430 is output) B
      NG (DTC B2431 is output) C

    A
    C
    B
  3. INSPECT HEADLIGHT ASSEMBLY LH (LO TERMINAL VOLTAGE)

    B0083ICC05
    *a

    Front view of wire harness connector

    (to Headlight Assembly LH)


    1. Disconnect the A74 headlight assembly LH connector.

    2. Measure the voltage according to the value(s) in the table below.

      Standard Voltage
      Tester Connection Condition Specified Condition
      A74-3 (LO) - Body ground Light control switch in head position 11 to 14 V
      Result
      Proceed to
      OK
      NG

    NG
    OK
  4. CHECK HARNESS AND CONNECTOR (HEADLIGHT ASSEMBLY LH - BODY GROUND)


    1. Measure the resistance according to the value(s) in the table below.

      Standard Resistance
      Tester Connection Condition Specified Condition
      A74-1 (E) - Body ground Always Below 1 Ω
      Result
      Proceed to
      OK
      NG

    NG
    OK
  5. INSPECT HEADLIGHT ASSEMBLY LH (S TERMINAL VOLTAGE)

    B0083ICC06
    *a

    Front view of wire harness connector

    (to Headlight Assembly LH)


    1. Measure the voltage according to the value(s) in the table below.

      Standard Voltage
      Tester Connection Condition Specified Condition
      A74-2 (S) - Body ground Ignition switch ON 11 to 14 V
      Result
      Proceed to
      OK
      NG

    NG
    OK
  6. INSPECT HEADLIGHT UNIT ASSEMBLY LH

    B0085H5C01
    *a

    Component without harness connected

    (to Wire Harness)

    *b

    Component without harness connected

    (to Light Control ECU)

    *c

    Component without harness connected

    (to Headlight LED Unit Assembly LH)

    - -

    1. Remove the headlight assembly LH.

      Click here

    2. Remove the headlight unit assembly LH.

      Click here

    3. Measure the resistance according to the value(s) in the table below.

      Standard Resistance
      Tester Connection Condition Specified Condition
      A74-1 (E) - B-6 Always Below 1 Ω
      A74-2 (S) - B-12 Always Below 1 Ω
      A74-3 (LO) - B-7 Always Below 1 Ω
      B-4 - D-1 Always Below 1 Ω
      B-10 - D-2 Always Below 1 Ω
      Result
      Proceed to
      OK
      NG

    NG
    OK
  7. CHECK LIGHT CONTROL ECU


    1. Remove each light control ECU, interchange the light control ECU (for LH) with (for RH) and connect the connectors.

      Click here

      Result
      Proceed to
      NEXT

    NEXT
  8. CLEAR DTC


    1. Connect the GTS to the DLC3.

    2. Turn the ignition switch to ON.

    3. Turn the GTS on.

    4. Enter the following menus: Body Electrical / Main Body / Trouble Codes.

    5. Clear the DTCs.


      Body Electrical > Main Body > Clear DTCs
      Result
      Proceed to
      NEXT

    NEXT
  9. CHECK FOR DTC


    1. Connect the GTS to the DLC3.

    2. Start the engine.

    3. Operate the light control switch to turn on the low beam headlights and wait 10 seconds or more.

    4. Turn the GTS on.

    5. Enter the following menus: Body Electrical / Main Body / Trouble Codes.

    6. Check for DTCs.


      Body Electrical > Main Body > Trouble Codes
      Result
      Result Proceed to
      DTC B2430 is output A
      DTC B2431 is output B

    A
    B
  10. CHECK HARNESS AND CONNECTOR (HEADLIGHT ASSEMBLY LH - MAIN BODY ECU (MULTIPLEX NETWORK BODY ECU))


    1. Disconnect the K51 main body ECU (multiplex network body ECU) connector.

    2. Measure the resistance according to the value(s) in the table below.

      Standard Resistance
      Tester Connection Condition Specified Condition
      A74-2 (S) - K51-14 (LLEW) Always Below 1 Ω
      A74-2 (S) or K51-14 (LLEW) - Body ground Always 10 kΩ or higher
      Result
      Proceed to
      OK
      NG

    OK
    NG
  11. CHECK HARNESS AND CONNECTOR (H-LP LH RELAY - HEADLIGHT ASSEMBLY LH)


    1. Remove the H-LP LH relay.

    2. Measure the resistance according to the value(s) in the table below.

      Standard Resistance
      Tester Connection Condition Specified Condition
      3 (H-LP LH relay) - A74-3 (LO) Always Below 1 Ω
      3 (H-LP LH relay) or A74-3 (LO) - Body ground Always 10 kΩ or higher
      Result
      Proceed to
      OK
      NG

    NG
    OK
  12. INSPECT H-LP LH RELAY


    1. Inspect the H-LP LH relay.

      Click here

      Result
      Proceed to
      OK
      NG

    NG
    OK
  13. CHECK HARNESS AND CONNECTOR (POWER SOURCE - H-LP LH RELAY)


    1. Measure the voltage according to the value(s) in the table below.

      Standard Voltage
      Tester Connection Condition Specified Condition
      2 (H-LP LH relay) - Body ground Always 11 to 14 V
      5 (H-LP LH relay) - Body ground Always 11 to 14 V
      Result
      Proceed to
      OK
      NG

    NG
    OK
  14. CHECK HARNESS AND CONNECTOR (H-LP LH RELAY - INSTRUMENT PANEL JUNCTION BLOCK ASSEMBLY)


    1. Disconnect the 3C instrument panel junction block assembly connector.

    2. Measure the resistance according to the value(s) in the table below.

      Standard Resistance
      Tester Connection Condition Specified Condition
      1 (H-LP LH relay) - 3C-31 Always Below 1 Ω
      1 (H-LP LH relay) or 3C-31 - Body ground Always 10 kΩ or higher
      Result
      Proceed to
      OK
      NG

    NG
    OK
  15. INSPECT INSTRUMENT PANEL JUNCTION BLOCK ASSEMBLY

    B0089DEC01
    *a

    Component without harness connected

    (Instrument Panel Junction Block Assembly)

    - -

    1. Remove the instrument panel junction block assembly.

      Click here

    2. Remove the main body ECU (multiplex network body ECU) from the instrument panel junction block assembly.

    3. Measure the resistance according to the value(s) in the table below.

      Standard Resistance
      Tester Connection Condition Specified Condition
      3C-31 - MB-15 (HRLY) Always Below 1 Ω
      Result
      Proceed to
      OK
      NG

    OK
    NG
  16. INSPECT HEADLIGHT ASSEMBLY RH (LO TERMINAL VOLTAGE)

    B0083ICC07
    *a

    Front view of wire harness connector

    (to Headlight Assembly RH)


    1. Disconnect the A73 headlight assembly RH connector.

    2. Measure the voltage according to the value(s) in the table below.

      Standard Voltage
      Tester Connection Condition Specified Condition
      A73-3 (LO) - Body ground Light control switch in head position 11 to 14 V
      Result
      Proceed to
      OK
      NG

    NG
    OK
  17. CHECK HARNESS AND CONNECTOR (HEADLIGHT ASSEMBLY RH - BODY GROUND)


    1. Measure the resistance according to the value(s) in the table below.

      Standard Resistance
      Tester Connection Condition Specified Condition
      A73-1 (E) - Body ground Always Below 1 Ω
      Result
      Proceed to
      OK
      NG

    NG
    OK
  18. INSPECT HEADLIGHT ASSEMBLY RH (S TERMINAL VOLTAGE)

    B0083ICC08
    *a

    Front view of wire harness connector

    (to Headlight Assembly RH)


    1. Measure the voltage according to the value(s) in the table below.

      Standard Voltage
      Tester Connection Condition Specified Condition
      A73-2 (S) - Body ground Ignition switch ON 11 to 14 V
      Result
      Proceed to
      OK
      NG

    NG
    OK
  19. INSPECT HEADLIGHT UNIT ASSEMBLY RH

    B0085H5C02
    *a

    Component without harness connected

    (to Wire Harness)

    *b

    Component without harness connected

    (to Light Control ECU)

    *c

    Component without harness connected

    (to Headlight LED Unit Assembly RH)

    - -

    1. Remove the headlight assembly RH.

      Click here

    2. Remove the headlight unit assembly RH.

      Click here

    3. Measure the resistance according to the value(s) in the table below.

      Standard Resistance
      Tester Connection Condition Specified Condition
      A73-1 (E) - B-6 Always Below 1 Ω
      A73-2 (S) - B-12 Always Below 1 Ω
      A73-3 (LO) - B-7 Always Below 1 Ω
      B-4 - D-1 Always Below 1 Ω
      B-10 - D-2 Always Below 1 Ω
      Result
      Proceed to
      OK
      NG

    NG
    OK
  20. CHECK LIGHT CONTROL ECU


    1. Remove each light control ECU, interchange the light control ECU (for RH) with (for LH) and connect the connectors.

      Click here

      Result
      Proceed to
      NEXT

    NEXT
  21. CLEAR DTC


    1. Connect the GTS to the DLC3.

    2. Turn the ignition switch to ON.

    3. Turn the GTS on.

    4. Enter the following menus: Body Electrical / Main Body / Trouble Codes.

    5. Clear the DTCs.


      Body Electrical > Main Body > Clear DTCs
      Result
      Proceed to
      NEXT

    NEXT
  22. CHECK FOR DTC


    1. Connect the GTS to the DLC3.

    2. Start the engine.

    3. Operate the light control switch to turn on the low beam headlights and wait 10 seconds or more.

    4. Turn the GTS on.

    5. Enter the following menus: Body Electrical / Main Body / Trouble Codes.

    6. Check for DTCs.


      Body Electrical > Main Body > Trouble Codes
      Result
      Result Proceed to
      DTC B2431 is output A
      DTC B2430 is output B

    A
    B
  23. CHECK HARNESS AND CONNECTOR (HEADLIGHT ASSEMBLY RH - MAIN BODY ECU (MULTIPLEX NETWORK BODY ECU))


    1. Disconnect the K51 main body ECU (multiplex network body ECU) connector.

    2. Measure the resistance according to the value(s) in the table below.

      Standard Resistance
      Tester Connection Condition Specified Condition
      A73-2 (S) - K51-15 (RLEW) Always Below 1 Ω
      A73-2 (S) or K51-15 (RLEW) - Body ground Always 10 kΩ or higher
      Result
      Proceed to
      OK
      NG

    OK
    NG
  24. CHECK HARNESS AND CONNECTOR (H-LP RH RELAY - HEADLIGHT ASSEMBLY RH)


    1. Remove the H-LP RH relay.

    2. Measure the resistance according to the value(s) in the table below.

      Standard Resistance
      Tester Connection Condition Specified Condition
      3 (H-LP RH relay) - A73-3 (LO) Always Below 1 Ω
      3 (H-LP RH relay) or A73-3 (LO) - Body ground Always 10 kΩ or higher
      Result
      Proceed to
      OK
      NG

    NG
    OK
  25. INSPECT H-LP RH RELAY


    1. Inspect the H-LP RH relay.

      Click here

      Result
      Proceed to
      OK
      NG

    NG
    OK
  26. CHECK HARNESS AND CONNECTOR (POWER SOURCE - H-LP RH RELAY)


    1. Measure the voltage according to the value(s) in the table below.

      Standard Voltage
      Tester Connection Condition Specified Condition
      2 (H-LP RH relay) - Body ground Always 11 to 14 V
      5 (H-LP RH relay) - Body ground Always 11 to 14 V
      Result
      Proceed to
      OK
      NG

    NG
    OK
  27. CHECK HARNESS AND CONNECTOR (H-LP RH RELAY - MAIN BODY ECU (MULTIPLEX NETWORK BODY ECU))


    1. Disconnect the K52 main body ECU (multiplex network body ECU) connector.

    2. Measure the resistance according to the value(s) in the table below.

      Standard Resistance
      Tester Connection Condition Specified Condition
      1 (H-LP RH relay) - K52-12 (HRY2) Always Below 1 Ω
      1 (H-LP RH relay) or K52-12 (HRY2) - Body ground Always 10 kΩ or higher
      Result
      Proceed to
      OK
      NG

    OK
    NG