AUDIO AND VISUAL SYSTEM Speaker Circuit

DESCRIPTION



WIRING DIAGRAM


  1. for 6 Speakers

    A005ELGE15
  2. for 8 Speakers

    A005AD7E03
    A005CW1E03

PROCEDURE


  1. CONFIRM MODEL

    Result
    Result Proceed to
    for 6 Speakers A
    for 8 Speakers B

    B
    A
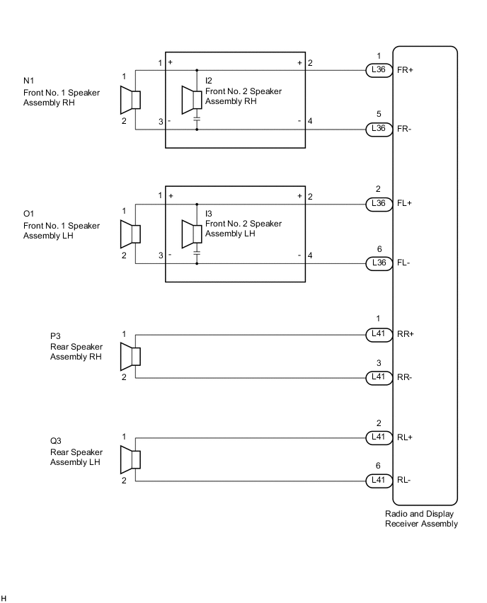
  2. CHECK HARNESS AND CONNECTOR


    1. Disconnect the L36 and L41 radio and display receiver assembly connectors.

    2. Disconnect the N1 and O1 front No. 1 speaker assembly connectors.

    3. Disconnect the I2 and I3 front No. 2 speaker assembly connectors.

    4. Disconnect the P3 and Q3 rear speaker assembly connectors.

    5. Measure the resistance between each of the front No. 2 speaker assemblies and the radio and display receiver assembly to check for an open circuit in the wire harness.

      Standard Resistance
      Tester Connection Condition Specified Condition
      L36-1 (FR+) - I2-2 (+) Always Below 1 Ω
      L36-5 (FR-) - I2-4 (-) Always Below 1 Ω
      L36-2 (FL+) - I3-2 (+) Always Below 1 Ω
      L36-6 (FL-) - I3-4 (-) Always Below 1 Ω
    6. Measure the resistance between each of the front No. 1 speaker assemblies and the front No. 2 speaker assemblies to check for an open circuit in the wire harness.

      Standard Resistance
      Tester Connection Condition Specified Condition
      I2-1 (+) - N1-1 Always Below 1 Ω
      I2-3 (-) - N1-2 Always Below 1 Ω
      I3-1 (+) - O1-1 Always Below 1 Ω
      I3-3 (-) - O1-2 Always Below 1 Ω
    7. Measure the resistance between each of the rear speaker assemblies and the radio and display receiver assembly to check for an open circuit in the wire harness.

      Standard Resistance
      Tester Connection Condition Specified Condition
      L41-1 (RR+) - P3-1 Always Below 1 Ω
      L41-3 (RR-) - P3-2 Always Below 1 Ω
      L41-2 (RL+) - Q3-1 Always Below 1 Ω
      L41-6 (RL-) - Q3-2 Always Below 1 Ω
    8. Measure the resistance between the radio and display receiver assembly and body ground to check for a short circuit in the wire harness.

      Standard Resistance
      Tester Connection Condition Specified Condition
      L36-1 (FR+) - Body ground Always 10 kΩ or higher
      L36-5 (FR-) - Body ground Always 10 kΩ or higher
      L36-2 (FL+) - Body ground Always 10 kΩ or higher
      L36-6 (FL-) - Body ground Always 10 kΩ or higher
      L41-1 (RR+) - Body ground Always 10 kΩ or higher
      L41-3 (RR-) - Body ground Always 10 kΩ or higher
      L41-2 (RL+) - Body ground Always 10 kΩ or higher
      L41-6 (RL-) - Body ground Always 10 kΩ or higher
    9. Measure the resistance between each of the front No. 2 speaker assemblies and body ground to check for a short circuit in the wire harness.

      Standard Resistance
      Tester Connection Condition Specified Condition
      I2-1 (+) - Body ground Always 10 kΩ or higher
      I2-3 (-) - Body ground Always 10 kΩ or higher
      I3-1 (+) - Body ground Always 10 kΩ or higher
      I3-3 (-) - Body ground Always 10 kΩ or higher

    NG
    OK
  3. INSPECT FRONT NO. 1 SPEAKER ASSEMBLY


    1. Resistance check


      1. A005AMTE02
        Text in Illustration
        *A for RH
        *B for LH
        *a

        Component without harness connected

        (Front No. 1 Speaker Assembly)

        Measure the resistance according to the value(s) in the table below.

        Standard Resistance
        Tester Connection Condition Specified Condition
        N1-1 - N1-2 Always 3.2 to 4.8 Ω
        O1-1 - O1-2 Always 3.2 to 4.8 Ω

    NG
    OK
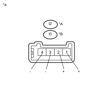
  4. INSPECT FRONT NO. 2 SPEAKER ASSEMBLY


    1. Resistance check


      1. A005A1WE01
        Text in Illustration
        *A for RH
        *B for LH
        *a

        Component without harness connected

        (Front No. 2 Speaker Assembly)

        Measure the resistance according to the value(s) in the table below.

        Standard Resistance
        Tester Connection Condition Specified Condition
        I2-2 (+) - I2-4 (-) Always 10 kΩ or higher
        I2-1 (+) - I2-2 (+) Always Below 1 Ω
        I2-3 (-) - I2-4 (-) Always Below 1 Ω
        I3-2 (+) - I3-4 (-) Always 10 kΩ or higher
        I3-1 (+) - I3-2 (+) Always Below 1 Ω
        I3-3 (-) - I3-4 (-) Always Below 1 Ω

    NG
    OK
  5. REPLACE FRONT NO. 2 SPEAKER ASSEMBLY


    1. Check that the malfunction disappears when a known good speaker is installed Click here.

      OK
      Malfunction disappears.

      Tech Tips


      • Connect all the connectors to the front No. 2 speaker assemblies that were disconnected.

      • When there is a possibility that either the right or left front speaker is defective, inspect by interchanging the right one with the left one.

      • Perform the above inspection on both LH and RH sides.


    OK
    NG
  6. INSPECT REAR SPEAKER ASSEMBLY


    1. Resistance check


      1. A005ER6E02
        Text in Illustration
        *A for RH
        *B for LH
        *a

        Component without harness connected

        (Rear Speaker Assembly)

        Measure the resistance according to the value(s) in the table below.

        Standard Resistance
        Tester Connection Condition Specified Condition
        P3-1 - P3-2 Always 3.2 to 4.8 Ω
        Q3-1 - Q3-2 Always 3.2 to 4.8 Ω

    OK
    NG
  7. CHECK HARNESS AND CONNECTOR


    1. Disconnect the L30 stereo component amplifier assembly connector.

    2. Disconnect the N1 and O1 front No. 1 speaker assembly connectors.

    3. Disconnect the I4 and I5 front No. 2 speaker assembly connectors (for LHD).

    4. Disconnect the I6 and I7 front No. 2 speaker assembly connectors (for RHD).

    5. Disconnect the P3 and Q3 rear speaker assembly connectors.

    6. Disconnect the P5 and Q5 rear No. 2 speaker assembly connectors.

    7. Measure the resistance between each of the front No. 1 speaker assemblies and the stereo component amplifier assembly to check for an open circuit in the wire harness.

      Standard Resistance
      Tester Connection Condition Specified Condition
      L30-15 (WFR+) - N1-1 Always Below 1 Ω
      L30-30 (WFR-) - N1-2 Always Below 1 Ω
      L30-8 (WFL+) - O1-1 Always Below 1 Ω
      L30-23 (WFL-) - O1-2 Always Below 1 Ω
    8. Measure the resistance between each of the front No. 2 speaker assemblies and the stereo component amplifier assembly to check for an open circuit in the wire harness.

      Standard Resistance
      for LHD
      Tester Connection Condition Specified Condition
      L30-9 (FR+) - I4-1 Always Below 1 Ω
      L30-24 (FR-) - I4-2 Always Below 1 Ω
      L30-14 (FL+) - I5-1 Always Below 1 Ω
      L30-29 (FL-) - I5-2 Always Below 1 Ω
      for RHD
      Tester Connection Condition Specified Condition
      L30-9 (FR+) - I6-1 Always Below 1 Ω
      L30-24 (FR-) - I6-2 Always Below 1 Ω
      L30-14 (FL+) - I7-1 Always Below 1 Ω
      L30-29 (FL-) - I7-2 Always Below 1 Ω
    9. Measure the resistance between each of the rear speaker assemblies and the stereo component amplifier assembly to check for an open circuit in the wire harness.

      Standard Resistance
      Tester Connection Condition Specified Condition
      L30-12 (RR+) - P3-1 Always Below 1 Ω
      L30-27 (RR-) - P3-2 Always Below 1 Ω
      L30-11 (RL+) - Q3-1 Always Below 1 Ω
      L30-26 (RL-) - Q3-2 Always Below 1 Ω
    10. Measure the resistance between the rear No. 2 speaker assemblies and the stereo component amplifier assembly to check for an open circuit in the wire harness.

      Standard Resistance
      Tester Connection Condition Specified Condition
      L30-13 (TWR+) - P5-2 Always Below 1 Ω
      L30-28 (TWR-) - P5-1 Always Below 1 Ω
      L30-10 (TWL+) - Q5-2 Always Below 1 Ω
      L30-25 (TWL-) - Q5-1 Always Below 1 Ω
    11. Measure the resistance between the stereo component amplifier assembly and body ground to check for a short circuit in the wire harness.

      Standard Resistance
      Tester Connection Condition Specified Condition
      L30-15 (WFR+) - Body ground Always 10 kΩ or higher
      L30-30 (WFR-) - Body ground Always 10 kΩ or higher
      L30-8 (WFL+) - Body ground Always 10 kΩ or higher
      L30-23 (WFL-) - Body ground Always 10 kΩ or higher
      L30-9 (FR+) - Body ground Always 10 kΩ or higher
      L30-24 (FR-) - Body ground Always 10 kΩ or higher
      L30-14 (FL+) - Body ground Always 10 kΩ or higher
      L30-29 (FL-) - Body ground Always 10 kΩ or higher
      L30-12 (RR+) - Body ground Always 10 kΩ or higher
      L30-27 (RR-) - Body ground Always 10 kΩ or higher
      L30-11 (RL+) - Body ground Always 10 kΩ or higher
      L30-26 (RL-) - Body ground Always 10 kΩ or higher
      L30-13 (TWR+) - Body ground Always 10 kΩ or higher
      L30-28 (TWR-) - Body ground Always 10 kΩ or higher
      L30-10 (TWL+) - Body ground Always 10 kΩ or higher
      L30-25 (TWL-) - Body ground Always 10 kΩ or higher

    NG
    OK
  8. INSPECT FRONT NO. 1 SPEAKER ASSEMBLY


    1. A005AMTE02
      Text in Illustration
      *A for RH
      *B for LH
      *a

      Component without harness connected

      (Front No. 1 Speaker Assembly)

      Resistance check


      1. Measure the resistance according to the value(s) in the table below.

        Standard Resistance
        Tester Connection Condition Specified Condition
        N1-1 - N1-2 Always 4.6 to 6.6 Ω
        O1-1 - O1-2 Always 4.6 to 6.6 Ω

    NG
    OK
  9. INSPECT FRONT NO. 2 SPEAKER ASSEMBLY


    1. A005A44E02
      Text in Illustration
      *A for RH (for LHD)
      *B for LH (for LHD)
      *C for RH (for RHD)
      *D for LH (for RHD)
      *a

      Component without harness connected

      (Front No. 2 Speaker Assembly)

      Resistance check


      1. Measure the resistance according to the value(s) in the table below.

        Standard Resistance
        for LHD
        Tester Connection Condition Specified Condition
        I4-1 - I4-2 Always 10 kΩ or higher
        I5-1 - I5-2 Always 10 kΩ or higher
        for RHD
        Tester Connection Condition Specified Condition
        I6-1 - I6-2 Always 10 kΩ or higher
        I7-1 - I7-2 Always 10 kΩ or higher

    NG
    OK
  10. REPLACE FRONT NO. 2 SPEAKER ASSEMBLY


    1. Check that the malfunction disappears when a known good speaker is installed Click here.

      OK
      Malfunction disappears.

      Tech Tips


      • Connect all the connectors to the front No. 2 speaker assemblies that were disconnected.

      • When there is a possibility that either the right or left front speaker is defective, inspect by interchanging the right one with the left one.

      • Perform the above inspection on both LH and RH sides.


    OK
    NG
  11. INSPECT REAR SPEAKER ASSEMBLY


    1. A005AVPE02
      Text in Illustration
      *A for RH
      *B for LH
      *a

      Component without harness connected

      (Rear Speaker Assembly)

      Resistance check


      1. Measure the resistance according to the value(s) in the table below.

        Standard Resistance
        Tester Connection Condition Specified Condition
        P3-1 - P3-2 Always 3.2 to 5.2 Ω
        Q3-1 - Q3-2 Always 3.2 to 5.2 Ω

    NG
    OK
  12. INSPECT REAR NO. 2 SPEAKER ASSEMBLY


    1. A005AUGE02
      Text in Illustration
      *A for RH
      *B for LH
      *a

      Component without harness connected

      (Rear No. 2 Speaker Assembly)

      Resistance check


      1. Measure the resistance according to the value(s) in the table below.

        Standard Resistance
        Tester Connection Condition Specified Condition
        P5-1 - P5-2 Always 10 kΩ or higher
        Q5-1 - Q5-2 Always 10 kΩ or higher

    NG
    OK
  13. REPLACE REAR NO. 2 SPEAKER ASSEMBLY


    1. Check that the malfunction disappears when a known good speaker is installed Click here.

      OK
      Malfunction disappears.

      Tech Tips


      • Connect all the connectors to the rear No. 2 speaker assemblies that were disconnected.

      • When there is a possibility that either the right or left front speaker is defective, inspect by interchanging the right one with the left one.

      • Perform the above inspection on both LH and RH sides.


    OK
    NG