СИСТЕМА SFI, диагностический DTC:P05042B

Код DTC Наименование DTC
P05042B Переключатель тормоза "A"/"В", перекрестное воздействие сигналов

ОПИСАНИЕ

Выключатель стоп-сигналов использует дуплексную связь, которая позволяет передавать два сигнала: STP и ST1-. Блок ЕСМ использует эти два сигнала для осуществления контроля за работой тормозной системы. Если сигналы, соответствующие нажатому и отпущенному состоянию педали тормоза, обнаруживаются одновременно, ECM рассматривает это как неисправность выключателя стоп-сигналов и регистрирует DTC.

Tip:

Нормальные состояния сигнала указаны в таблице ниже.

Сигнал (контакт ECM)

Педаль тормоза отпущена

Промежуточное состояние

Педаль тормоза нажата

STP

OFF (ВЫКЛ.)

ON (ВКЛ)

ON (ВКЛ)

ST1-

ON (ВКЛ)

ON (ВКЛ)

OFF (ВЫКЛ.)

  • [OFF (ВЫКЛ)] означает нулевой потенциал.

  • [ON (ВКЛ)] означает потенциал аккумуляторной батареи (+B).

На экране GTS параметр Data List Stop Light SW имеет значение ON, когда педаль тормоза нажата.

№ DTC

Неисправность

Условие обнаружения DTC

Неисправный участок

MIL

Память

Примечание

P05042B

Переключатель тормоза "A"/"В", перекрестное воздействие сигналов

Условия (a) и (b) сохраняются в течение не менее 0,5 с (логика диагностирования за 1 поездку):

(а) Зажигание включено (IG)

(b) Сигнал STP в состоянии OFF (ВЫКЛ) , если состояние сигнала ST1- тоже OFF (ВЫКЛ)

  • Обрыв или короткое замыкание в цепи выключателя стоп-сигналов

  • Выключатель стоп-сигналов в сборе

  • Распределительный блок панели приборов в сборе

  • ECM

Не загорается

Код DTC сохраняется

Код SAE: P0504

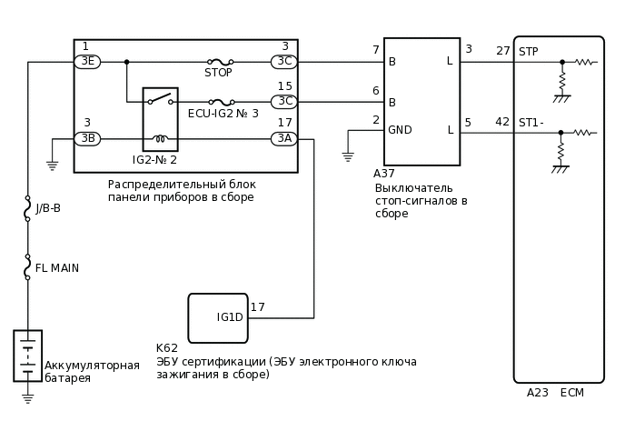
СХЕМА СОЕДИНЕНИЙ

A409679E03

ПРЕДОСТЕРЕЖЕНИЕ / ПРИМЕЧАНИЕ / УКАЗАНИЕ

Note:

Перед выполнением последующей процедуры проверки проверьте плавкие предохранители цепей, относящихся к данной системе.

Tip:
  • Состояния выключателя стоп-сигналов можно проверить с помощью GTS.

    1. Подключите GTS к DLC3.

    2. Включите зажигание (IG).

    3. Включите GTS.

    4. Войдите в следующие меню: Powertrain / Engine / Data List / Stop Light SW.

    5. Проверьте индикацию в режиме Data List при нажатии и отпускании педали тормоза.

      Состояние педали тормоза

      Stop Light SW

      Нажата

      Вкл

      Отпущена

      OFF (ВЫКЛ)

  • С помощью GTS считайте данные фиксированного набора параметров. Одновременно с записью в память кода DTC ECM сохраняет параметры состояния автомобиля и условий движения как данные фиксированного набора параметров. При поиске неисправностей фиксированные параметры позволяют определить, двигался ли автомобиль в момент возникновения неисправности или нет, был ли прогрет двигатель, каким было соотношение воздух-топливо (обедненным или обогащенным) и пр.

ПОРЯДОК ВЫПОЛНЕНИЯ

  1. ПРОВЕРЬТЕ НАПРЯЖЕНИЕ НА КОНТАКТЕ (ПИТАНИЕ ВЫКЛЮЧАТЕЛЯ СТОП-СИГНАЛОВ В СБОРЕ)

    A397376C07

    *a

    Вид спереди разъема со стороны жгута проводов:

    (к выключателю стоп-сигналов в сборе)

    1. Отсоедините разъем выключателя стоп-сигналов.

    2. Измерьте напряжение в соответствии со значениями, приведенными в таблице.

      Номинальное напряжение

      Подключение диагностического прибора

      Условие

      Заданные условия

      A37-7 (B) - Масса кузова

      Всегда

      11-14 В

    Результат

    Перейти к

    OK

    НЕ СООТВ.

    НЕ СООТВ.

    ПРОВЕРЬТЕ ЖГУТ ПРОВОДОВ И РАЗЪЕМ (РАСПРЕДЕЛИТЕЛЬНЫЙ БЛОК ПАНЕЛИ ПРИБОРОВ В СБОРЕ – ВЫКЛЮЧАТЕЛЬ СТОП-СИГНАЛОВ В СБОРЕ)Click here

    СООТВ
  2. ПРОВЕРЬТЕ НАПРЯЖЕНИЕ НА КОНТАКТЕ (ПИТАНИЕ ВЫКЛЮЧАТЕЛЯ СТОП-СИГНАЛОВ В СБОРЕ)

    A397376C08

    *a

    Вид спереди разъема со стороны жгута проводов:

    (к выключателю стоп-сигналов в сборе)

    1. Отсоедините разъем выключателя стоп-сигналов.

    2. Включите питание (IG).

    3. Измерьте напряжение в соответствии со значениями, приведенными в таблице.

      Номинальное напряжение

      Подключение диагностического прибора

      Условие

      Заданные условия

      A37-6 (B) - масса

      Зажигание включено (IG)

      11—14 В

    Результат

    Перейти к

    OK

    НЕ СООТВ.

    НЕ СООТВ.

    ПРОВЕРЬТЕ ЖГУТ ПРОВОДОВ И РАЗЪЕМ (РАСПРЕДЕЛИТЕЛЬНЫЙ БЛОК ПАНЕЛИ ПРИБОРОВ В СБОРЕ – ВЫКЛЮЧАТЕЛЬ СТОП-СИГНАЛОВ В СБОРЕ)Click here

    СООТВ
  3. ПРОВЕРЬТЕ ЖГУТ ПРОВОДОВ И РАЗЪЕМ (УЗЕЛ ВЫКЛЮЧАТЕЛЯ СТОП-СИГНАЛОВ – МАССА)

    1. Отсоедините разъем выключателя стоп-сигналов.

    2. Измерьте сопротивление в соответствии со значениями, приведенными в таблице.

      Номинальное сопротивление

      Подключение диагностического прибора

      Условие

      Заданные условия

      A37-2 (GND) - масса

      Всегда

      Менее 1 Ом

    Результат

    Перейти к

    OK

    НЕ СООТВ.

    НЕ СООТВ.

    ОТРЕМОНТИРУЙТЕ ИЛИ ЗАМЕНИТЕ ЖГУТ ПРОВОДОВ ИЛИ РАЗЪЕМ

    СООТВ
  4. ПРОВЕРЬТЕ НАПРЯЖЕНИЕ НА КОНТАКТЕ (НАПРЯЖЕНИЯ STP И ST1-)

    A371636C19

    *a

    Педаль тормоза нажата

    *b

    Педаль тормоза отпущена

    *c

    Вид спереди разъема со стороны жгута проводов:

    (к ECM)

    -

    -

    1. Отсоедините разъем ЭБУ.

    2. Включите зажигание (IG).

    3. Измерьте напряжение в соответствии со значениями, приведенными в таблице.

      Номинальное напряжение

      Контакты для подключения диагностического прибора

      Состояние педали тормоза

      Заданные условия

      A23-42 (ST1-) - масса

      Отпущен

      7,5-14 В

      Нажата

      Менее 1,5 В

      A23-27 (STP) - масса

      Отпущен

      Менее 1,5 В

      Нажата

      7,5—14 В

    Result

    Перейти к

    OK

    НЕ СООТВ.

    OK

    ЗАМЕНИТЕ ECM

    Нажмите здесьClick hereClick here

    NG
  5. ПРОВЕРЬТЕ ЖГУТ ПРОВОДОВ И РАЗЪЕМ (ВЫКЛЮЧАТЕЛЬ СТОП-СИГНАЛОВ В СБОРЕ – ECM)

    1. Отсоедините разъем выключателя стоп-сигналов.

    2. Отсоедините разъем ЭБУ.

    3. Измерьте сопротивление в соответствии со значениями, приведенными в таблице ниже.

      Номинальное сопротивление

      Подключение диагностического прибора

      Условие

      Заданные условия

      A37-5 (L) - A23-42 (ST1-)

      Всегда

      Менее 1 Ом

      A37-3 (L) - A23-27 (STP)

      Всегда

      Менее 1 Ом

      A37-5 (L) или A23-42 (ST1-) - масса и другие контакты

      Всегда

      10 кОм или более

      A37-3 (L) или A23-27 (STP) - масса и другие контакты

      Всегда

      10 кОм или более

    Результат

    Перейти к

    OK

    НЕ СООТВ.

    OK

    ЗАМЕНИТЕ ВЫКЛЮЧАТЕЛЬ СТОП-СИГНАЛОВ В СБОРЕ

    Нажмите здесьClick here

    NG

    ОТРЕМОНТИРУЙТЕ ИЛИ ЗАМЕНИТЕ ЖГУТ ПРОВОДОВ ИЛИ РАЗЪЕМ

  6. ПРОВЕРЬТЕ ЖГУТ ПРОВОДОВ И РАЗЪЕМ (РАСПРЕДЕЛИТЕЛЬНЫЙ БЛОК ПАНЕЛИ ПРИБОРОВ В СБОРЕ – ВЫКЛЮЧАТЕЛЬ СТОП-СИГНАЛОВ)

    1. Отсоедините штекерный разъем распределительного блока панели приборов.

    2. Отсоедините разъем выключателя стоп-сигналов.

    3. Измерьте сопротивление в соответствии со значениями, приведенными в таблице.

      Номинальное сопротивление

      Подключение диагностического прибора

      Условие

      Заданные условия

      3C-15 - A37-6 (B)

      Всегда

      Менее 1 Ом

      3C-15 или A37-6 (B) - масса и другие контакты

      Всегда

      10 кОм или более

    Результат

    Перейти к

    OK

    НЕ СООТВ.

    НЕ СООТВ.

    ОТРЕМОНТИРУЙТЕ ИЛИ ЗАМЕНИТЕ ЖГУТ ПРОВОДОВ ИЛИ РАЗЪЕМ

    СООТВ
  7. ПРОВЕРЬТЕ ЖГУТ ПРОВОДОВ И РАЗЪЕМ (РАСПРЕДЕЛИТЕЛЬНЫЙ БЛОК ПАНЕЛИ ПРИБОРОВ – МАССА)

    1. Отсоедините разъем распределительного блока панели приборов.

    2. Измерьте сопротивление в соответствии со значениями, приведенными в таблице ниже.

      Номинальное сопротивление

      Подключение диагностического прибора

      Условие

      Заданные условия

      3B-3 - масса

      Всегда

      Менее 1 Ом

    Результат

    Перейти к

    OK

    НЕ СООТВ.

    НЕ СООТВ.

    ОТРЕМОНТИРУЙТЕ ИЛИ ЗАМЕНИТЕ ЖГУТ ПРОВОДОВ ИЛИ РАЗЪЕМ

    СООТВ
  8. ПРОВЕРЬТЕ РАСПРЕДЕЛИТЕЛЬНЫЙ БЛОК ПАНЕЛИ ПРИБОРОВ В СБОРЕ (ИСТОЧНИК ПИТАНИЯ)

    A375649C03

    *a

    Вид спереди разъема со стороны жгута проводов:

    (к распределительному блоку панели приборов в сборе)

    1. Отсоедините разъем распределительного блока панели приборов.

    2. Измерьте напряжение в соответствии со значениями, приведенными в таблице.

      Номинальное напряжение

      Подключение диагностического прибора

      Условие

      Заданные условия

      3E-1 - масса

      Всегда

      11-14 В

    Результат

    Перейти к

    OK

    НЕ СООТВ.

    НЕ СООТВ.

    ОТРЕМОНТИРУЙТЕ ИЛИ ЗАМЕНИТЕ ЖГУТ ПРОВОДОВ ИЛИ РАЗЪЕМ (АККУМУЛЯТОРНАЯ БАТАРЕЯ – РАСПРЕДЕЛИТЕЛЬНЫЙ БЛОК ПАНЕЛИ ПРИБОРОВ)

    СООТВ
  9. ПРОВЕРЬТЕ ЖГУТ ПРОВОДОВ И РАЗЪЕМ (РАСПРЕДЕЛИТЕЛЬНЫЙ БЛОК ПАНЕЛИ ПРИБОРОВ В СБОРЕ – ЭБУ СЕРТИФИКАЦИИ (ЭБУ ЭЛЕКТРОННОГО КЛЮЧА ЗАЖИГАНИЯ В СБОРЕ))

    1. Отсоедините разъем распределительного блока панели приборов.

    2. Отсоедините разъем ЭБУ сертификации (ЭБУ электронного ключа зажигания в сборе).

    3. Измерьте сопротивление в соответствии со значениями, приведенными в таблице ниже.

      Номинальное сопротивление

      Подключение диагностического прибора

      Условие

      Заданные условия

      3A-17 - K62-17 (IG1D)

      Всегда

      Менее 1 Ом

      3A-17 or K62-17 (IG1D) - масса и другие контакты

      Всегда

      10 кОм или более

    Результат

    Перейти к

    OK

    НЕ СООТВ.

    НЕ СООТВ.

    ОТРЕМОНТИРУЙТЕ ИЛИ ЗАМЕНИТЕ ЖГУТ ПРОВОДОВ ИЛИ РАЗЪЕМ

    OK
  10. ПРОВЕРЬТЕ ИНТЕЛЛЕКТУАЛЬНУЮ СИСТЕМУ ПОСАДКИ И ЗАПУСКА

    1. Проверьте интеллектуальную систему посадки и запуска двигателя.

      Нажмите здесьClick hereClick hereClick here

    Результат

    Перейти к

    OK

    НЕ СООТВ.

    OK

    ЗАМЕНИТЕ РАСПРЕДЕЛИТЕЛЬНЫЙ БЛОК ПАНЕЛИ ПРИБОРОВ В СБОРЕ

    Нажмите здесьClick hereClick here

    NG

    ОТРЕМОНТИРУЙТЕ ИНТЕЛЛЕКТУАЛЬНУЮ СИСТЕМУ ПОСАДКИ И ЗАПУСКА

    Нажмите здесьClick hereClick hereClick here

  11. ПРОВЕРЬТЕ ЖГУТ ПРОВОДОВ И РАЗЪЕМ (РАСПРЕДЕЛИТЕЛЬНЫЙ БЛОК ПАНЕЛИ ПРИБОРОВ В СБОРЕ – ВЫКЛЮЧАТЕЛЬ СТОП-СИГНАЛОВ)

    1. Отсоедините штекерный разъем распределительного блока панели приборов.

    2. Отсоедините разъем выключателя стоп-сигналов.

    3. Измерьте сопротивление в соответствии со значениями, приведенными в таблице.

      Номинальное сопротивление

      Подключение диагностического прибора

      Условие

      Заданные условия

      3C-3 - A37-7 (B)

      Всегда

      Менее 1 Ом

      3C-3 или A37-7 (B) - масса и другие контакты

      Всегда

      10 кОм или более

    Результат

    Перейти к

    OK

    НЕ СООТВ.

    НЕ СООТВ.

    ОТРЕМОНТИРУЙТЕ ИЛИ ЗАМЕНИТЕ ЖГУТ ПРОВОДОВ ИЛИ РАЗЪЕМ

    СООТВ
  12. ПРОВЕРЬТЕ РАСПРЕДЕЛИТЕЛЬНЫЙ БЛОК ПАНЕЛИ ПРИБОРОВ В СБОРЕ (ИСТОЧНИК ПИТАНИЯ)

    A375649C03

    *a

    Вид спереди разъема со стороны жгута проводов:

    (к распределительному блоку панели приборов в сборе)

    1. Отсоедините разъем распределительного блока панели приборов.

    2. Измерьте напряжение в соответствии со значениями, приведенными в таблице.

      Номинальное напряжение

      Подключение диагностического прибора

      Условие

      Заданные условия

      3E-1 - масса

      Всегда

      11-14 В

    Результат

    Перейти к

    OK

    НЕ СООТВ.

    OK

    ЗАМЕНИТЕ РАСПРЕДЕЛИТЕЛЬНЫЙ БЛОК ПАНЕЛИ ПРИБОРОВ В СБОРЕ

    Нажмите здесьClick hereClick here

    НЕ СООТВ.

    ОТРЕМОНТИРУЙТЕ ИЛИ ЗАМЕНИТЕ ЖГУТ ПРОВОДОВ ИЛИ РАЗЪЕМ (АККУМУЛЯТОРНАЯ БАТАРЕЯ – РАСПРЕДЕЛИТЕЛЬНЫЙ БЛОК ПАНЕЛИ ПРИБОРОВ)