AIRBAG SYSTEM, Diagnostic DTC:B1625/22

DTC Code DTC Name
B1625/22 Side Airbag Sensor LH Circuit Malfunction

DESCRIPTION

The side airbag sensor LH consists of a safing sensor, diagnostic circuit, lateral deceleration sensor, etc.

If the center airbag sensor receives signals from the lateral deceleration sensor, it determines whether the SRS should be activated.

DTC B1625/22 is stored when a malfunction is detected in the side airbag sensor LH circuit.

DTC Code

Detection Condition

Trouble Area

B1625/22

One of the following conditions is met:

  • A side airbag sensor LH malfunction.

  • A center airbag sensor malfunction.

  • Side airbag sensor assembly LH

  • Rear airbag sensor LH (w/ Curtain Shield Airbag)

  • Floor wire

  • Center airbag sensor assembly

WIRING DIAGRAM

C199306E18

CAUTION / NOTICE / HINT

Note:
  • After turning the ignition switch off, waiting time may be required before disconnecting the cable from the battery terminal. Therefore, make sure to read the disconnecting the cable from the battery terminal notice before proceeding with work (Click here).

  • When disconnecting the cable from the negative (-) battery terminal while performing repairs, some systems need to be initialized after the cable is reconnected (Click here).

PROCEDURE

  1. CHECK CONNECTION OF CONNECTORS

    1. Turn the ignition switch off.

    2. Disconnect the cable from the negative (-) battery terminal, and wait for at least 90 seconds.

    3. Check that the connectors are properly connected to the center airbag sensor and side airbag sensor LH.

      OK

      The connectors are properly connected.

    CONNECT CONNECTORS PROPERLY

  2. CHECK CONNECTORS

    1. C206431E04

      Disconnect the connectors from the center airbag sensor and side airbag sensor LH.

    2. Check that the connectors (on the center airbag sensor side and side airbag sensor LH side) are not damaged.

      OK

      The connectors are not deformed or damaged.

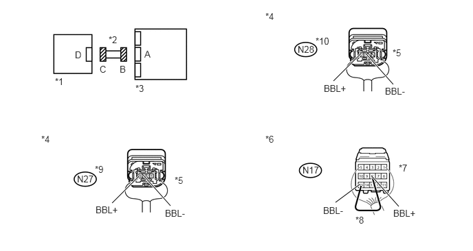
      Table 1. Text in Illustration

      *1

      Side Airbag Sensor LH

      *2

      Floor Wire

      *3

      Center Airbag Sensor

    REPLACE FLOOR WIRE

  3. CHECK FLOOR WIRE (SIDE AIRBAG SENSOR LH CIRCUIT)

    1. Connect the cable to the negative (-) battery terminal, and wait for at least 2 seconds.

      C363570E01
    2. Measure the voltage according to the value(s) in the table below.

      Standard Voltage

      w/ Curtain Shield Airbag

      Tester Connection

      Switch Condition

      Specified Condition

      N27-4 (BBL+) - Body ground

      Ignition switch ON

      Below 1 V

      N27-3 (BBL-) - Body ground

      w/o Curtain Shield Airbag

      Tester Connection

      Switch Condition

      Specified Condition

      N28-2 (BBL+) - Body ground

      Ignition switch ON

      Below 1 V

      N28-1 (BBL-) - Body ground

    3. Turn the ignition switch off.

    4. Disconnect the cable from the negative (-) battery terminal, and wait for at least 90 seconds.

    5. Using a service wire, connect terminals 8 (BBL+) and 15 (BBL-) of connector B.

      Note:

      Do not forcibly insert the service wire into the terminals of the connector when connecting a service wire.

    6. Measure the resistance according to the value(s) in the table below.

      Standard Resistance

      w/ Curtain Shield Airbag

      Tester Connection

      Condition

      Specified Condition

      N27-4 (BBL+) - N27-3 (BBL-)

      Always

      Below 1 Ω

      w/o Curtain Shield Airbag

      Tester Connection

      Condition

      Specified Condition

      N28-2 (BBL+) - N28-1 (BBL-)

      Always

      Below 1 Ω

    7. Disconnect the service wire from connector B.

    8. Measure the resistance according to the value(s) in the table below.

      Standard Resistance

      w/ Curtain Shield Airbag

      Tester Connection

      Condition

      Specified Condition

      N27-4 (BBL+) - N27-3 (BBL-)

      Always

      1 MΩ or higher

      N27-4 (BBL+) - Body ground

      N27-3 (BBL-) - Body ground

      w/o Curtain Shield Airbag

      Tester Connection

      Condition

      Specified Condition

      N28-2 (BBL+) - N28-1 (BBL-)

      Always

      1 MΩ or higher

      N28-2 (BBL+) - Body ground

      N28-1 (BBL-) - Body ground

    Table 2. Text in Illustration

    *1

    Side Airbag Sensor LH

    *2

    Floor Wire

    *3

    Center Airbag Sensor

    *4

    Rear view of wire harness connector

    (to Side Airbag Sensor LH)

    *5

    Connector C

    *6

    Rear view of wire harness connector

    (to Center Airbag Sensor)

    *7

    Connector B

    *8

    Service Wire

    *9

    w/ Curtain Shield Airbag

    *10

    w/o Curtain Shield Airbag

    REPLACE FLOOR WIRE

  4. CHECK SIDE AIRBAG SENSOR LH

    1. C198515E08

      Interchange the side airbag sensor RH with LH and connect the connectors to them.

    2. Connect the cable to the negative (-) battery terminal, and wait for at least 2 seconds.

    3. Turn the ignition switch to ON, and wait for at least 60 seconds.

    4. Clear the DTCs stored in the memory (Click here).

    5. Turn the ignition switch off.

    6. Turn the ignition switch to ON, and wait for at least 60 seconds.

    7. Check for DTCs (Click here).

      Table 3. Result

      Result

      Proceed to

      DTC B1620 and B1625 are not output

      A

      DTC B1620 is output

      B

      DTC B1625 is output (w/o Curtain Shield Airbag)

      C

      DTC B1625 is output (w/ Curtain Shield Airbag)

      D

      Tip:

      Codes other than DTC B1620 and B1625 may be output at this time, but they are not related to this check.

      Table 4. Text in Illustration

      *1

      Side Airbag Sensor RH

      *2

      Center Airbag Sensor

    8. Turn the ignition switch off.

    9. Disconnect the cable from the negative (-) battery terminal, and wait for at least 90 seconds.

    10. Return the side airbag sensor RH and LH to their original positions and connect the connectors to them.

    USE SIMULATION METHOD TO CHECK

    REPLACE SIDE AIRBAG SENSOR ASSEMBLY LH

    REPLACE CENTER AIRBAG SENSOR ASSEMBLY

  5. CHECK CONNECTION OF CONNECTORS

    1. Check that the connectors are properly connected to the rear airbag sensor LH.

      OK

      The connectors are properly connected.

    CONNECT CONNECTORS PROPERLY

  6. CHECK CONNECTORS

    1. C206430E01

      Disconnect the connectors from the side airbag sensor LH and rear airbag sensor LH.

    2. Check that the connectors (on the rear airbag sensor LH side) are not damaged.

      OK

      The connectors are not deformed or damaged.

      Table 5. Text in Illustration

      *1

      Rear Airbag Sensor LH

      *2

      Floor Wire

      *3

      Side Airbag Sensor LH

    REPLACE FLOOR WIRE

  7. CHECK FLOOR WIRE (REAR AIRBAG SENSOR LH CIRCUIT)

    1. U122993E02

      Connect the cable to the negative (-) battery terminal, and wait for at least 2 seconds.

    2. Measure the voltage according to the value(s) in the table below.

      Standard Voltage

      Tester Connection

      Switch Condition

      Specified Condition

      N29-2 (BCL+) - Body ground

      Ignition switch ON

      Below 1 V

      N29-1 (BCL-) - Body ground

    3. Turn the ignition switch off.

    4. Disconnect the cable from the negative (-) battery terminal, and wait for at least 90 seconds.

    5. Using a service wire, connect terminals 1 (BCL+) and 2 (BCL-) of connector B.

      Note:

      Do not forcibly insert the service wire into the terminals of the connector when connecting a service wire.

    6. Measure the resistance according to the value(s) in the table below.

      Standard Resistance

      Tester Connection

      Condition

      Specified Condition

      N29-2 (BCL+) - N29-1 (BCL-)

      Always

      Below 1 Ω

    7. Disconnect the service wire from connector B.

    8. Measure the resistance according to the value(s) in the table below.

      Standard Resistance

      Tester Connection

      Condition

      Specified Condition

      N29-2 (BCL+) - N29-1 (BCL-)

      Always

      1 MΩ or higher

      N29-2 (BCL+) - Body ground

      N29-1 (BCL-) - Body ground

    Table 6. Text in Illustration

    *1

    Rear Airbag Sensor LH

    *2

    Floor Wire

    *3

    Side Airbag Sensor LH

    *4

    Rear view of wire harness connector

    (to Rear Airbag Sensor LH)

    *5

    Connector C

    *6

    Rear view of wire harness connector

    (to Side Airbag Sensor LH)

    *7

    Connector B

    *8

    Service Wire

    REPLACE FLOOR WIRE

  8. CHECK FOR DTC

    1. C198521E01

      Connect the connectors to the side airbag sensor LH.

    2. Connect the cable to the negative (-) battery terminal, and wait for at least 2 seconds.

    3. Turn the ignition switch to ON, and wait for at least 60 seconds.

    4. Clear the DTCs stored in the memory (Click here).

    5. Turn the ignition switch off.

    6. Turn the ignition switch to ON, and wait for at least 60 seconds.

    7. Check for DTCs (Click here).

      OK

      DTC B1625 is output.

      Table 7. Result

      Result

      Proceed to

      OK

      A

      NG (w/ Rear No. 2 Seat)

      B

      NG (w/o Rear No. 2 Seat)

      C

      Tip:

      Codes other than B1625 may be output at this time, but they are not related to this check.

      Table 8. Text in Illustration

      *1

      Rear Airbag Sensor LH

      *2

      Side Airbag Sensor LH

    REPLACE REAR AIRBAG SENSOR LH

    REPLACE REAR AIRBAG SENSOR LH

  9. CHECK SIDE AIRBAG SENSOR LH

    1. C198515E09

      Interchange the side airbag sensor RH with LH and connect the connectors to them.

    2. Connect the cable to the negative (-) battery terminal, and wait for at least 2 seconds.

    3. Turn the ignition switch to ON, and wait for at least 60 seconds.

    4. Clear the DTCs stored in the memory (Click here).

    5. Turn the ignition switch off.

    6. Turn the ignition switch to ON, and wait for at least 60 seconds.

    7. Check for DTCs (Click here).

      Table 9. Result

      Result

      Proceed to

      DTC B1620 and B1625 are not output

      A

      DTC B1620 is output

      B

      DTC B1625 is output

      C

      Tip:

      Codes other than DTC B1620 and B1625 may be output at this time, but they are not related to this check.

      Table 10. Text in Illustration

      *1

      Side Airbag Sensor RH

      *2

      Center Airbag Sensor

    8. Turn the ignition switch off.

    9. Disconnect the cable from the negative (-) battery terminal, and wait for at least 90 seconds.

    10. Return the side airbag sensor RH and LH to their original positions and connect the connectors to them.

    USE SIMULATION METHOD TO CHECK

    REPLACE SIDE AIRBAG SENSOR ASSEMBLY LH

    REPLACE CENTER AIRBAG SENSOR ASSEMBLY