СИСТЕМА УПРАВЛЕНИЯ ГИБРИДНОЙ СИСТЕМОЙ, диагностические DTC: P0A38-257 и P0A39-259

Код DTC Наименование DTC
P0A38-257 Низкий уровень сигнала в цепи датчика температуры генератора
P0A39-259 Высокий уровень сигнала в цепи датчика температуры генератора

ОПИСАНИЕ

См. описание для DTC P0A37-260.

Нажмите здесьClick here

№ DTC

Неисправность

Условие обнаружения DTC

Неисправный участок

MIL

Индикация предупреждения

P0A38-257

Низкий уровень сигнала в цепи датчика температуры генератора

Короткое замыкание на массу в цепи датчика температуры генератора

(логика диагностирования за 1 поездки)

  • Жгут проводов или разъем

  • ЭБУ гибридной системы в сборе

  • Гибридная трансмиссия в сборе (датчик температуры генератора)

Для моделей без модуля насоса адсорбера:

Не загорается

Для моделей с модулем насоса адсорбера:

Загорается

Главная контрольная лампа аварийного состояния:

Загорается

P0A39-259

Высокий уровень сигнала в цепи датчика температуры генератора

Обрыв или короткое замыкание на +B в цепи датчика температуры генератора

(логика диагностирования за 1 поездки)

  • Жгут проводов или разъем

  • ЭБУ гибридной системы в сборе

  • Гибридная трансмиссия в сборе (датчик температуры генератора)

Для моделей без модуля насоса адсорбера:

Не загорается

Для моделей с модулем насоса адсорбера:

Загорается

Главная контрольная лампа аварийного состояния:

Загорается

Table 1. Сопутствующие параметры Data List

№ DTC

Параметры из Data List

P0A38-257

Motor Temp No2

P0A39-259

Tip:

Убедившись в том, что выводится код DTC P0A38-257 или P0A39-259, с помощью GTS проверьте значение параметра "Motor Temp No2" в списке Data List.

Отображаемая температура

Неисправность

-40°C (-40°F)

Обрыв или короткое замыкание на +B

215°C (419°F)

Короткое замыкание в цепи или короткое замыкание на массу

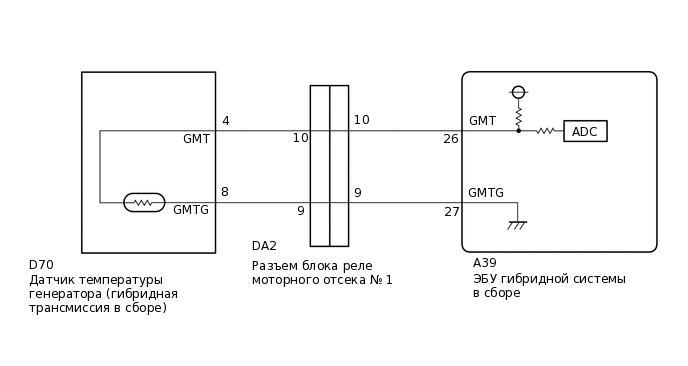
СХЕМА СОЕДИНЕНИЙ

A407382E99

ПРЕДОСТЕРЕЖЕНИЕ / ПРИМЕЧАНИЕ / УКАЗАНИЕ

Tip:

После ремонта удалите коды DTC и выполните описанные ниже действия, чтобы убедиться, что DTC не выводятся.

  1. Установите выключатель питания в состояние ON (ВКЛ) (IG) и подождите не менее 5 с.

ПОРЯДОК ВЫПОЛНЕНИЯ

  1. ПРОВЕРЬТЕ ПОДКЛЮЧЕНИЕ РАЗЪЕМА (ЭБУ ГИБРИДНОЙ СИСТЕМЫ)

    Нажмите здесьClick here

    OK

    - Разъем подсоединен надежно.

    - Контакты не деформированы и подсоединены надежно.

    - Отсутствие воды и инородного материала в разъеме.

    Result

    Result

    Перейти к

    OK

    А

    NG (разъем не подсоединен надежно)

    B

    NG (отсутствует надежный контакт между выводами, либо они деформированы, или же в разъем попала вода или посторонние вещества)

    C

    B

    ПРОВЕРЬТЕ НАДЕЖНОСТЬ ПОДКЛЮЧЕНИЯ

    C

    ОТРЕМОНТИРУЙТЕ ИЛИ ЗАМЕНИТЕ ЖГУТ ПРОВОДОВ ИЛИ РАЗЪЕМ

    A
  2. ПРОВЕРЬТЕ ПОДКЛЮЧЕНИЕ РАЗЪЕМА (РАЗЪЕМ ДАТЧИКА ТЕМПЕРАТУРЫ ГЕНЕРАТОРА)

    1. A371575N05

      Проверьте установку D70 разъем датчика температуры генератора и контактное давление всех контактов. Проверьте, не деформированы ли контакты, и убедитесь в отсутствии воды и посторонних веществ в разъеме.

      Нажмите здесьClick here

      OK

      - Разъем подсоединен надежно.

      - Контакты не деформированы и подсоединены надежно.

      - Отсутствие воды и инородного материала в разъеме.

    Result

    Result

    Перейти к

    OK

    А

    NG (разъем не подсоединен надежно)

    B

    NG (отсутствует надежный контакт между выводами, либо они деформированы, или же в разъем попала вода или посторонние вещества)

    C

    B

    ПРОВЕРЬТЕ НАДЕЖНОСТЬ ПОДКЛЮЧЕНИЯ

    C

    ОТРЕМОНТИРУЙТЕ ИЛИ ЗАМЕНИТЕ ЖГУТ ПРОВОДОВ ИЛИ РАЗЪЕМ

    A
  3. СНИМИТЕ ПОКАЗАНИЯ GTS (ТЕМПЕРАТУРА ЭЛЕКТРОДВИГАТЕЛЯ № 2)

    1. Подключите GTS к DLC3.

    2. Включите питание (IG).

    3. Войдите в следующие меню: Powertrain / Hybrid Control / Data List / Motor Temp No2.

      Powertrain > Hybrid Control > Data List

      Информация на дисплее прибора

      Motor Temp No2

    4. Считайте данные в режиме Data List.

      Result

      Перейти К

      -40°C (-40°F)

      215°C (419°F)

      Совпадает с фактической температурой

    5. Выключите зажигание.

    215°C (419°F)

    ПРОВЕРЬТЕ ГИБРИДНУЮ ТРАНСМИССИЮ В СБОРЕ (ДАТЧИК ТЕМПЕРАТУРЫ ГЕНЕРАТОРА)Click here

    Совпадает с фактической температурой

    ОТРЕМОНТИРУЙТЕ ИЛИ ЗАМЕНИТЕ ЖГУТ ПРОВОДОВ ИЛИ РАЗЪЕМ

    -40°C (-40°F)
  4. ПРОВЕРЬТЕ ГИБРИДНУЮ ТРАНСМИССИЮ В СБОРЕ (ДАТЧИК ТЕМПЕРАТУРЫ ГЕНЕРАТОРА)

    1. A371575N05

      Отсоедините разъем D70 разъем датчика температуры генератора.

    2. A395171C09

      *a

      Устройство с неподсоединенным жгутом проводов

      (датчик температуры генератора (гибридная трансмиссия в сборе))

      Измерьте сопротивление в соответствии со значениями, приведенными в таблице ниже.

      Номинальное сопротивление

      Подключение диагностического прибора

      Условие

      Заданные условия

      D70-4 (GMT) - D70-8 (GMTG)

      Питание выключено

      0,3436 - 1442 кОм

      Tip:

      Датчик температуры генератора не поставляется как отдельная деталь. Если он нуждается в замене, следует заменить гибридную трансмиссию в сборе.

    3. Подсоедините разъем D70 разъем датчика температуры генератора.

    Результат

    Перейти к

    OK

    НЕ СООТВ.

    НЕ СООТВ.

    ЗАМЕНИТЕ ГИБРИДНУЮ ТРАНСМИССИЮ В СБОРЕ

    Нажмите здесьClick here

    СООТВ
  5. ПРОВЕРЬТЕ ЭБУ ГИБРИДНОЙ СИСТЕМЫ

    1. A361711C18

      *a

      Устройство с подсоединенным жгутом проводов

      (к ЭБУ гибридной системы в сборе)

      Соедините контакты 26 (GMT) и 27 (GMTG) разъема A39 ЭБУ гибридной системы.

    2. Подключите GTS к DLC3.

    3. Включите питание (IG).

    4. Войдите в следующие меню: Powertrain / Hybrid Control / Data List / Motor Temp No2.

      Powertrain > Hybrid Control > Data List

      Информация на дисплее прибора

      Motor Temp No2

    5. Считайте данные в режиме Data List.

      OK

      Информация на дисплее прибора

      Условие

      Заданные условия

      Motor Temp No2

      Контакты A39-26 (GMT) и A39-27 (GMTG) соединены

      Питание включено (IG)

      215°C (419°F)

    6. Выключите зажигание.

    Результат

    Перейти к

    OK

    НЕ СООТВ.

    OK

    ОТРЕМОНТИРУЙТЕ ИЛИ ЗАМЕНИТЕ ЖГУТ ПРОВОДОВ ИЛИ РАЗЪЕМ

    NG

    ЗАМЕНИТЕ ЭБУ ГИБРИДНОЙ СИСТЕМЫ В СБОРЕ

    Нажмите здесьClick here

  6. ПРОВЕРЬТЕ ГИБРИДНУЮ ТРАНСМИССИЮ В СБОРЕ (ДАТЧИК ТЕМПЕРАТУРЫ ГЕНЕРАТОРА)

    1. A371575N05

      Отсоедините разъем D70 разъем датчика температуры генератора.

    2. A395171C09

      *a

      Устройство с неподсоединенным жгутом проводов

      (датчик температуры генератора (гибридная трансмиссия в сборе))

      Измерьте сопротивление в соответствии со значениями, приведенными в таблице ниже.

      Номинальное сопротивление

      Подключение диагностического прибора

      Условие

      Заданные условия

      D70-4 (GMT) - D70-8 (GMTG)

      Питание выключено

      0,3436 - 1442 кОм

      Tip:

      Датчик температуры генератора не поставляется как отдельная деталь. Если он нуждается в замене, следует заменить гибридную трансмиссию в сборе.

    3. Подсоедините разъем D70 разъем датчика температуры генератора.

    Результат

    Перейти к

    OK

    НЕ СООТВ.

    НЕ СООТВ.

    ЗАМЕНИТЕ ГИБРИДНУЮ ТРАНСМИССИЮ В СБОРЕ

    Нажмите здесьClick here

    СООТВ
  7. ПРОВЕРЬТЕ ЖГУТ ПРОВОДОВ И РАЗЪЕМ (ДАТЧИК ТЕМПЕРАТУРЫ ГЕНЕРАТОРА - РАЗЪЕМ ЭБУ ГИБРИДНОЙ СИСТЕМЫ)

    1. Отсоедините разъем D70 разъем датчика температуры генератора.

    2. Отсоедините разъем A39 ЭБУ гибридной системы.

    3. A378477C08

      *a

      Вид спереди разъема со стороны жгута проводов:

      (к датчику температуры генератора)

      *b

      Вид сзади разъема со стороны жгута проводов

      (к ЭБУ гибридной системы в сборе)

      Измерьте сопротивление в соответствии со значениями, приведенными в таблице ниже.

      Номинальное сопротивление (при проверке на обрыв)

      Подключение диагностического прибора

      Условие

      Заданные условия

      D70-4 (GMT) ИЛИ A39-26 (GMT)

      Питание выключено

      Менее 1 Ом

      D70-8 (GMTG) ИЛИ A39-27 (GMTG)

      Питание выключено

      Менее 1 Ом

      Номинальное сопротивление (при проверке на короткое замыкание)

      Подключение диагностического прибора

      Условие

      Заданные условия

      D70-4 (GMT) или A39-26 (GMT) - масса и другие контакты

      Питание выключено

      10 кОм или более

      D70-8 (GMTG) или A39-27 (GMTG) - масса и другие контакты

      Питание выключено

      10 кОм или более

    4. Подсоедините разъем A39 ЭБУ гибридной системы.

    5. Подсоедините разъем D70 разъем датчика температуры генератора.

    Результат

    Перейти к

    OK

    НЕ СООТВ.

    OK

    ЗАМЕНИТЕ ЭБУ ГИБРИДНОЙ СИСТЕМЫ В СБОРЕ

    Нажмите здесьClick here

    NG

    ОТРЕМОНТИРУЙТЕ ИЛИ ЗАМЕНИТЕ ЖГУТ ПРОВОДОВ ИЛИ РАЗЪЕМ