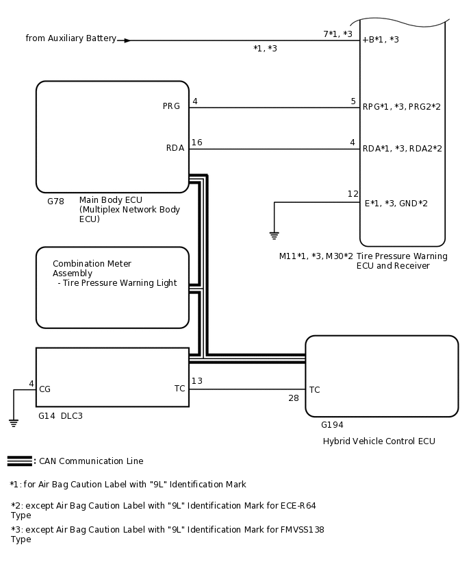
TIRE PRESSURE WARNING SYSTEM SYSTEM DIAGRAM

C366367E01
C348296E04
Tip:

Each tire pressure warning valve and transmitter sends its transmitter ID, temperature and tire pressure information to the tire pressure warning ECU and receiver.

Transmitting ECU (Transmitter)

Receiving ECU

Signal

Communication Method

Combination Meter Assembly

Main Body ECU (Multiplex Network Body ECU)

Vehicle speed signal

CAN communication line

Main Body ECU (Multiplex Network Body ECU)

Combination Meter Assembly

Tire pressure warning light signal

CAN communication line