AIRBAG SYSTEM, Diagnostic DTC:B1820/55,B1821/55,B1822/55 and B1823/55

DTC Code DTC Name
B1820/55 Short in Side Squib RH Circuit
B1821/55 Open in Side Squib RH Circuit
B1822/55 Short to GND in Side Squib RH Circuit
B1823/55 Short to B+ in Side Squib RH Circuit

DESCRIPTION

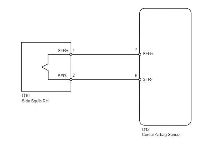
The side squib RH circuit consists of the center airbag sensor and front seat side airbag RH.

This circuit instructs the SRS to deploy when deployment conditions are met.

These DTCs are stored when a malfunction is detected in the side squib RH circuit.

DTC Code

DTC Detection Condition

Trouble Area

B1820/55

One of the following conditions is met:

  • The center airbag sensor receives a line short circuit signal 5 times in the side squib RH circuit during the primary check.

  • A side squib RH malfunction.

  • A center airbag sensor malfunction.

  • No. 2 floor wire

  • Front seat side airbag assembly RH (Side squib RH)

  • Center airbag sensor assembly

B1821/55

One of the following conditions is met:

  • The center airbag sensor receives an open circuit signal in the side squib RH circuit for 2 seconds.

  • A side squib RH malfunction.

  • A center airbag sensor malfunction.

  • No. 2 floor wire

  • Front seat side airbag assembly RH (Side squib RH)

  • Center airbag sensor assembly

B1822/55

One of the following conditions is met:

  • The center airbag sensor receives a short circuit to ground signal in the side squib RH circuit for 0.5 seconds.

  • A side squib RH malfunction.

  • A center airbag sensor malfunction.

  • No. 2 floor wire

  • Front seat side airbag assembly RH (Side squib RH)

  • Center airbag sensor assembly

B1823/55

One of the following conditions is met:

  • The center airbag sensor receives a short circuit to B+ signal in the side squib RH circuit for 0.5 seconds.

  • A side squib RH malfunction.

  • A center airbag sensor malfunction.

  • No. 2 floor wire

  • Front seat side airbag assembly RH (Side squib RH)

  • Center airbag sensor assembly

WIRING DIAGRAM

C178002E49

CAUTION / NOTICE / HINT

Note:
  • After turning the ignition switch off, waiting time may be required before disconnecting the cable from the battery terminal. Therefore, make sure to read the disconnecting the cable from the battery terminal notice before proceeding with work (Click here).

  • When disconnecting the cable from the negative (-) battery terminal while performing repairs, some systems need to be initialized after the cable is reconnected (Click here).

Tip:

To perform the simulation method, enter check mode (signal check) with the intelligent tester (Click here), and then wiggle each connector of the airbag system or drive the vehicle on various types of roads (Click here).

PROCEDURE

  1. CHECK FRONT SEAT SIDE AIRBAG RH (SIDE SQUIB RH)

    1. U122648E03

      Turn the ignition switch off.

    2. Disconnect the cable from the negative (-) battery terminal, and wait for at least 90 seconds.

    3. Disconnect the connector from the front seat side airbag RH.

    4. Connect the red wire side of SST (resistance: 2.1 Ω) to connector C.

      CAUTION:

      Never connect the tester to the front seat side airbag RH (side squib RH) for measurement, as this may lead to a serious injury due to airbag deployment.

      Note:
      • Do not forcibly insert SST into the terminals of the connector when connecting SST.

      • Insert SST straight into the terminals of the connector.

    5. Connect the cable to the negative (-) battery terminal, and wait for at least 2 seconds.

    6. Turn the ignition switch to ON, and wait for at least 60 seconds.

    7. Clear the DTCs (Click here).

    8. Turn the ignition switch off.

    9. Turn the ignition switch to ON, and wait for at least 60 seconds.

    10. Check for DTCs (Click here).

      OK

      DTC B1820, B1821, B1822 or B1823 is not output.

      Tip:

      Codes other than DTC B1820, B1821, B1822 and B1823 may be output at this time, but they are not related to this check.

    09843-18061

    REPLACE SEPARATE TYPE FRONT SEATBACK ASSEMBLY RH

  2. CHECK CONNECTOR

    1. Turn the ignition switch off.

    2. Disconnect the cable from the negative (-) battery terminal, and wait for at least 90 seconds.

    3. Disconnect SST from connector C.

    4. Check that the No. 2 floor wire connector (on the front seat side airbag RH side) is not damaged.

      OK

      The lock button is not disengaged, and the claw of the lock is not deformed or damaged.

    REPLACE NO. 2 FLOOR WIRE

  3. CHECK NO. 2 FLOOR WIRE (SIDE SQUIB RH CIRCUIT)

    1. U122819E02

      Disconnect the connector from the center airbag sensor.

    2. Connect the cable to the negative (-) battery terminal, and wait for at least 2 seconds.

    3. Measure the voltage according to the value(s) in the table below.

      Standard Voltage

      Tester Connection

      Switch Condition

      Specified Condition

      O10-1 (SFR+) - Body ground

      Ignition switch ON

      Below 1 V

      O10-2 (SFR-) - Body ground

      Ignition switch ON

      Below 1 V

    4. Turn the ignition switch off.

    5. Disconnect the cable from the negative (-) battery terminal, and wait for at least 90 seconds.

    6. Measure the resistance according to the value(s) in the table below.

      Standard Resistance

      Tester Connection

      Condition

      Specified Condition

      O10-1 (SFR+) - O10-2 (SFR-)

      Always

      Below 1 Ω

    7. Release the activation prevention mechanism built into connector B (Click here).

    8. Measure the resistance according to the value(s) in the table below.

      Standard Resistance

      Tester Connection

      Condition

      Specified Condition

      O10-1 (SFR+) - O10-2 (SFR-)

      Always

      1 MΩ or higher

      O10-1 (SFR+) - Body ground

      Always

      1 MΩ or higher

      O10-2 (SFR-) - Body ground

      Always

      1 MΩ or higher

    Table 1. Text in Illustration

    *1

    Side Squib RH

    *2

    No. 2 Floor Wire

    *3

    Center Airbag Sensor

    *4

    Front view of wire harness connector

    (to Side Squib RH)

    *5

    Connector C

    REPLACE NO. 2 FLOOR WIRE

  4. CHECK CENTER AIRBAG SENSOR

    1. C198556E02

      Connect the connectors to the front seat side airbag RH and center airbag sensor.

    2. Connect the cable to the negative (-) battery terminal, and wait for at least 2 seconds.

    3. Turn the ignition switch to ON, and wait for at least 60 seconds.

    4. Clear the DTCs (Click here).

    5. Turn the ignition switch off.

    6. Turn the ignition switch to ON, and wait for at least 60 seconds.

    7. Check for DTCs (Click here).

      OK

      DTC B1820, B1821, B1822 or B1823 is not output.

      Tip:

      Codes other than DTC B1820, B1821, B1822 and B1823 may be output at this time, but they are not related to this check.

      Table 2. Text in Illustration

      *1

      Side Squib RH

      *2

      Center Airbag Sensor

    USE SIMULATION METHOD TO CHECK

    REPLACE CENTER AIRBAG SENSOR ASSEMBLY