AUDIO AND VISUAL SYSTEM Illumination Circuit

DESCRIPTION

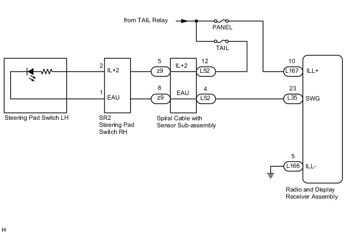
Power is supplied to the radio and display receiver assembly and steering pad switch illumination when the light control switch is in the tail or head position.

WIRING DIAGRAM

B005XEJE02

CAUTION / NOTICE / HINT

Note


  • The vehicle is equipped with a Supplemental Restraint System (SRS) which includes components such as airbags. Before servicing (including removal or installation of parts), be sure to read the precaution for Supplemental Restraint System Click here.

  • Inspect the fuses for circuits related to this system before performing the following inspection procedure.

PROCEDURE


  1. CHECK ILLUMINATION


    1. Check if the illumination for the radio and display receiver assembly, steering pad switch, heater control switch or others (hazard switch, transmission control switch, etc.) comes on when the light control switch is turned to the head or tail position.

      Result
      Result Proceed to
      Illumination comes on for all components except steering pad switch. A
      Illumination comes on for all components except radio and display receiver assembly. B
      No illumination comes on (radio and display receiver assembly, hazard switch, heater control switch, etc.). C

    B
    C
    A
  2. CHECK HARNESS AND CONNECTOR (ILLUMINATION SIGNAL)


    1. Disconnect the L52 spiral cable with sensor sub-assembly connector.

    2. Measure the voltage according to the value(s) in the table below.

      Standard Voltage
      Tester Connection Condition Specified Condition
      L52-12 (IL+2) - Body ground

      Power switch off

      Light control switch in the tail or head position

      11 to 14 V

    NG
    OK
  3. INSPECT STEERING PAD SWITCH


    1. Remove the steering pad switch (w/o TFT Display) Click here.

      B005Z4DE01
    2. Remove the steering pad switch (w/ TFT Display) Click here.

      B005ZVEE02
    3. Connect a positive (+) lead from the auxiliary battery to terminal 5 (IL+2) and a negative (-) lead to terminal 8 (EAU) of the steering pad switch connector.

      Text in Illustration
      *a

      Component without harness connected

      (Steering Pad Switch)

      - -
    4. Check if the illumination for the steering pad switch comes on.

      OK
      Illumination for the steering pad switch comes on.
    5. Proceed to the next step based on the inspection result.

      Result
      Result Proceed to
      NG A
      OK B

    B
    A
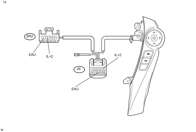
  4. INSPECT STEERING PAD SWITCH RH


    1. Disconnect the steering pad switch RH connectors (w/o TFT Display).

      B005ZMKE02
    2. Disconnect the steering pad switch RH connectors (w/ TFT Display).

      B005YQYE02
    3. Measure the resistance according to the value(s) in the table below.

      Standard Resistance
      Tester Connection Condition Specified Condition
      SR2-2 (IL+2) - z9-5 (IL+2) Always Below 2.5 Ω
      SR2-1 (EAU) - z9-8 (EAU) Always Below 2.5 Ω
      Text in Illustration
      *a

      Component without harness connected

      (Steering Pad Switch RH)

      - -

    OK
    NG
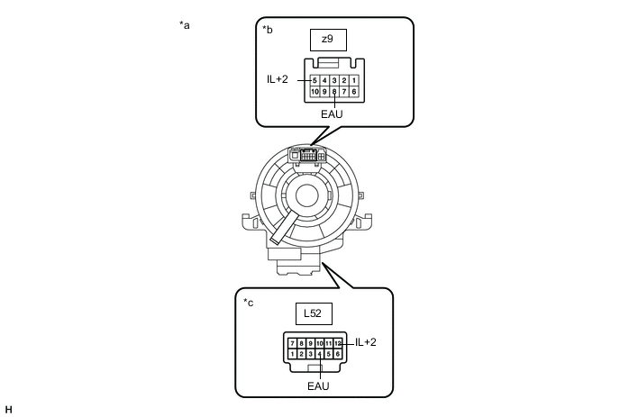
  5. INSPECT SPIRAL CABLE WITH SENSOR SUB-ASSEMBLY


    1. Remove the spiral cable with sensor sub-assembly Click here.

    2. Measure the resistance according to the value(s) in the table below.

      B005YH3E02
      Standard Resistance
      Tester Connection Condition Specified Condition
      z9-5 (IL+2) - L52-12 (IL+2) Center 3 Ω or less
      2.5 rotations to the left
      2.5 rotations to the right
      z9-8 (EAU) - L52-4 (EAU) Center 3 Ω or less
      2.5 rotations to the left
      2.5 rotations to the right
    3. After setting the spiral cable with sensor sub-assembly to the center position, rotate the spiral cable with sensor sub-assembly 2.5 times clockwise. Then while rotating the spiral cable with sensor sub-assembly 5 times counterclockwise, measure the resistance according to the value(s) the table below.

      Standard Resistance
      Tester Connection Condition Specified Condition
      z9-5 (IL+2) - L52-12 (IL+2) Always 3 Ω or less
      z9-8 (EAU) - L52-4 (EAU) Always 3 Ω or less

      Note


      • Press and hold the lock located in the center of the spiral cable with sensor sub-assembly to rotate the spiral cable with sensor sub-assembly.

      • The spiral cable with sensor sub-assembly is an important part of the SRS airbag system. Incorrect removal or installation of the spiral cable with sensor sub-assembly may prevent the airbag from deploying.

      • As the spiral cable with sensor sub-assembly may break, do not rotate the spiral cable with sensor sub-assembly more than the specified amount.

      Text in Illustration
      *a

      Component without harness connected

      (Spiral Cable with Sensor Sub-assembly)

      *b Steering Pad Switch Side
      *c Vehicle Side

    NG
    OK
  6. CHECK HARNESS AND CONNECTOR (SPIRAL CABLE WITH SENSOR SUB-ASSEMBLY - RADIO AND DISPLAY RECEIVER ASSEMBLY)


    1. Disconnect the L52 spiral cable with sensor sub-assembly connector.

    2. Disconnect the L35 radio and display receiver assembly connector.

    3. Measure the resistance according to the value(s) in the table below.

      Standard Resistance
      Tester Connection Condition Specified Condition
      L52-4 (EAU) - L35-23 (SWG) Always Below 1 Ω

    OK
    NG
  7. CHECK HARNESS AND CONNECTOR (ILLUMINATION SIGNAL)


    1. Disconnect the L167 radio and display receiver assembly connector.

    2. Measure the voltage according to the value(s) in the table below.

      Standard Voltage
      Tester Connection Condition Specified Condition
      L167-10 (ILL+) - Body ground

      Power switch off

      Light control switch in the tail or head position

      11 to 14 V

    NG
    OK
  8. CHECK HARNESS AND CONNECTOR (RADIO AND DISPLAY RECEIVER ASSEMBLY - BODY GROUND)


    1. Disconnect the L166 radio and display receiver assembly connector.

    2. Measure the resistance according to the value(s) in the table below.

      Standard Resistance
      Tester Connection Condition Specified Condition
      L166-5 (ILL-) - Body ground Always Below 1 Ω

    OK
    NG