LIGHTING SYSTEM(w/o Automatic Headlight Beam Level Control System) LO-beam Headlight does not Illuminate

DESCRIPTION

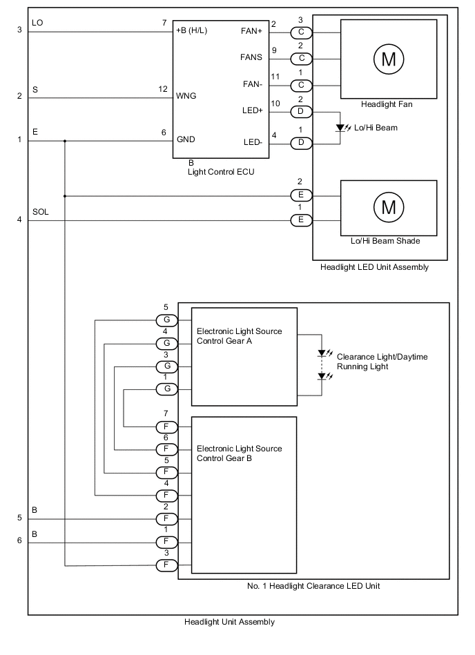
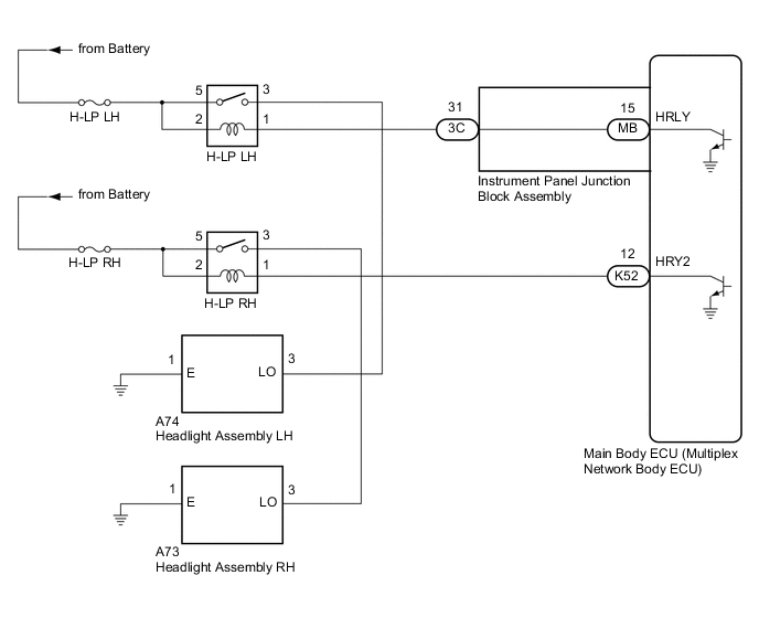
The main body ECU (multiplex network body ECU) controls the low beam headlights.

WIRING DIAGRAM

B0086X4E07

  1. HEADLIGHT ASSEMBLY CIRCUIT

    B00849DE01

CAUTION / NOTICE / HINT

Note


  • Inspect the fuses for circuits related to this system before performing the following procedure.

  • Before replacing the main body ECU (multiplex network body ECU), refer to Service Bulletin.*


    • *: w/ Smart Entry and Start System

PROCEDURE


  1. PERFORM ACTIVE TEST USING GTS


    1. Connect the GTS to the DLC3.

    2. Turn the ignition switch to ON.

    3. Turn the GTS on.

    4. Enter the following menus: Body Electrical / Main Body / Active Test.

    5. Perform the Active Test according to the display on the GTS.


      Body Electrical > Main Body > Active Test
      Tester Display Measurement Item Control Range Diagnostic Note
      Headlight Relay Low beam headlights OFF or ON -

      Body Electrical > Main Body > Active Test
      Tester Display
      Headlight Relay
      OK
      Low beam headlights illuminate.
      Result
      Result Proceed to
      OK A
      NG (for LH Side) B
      NG (for RH Side) C

    A
    C
    B
  2. INSPECT HEADLIGHT ASSEMBLY LH (LO TERMINAL VOLTAGE)

    B0083ICC05
    *a

    Front view of wire harness connector

    (to Headlight Assembly LH)


    1. Disconnect the A74 headlight assembly LH connector.

    2. Measure the voltage according to the value(s) in the table below.

      Standard Voltage
      Tester Connection Condition Specified Condition
      A74-3 (LO) - Body ground Light control switch in head position 11 to 14 V
      Result
      Proceed to
      OK
      NG

    NG
    OK
  3. CHECK HARNESS AND CONNECTOR (HEADLIGHT ASSEMBLY LH - BODY GROUND)


    1. Measure the resistance according to the value(s) in the table below.

      Standard Resistance
      Tester Connection Condition Specified Condition
      A74-1 (E) - Body ground Always Below 1 Ω
      Result
      Proceed to
      OK
      NG

    NG
    OK
  4. INSPECT HEADLIGHT UNIT ASSEMBLY LH

    B0085H5C03
    *a

    Component without harness connected

    (to Wire Harness)

    *b

    Component without harness connected

    (to Light Control ECU)

    *c

    Component without harness connected

    (to Headlight LED Unit Assembly LH)

    - -

    1. Remove the headlight assembly LH.

      Click here

    2. Remove the headlight unit assembly LH.

      Click here

    3. Measure the resistance according to the value(s) in the table below.

      Standard Resistance
      Tester Connection Condition Specified Condition
      A74-1 (E) - B-6 Always Below 1 Ω
      A74-3 (LO) - B-7 Always Below 1 Ω
      B-4 - D-1 Always Below 1 Ω
      B-10 - D-2 Always Below 1 Ω
      Result
      Proceed to
      OK
      NG

    NG
    OK
  5. CHECK LIGHT CONTROL ECU


    1. Remove each light control ECU, interchange the light control ECU (for LH) with (for RH) and connect the connectors.

      Click here

      Result
      Proceed to
      NEXT

    NEXT
  6. CHECK OPERATION (LOW BEAM HEADLIGHT)


    1. Check that the low beam headlight operates normally.

      OK
      Low beam headlight operates normally.
      Result
      Proceed to
      OK
      NG

    OK
    NG
  7. CHECK HARNESS AND CONNECTOR (H-LP LH RELAY - HEADLIGHT ASSEMBLY LH)


    1. Remove the H-LP LH relay.

    2. Measure the resistance according to the value(s) in the table below.

      Standard Resistance
      Tester Connection Condition Specified Condition
      3 (H-LP LH relay) - A74-3 (LO) Always Below 1 Ω
      3 (H-LP LH relay) or A74-3 (LO) - Body ground Always 10 kΩ or higher
      Result
      Proceed to
      OK
      NG

    NG
    OK
  8. INSPECT H-LP LH RELAY


    1. Inspect the H-LP LH relay.

      Click here

      Result
      Proceed to
      OK
      NG

    NG
    OK
  9. CHECK HARNESS AND CONNECTOR (POWER SOURCE - H-LP LH RELAY)


    1. Measure the voltage according to the value(s) in the table below.

      Standard Voltage
      Tester Connection Condition Specified Condition
      2 (H-LP LH relay) - Body ground Always 11 to 14 V
      5 (H-LP LH relay) - Body ground Always 11 to 14 V
      Result
      Proceed to
      OK
      NG

    NG
    OK
  10. CHECK HARNESS AND CONNECTOR (H-LP LH RELAY - INSTRUMENT PANEL JUNCTION BLOCK ASSEMBLY)


    1. Disconnect the 3C instrument panel junction block assembly connector.

    2. Measure the resistance according to the value(s) in the table below.

      Standard Resistance
      Tester Connection Condition Specified Condition
      1 (H-LP LH relay) - 3C-31 Always Below 1 Ω
      1 (H-LP LH relay) or 3C-31 - Body ground Always 10 kΩ or higher
      Result
      Proceed to
      OK
      NG

    NG
    OK
  11. INSPECT INSTRUMENT PANEL JUNCTION BLOCK ASSEMBLY

    B0089DEC01
    *a

    Component without harness connected

    (Instrument Panel Junction Block Assembly)

    - -

    1. Remove the instrument panel junction block assembly.

      Click here

    2. Remove the main body ECU (multiplex network body ECU) from the instrument panel junction block assembly.

    3. Measure the resistance according to the value(s) in the table below.

      Standard Resistance
      Tester Connection Condition Specified Condition
      3C-31 - MB-15 (HRLY) Always Below 1 Ω
      Result
      Proceed to
      OK
      NG

    OK
    NG
  12. INSPECT HEADLIGHT ASSEMBLY RH (LO TERMINAL VOLTAGE)

    B0083ICC07
    *a

    Front view of wire harness connector

    (to Headlight Assembly RH)


    1. Disconnect the A73 headlight assembly RH connector.

    2. Measure the voltage according to the value(s) in the table below.

      Standard Voltage
      Tester Connection Condition Specified Condition
      A73-3 (LO) - Body ground Light control switch in head position 11 to 14 V
      Result
      Proceed to
      OK
      NG

    NG
    OK
  13. CHECK HARNESS AND CONNECTOR (HEADLIGHT ASSEMBLY RH - BODY GROUND)


    1. Measure the resistance according to the value(s) in the table below.

      Standard Resistance
      Tester Connection Condition Specified Condition
      A73-1 (E) - Body ground Always Below 1 Ω
      Result
      Proceed to
      OK
      NG

    NG
    OK
  14. INSPECT HEADLIGHT UNIT ASSEMBLY RH

    B0085H5C04
    *a

    Component without harness connected

    (to Wire Harness)

    *b

    Component without harness connected

    (to Light Control ECU)

    *c

    Component without harness connected

    (to Headlight LED Unit Assembly RH)

    - -

    1. Remove the headlight assembly RH.

      Click here

    2. Remove the headlight unit assembly RH.

      Click here

    3. Measure the resistance according to the value(s) in the table below.

      Standard Resistance
      Tester Connection Condition Specified Condition
      A73-1 (E) - B-6 Always Below 1 Ω
      A73-3 (LO) - B-7 Always Below 1 Ω
      B-4 - D-1 Always Below 1 Ω
      B-10 - D-2 Always Below 1 Ω
      Result
      Proceed to
      OK
      NG

    NG
    OK
  15. CHECK LIGHT CONTROL ECU


    1. Remove each light control ECU, interchange the light control ECU (for RH) with (for LH) and connect the connectors.

      Click here

      Result
      Proceed to
      NEXT

    NEXT
  16. CHECK OPERATION (LOW BEAM HEADLIGHT)


    1. Check that the low beam headlight operates normally.

      OK
      Low beam headlight operates normally.
      Result
      Proceed to
      OK
      NG

    OK
    NG
  17. CHECK HARNESS AND CONNECTOR (H-LP RH RELAY - HEADLIGHT ASSEMBLY RH)


    1. Remove the H-LP RH relay.

    2. Measure the resistance according to the value(s) in the table below.

      Standard Resistance
      Tester Connection Condition Specified Condition
      3 (H-LP RH relay) - A73-3 (LO) Always Below 1 Ω
      3 (H-LP RH relay) or A73-3 (LO) - Body ground Always 10 kΩ or higher
      Result
      Proceed to
      OK
      NG

    NG
    OK
  18. INSPECT H-LP RH RELAY


    1. Inspect the H-LP RH relay.

      Click here

      Result
      Proceed to
      OK
      NG

    NG
    OK
  19. CHECK HARNESS AND CONNECTOR (POWER SOURCE - H-LP RH RELAY)


    1. Measure the voltage according to the value(s) in the table below.

      Standard Voltage
      Tester Connection Condition Specified Condition
      2 (H-LP RH relay) - Body ground Always 11 to 14 V
      5 (H-LP RH relay) - Body ground Always 11 to 14 V
      Result
      Proceed to
      OK
      NG

    NG
    OK
  20. CHECK HARNESS AND CONNECTOR (H-LP RH RELAY - MAIN BODY ECU (MULTIPLEX NETWORK BODY ECU))


    1. Disconnect the K52 main body ECU (multiplex network body ECU) connector.

    2. Measure the resistance according to the value(s) in the table below.

      Standard Resistance
      Tester Connection Condition Specified Condition
      1 (H-LP RH relay) - K52-12 (HRY2) Always Below 1 Ω
      1 (H-LP RH relay) or K52-12 (HRY2) - Body ground Always 10 kΩ or higher
      Result
      Proceed to
      OK
      NG

    OK
    NG