ОБОГРЕВАТЕЛИ СТЕКОЛ Система обогревателей заднего стекла не работает

Код DTC Наименование DTC
Система обогревателя заднего стекла не работает

ОПИСАНИЕ

Когда нажимается выключатель обогревателя заднего стекла на радиоприемнике с дисплеем в сборе*1 или на панели управления системы кондиционирования в сборе*2, управляющий сигнал передается в блок управления системой кондиционирования в сборе посредством шины передачи данных CAN*1 или LIN*2. При получении этого сигнала блок управления системой кондиционирования включает реле DEF обогревателя стекла, и система обогревателей стекла работает.

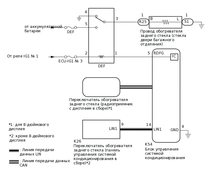
  • *1: для 8-дюймового дисплея

  • *2: кроме 8-дюймового дисплея

СХЕМА ЭЛЕКТРИЧЕСКИХ СОЕДИНЕНИЙ

B480076E02

ПРЕДОСТЕРЕЖЕНИЕ / ПРИМЕЧАНИЕ / УКАЗАНИЕ

Note:
  • Перед выполнением последующей процедуры проверки проверьте плавкие предохранители цепей, относящихся к данной системе.

  • Если напряжение аккумуляторной батареи низкое, система обогрева стекла может не работать из-за блокировки регулятором нагрузки АКБ. Проверьте параметр "Battery Control Count (Body ECU)" в списке Data List.

    Нажмите здесьClick here

  • В системе обогревателей стекла используется связь по шине CAN. Сначала убедитесь в отсутствии неисправностей линии передачи данных CAN. См. раздел "Порядок поиска неисправностей".

ПОРЯДОК ВЫПОЛНЕНИЯ

  1. ПРОВЕРЬТЕ СИСТЕМУ КОНДИЦИОНИРОВАНИЯ

    1. Проверьте систему кондиционирования.

      Tip:

      Сигналы управления системой обогревателя стекла и сигналы управления системой кондиционирования передаются в блок управления системой кондиционирования по одной и той же шине системы передачи данных.

      OK

      Система кондиционирования работает нормально.

    Result

    Перейти к

    OK

    НЕ СООТВ.

    НЕ СООТВ.

    ПЕРЕЙДИТЕ К СИСТЕМЕ КОНДИЦИОНИРОВАНИЯ

    Нажмите здесьClick hereClick here

    СООТВ
  2. ВЫПОЛНИТЕ АКТИВНУЮ ДИАГНОСТИКУ С ПОМОЩЬЮ GTS

    1. Подключите GTS к DLC3.

    2. Установите замок зажигания в положение ON (ВКЛ).

    3. Включите GTS.

    4. Войдите в следующие меню: Body Electrical / Air Conditioner / Active Test.

    5. Выполните диагностику в режиме ACTIVE TEST в соответствии с указаниями на дисплее GTS.

      Body Electrical > Air Conditioner > Active Test

      Информация на дисплее прибора

      Измеряемая величина

      Диапазон регулирования

      Замечание по диагностике

      Defogger Relay (Rear)

      Нить обогревателя заднего стекла (заднее стекло)

      OFF (ВЫКЛ) или ON (ВКЛ)

      -

      Body Electrical > Air Conditioner > Active Test

      Информация на дисплее прибора

      Defogger Relay (Rear)

      OK

      Система обогревателя стекла работает нормально.

    Результат

    Result

    Перейти К

    OK (кроме моделей с 8-дюймовым дисплеем)

    A

    OK (для моделей с 8-дюймовым дисплеем)

    B

    NG

    C

    B

    ЗАМЕНИТЕ РАДИОПРИЕМНИК С ДИСПЛЕЕМ В СБОРЕClick here

    C

    ПРОВЕРЬТЕ РЕЛЕ DEFClick here

    A
  3. ЗАМЕНИТЕ БЛОК УПРАВЛЕНИЯ СИСТЕМОЙ КОНДИЦИОНИРОВАНИЯ В СБОРЕ

    1. Замените панель управления системы кондиционирования новым или заведомо исправным.

      Нажмите здесьClick hereClick here

    2. Убедитесь, что система обогревателей стекла работает нормально.

      Нажмите здесьClick here

      OK

      Система обогревателя стекла работает нормально.

    Result

    Перейти к

    OK

    НЕ СООТВ.

    OK

    КОНЕЦ (ПАНЕЛЬ УПРАВЛЕНИЯ СИСТЕМОЙ КОНДИЦИОНИРОВАНИЯ БЫЛА НЕИСПРАВНА)

    NG

    ЗАМЕНИТЕ БЛОК УПРАВЛЕНИЯ СИСТЕМОЙ КОНДИЦИОНИРОВАНИЯ

    Нажмите здесьClick hereClick here

  4. ЗАМЕНИТЕ РАДИОПРИЕМНИК С ДИСПЛЕЕМ В СБОРЕ

    1. Замените радиоприемник с дисплеем в сборе новым или заведомо исправным.

      Нажмите здесьClick hereClick here

    2. Убедитесь, что система обогревателей стекла работает нормально.

      Нажмите здесьClick here

      OK

      Система обогревателя стекла работает нормально.

    Result

    Перейти к

    OK

    НЕ СООТВ.

    OK

    КОНЕЦ (РАДИОПРИЕМНИК С ДИСПЛЕЕМ В СБОРЕ НЕИСПРАВЕН)

    НЕ СООТВ.

    ЗАМЕНИТЕ БЛОК УПРАВЛЕНИЯ СИСТЕМОЙ КОНДИЦИОНИРОВАНИЯ

    Нажмите здесьClick hereClick here

  5. ПРОВЕРЬТЕ РЕЛЕ DEF

    1. Проверьте реле DEF.

      Нажмите здесьClick hereClick here

    Результат

    Перейти к

    OK

    НЕ СООТВ.

    НЕ СООТВ.

    ЗАМЕНИТЕ РЕЛЕ DEF

    СООТВ
  6. ПРОВЕРЬТЕ ЖГУТ ПРОВОДОВ И РАЗЪЕМ (РЕЛЕ DEF – РЕЛЕ IG1-NO. 1 И АКБ)

    1. B459495C01

      *a

      Держатель реле DEF

      Извлеките реле DEF из блока реле моторного отсека и распределительного блока в сборе.

    2. Измерьте напряжение в соответствии со значениями, приведенными в таблице.

      Номинальное напряжение

      Подключение диагностического прибора

      Условие

      Номинальное значение

      Контакт 1 держателя реле DEF - масса

      Замок зажигания в положении ON (ВКЛ)

      11–14 В

      Контакт 5 держателя реле DE - масса

      Всегда

      11-14 В

    Результат

    Перейти к

    OK

    НЕ СООТВ.

    НЕ СООТВ.

    ОТРЕМОНТИРУЙТЕ ИЛИ ЗАМЕНИТЕ ЖГУТ ПРОВОДОВ ИЛИ РАЗЪЕМ

    СООТВ
  7. ПРОВЕРЬТЕ ЖГУТ ПРОВОДОВ И РАЗЪЕМ (РЕЛЕ DEF – БЛОК УПРАВЛЕНИЯ СИСТЕМОЙ КОНДИЦИОНИРОВАНИЯ)

    1. B459495C01

      *a

      Держатель реле DEF

      Извлеките реле DEF из блока реле моторного отсека и распределительного блока в сборе.

    2. Отсоедините разъем K54 блока управления системой кондиционирования в сборе.

    3. Измерьте сопротивление в соответствии со значениями, приведенными в таблице ниже.

      Номинальное сопротивление

      Подключение диагностического прибора

      Условие

      Заданные условия

      Контакт 1 держателя реле DEF - K54-5 (RDFG)

      Всегда

      Менее 1 Ом

      Контакт 1 держателя реле DE или K54-5 (RDFG) - масса

      Всегда

      10 кОм или более

    Результат

    Перейти к

    OK

    НЕ СООТВ.

    НЕ СООТВ.

    ОТРЕМОНТИРУЙТЕ ИЛИ ЗАМЕНИТЕ ЖГУТ ПРОВОДОВ ИЛИ РАЗЪЕМ

    СООТВ
  8. ПРОВЕРЬТЕ ЖГУТ ПРОВОДОВ И РАЗЪЕМ (РЕЛЕ DEF - НИТЬ ОБОГРЕВАТЕЛЯ ЗАДНЕГО СТЕКЛА (СТЕКЛО ДВЕРИ БАГАЖНОГО ОТДЕЛЕНИЯ))

    1. B459495C01

      *a

      Держатель реле DEF

      Извлеките реле DEF из блока реле моторного отсека и распределительного блока в сборе.

    2. Отсоедините разъем R25 нити обогревателя заднего стекла (стекла двери багажного отделения).

    3. Измерьте сопротивление в соответствии со значениями, приведенными в таблице ниже.

      Номинальное сопротивление

      Подключение диагностического прибора

      Условие

      Заданные условия

      Контакт 3 держателя реле DEF - R25-1 (В)

      Всегда

      Менее 1 Ом

      Контакт 3 держателя реле DEF или R25-1 (B) - масса

      Всегда

      10 кОм или более

    Результат

    Перейти к

    OK

    НЕ СООТВ.

    НЕ СООТВ.

    ОТРЕМОНТИРУЙТЕ ИЛИ ЗАМЕНИТЕ ЖГУТ ПРОВОДОВ ИЛИ РАЗЪЕМ

    СООТВ
  9. ПРОВЕРЬТЕ ЖГУТ ПРОВОДОВ И РАЗЪЕМ (НИТЬ ОБОГРЕВАТЕЛЯ ЗАДНЕГО СТЕКЛА (СТЕКЛО ДВЕРИ БАГАЖНОГО ОТДЕЛЕНИЯ) - МАССА)

    1. Отсоедините разъем S1 нити обогревателя заднего стекла (стекла двери багажного отделения).

    2. Измерьте сопротивление в соответствии со значениями, приведенными в таблице ниже.

      Номинальное сопротивление

      Подключение диагностического прибора

      Условие

      Заданные условия

      S1-1 (L) - масса

      Всегда

      Менее 1 Ом

    Результат

    Перейти к

    OK

    НЕ СООТВ.

    НЕ СООТВ.

    ОТРЕМОНТИРУЙТЕ ИЛИ ЗАМЕНИТЕ ЖГУТ ПРОВОДОВ ИЛИ РАЗЪЕМ

    OK
  10. ПРОВЕРЬТЕ БЛОК УПРАВЛЕНИЯ СИСТЕМОЙ КОНДИЦИОНИРОВАНИЯ

    1. B429629C15

      *a

      Устройство с подсоединенным жгутом проводов

      (блок управления системой кондиционирования)

      Подсоедините разъем K54 блока управления системой кондиционирования в сборе.

    2. Установите реле DEF.

    3. Снимите блок управления системой кондиционирования в сборе, не отсоединяя его разъемы.

      Нажмите здесьClick hereClick here

    4. Измерьте напряжение в соответствии со значениями, приведенными в таблице.

      Номинальное напряжение

      Подключение диагностического прибора

      Условие

      Заданные условия

      K54-5 (RDFG) - K54-4 (GND)

      Зажигание включено, выключатель обогревателя заднего стекла выключен

      Менее 1 В

      K54-5 (RDFG) - K54-4 (GND)

      Зажигание включено, выключатель обогревателя заднего стекла выключен

      11 – 14 В

    Результат

    Перейти к

    OK

    НЕ СООТВ.

    СООТВ

    ОТРЕМОНТИРУЙТЕ ИЛИ ЗАМЕНИТЕ НИТЬ ОБОГРЕВАТЕЛЯ ЗАДНЕГО СТЕКЛА

    Нажмите здесьClick here

    NG

    ЗАМЕНИТЕ БЛОК УПРАВЛЕНИЯ СИСТЕМОЙ КОНДИЦИОНИРОВАНИЯ

    Нажмите здесьClick hereClick here