PARKING ASSIST MONITOR SYSTEM(for Camera built-in ECU) CALIBRATION

  1. ADJUST PARKING ASSIST MONITOR SYSTEM

    1. This parking assist monitor system can be adjusted using the diagnostic screen of the display.

    2. If the following operations are performed, it is necessary to perform adjustments and checks using the diagnostic screen.

      Part Name

      Operation

      Adjustment Item

      Proceed to

      Television camera assembly

      • Replacement

      • Installation angle of the television camera assembly changes because of the removal and installation of the television camera assembly, etc.

      Parking assist monitor system initialization

      Procedure 1

      Suspension, tires, etc.

      The vehicle height changes because of suspension or tire replacement

      Back camera position setting

      Procedure 2

      Spiral with sensor cable sub-assembly

      • Replacement

      • Removal and installation of the spiral with sensor cable sub-assembly

      Steering angle setting

      Procedure 3

      Tip:

      The adjustment values stored while performing parking assist monitor system calibration are stored in the television camera assembly.

  2. PARKING ASSIST MONITOR SYSTEM INITIALIZATION (PROCEDURE 1)

    Tip:

    Be sure to check for DTCs before performing this procedure.

    Click here

    1. Preparation for adjustment

      1. Park the vehicle with the steering wheel centered.

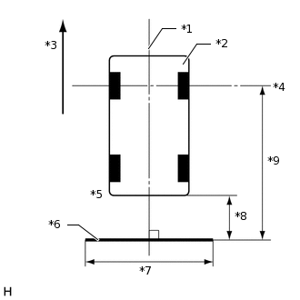
      2. E271224C01

        *1

        Vehicle Center

        *2

        Vehicle

        *3

        Front

        *4

        Center of Front Tire

        *5

        Rear Bumper

        *6

        Target Bar for Back Camera Adjustment

        *7

        2000 mm

        *8

        A

        *9

        B

        Set a target bar behind the vehicle for back camera position setting.

        Tip:

        Create a target bar for adjustment only when adjusting the back camera position setting.

        Dimension

        Area

        Specification

        A

        1491 mm (4.89 ft.)

        B

        5153 mm (16.9 ft.)

        Tip:
        • Set a piece of tape on the ground as the target bar for adjustment. Its width and length should be 20 to 30 mm (0.79 to 1.18 in.) and 2000 mm (6.56 ft.), respectively. Check the color on the multi-display (display panel) and choose a tape color which can be easily seen.

        • Before parking the vehicle, be sure to move the vehicle forward and in reverse to check that the tires are facing straight ahead with the steering wheel centered.

        • Check that the back door is fully closed.

    2. Start diagnostic mode.

      Click here

      Note:

      The following must be carried out with the engine started. Apply the parking brake, depress the brake pedal, check that the shift lever is in P, and ensure that the vehicle is not moving.

      1. E273700

        Select "Function Check/Setting" on the "Service Menu" screen.

      2. E288889

        Select "Camera Setting" on the "Function Check/Setting I" screen.

      3. E286846

        Select "Next" on the "Car Signal Check" screen.

        Tip:
        • When "CHK" (red) is displayed for any items on the "Car Signal Check" screen, selecting "Next" will not change the screen to the "Steering Angle Setting" screen.

        • When "CHK" (red) is displayed for any items on the "Car Signal Check" screen, perform inspections using the "Car Signal Check" screen.

          Click here

    3. Steering Angle Setting

      1. E286850

        Perform the "STEERING CENTER MEMORIZE" operation.

        • Check that the steering wheel is centered (approximately +/- 5 degrees or less) and then select "STEERING CENTER MEMORIZE".

      2. Perform the "MAX STEERING ANGLE MEMORIZE" operation.

        • After performing the steering center memorize operation, turn the steering wheel to the left and right lock positions and select "MAX STEERING ANGLE MEMORIZE". The maximum steering angle is then stored and the screen changes to the "Back Camera Position Setting" screen.

        Tip:

        The "OK" button does not respond until the system memorizes the steering center and maximum steering wheel angle.

        • It is also possible to start by initially turning the steering to the right side.

        • When "MAX STEERING ANGLE MEMORIZE" is selected, a beep will sound to confirm that the adjustment values have been stored.

        • The adjustment values will not be stored unless "MAX STEERING ANGLE MEMORIZE" is selected after turning the steering wheel from lock to lock.

        • When "Back" is selected, the screen changes to the "Car Signal Check" screen without storing any values.

        • Even if no DTCs are detected, selecting "MAX STEERING ANGLE MEMORIZE" may not cause the adjustment values to be stored if the steering sensor is malfunctioning.

        • If selecting "MAX STEERING ANGLE MEMORIZE" does not cause the adjustment value to be stored after performing the steering angle setting procedure, replace the spiral with sensor cable sub-assembly.

          Click here

    4. E286847N01

      Back Camera Position Setting

      Tip:
      • When the back door is open, the "Back door is open. Do not use the rear view monitor when the back door is not completely closed." message will be displayed and camera position setting will not be possible.

      • If the "Back door is open. Do not use the rear view monitor when the back door is not completely closed." message is displayed even when the back door is closed, perform inspections according to Problem Symptoms Table (When adjusting the back camera position setting, "Back door is open. Do not use the rear view monitor when the back door is not completely closed." is displayed even after the back door has been closed.)

        Click here

      1. Perform vertical and horizontal position adjustment.

        • Use the directional switches A, B, C and D to move E so that the target adjustment bar is centered in E.

      2. Perform roll angle adjustment.

        • Use switches F and G to rotate H so that it is parallel to the target adjustment bar.

      3. Select the "Next" button on the "Back Camera Position Setting" screen.

    5. E286848N01

      Back Verify Mode

      1. Check that A and the target adjustment bar are overlapping.

        • If A and the target adjustment bar are not aligned even if the tires are aligned straight ahead, perform the back camera position setting operation.

      2. Selecting "OK" will return to the "Function Check/Setting I" screen and complete the adjustment.

        Tip:
        • The update is not completed until "OK" is selected.

        • When "OK" is selected, a beep will sound to confirm that the adjustment values have been stored.

        • The adjustment values are not stored until the beep has sounded.

    6. Finish diagnostic mode.

      Click here

    7. Confirm steering angle adjustment.

      Tip:

      If the steering angle has been adjusted, confirm the steering angle adjustment on the parking assist monitor screen after finishing diagnosis mode.

      1. Check on the parking assist screen that the estimated course line moves until the steering wheel is fully turned to either the left or right.

        Tip:

        If the estimated course line stops moving before the steering wheel is fully turned to either the left or right, the steering angle adjustment values have not been stored correctly. In this case, perform "STEERING CENTER MEMORIZE" and "MAX STEERING ANGLE MEMORIZE" again.

  3. BACK CAMERA SETTING (PROCEDURE 2)

    Tip:

    Be sure to check for DTCs before performing this procedure.

    Click here

    1. Preparation for adjustment

      1. Park the vehicle with the steering wheel centered.

      2. E271224C01

        *1

        Vehicle Center

        *2

        Vehicle

        *3

        Front

        *4

        Center of Front Tire

        *5

        Rear Bumper

        *6

        Target Bar for Back Camera Adjustment

        *7

        2000 mm

        *8

        A

        *9

        B

        Set a target bar behind the vehicle for back camera position setting.

        Tip:

        Create a target bar for adjustment only when adjusting the back camera position setting.

        Dimension

        Area

        Specification

        A

        1491 mm (4.89 ft.)

        B

        5153 mm (16.9 ft.)

        Tip:
        • Set a piece of tape on the ground as the target bar for adjustment. Its width and length should be 20 to 30 mm (0.79 to 1.18 in.) and 2000 mm (6.56 ft.), respectively. Check the color on the multi-display (display panel) and choose a tape color which can be easily seen.

        • Before parking the vehicle, be sure to move the vehicle forward and in reverse to check that the tires are facing straight ahead with the steering wheel centered.

        • Check that the back door is fully closed.

    2. Start diagnostic mode.

      Click here

      Note:

      The following must be carried out with the engine started. Apply the parking brake, depress the brake pedal, check that the shift lever is in P, and ensure that the vehicle is not moving.

      1. E273700

        Select "Function Check/Setting" on the "Service Menu" screen.

      2. E288889

        Select "Camera Setting" on the "Function Check/Setting I" screen.

      3. E286851

        Select "Back Camera Setting" on the "Mode Setting" screen.

        Tip:

        To select a grayed out item, select and hold the item for 2 seconds or more.

      4. E286846

        Select "Next" on the "Car Signal Check" screen.

        Tip:
        • When "CHK" (red) is displayed for any items on the "Car Signal Check" screen, selecting "Next" will not change the screen to the "Back Camera Position Setting" screen.

        • When "CHK" (red) is displayed for any items on the "Car Signal Check" screen, perform inspections using the "Car Signal Check" screen.

          Click here

    3. E286847N01

      Back Camera Position Setting

      Tip:
      • When the back door is open, the "Back door is open. Do not use the rear view monitor when the back door is not completely closed." message will be displayed and camera position setting will not be possible.

      • If the "Back door is open. Do not use the rear view monitor when the back door is not completely closed." message is displayed even when the back door is closed, perform inspections according to Problem Symptoms Table (When adjusting the back camera position setting, "Back door is open. Do not use the rear view monitor when the back door is not completely closed." is displayed even after the back door has been closed.)

        Click here

      1. Perform vertical and horizontal position adjustment.

        • Use the directional switches A, B, C and D to move E so that the target adjustment bar is centered in E.

      2. Perform roll angle adjustment.

        • Use switches F and G to rotate H so that it is parallel to the target adjustment bar.

      3. Select the "Next" button on the "Back Camera Position Setting" screen.

    4. E286848N01

      Back Verify Mode

      1. Check that A and the target adjustment bar are overlapping.

        • If A and the target adjustment bar are not aligned even if the tires are aligned straight ahead, perform the back camera position setting operation.

      2. Selecting "OK" will return to the "Service Menu" screen and complete the adjustment.

        Tip:
        • The update is not completed until "OK" is selected.

        • When "OK" is selected, a beep will sound to confirm that the adjustment values have been stored.

        • The adjustment values are not stored until the beep has sounded.

    5. Finish diagnostic mode.

      Click here

  4. STEERING ANGLE SETTING (PROCEDURE 3)

    Tip:

    If the vehicle width extension lines and estimated course lines are not aligned when the steering wheel is centered, or if the estimated course line does not move before the steering wheel is fully turned to either the left or right, perform Steering Angle Setting.

    1. Center the steering wheel and stop the vehicle.

    2. Start diagnostic mode.

      Click here

      Note:

      The following must be carried out with the engine started. Apply the parking brake, depress the brake pedal, check that the shift lever is in P, and ensure that the vehicle is not moving.

      1. E273700

        Select "Function Check/Setting" on the "Service Menu" screen.

      2. E288889

        Select "Camera Setting" on the "Function Check/Setting I" screen.

      3. E286851

        Select "Steering Angle Setting" on the "Mode Setting" screen.

        Tip:

        To select a grayed out item, select and hold the item for 2 seconds or more.

      4. E286846

        Select "Next" on the "Car Signal Check" screen to display the "Steering Angle Setting" screen.

        Tip:
        • When "CHK" (red) is displayed for any items on the "Car Signal Check" screen, selecting "Next" will not change the screen to the "Steering Angle Setting" screen.

        • When "CHK" is displayed for any items on the "Car Signal Check" screen, perform inspections using the "Car Signal Check" screen.

          Click here

    3. E286850

      Steering Angle Setting

      1. Check that the steering wheel is centered (approximately +/- 5 degrees or less) and select "STEERING CENTER MEMORIZE".

      2. After the centered steering position is memorized, turn the steering wheel to the left and then to the right full lock positions and select "MAX STEERING ANGLE MEMORIZE".

        Tip:

        It is also possible to start by initially turning the steering wheel to the right side.

      3. Select "MAX STEERING ANGLE MEMORIZE" to store the steering angle adjustment value and change the screen to the "Mode Setting" screen.

        Tip:
        • When "MAX STEERING ANGLE MEMORIZE" is selected, a beep will sound to confirm that the steering angle adjustment values have been stored.

        • The adjustment values will not be stored unless "MAX STEERING ANGLE MEMORIZE" is selected.

        • When "Back" is selected, the screen changes to Car Signal Check without storing the set values.

        • If the Steering Angle Settings have not been adjusted, selecting "MAX STEERING ANGLE MEMORIZE" will not cause the adjustment values to be stored.

        • Even if no DTCs are detected, selecting "MAX STEERING ANGLE MEMORIZE" may not cause the adjustment value to be stored if the steering sensor is malfunctioning.

        • If selecting "MAX STEERING ANGLE MEMORIZE" does not cause the adjustment value to be stored after adjusting the steering angle, replace the spiral with sensor cable sub-assembly.

          Click here

    4. Finish diagnostic mode.

      Click here

    5. Confirm steering angle adjustment.

      Tip:

      If the steering angle has been adjusted, confirm the steering angle adjustment on the parking assist monitor screen after finishing diagnosis mode.

      1. Check on the parking assist screen that the estimated course line moves until the steering wheel is fully turned to either the left or right.

        Tip:

        If the estimated course line stops moving before the steering wheel is fully turned to either the left or right, the steering angle adjustment values have not been stored correctly. In this case, perform "STEERING CENTER MEMORIZE" and "MAX STEERING ANGLE MEMORIZE" again.