DYNAMIC RADAR CRUISE CONTROL SYSTEM Cruise Control Switch Circuit

DTC Code DTC Name
Cruise Control Switch Circuit

DESCRIPTION

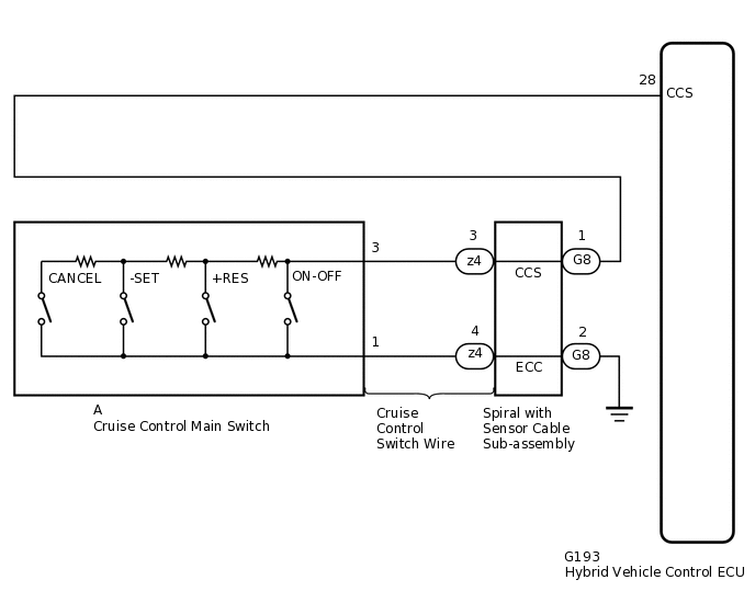
This circuit sends a signal to the hybrid vehicle control ECU depending on the cruise control main switch condition. The battery supplies positive (+) battery voltage to the circuit control switch. Then terminal CCS of the hybrid vehicle control ECU receives the voltage according to the switch condition.

WIRING DIAGRAM

E274256E08

PROCEDURE

  1. READ VALUE USING TECHSTREAM

    1. Check the Data List for proper functioning of the cruise control main switch.

      Click here

      Powertrain > Radar Cruise1 > Data List

      Tester Display

      Measurement Item

      Range

      Normal Condition

      Diagnostic Note

      Cancel Switch

      CANCEL switch status

      ON or OFF

      ON: CANCEL switch on

      OFF: CANCEL switch off

      -

      -SET Switch

      -SET switch status

      ON or OFF

      ON: -SET switch on

      OFF: -SET switch off

      -

      +RES Switch

      +RES switch status

      ON or OFF

      ON: +RES switch on

      OFF: +RES switch off

      -

      Cruise Ready Main-CPU

      Cruise control system standby condition

      ON or OFF

      Each time cruise control main switch is pushed, ON or OFF changes

      -

      Cruise Ready Sub-CPU

      Cruise control system standby condition

      ON or OFF

      Each time cruise control main switch is pushed, ON or OFF changes

      -

      Powertrain > Radar Cruise1 > Data List

      Tester Display

      Cancel Switch

      -SET Switch

      +RES Switch

      Cruise Ready Main-CPU

      Cruise Ready Sub-CPU

      OK

      When the cruise control main switch is operated, the display changes as shown above.

    Result

    Proceed to

    OK

    NG

    OK

    PROCEED TO NEXT SUSPECTED AREA SHOWN IN PROBLEM SYMPTOMS TABLE

    NG
  2. INSPECT CRUISE CONTROL MAIN SWITCH

    1. Remove the cruise control main switch.

      Click here

    2. Inspect the cruise control main switch.

      Click here

    Result

    Proceed to

    OK

    NG

    NG

    REPLACE CRUISE CONTROL MAIN SWITCH

    OK
  3. CHECK CRUISE CONTROL SWITCH WIRE

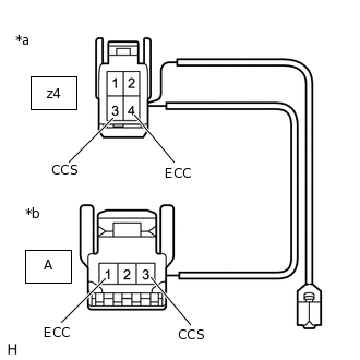
    1. E178683C14

      *a

      Front view of wire harness connector

      (to Spiral with Sensor Cable Sub-assembly)

      *b

      Front view of wire harness connector

      (to Cruise Control Main Switch)

      Disconnect the z4 spiral with sensor cable sub-assembly connector.

    2. Disconnect the A cruise control switch wire connector.

    3. Measure the resistance according to the value(s) in the table below.

      Standard Resistance

      Tester Connection

      Condition

      Specified Condition

      z4-3 (CCS) - A-3 (CCS)

      Always

      Below 1 Ω

      z4-4 (ECC) - A-1 (ECC)

      Always

      Below 1 Ω

      z4-3 (CCS) or A-3 (CCS) - Body ground

      Always

      10 kΩ or higher

      z4-4 (ECC) or A-1 (ECC) - Body ground

      Always

      10 kΩ or higher

    Result

    Proceed to

    OK

    NG

    NG

    REPLACE CRUISE CONTROL SWITCH WIRE

    OK
  4. INSPECT SPIRAL WITH SENSOR CABLE SUB-ASSEMBLY

    1. Remove the spiral with sensor cable sub-assembly.

    2. Inspect the spiral with sensor cable sub-assembly.

    Result

    Proceed to

    OK

    NG

    NG

    REPLACE SPIRAL WITH SENSOR CABLE SUB-ASSEMBLY

    OK
  5. CHECK HARNESS AND CONNECTOR (SPIRAL WITH SENSOR CABLE SUB-ASSEMBLY - HYBRID VEHICLE CONTROL ECU AND BODY GROUND)

    1. Disconnect the G8 spiral with sensor cable sub-assembly connector.

    2. Disconnect the G193 hybrid vehicle control ECU connector.

    3. Measure the resistance according to the value(s) in the table below.

      Standard Resistance

      Tester Connection

      Condition

      Specified Condition

      G8-1 (CCS) - G193-28 (CCS)

      Always

      Below 1 Ω

      G8-2 (ECC) - Body ground

      Always

      Below 1 Ω

      G8-1 (CCS) or G193-28 (CCS) - Body ground

      Always

      10 kΩ or higher

    Result

    Proceed to

    OK

    NG

    OK

    REPLACE HYBRID VEHICLE CONTROL ECU

    NG

    REPAIR OR REPLACE HARNESS OR CONNECTOR