СИСТЕМА ПОСАДКИ И ЗАПУСКА (для моделей с функцией посадки) Не работают все функции блокировки и разблокировки дверей системы посадки и системы дистанционного управления замками дверей

Код DTC Наименование DTC
Не работают все функции блокировки и разблокировки дверей системы посадки и системы дистанционного управления замками дверей

ОПИСАНИЕ

Если выполнение операций блокировки функцией посадки и системой дистанционной блокировки невозможно, это может быть обусловлено неисправностью приемника системы управления замками дверей, помехами или нарушением обмена данными между приемником системы блокировки дверей и ЭБУ сертификации (ЭБУ электронного ключа зажигания в сборе), который обеспечивает работу функции посадки и системы дистанционной блокировки.

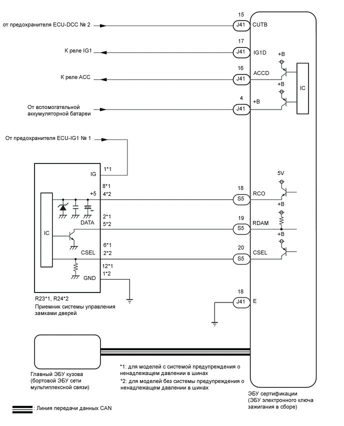
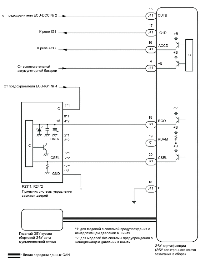
СХЕМА ЭЛЕКТРИЧЕСКИХ СОЕДИНЕНИЙ

Figure 1. Для моделей с левосторонним рулевым управлением.
B416846E42
Figure 2. для моделей с правосторонним рулевым управлением.
B416846E43

ПРЕДОСТЕРЕЖЕНИЕ / ПРИМЕЧАНИЕ / УКАЗАНИЕ

Note:
  • Система посадки и запуска (функция посадки) использует системы передачи данных LIN и CAN. Проверьте работоспособность системы передачи данных, следуя указаниям из раздела "Порядок поиска неисправностей". Приступать к диагностике системы посадки и запуска (функции посадки) следует только после подтверждения нормальной работы систем передачи данных.

    Нажмите здесьClick here

  • При использовании GTS с выключенным питанием, подсоедините GTS к DLC3 и включайте и выключайте освещение проема двери с интервалами 1,5 с или менее до тех пор, пока не начнется обмен данными между GTS и автомобилем. Затем выберите код модели "KEY REGIST" в ручном режиме и войдите в следующие пункты меню: Body Electrical / Entry&Start(CAN). При использовании диагностического прибора TechDoc3 периодически включайте и выключайте выключатель освещения дверного проема с интервалом не более 1,5 с, чтобы поддерживать связь между диагностическим прибором TechDoc3 и автомобилем.

  • Перед заменой ЭБУ сертификации (ЭБУ электронного ключа зажигания) или главного ЭБУ кузова (бортового ЭБУ сети мультиплексной связи) обратитесь к мерам предосторожности.

    Нажмите здесьClick hereClick here

  • После ремонта убедитесь, что коды DTC не выводятся снова.

  • Перед выполнением последующей процедуры проверки проверьте плавкие предохранители цепей, относящихся к данной системе.

  • Убедитесь, что в автомобиле отсутствуют передатчики электронных ключей в сборе.

  • Перед выполнением проверки убедитесь, что код DTC B1242 (системы дистанционной блокировки дверей) не выводится.

    Нажмите здесьClick here

  • В случае замены электронного ключа и приемника TPMS в сборе считайте идентификаторы передатчиков (системы предупреждения о ненадлежащем давлении в шинах), хранящиеся в прежнем ЭБУ, с помощью прибора GTS и запишите их, прежде чем снимать приемник.

    Нажмите здесьClick here

  • Если была произведена замена электронного ключа и приемника TPMS в сборе, необходимо выполнить инициализацию (нажмите здесьClick here) после регистрации (нажмите здесьClick here) идентификаторов передатчика в электронном ключе и приемнике TPMS в сборе.

ПОРЯДОК ВЫПОЛНЕНИЯ

  1. ПРОВЕРЬТЕ НАПРЯЖЕНИЕ ВСПОМОГАТЕЛЬНОЙ АККУМУЛЯТОРНОЙ БАТАРЕИ

    1. Измерьте напряжение вспомогательной аккумуляторной батареи при выключенном питании.

      Номинальное напряжение

      11–14 В

      Tip:

      Чтобы проверить, разряжена вспомогательная аккумуляторная батарея или нет, можно использовать звуковой сигнал.

      Если напряжение ниже 11 В, прежде чем переходить к следующему шагу, зарядите или замените вспомогательную аккумуляторную батарею.

    Result

    Перейти к

    СЛЕДУЮЩЕЕ -

    СЛЕДУЮЩЕЕ -
  2. ПРОВЕРЬТЕ DTC

    1. Откройте дверь водителя с помощью механического ключа, встроенного в передатчик электронного ключа в сборе.

    2. Проверьте наличие кодов DTC.

      Body Electrical > Entry&Start > Trouble Codes

    Result

    Result

    Следующий шаг

    DTC не выводятся.

    А

    Коды DTC выводятся

    Б

    B

    ПЕРЕЙДИТЕ К "ТАБЛИЦЕ ДИАГНОСТИЧЕСКИХ КОДОВ НЕИСПРАВНОСТЕЙ"

    Нажмите здесьClick hereClick here

    A
  3. ПРОВЕРКА СИСТЕМЫ

    1. Проверьте технические характеристики автомобиля.

    Result

    Result

    Перейдите к

    для моделей с функцией предупреждения о неплотно закрытой двери

    A

    для моделей без функции предупреждения о неплотно закрытой двери

    B

    B

    ПРОВЕРЬТЕ СИСТЕМУ УПРАВЛЕНИЯ ЗАМКАМИ ДВЕРЕЙClick here

    A
  4. ПРОВЕРЬТЕ ПРЕДУПРЕЖДЕНИЕ О НЕПЛОТНО ЗАКРЫТОЙ ДВЕРИ

    1. Если двери блокируются при помощи функции блокировки системы посадки, когда все двери закрыты, проверьте работу предупреждения о неплотно закрытой двери.

      Tip:

      Предупреждение работает (предупреждение о неплотно закрытой двери)

      Нажмите здесьClick here

    Result

    Result

    Перейдите к

    Зуммер системы дистанционного управления замками дверей не звучит

    А

    Зуммер системы дистанционного управления замками дверей звучит

    Б

    B

    ПЕРЕЙДИТЕ К РАЗДЕЛУ "СИСТЕМА ОСВЕЩЕНИЯ" (см. "Цепь выключателя освещения дверного проема")

    Нажмите здесьClick here

    A
  5. ПРОВЕРЬТЕ СИСТЕМУ УПРАВЛЕНИЯ ЗАМКАМИ ДВЕРЕЙ

    1. Приводя в действие выключатель системы блокировки дверей на главном переключателе сети мультиплексной связи, убедитесь, что двери блокируются и разблокируются в соответствии с состоянием выключателя.

      Нажмите здесьClick here

    Result

    Result

    Перейдите к

    Функция управления замками дверей работает нормально

    А

    Функция управления замками дверей работает ненормально

    Б

    B

    ПЕРЕЙДИТЕ К РАЗДЕЛУ "СИСТЕМА УПРАВЛЕНИЯ ЗАМКАМИ ДВЕРЕЙ"

    Нажмите здесьClick here

    A
  6. ПРОВЕРЬТЕ РЕЖИМ ДИАГНОСТИКИ КЛЮЧА

    1. Проверьте следующие антенны в режиме диагностики ключа.

      Body Electrical > Entry&Start > Utility

      Информация на дисплее прибора

      Communication Check (Key Diag Mode)

      1. B416800C01

        *A

        Для моделей с левосторонним рулевым управлением

        *B

        Для моделей с правосторонним рулевым управлением

        *a

        0,7 - 1 м (2,30 - 3,28 фута)

        Проверьте антенну электронного ключа (двери водителя):

        Когда передатчик электронного ключа находится на расстоянии 0,7 - 1 м (2,30 - 3,28 фута) от наружной ручки передней двери (для двери водителя), убедитесь, что звучит зуммер системы дистанционной блокировки дверей.

        Tip:
        • Выберите либо канал 1, либо канал 2 и выполните проверку в режиме диагностики ключа для каждого канала.

        • Если сигнал зуммера раздается при отображении [CH1], но не при [CH2], передатчик электронного ключа в сборе не может быть обнаружен каналом 2 по причине неисправности такой, как электромагнитные помехи.

      2. B416801C01

        *A

        Для моделей с левосторонним рулевым управлением

        *B

        Для моделей с правосторонним рулевым управлением

        *a

        0,7 - 1 м (2,30 - 3,28 фута)

        Проверьте антенну электронного ключа (двери переднего пассажира):

        Когда передатчик электронного ключа находится на расстоянии 0,7 - 1 м (2,30 - 3,28 фута) от наружной ручки передней двери (для двери переднего пассажира), убедитесь, что звучит зуммер системы дистанционной блокировки дверей.

        Tip:
        • Выберите либо канал 1, либо канал 2 и выполните проверку в режиме диагностики ключа для каждого канала.

        • Если сигнал зуммера раздается при отображении [CH1], но не при [CH2], передатчик электронного ключа в сборе не может быть обнаружен каналом 2 по причине неисправности такой, как электромагнитные помехи.

      3. B416802C01

        *A

        Для моделей с левосторонним рулевым управлением

        *B

        Для моделей с правосторонним рулевым управлением

        *a

        0,7 - 1 м (2,30 - 3,28 фута)

        Проверьте антенну электронного ключа (задней двери (со стороны водителя)):

        Когда передатчик электронного ключа находится на расстоянии 0,7 - 1 м (2,30 - 3,28 фута) от наружной ручки задней двери (со стороны водителя), убедитесь, что звучит зуммер системы дистанционной блокировки дверей.

        Tip:
        • Выберите либо канал 1, либо канал 2 и выполните проверку в режиме диагностики ключа для каждого канала.

        • Если сигнал зуммера раздается при отображении [CH1], но не при [CH2], передатчик электронного ключа в сборе не может быть обнаружен каналом 2 по причине неисправности такой, как электромагнитные помехи.

      4. B416803C01

        *A

        Для моделей с левосторонним рулевым управлением

        *B

        Для моделей с правосторонним рулевым управлением

        *a

        0,7 - 1 м (2,30 - 3,28 фута)

        Проверьте антенну электронного ключа (задней двери (со стороны переднего пассажира)):

        Когда передатчик электронного ключа находится на расстоянии 0,7 - 1 м (2,30 - 3,28 фута) от наружной ручки задней двери (со стороны переднего пассажира), убедитесь, что звучит зуммер системы дистанционной блокировки дверей.

        Tip:
        • Выберите либо канал 1, либо канал 2 и выполните проверку в режиме диагностики ключа для каждого канала.

        • Если сигнал зуммера раздается при отображении [CH1], но не при [CH2], передатчик электронного ключа в сборе не может быть обнаружен каналом 2 по причине неисправности такой, как электромагнитные помехи.

      5. B416812C01

        *a

        Место проверки

        Проверьте внутреннюю антенну электронного ключа № 1 (в переднем полу):

        Когда передатчик электронного ключа находится в сборе находится в любой точке проверки, убедитесь, что звучит зуммер системы дистанционного управления замками дверей.

        Tip:
        • Выберите либо канал 1, либо канал 2 и выполните проверку в режиме диагностики ключа для каждого канала.

        • Если сигнал зуммера раздается при отображении [CH1], но не при [CH2], передатчик электронного ключа в сборе не может быть обнаружен каналом 2 по причине неисправности такой, как электромагнитные помехи.

      6. B416813C01

        *a

        Место проверки

        Проверьте внутреннюю антенну электронного ключа № 2 (в заднем полу):

        Когда передатчик электронного ключа находится в сборе находится в любой точке проверки, убедитесь, что звучит зуммер системы дистанционного управления замками дверей.

        Tip:
        • Выберите либо канал 1, либо канал 2 и выполните проверку в режиме диагностики ключа для каждого канала.

        • Если сигнал зуммера раздается при отображении [CH1], но не при [CH2], передатчик электронного ключа в сборе не может быть обнаружен каналом 2 по причине неисправности такой, как электромагнитные помехи.

      7. B416814C01

        *a

        Место проверки

        Проверьте внутреннюю антенну электронного ключа № 3 (внутри багажного отделения):

        Когда передатчик электронного ключа находится в сборе находится в любой точке проверки, убедитесь, что звучит зуммер системы дистанционного управления замками дверей.

        Tip:
        • Выберите либо канал 1, либо канал 2 и выполните проверку в режиме диагностики ключа для каждого канала.

        • Если сигнал зуммера раздается при отображении [CH1], но не при [CH2], передатчик электронного ключа в сборе не может быть обнаружен каналом 2 по причине неисправности такой, как электромагнитные помехи.

      8. B416815C01

        *a

        0,7 - 1 м (2,30 - 3,28 фута)

        Проверьте антенну электронного ключа (снаружи багажного отделения):

        Когда передатчик электронного ключа в сборе находится на расстоянии 0,7-1 м (2,30-3,28 фута) от антенны электронного ключа (снаружи багажного отделения), убедитесь, что звучит зуммер системы дистанционного управления замками дверей.

        Tip:
        • Выберите либо канал 1, либо канал 2 и выполните проверку в режиме диагностики ключа для каждого канала.

        • Если сигнал зуммера раздается при отображении [CH1], но не при [CH2], передатчик электронного ключа в сборе не может быть обнаружен каналом 2 по причине неисправности такой, как электромагнитные помехи.

        OK

        Зуммер системы дистанционного управления замками дверей звучит.

    Result

    Result

    Перейдите к

    Проверки в режиме диагностики ключа для обоих каналов завершаются неуспешно

    А

    Проверки в режиме диагностики ключа для обоих каналов завершаются успешно

    B

    Проверка в режиме диагностики ключа завершается успешно только для одного из каналов

    C

    B

    ВЫПОЛНИТЕ РЕГИСТРАЦИЮClick here

    C

    ПРОВЕРЬТЕ ПРОХОЖДЕНИЕ РАДИОВОЛНClick here

    A
  7. ПРОВЕРЬТЕ ПРОХОЖДЕНИЕ РАДИОВОЛН

    1. Поднесите передатчик электронного ключа к приемнику системы управления замками дверей и нажмите какую-либо кнопку на пульте дистанционного управления 2 или более раз*.

      • *: Если функция беспроводного управления приводится в действие, канал 1 и 2 используются попеременно. Если первое включение при помощи дистанционного управления произведено успешно, а при втором произошел сбой, один из каналов может подвергаться воздействию интерференции.

      Tip:
      • Если передатчик электронного ключа находится рядом с приемником системы дистанционной блокировки дверей, вероятность радиопомех снижается, поэтому можно проверить, являются ли радиопомехи причиной неисправности.

      • Если результат проверки работы указывает на то, что неисправность проявляется в определенном месте или в определенное время, высока вероятность интерференции. Кроме того, причиной помех могут быть дополнительно установленные устройства. Если данные устройства установлены, снимите их и выполните проверку работы.

      • Помехами Если автомобиль находится рядом с радиовещательными антенн, больших видеоизображение отображается, систем дистанционного открывания гаражных дверей, камер безопасности дистанционной системы безопасности, "HOME" и т. д. В этом случае переместите автомобиль в другое место и проверьте, имеются ли улучшения.

      • При наличии прибора для контроля электромагнитного излучения, например, измерителя уровня сигнала, изучите зону, проведя измерения как в низкочастотном диапазоне (который используется антеннами автомобиля для формирования области обнаружения ключа), так и в высокочастотном диапазоне (который используется передатчиком электронного ключа для передачи данных), чтобы выявить места, где действуют электромагнитные помехи.

    Result

    Result

    Перейдите к

    Функции дистанционного управления не работают должным образом

    А

    Функция дистанционного управления работает нормально.

    B

    B

    ПОДВЕРГАЕТСЯ ИНТЕРФЕРЕНЦИИ

    A
  8. ПРОВЕРЬТЕ АККУМУЛЯТОРНУЮ БАТАРЕЮ ПЕРЕДАТЧИКА

    1. Проверьте уровень заряда батареи для передатчика электронного ключа в сборе, который проверялся первым.

      1. Нажав и удерживая в течение 5 с кнопку блокировки на передатчике электронного ключа в сборе, проверьте, сколько раз мигает светодиод.

        Tip:
        • В процессе использования передатчик электронного ключа в сборе передает в ЭБУ сертификации (ЭБУ электронного ключа зажигания в сборе) информацию о напряжении. Если эта информация указывает на то, что напряжение не превышает 2,2 В, значение "Yes" отображается для параметра "Key Low Battery" в списке Data List.

          Нажмите здесьClick here

        • Даже если батарея передатчика разряжена, остается возможность запустить гибридную систему, приложив передатчик электронного ключа к выключателю питания, нажав педаль тормоза, а затем нажав на выключатель питания.

    Result

    Result

    Перейдите к

    Светодиод загорается 3 раза или более, если выключатель нажат и удерживается

    А

    Светодиод не загорается, если выключатель нажат и удерживается

    B

    Светодиод загорается один или два раза, но не три раза

    C

    B

    ПРОВЕРЬТЕ БАТАРЕЮ ПЕРЕДАТЧИКАClick here

    C

    ЗАМЕНИТЕ БАТАРЕЮ ПЕРЕДАТЧИКА

    Нажмите здесьClick here

    A
  9. ПРОВЕРЬТЕ ПЕРЕДАТЧИК ЭЛЕКТРОННОГО КЛЮЧА

    1. Проверьте, имеется ли другой передатчик электронного ключа в сборе, уже зарегистрированный в автомобиле.

    Result

    Result

    Перейдите к

    Другого зарегистрированного передатчика электронного ключа в сборе нет

    А

    Другой зарегистрированный передатчик электронного ключа в сборе есть

    Б

    B

    ПРОВЕРЬТЕ ДЕЙСТВИЕ ФУНКЦИИ БЛОКИРОВКИ СИСТЕМЫ ПОСАДКИClick here

    A
  10. РЕГИСТРАЦИЯ ПЕРЕДАТЧИКА ЭЛЕКТРОННОГО КЛЮЧА В СБОРЕ (НОВЫЙ ПЕРЕДАТЧИК ЭЛЕКТРОННОГО КЛЮЧА В СБОРЕ)

    1. Зарегистрируйте новый передатчик электронного ключа в сборе.

      Tip:

      См. Бюллетень технического обслуживания

    Результат

    Перейти к

    СЛЕДУЮЩЕЕ -

    СЛЕДУЮЩЕЕ -
  11. ПРОВЕРЬТЕ ДЕЙСТВИЕ ФУНКЦИИ БЛОКИРОВКИ СИСТЕМЫ ПОСАДКИ

    1. С помощью другого зарегистрированного передатчика электронного ключа в сборе убедитесь, что функция работает нормально.

    Результат

    Result

    Перейдите к

    Функции системы не работают должным образом

    А

    Функции системы посадки работают нормально

    Б

    B

    КОНЕЦ (ПЕРЕДАТЧИК ЭЛЕКТРОННОГО КЛЮЧА В СБОРЕ НЕИСПРАВЕН)

    A
  12. ПРОВЕРЬТЕ ЖГУТ ПРОВОДОВ И РАЗЪЕМ (ЭБУ СЕРТИФИКАЦИИ (ЭБУ ЭЛЕКТРОННОГО КЛЮЧА ЗАЖИГАНИЯ В СБОРЕ) - ПРИЕМНИК СИСТЕМЫ УПРАВЛЕНИЯ ЗАМКАМИ ДВЕРЕЙ И МАССА)

    1. Отсоедините разъем R1*1 или S5*2 ЭБУ сертификации (ЭБУ электронного ключа зажигания).

      • *1: для моделей с левосторонним рулевым управлением

      • *2: для моделей с правосторонним рулевым управлением

    2. Отсоедините разъем R23*3 или R24*4 приемника системы управления замками дверей.

      • *3: для моделей с системой предупреждения о ненадлежащем давлении в шинах

      • *4: для моделей без системы предупреждения о ненадлежащем давлении в шинах

    3. Измерьте сопротивление в соответствии со значениями, приведенными в таблице ниже.

      Номинальное сопротивление

      Table 1. для моделей с левосторонним рулевым управлением.

      Подключение диагностического прибора

      Условие

      Заданные условия

      R1-18 (RCO) - R23-8 (+5)*3

      Всегда

      Менее 1 Ом

      R1-18 (RCO) - R24-4 (+5)*4

      R1-19 (RDAM) - R23-2 (DATA)*3

      Всегда

      Менее 1 Ом

      R1-19 (RDAM) - R24-5 (DATA)*4

      R1-20 (CSEL) - R23-6 (CSEL)*3

      Всегда

      Менее 1 Ом

      R1-20 (CSEL) - R24-2 (CSEL)*4

      R23-12 (GND) - масса*3

      Всегда

      Менее 1 Ом

      R24-1 (GND) - масса*4

      R1-18 (RCO) или R23-8 (+5) - масса*3

      Всегда

      10 кОм или более

      R1-18 (RCO) или R24-4 (+5) - масса*4

      R1-19 (RDAM) или R23-2 (DATA) - масса*3

      Всегда

      10 кОм или более

      R1-19 (RDAM) или R24-5 (DATA) - масса*4

      R1-20 (CSEL) или R23-6 (CSEL) - масса*3

      Всегда

      10 кОм или более

      R1-20 (CSEL) или R24-2 (CSEL) - масса*4

      Table 2. Для моделей с правосторонним рулевым управлением

      Подключение диагностического прибора

      Условие

      Заданные условия

      S5-18 (RCO) - R23-8 (+5)*3

      Всегда

      Менее 1 Ом

      S5-18 (RCO) - R24-4 (+5)*4

      S5-19 (RDAM) - R23-2 (DATA)*3

      Всегда

      Менее 1 Ом

      S5-19 (RDAM) - R24-5 (DATA)*4

      S5-20 (CSEL) - R23-6 (CSEL)*3

      Всегда

      Менее 1 Ом

      S5-20 (CSEL) - R24-2 (CSEL)*4

      R23-12 (GND) - масса*3

      Всегда

      Менее 1 Ом

      R24-1 (GND) - масса*4

      S5-18 (RCO) или R23-8 (+5) - масса*3

      Всегда

      10 кОм или более

      S5-18 (RCO) или R24-4 (+5) - масса*4

      S5-19 (RDAM) или R23-2 (DATA) - масса*3

      Всегда

      10 кОм или более

      S5-19 (RDAM) или R24-5 (DATA) - масса*4

      S5-20 (CSEL) или R23-6 (CSEL) - масса*3

      Всегда

      10 кОм или более

      S5-20 (CSEL) или R24-2 (CSEL) - масса*4

      • *3: для моделей с системой предупреждения о ненадлежащем давлении в шинах

      • *4: для моделей без системы предупреждения о ненадлежащем давлении в шинах

    Результат

    Перейти к

    OK

    НЕ СООТВ.

    НЕ СООТВ.

    ОТРЕМОНТИРУЙТЕ ИЛИ ЗАМЕНИТЕ ЖГУТ ПРОВОДОВ ИЛИ РАЗЪЕМ

    СООТВ
  13. ПРОВЕРЬТЕ ДЕЙСТВИЕ ФУНКЦИИ БЛОКИРОВКИ СИСТЕМЫ ПОСАДКИ

    1. Подсоедините все разъемы и убедитесь, что функция посадки работает должным образом.

      Нажмите здесьClick here

    Result

    Result

    Перейдите к

    Функции системы не работают должным образом

    А

    Функции системы посадки работают нормально

    Б

    B

    КОНЕЦ (РАЗЪЕМ НЕ БЫЛ ПОДСОЕДИНЕН НАДЕЖНО)

    A
  14. ПРОВЕРЬТЕ ПРИЕМНИК СИСТЕМЫ БЛОКИРОВКИ ДВЕРЕЙ

    1. Измерьте сопротивление в соответствии со значениями, приведенными в таблице ниже.

      Номинальное сопротивление

      Table 3. Для моделей с системой предупреждения о ненадлежащем давлении в шинах

      Подключение диагностического прибора

      Условие

      Заданные условия

      R23-12 (GND) - масса

      Всегда

      Менее 1 Ом

      Table 4. для моделей без системы предупреждения о ненадлежащем давлении в шинах

      Подключение диагностического прибора

      Условие

      Заданные условия

      R24-1 (GND) - масса

      Всегда

      Менее 1 Ом

    2. B423547C04

      *A

      Для моделей с системой предупреждения о ненадлежащем давлении в шинах

      *B

      для моделей без системы предупреждения о ненадлежащем давлении в шинах

      *a

      Устройство с подсоединенным жгутом проводов

      (приемник системы дистанционной блокировки дверей)

      *b

      Осциллограмма 1

      *c

      Перед нажатием переключателя блокировки или разблокировки передатчика электронного ключа

      *d

      После нажатия переключателя блокировки или разблокировки передатчика электронного ключа

      С помощью осциллографа проверьте форму сигнала.

      OK

      Table 5. Для моделей с системой предупреждения о ненадлежащем давлении в шинах

      Подключение диагностического прибора

      Условие

      Настройки прибора

      Заданные условия

      R23-2 (DATA) - R23-12 (GND)

      Процедура:

      1. Зажигание выключено

      2. Все двери заблокированы

      3. Передатчик электронного ключа в сборе не находится внутри автомобиля

      4. Передатчик электронного ключа вынесен за пределы области обнаружения, но находится в рабочей области дистанционного управления

      5. Переключатель блокировки или разблокировки электронного ключа в сборе не нажат → нажат

      5 В/дел., 500 мс/дел.

      Менее 1 В → формирование импульсов

      (см. осциллограмму 1)

      Table 6. для моделей без системы предупреждения о ненадлежащем давлении в шинах

      Подключение диагностического прибора

      Условие

      Настройки прибора

      Заданные условия

      R24-5 (DATA) - R24-1 (GND)

      Процедура:

      1. Зажигание выключено

      2. Все двери заблокированы

      3. Передатчик электронного ключа в сборе не находится внутри автомобиля

      4. Передатчик электронного ключа вынесен за пределы области обнаружения, но находится в рабочей области дистанционного управления

      5. Переключатель блокировки или разблокировки электронного ключа в сборе не нажат → нажат

      5 В/дел., 500 мс/дел.

      Менее 1 В → формирование импульсов

      (см. осциллограмму 1)

    Результат

    Перейти к

    OK

    НЕ СООТВ.

    НЕ СООТВ.

    ЗАМЕНИТЕ ПРИЕМНИК СИСТЕМЫ БЛОКИРОВКИ ДВЕРЕЙ

    Нажмите здесьClick hereClick hereClick here

    СООТВ
  15. ПРОВЕРЬТЕ ЭБУ СЕРТИФИКАЦИИ (ЭБУ ЭЛЕКТРОННОГО КЛЮЧА)

    1. B423550C05

      *A

      Для моделей с системой предупреждения о ненадлежащем давлении в шинах

      *B

      для моделей без системы предупреждения о ненадлежащем давлении в шинах

      *a

      Устройство с подсоединенным жгутом проводов

      (приемник системы дистанционной блокировки дверей)

      Измерьте напряжение в соответствии со значениями, приведенными в таблице.

      Номинальное напряжение

      Table 7. Для моделей с системой предупреждения о ненадлежащем давлении в шинах

      Подключение диагностического прибора

      Условие

      Заданные условия

      R23-1 (IG) - R23-12 (GND)

      Питание включено (IG)

      10–16 В

      R23-6 (CSEL) - R23-12 (GND)

      Процедура:

      1. Зажигание выключено

      2. все двери закрыты

      Менее 1 В → формирование импульсов

      Table 8. для моделей без системы предупреждения о ненадлежащем давлении в шинах

      Подключение диагностического прибора

      Условие

      Заданные условия

      R24-2 (CSEL) - R24-1 (GND)

      Процедура:

      1. Зажигание выключено

      2. все двери закрыты

      Менее 1 В → формирование импульсов

    2. B423549C03

      *A

      Для моделей с системой предупреждения о ненадлежащем давлении в шинах

      *B

      для моделей без системы предупреждения о ненадлежащем давлении в шинах

      *a

      Устройство с подсоединенным жгутом проводов

      (приемник системы дистанционной блокировки дверей)

      *b

      Осциллограмма 1

      *c

      Перед нажатием переключателя блокировки или разблокировки передатчика электронного ключа

      *d

      После нажатия переключателя блокировки или разблокировки передатчика электронного ключа

      С помощью осциллографа проверьте форму сигнала.

      OK

      Table 9. Для моделей с системой предупреждения о ненадлежащем давлении в шинах

      Подключение диагностического прибора

      Условие

      Настройки прибора

      Заданные условия

      R23-8 (+5) - R23-12 (GND)

      Процедура:

      1. Питание выключено

      2. Передатчик электронного ключа вынесен за пределы области обнаружения, но находится в рабочей области дистанционного управления

      3. Переключатель блокировки или разблокировки электронного ключа в сборе не нажат → нажат

      2 В / дел., 500 мс / дел.

      Формирование импульсов

      (см. осциллограмму 1)

      Table 10. для моделей без системы предупреждения о ненадлежащем давлении в шинах

      Подключение диагностического прибора

      Условие

      Настройки прибора

      Заданные условия

      R24-4 (+5) - R24-1 (GND)

      Процедура:

      1. Питание выключено

      2. Передатчик электронного ключа вынесен за пределы области обнаружения, но находится в рабочей области дистанционного управления

      3. Переключатель блокировки или разблокировки электронного ключа в сборе не нажат → нажат

      2 В / дел., 500 мс / дел.

      Формирование импульсов

      (см. осциллограмму 1)

    Результат

    Перейти к

    OK

    НЕ СООТВ.

    НЕ СООТВ.

    ЗАМЕНИТЕ ЭБУ СЕРТИФИКАЦИИ (ЭБУ ЭЛЕКТРОННОГО КЛЮЧА ЗАЖИГАНИЯ В СБОРЕ)

    OK
  16. ЗАМЕНИТЕ ЭБУ СЕРТИФИКАЦИИ (ЭБУ ЭЛЕКТРОННОГО КЛЮЧА ЗАЖИГАНИЯ В СБОРЕ)

    1. Замените ЭБУ сертификации (ЭБУ электронного ключа зажигания в сборе) и выполните регистрацию еще раз.

      Tip:

      См. Бюллетень технического обслуживания

    Результат

    Перейти к

    СЛЕДУЮЩЕЕ -

    СЛЕДУЮЩЕЕ -
  17. ПРОВЕРЬТЕ СИСТЕМУ ДИСТАНЦИОННОГО УПРАВЛЕНИЯ ЗАМКАМИ ДВЕРЕЙ

    1. Убедитесь, что функции дистанционного управления работают нормально.

      Нажмите здесьClick here

    Result

    Result

    Перейдите к

    Функция дистанционной блокировки дверей работает исправно

    А

    Функция дистанционной блокировки дверей работает ненормально

    Б

    A

    КОНЕЦ (ЭБУ СЕРТИФИКАЦИИ (ЭБУ ЭЛЕКТРОННОГО КЛЮЧА ЗАЖИГАНИЯ В СБОРЕ) НЕИСПРАВЕН)

    B

    ЗАМЕНИТЕ ГЛАВНЫЙ ЭБУ КУЗОВА (БОРТОВОЙ ЭБУ СЕТИ МУЛЬТИПЛЕКСНОЙ СВЯЗИ)

    Нажмите здесьClick hereClick hereClick here

  18. ПРОВЕРЬТЕ БАТАРЕЮ ПЕРЕДАТЧИКА

    1. Проверьте батарею передатчика.

      Нажмите здесьClick here

      Note:

      Не обматывайте провод вокруг контакта, не зажимайте его между контактами и не припаивайте его. Контакт может быть деформирован или поврежден, и будет невозможно правильно установить батарею передатчика.

    Результат

    Перейти к

    OK

    НЕ СООТВ.

    OK

    ЗАМЕНИТЕ ПЕРЕДАТЧИК ЭЛЕКТРОННОГО КЛЮЧА

    NG

    ЗАМЕНИТЕ БАТАРЕЮ ПЕРЕДАТЧИКА

    Нажмите здесьClick here

  19. ВЫПОЛНИТЕ РЕГИСТРАЦИЮ

    1. Выполните регистрацию кода В.

      Tip:

      См. Бюллетень технического обслуживания

    Результат

    Перейти к

    СЛЕДУЮЩЕЕ -

    СЛЕДУЮЩЕЕ -
  20. ПРОВЕРЬТЕ ДЕЙСТВИЕ ФУНКЦИИ БЛОКИРОВКИ СИСТЕМЫ ПОСАДКИ

    1. По завершении регистрации кода В убедитесь, что функции блокировки и разблокировки системы посадки могут быть выполнены 2 раза подряд.

      Нажмите здесьClick here

    Result

    Result

    Перейдите к

    Функции системы не работают должным образом

    А

    Функции системы посадки работают нормально

    Б

    B

    КОНЕЦ (СБОЙ РЕГИСТРАЦИИ КОДА B)

    A
  21. СНИМИТЕ ПОКАЗАНИЯ GTS (КОД B)

    1. Подключите GTS к DLC3.

    2. Включите зажигание (IG).

    3. Включите GTS.

    4. Войдите в следующие меню: Body Electrical / Entry&Start / Data List.

    5. Снимите показания с дисплея GTS в режиме DATA LIST.

      Body Electrical > Entry&Start > Data List

      Информация на дисплее прибора

      Измеряемая величина

      Диапазон

      Нормальное состояние

      Замечание по диагностике

      B Code

      Состояние регистрации кода В

      Regd или No Regd

      Regd: Код B зарегистрирован правильно

      No Regd: Код B не зарегистрирован правильно

      -

      Body Electrical > Entry&Start > Data List

      Информация на дисплее прибора

      B Code

    Result

    Result

    Перейдите к

    На экране GTS отображается "No Regd"

    А

    На экране GTS отображается "Regd"

    Б

    B

    ЗАМЕНИТЕ ГЛАВНЫЙ ЭБУ КУЗОВА (БОРТОВОЙ ЭБУ СЕТИ МУЛЬТИПЛЕКСНОЙ СВЯЗИ)

    Нажмите здесьClick hereClick hereClick here

    A
  22. СНИМИТЕ ПОКАЗАНИЯ GTS (ОТЛИЧИЕ КОДА B)

    1. Подключите GTS к DLC3.

    2. Включите зажигание (IG).

    3. Включите GTS.

    4. Войдите в следующие меню: Body Electrical / Entry&Start / Data List.

    5. Снимите показания с дисплея GTS в режиме DATA LIST.

      Body Electrical > Entry&Start > Data List

      Информация на дисплее прибора

      Измеряемая величина

      Диапазон

      Нормальное состояние

      Замечание по диагностике

      B Code Difference

      Несоответствие кода В

      Yes или No

      Yes: обмен данными нарушен

      No: обмен данными в норме

      -

      Body Electrical > Entry&Start > Data List

      Информация на дисплее прибора

      B Code Difference

    Result

    Result

    Перейдите к

    На экране GTS отображается "No"

    А

    На экране GTS отображается "Yes".

    Б

    B

    ЗАМЕНИТЕ ЭБУ СЕРТИФИКАЦИЕЙ (ЭБУ ЭЛЕКТРОННЫМ КЛЮЧОМ ЗАЖИГАНИЯ В СБОРЕ)

    A
  23. ПРОВЕРЬТЕ ЭБУ СЕРТИФИКАЦИИ (ЭБУ ЭЛЕКТРОННОГО КЛЮЧА ЗАЖИГАНИЯ В СБОРЕ)

    1. Измерьте напряжение во время проверки в режиме Data List с помощью GTS.

      1. Подключите GTS к DLC3.

      2. Включите зажигание (IG).

      3. Включите GTS.

      4. Войдите в следующие меню: Body Electrical / Power Source Control / Data List.

      5. Снимите показания с дисплея GTS в режиме DATA LIST.

        B416787C08

        *a

        Устройство с подсоединенным жгутом проводов

        (ЭБУ сертификации (ЭБУ электронного ключа зажигания в сборе))

        -

        -

        Body Electrical > Power Source Control > Data List

        Информация на дисплее прибора

        Измеряемая величина

        Диапазон

        Нормальное состояние

        Замечание по диагностике

        Power Supply Condition

        Состояние источника питания

        All OFF, ACC ON, IG ON или ST ON

        All OFF: Питание выключено

        ACC ON: Питание включено (ACC)

        IG ON: Питание включено (IG)

        ST ON: Передача сигнала запроса запуска системы управления гибридной системой

        -

        Body Electrical > Power Source Control > Data List

        Информация на дисплее прибора

        Power Supply Condition

        Номинальное напряжение

        Подключение диагностического прибора

        Условие

        Заданные условия

        J41-17 (IG1D) - масса

        Питание выключено

        Менее 1 В

        Питание включено (ACC)

        Менее 1 В

        Питание включено (IG)

        9 В или более

        J41-16 (ACCD) - масса

        Питание выключено

        Менее 1 В

        Питание включено (ACC)

        9 В или выше

        Питание включено (IG)

        9 В или выше

    Результат

    Перейти к

    OK

    НЕ СООТВ.

    НЕ СООТВ.

    ЗАМЕНИТЕ ЭБУ СЕРТИФИКАЦИЕЙ (ЭБУ ЭЛЕКТРОННЫМ КЛЮЧОМ ЗАЖИГАНИЯ В СБОРЕ)

    СООТВ
  24. СНИМИТЕ ПОКАЗАНИЯ GTS (ПЕРЕКЛЮЧАТЕЛИ ACC, IG)

    1. Подключите GTS к DLC3.

    2. Включите зажигание (IG).

    3. Включите GTS.

    4. Войдите в следующие меню: Body Electrical / Main Body / Data List.

    5. Снимите показания с дисплея GTS в режиме DATA LIST.

      Body Electrical > Main Body > Data List

      Информация на дисплее прибора

      Измеряемая величина

      Диапазон

      Нормальное состояние

      Замечание по диагностике

      ACC SW

      Состояние переключателя стеклоподъемника

      ON (ВКЛ) или OFF (ВЫКЛ)

      ON (ВКЛ): Питание включено (ACC)

      OFF (ВЫКЛ): Питание выключено

      "ON" также отображается при включении питания (IG).

      IG SW

      Состояние переключателя стеклоподъемника

      ON (ВКЛ) или OFF (ВЫКЛ)

      ON (ВКЛ): Питание включено (IG)

      OFF (ВЫКЛ): Питание выключено

      "OFF" также отображается при включении питания (ACC).

      Body Electrical > Main Body > Data List

      Информация на дисплее прибора

      ACC SW

      IG SW

      Tip:

      Если ЭБУ сертификации (ЭБУ электронного ключа зажигания в сборе) по какой-либо причине неверно определяет, что выключатель питания включен (IG), тогда как он выключен, функции блокировки и разблокировки системы посадки будут отключены.

    Результат

    Result

    Перейдите к

    Главный ЭБУ кузова (бортовой ЭБУ сети мультиплексной связи) правильно определяет, что источник питания выключен, при выключении питания

    A

    Главный ЭБУ кузова (бортовой ЭБУ сети мультиплексной связи) не оценивает должным образом, что источник питания выключен, при выключении питания.

    B

    B

    ВЫПОЛНИТЕ ДИАГНОСТИКУ ГЛАВНОГО ЭБУ КУЗОВА (БОРТОВОГО ЭБУ СЕТИ МУЛЬТИПЛЕКСНОЙ СВЯЗИ)

    Нажмите здесьClick here

    A
  25. ПРОВЕРЬТЕ ЖГУТ ПРОВОДОВ И РАЗЪЕМ (МАССА, ПИТАНИЕ)

    1. B416821C12

      *a

      Вид спереди разъема со стороны жгута проводов

      (к ЭБУ сертификации (ЭБУ электронного ключа зажигания в сборе))

      Отсоедините разъем J41 ЭБУ сертификации (ЭБУ электронного ключа зажигания).

    2. Измерьте сопротивление в соответствии со значениями, приведенными в таблице ниже.

      Номинальное сопротивление

      Подключение диагностического прибора

      Условие

      Заданные условия

      J41-18 (E) - масса

      Всегда

      Менее 1 Ом

    3. Измерьте напряжение в соответствии со значениями, приведенными в таблице.

      Номинальное напряжение

      Подключение диагностического прибора

      Условие

      Заданные условия

      J41-15 (CUTB) - масса

      Питание выключено

      11-14 В

    Результат

    Перейти к

    OK

    НЕ СООТВ.

    НЕ СООТВ.

    ОТРЕМОНТИРУЙТЕ ИЛИ ЗАМЕНИТЕ ЖГУТ ПРОВОДОВ ИЛИ РАЗЪЕМ

    СООТВ
  26. ПРОВЕРЬТЕ ДЕЙСТВИЕ ФУНКЦИИ БЛОКИРОВКИ СИСТЕМЫ ПОСАДКИ

    1. Отсоедините и подсоедините разъемы ЭБУ сертификации (ЭБУ электронного ключа зажигания в сборе).

    2. Убедитесь, что функции системы посадки работают нормально.

      Нажмите здесьClick here

    Result

    Result

    Перейдите к

    Функции системы не работают должным образом

    А

    Функции системы посадки работают нормально

    Б

    Б

    КОНЕЦ (РАЗЪЕМ НЕ БЫЛ ПОДСОЕДИНЕН НАДЕЖНО)

    A
  27. ЗАМЕНИТЕ ЭБУ СЕРТИФИКАЦИЕЙ (ЭБУ ЭЛЕКТРОННЫМ КЛЮЧОМ ЗАЖИГАНИЯ В СБОРЕ)

    1. Замените ЭБУ сертификации (ЭБУ электронного ключа зажигания в сборе) новым и выполните регистрацию еще раз.

      Tip:

      См. Бюллетень технического обслуживания

    Результат

    Перейти к

    СЛЕДУЮЩЕЕ -

    СЛЕДУЮЩЕЕ -
  28. ПРОВЕРЬТЕ СИСТЕМУ ДИСТАНЦИОННОГО УПРАВЛЕНИЯ ЗАМКАМИ ДВЕРЕЙ

    1. Убедитесь, что функция работает нормально.

      Нажмите здесьClick here

    Result

    Result

    Перейдите к

    Функция дистанционной блокировки дверей работает исправно

    А

    Функция дистанционной блокировки дверей работает ненормально

    Б

    A

    КОНЕЦ (ЭБУ СЕРТИФИКАЦИИ (ЭБУ ЭЛЕКТРОННОГО КЛЮЧА ЗАЖИГАНИЯ В СБОРЕ) НЕИСПРАВЕН)

    B

    ЗАМЕНИТЕ ГЛАВНЫЙ ЭБУ КУЗОВА (БОРТОВОЙ ЭБУ СЕТИ МУЛЬТИПЛЕКСНОЙ СВЯЗИ)

    Нажмите здесьClick hereClick hereClick here

  29. ПРОВЕРЬТЕ ПРОХОЖДЕНИЕ РАДИОВОЛН

    1. Поднесите передатчик электронного ключа к приемнику системы управления замками дверей и нажмите какую-либо кнопку на пульте дистанционного управления 2 или более раз*.

      • *: Если функция беспроводного управления приводится в действие, канал 1 и 2 используются попеременно. Если первое включение при помощи дистанционного управления произведено успешно, а при втором произошел сбой, один из каналов может подвергаться воздействию интерференции.

      Tip:
      • Если передатчик электронного ключа находится рядом с приемником системы дистанционной блокировки дверей, вероятность радиопомех снижается, поэтому можно проверить, являются ли радиопомехи причиной неисправности.

      • Если результат проверки работы указывает на то, что неисправность проявляется в определенном месте или в определенное время, высока вероятность интерференции. Кроме того, причиной помех могут быть дополнительно установленные устройства. Если данные устройства установлены, снимите их и выполните проверку работы.

      • Помехами Если автомобиль находится рядом с радиовещательными антенн, больших видеоизображение отображается, систем дистанционного открывания гаражных дверей, камер безопасности дистанционной системы безопасности, "HOME" и т. д. В этом случае переместите автомобиль в другое место и проверьте, имеются ли улучшения.

      • При наличии прибора для контроля электромагнитного излучения, например, измерителя уровня сигнала, изучите зону, проведя измерения как в низкочастотном диапазоне (который используется антеннами автомобиля для формирования области обнаружения ключа), так и в высокочастотном диапазоне (который используется передатчиком электронного ключа для передачи данных), чтобы выявить места, где действуют электромагнитные помехи.

    Result

    Result

    Перейдите к

    Функции дистанционного управления не работают должным образом

    А

    Функция дистанционного управления работает нормально 1 или более раз.

    B

    B

    ПОДВЕРГАЕТСЯ ИНТЕРФЕРЕНЦИИ

    A
  30. ПРОВЕРЬТЕ ПЕРЕДАТЧИК ЭЛЕКТРОННОГО КЛЮЧА

    1. Проверьте, имеется ли другой передатчик электронного ключа в сборе, уже зарегистрированный в автомобиле.

    Result

    Result

    Перейдите к

    Другого зарегистрированного передатчика электронного ключа в сборе нет

    А

    Другой зарегистрированный передатчик электронного ключа в сборе есть

    Б

    B

    ПРОВЕРЬТЕ ПРОХОЖДЕНИЕ РАДИОВОЛНClick here

    A
  31. РЕГИСТРАЦИЯ ПЕРЕДАТЧИКА ЭЛЕКТРОННОГО КЛЮЧА В СБОРЕ (НОВЫЙ ПЕРЕДАТЧИК ЭЛЕКТРОННОГО КЛЮЧА В СБОРЕ)

    1. Зарегистрируйте новый передатчик электронного ключа в сборе.

      Tip:

      См. Бюллетень технического обслуживания

    Результат

    Перейти к

    СЛЕДУЮЩЕЕ -

    ДАЛЕЕ
  32. ПРОВЕРЬТЕ ПРОХОЖДЕНИЕ РАДИОВОЛН

    1. Поднесите другой зарегистрированный передатчик электронного ключа к приемнику системы управления замками дверей и нажмите какую-либо кнопку на пульте дистанционного управления 2 или более раз*.

      • *: Если функция беспроводного управления приводится в действие, канал 1 и 2 используются попеременно. Если первое включение при помощи дистанционного управления произведено успешно, а при втором произошел сбой, один из каналов может подвергаться воздействию интерференции.

      Tip:
      • Если результат проверки работы указывает на то, что неисправность проявляется в определенном месте или в определенное время, высока вероятность интерференции. Кроме того, причиной помех могут быть дополнительно установленные устройства. Если данные устройства установлены, снимите их и выполните проверку работы.

      • Помехами Если автомобиль находится рядом с радиовещательными антенн, больших видеоизображение отображается, систем дистанционного открывания гаражных дверей, камер безопасности дистанционной системы безопасности, "HOME" и т. д. В этом случае переместите автомобиль в другое место и проверьте, имеются ли улучшения.

      • При наличии прибора для контроля электромагнитного излучения, например, измерителя уровня сигнала, изучите зону, проведя измерения как в низкочастотном диапазоне (который используется антеннами автомобиля для формирования области обнаружения ключа), так и в высокочастотном диапазоне (который используется передатчиком электронного ключа для передачи данных), чтобы выявить места, где действуют электромагнитные помехи.

    Result

    Result

    Перейдите к

    Функции дистанционного управления не работают должным образом

    А

    Функция дистанционного управления работает нормально 1 или более раз.

    B

    B

    КОНЕЦ (ПЕРЕДАТЧИК ЭЛЕКТРОННОГО КЛЮЧА В СБОРЕ НЕИСПРАВЕН)

    A
  33. ПРОВЕРЬТЕ ЖГУТ ПРОВОДОВ И РАЗЪЕМ (ЭБУ СЕРТИФИКАЦИИ [ЭБУ ЭЛЕКТРОННОГО КЛЮЧА ЗАЖИГАНИЯ В СБОРЕ] - ПРИЕМНИК СИСТЕМЫ УПРАВЛЕНИЯ ЗАМКАМИ ДВЕРЕЙ)

    1. Отсоедините разъем R23*1 или R24*2 приемника системы управления замками дверей.

      • *1: для моделей с системой предупреждения о ненадлежащем давлении в шинах

      • *2: для моделей без системы предупреждения о ненадлежащем давлении в шинах

    2. Отсоедините разъем R1*1 или S5*2 ЭБУ сертификации (ЭБУ электронного ключа зажигания).

      • *3: для моделей с левосторонним рулевым управлением.

      • *4: для моделей с правосторонним рулевым управлением

    3. Измерьте сопротивление в соответствии со значениями, приведенными в таблице ниже.

      Номинальное сопротивление

      Table 11. для моделей с левосторонним рулевым управлением.

      Подключение диагностического прибора

      Условие

      Заданные условия

      R23-6 (CSEL) - R1-20 (CSEL)*1

      Всегда

      Менее 1 Ом

      R24-2 (CSEL) - R1-20 (CSEL)*2

      R23-6 (CSEL) или R1-20 (CSEL) - масса*1

      Всегда

      10 кОм или более

      R24-2 (CSEL) или R1-20 (CSEL) - масса*2

      Table 12. Для моделей с правосторонним рулевым управлением

      Подключение диагностического прибора

      Условие

      Заданные условия

      R23-6 (CSEL) - S5-20 (CSEL)*1

      Всегда

      Менее 1 Ом

      R24-2 (CSEL) - S5-20 (CSEL)*2

      R23-6 (CSEL) или S5-20 (CSEL) - масса*1

      Всегда

      10 кОм или более

      R24-2 (CSEL) или S5-20 (CSEL) - масса*2

      • *1: для моделей с системой предупреждения о ненадлежащем давлении в шинах

      • *2: для моделей без системы предупреждения о ненадлежащем давлении в шинах

    Результат

    Перейти к

    OK

    НЕ СООТВ.

    НЕ СООТВ.

    ОТРЕМОНТИРУЙТЕ ИЛИ ЗАМЕНИТЕ ЖГУТ ПРОВОДОВ ИЛИ РАЗЪЕМ

    СООТВ
  34. ПРОВЕРЬТЕ ДЕЙСТВИЕ ФУНКЦИИ БЛОКИРОВКИ СИСТЕМЫ ПОСАДКИ

    1. Подсоедините все разъемы и убедитесь, что функция работает должным образом.

      Нажмите здесьClick here

    Result

    Result

    Перейдите к

    Функции системы не работают должным образом

    А

    Функции системы посадки работают нормально

    Б

    B

    КОНЕЦ (РАЗЪЕМ НЕ БЫЛ ПОДСОЕДИНЕН НАДЕЖНО)

    A
  35. ПРОВЕРЬТЕ ЭБУ СЕРТИФИКАЦИИ (ЭБУ ЭЛЕКТРОННОГО КЛЮЧА)

    1. B423550C07

      *A

      Для моделей с системой предупреждения о ненадлежащем давлении в шинах

      *B

      для моделей без системы предупреждения о ненадлежащем давлении в шинах

      *a

      Устройство с подсоединенным жгутом проводов

      (приемник системы дистанционной блокировки дверей)

      Измерьте напряжение в соответствии со значениями, приведенными в таблице.

      Номинальное напряжение

      Table 13. Для моделей с системой предупреждения о ненадлежащем давлении в шинах

      Подключение диагностического прибора

      Условие

      Заданные условия

      R23-6 (CSEL) - R23-12 (GND)

      Процедура:

      1. Зажигание выключено

      2. все двери закрыты

      Менее 1 В → формирование импульсов

      Table 14. для моделей без системы предупреждения о ненадлежащем давлении в шинах

      Подключение диагностического прибора

      Условие

      Заданные условия

      R24-2 (CSEL) - R24-1 (GND)

      Процедура:

      1. Зажигание выключено

      2. все двери закрыты

      Менее 1 В → формирование импульсов

    Результат

    Перейти к

    OK

    НЕ СООТВ.

    НЕ СООТВ.

    ЗАМЕНИТЕ ЭБУ СЕРТИФИКАЦИИ (ЭБУ ЭЛЕКТРОННОГО КЛЮЧА ЗАЖИГАНИЯ В СБОРЕ)

    СООТВ
  36. ПРОВЕРЬТЕ ПРИЕМНИК СИСТЕМЫ БЛОКИРОВКИ ДВЕРЕЙ

    1. Войдите в режим диагностики ключа и выберите канал, для которого зуммер системы дистанционного управления замками дверей не звучал.

    2. B423547C05

      *A

      Для моделей с системой предупреждения о ненадлежащем давлении в шинах

      *B

      для моделей без системы предупреждения о ненадлежащем давлении в шинах

      *a

      Устройство с подсоединенным жгутом проводов

      (приемник системы дистанционной блокировки дверей)

      *b

      Осциллограмма 1

      *c

      Перед нажатием переключателя блокировки или разблокировки передатчика электронного ключа

      *d

      После нажатия переключателя блокировки или разблокировки передатчика электронного ключа

      С помощью осциллографа проверьте форму сигнала.

      OK

      Table 15. Для моделей с системой предупреждения о ненадлежащем давлении в шинах

      Подключение диагностического прибора

      Условие

      Настройки прибора

      Заданные условия

      R23-2 (DATA) - R23-12 (GND)

      Процедура:

      1. Зажигание выключено

      2. Все двери заблокированы

      3. Передатчик электронного ключа в сборе не находится внутри автомобиля

      4. Передатчик электронного ключа вынесен за пределы области обнаружения, но находится в рабочей области дистанционного управления

      5. Переключатель блокировки или разблокировки электронного ключа в сборе не нажат → нажат

      5 В/дел., 500 мс/дел.

      Формирование импульсов:

      (см. осциллограмму 1)

      Table 16. для моделей без системы предупреждения о ненадлежащем давлении в шинах

      Подключение диагностического прибора

      Условие

      Настройки прибора

      Заданные условия

      R24-5 (DATA) - R24-1 (GND)

      Процедура:

      1. Зажигание выключено

      2. Все двери заблокированы

      3. Передатчик электронного ключа в сборе не находится внутри автомобиля

      4. Передатчик электронного ключа вынесен за пределы области обнаружения, но находится в рабочей области дистанционного управления

      5. Переключатель блокировки или разблокировки электронного ключа в сборе не нажат → нажат

      5 В/дел., 500 мс/дел.

      Формирование импульсов:

      (см. осциллограмму 1)

      Tip:

      Проверку следует проводить во время выполнения проверки антенн электронного ключа в режиме диагностики ключа для нерабочего канала (канала, в котором не включался зуммер).

    Результат

    Перейти к

    OK

    НЕ СООТВ.

    НЕ СООТВ.

    ЗАМЕНИТЕ ПРИЕМНИК СИСТЕМЫ БЛОКИРОВКИ ДВЕРЕЙ

    Нажмите здесьClick hereClick hereClick here

    OK
  37. ЗАМЕНИТЕ ЭБУ СЕРТИФИКАЦИЕЙ (ЭБУ ЭЛЕКТРОННЫМ КЛЮЧОМ ЗАЖИГАНИЯ В СБОРЕ)

    1. Замените ЭБУ сертификации (ЭБУ электронного ключа зажигания в сборе) и выполните регистрацию еще раз.

      Tip:

      См. Бюллетень технического обслуживания

    Результат

    Перейти к

    СЛЕДУЮЩЕЕ -

    СЛЕДУЮЩЕЕ -
  38. ПРОВЕРЬТЕ СИСТЕМУ ДИСТАНЦИОННОГО УПРАВЛЕНИЯ ЗАМКАМИ ДВЕРЕЙ

    1. Убедитесь, что функция работает нормально.

      Нажмите здесьClick here

    Result

    Result

    Перейдите к

    Функция дистанционной блокировки дверей работает исправно

    А

    Функция дистанционной блокировки дверей работает ненормально

    Б

    A

    КОНЕЦ (ЭБУ СЕРТИФИКАЦИИ (ЭБУ ЭЛЕКТРОННОГО КЛЮЧА ЗАЖИГАНИЯ В СБОРЕ) НЕИСПРАВЕН)

    B

    ЗАМЕНИТЕ ГЛАВНЫЙ ЭБУ КУЗОВА (БОРТОВОЙ ЭБУ СЕТИ МУЛЬТИПЛЕКСНОЙ СВЯЗИ)

    Нажмите здесьClick hereClick hereClick here