SFI SYSTEM, Diagnostic DTC:P0327 and P0328

DTC Code DTC Name
P0327 Knock Sensor 1 Circuit Low Input (Bank 1 or Single Sensor)
P0328 Knock Sensor 1 Circuit High Input (Bank 1 or Single Sensor)

DESCRIPTION

The flat type knock control sensor (non-resonant type) has a structure that can detect vibration in a wider band of frequencies, from approximately 5 to 15 kHz, and has the following features:

  • The knock control sensor is fitted on the cylinder block to detect engine knocking.

  • The sensor contains a piezoelectric element which generates a voltage when it becomes deformed.

This occurs when the cylinder block vibrates due to knocking. If engine knocking occurs, the ignition timing is retarded to suppress it.

DTC No.

Detection Item

DTC Detection Condition

Trouble Area

MIL

Memory

P0327

Knock Sensor 1 Circuit Low Input (Bank 1 or Single Sensor)

  • Short to ground in knock sensor circuit:

    • At least 15 seconds after engine was started, at engine speed higher than 680 rpm, knock control sensor output voltage is lower than standard (3 trip detection logic).

  • Open in knock sensor circuit:

    • At engine speed higher than 1800 rpm, knock control sensor output voltage is below standard for 2.5 seconds (3 trip detection logic).

  • Open or short in knock control sensor circuit

  • Knock control sensor

  • Knock control sensor looseness

  • ECM

Comes on

DTC stored

P0328

Knock Sensor 1 Circuit High Input (Bank 1 or Single Sensor)

At least 15 seconds after engine was started, at engine speed higher than 680 rpm, knock control sensor output voltage is higher than standard (3 trip detection logic).

  • Open or short in knock control sensor circuit

  • Knock control sensor

  • Knock control sensor looseness

  • ECM

Comes on

DTC stored

Tip:

If the ECM detects DTC P0327 and P0328, it enters fail-safe mode in knock feedback control operation condition (engine load is 40% or higher and engine coolant temperature is 40°C (104°F)).

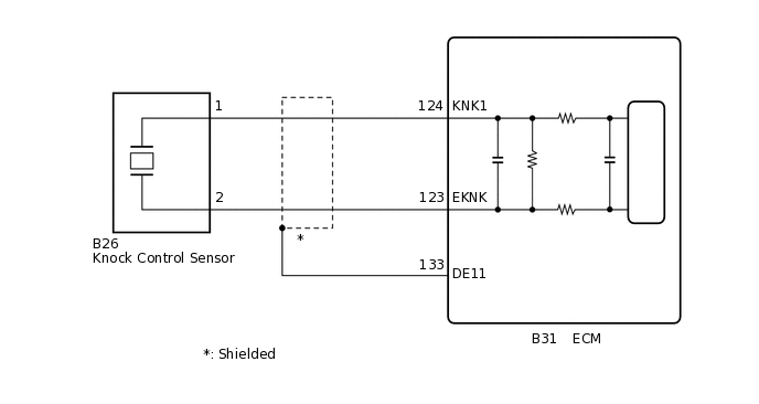
WIRING DIAGRAM

A322491E02

CONFIRMATION DRIVING PATTERN

CAUTION:

When performing the confirmation driving pattern, obey all speed limits and traffic laws.

DTC P0327 and P0328 are detected when the vehicle is driven at approximately 100 km/h (62 mph) for 1 minute or more (at an engine speed of 1800 rpm or more, with an engine load of 40% or more after warm-up.

CAUTION / NOTICE / HINT

Note:

After replacing the ECM, perform idle learning.

Click here

Tip:

Read freeze frame data using the GTS. Freeze frame data records the engine condition when malfunctions are detected. When troubleshooting, freeze frame data can help determine if the vehicle was moving or stationary, if the engine was warmed up or not, if the air fuel ratio was lean or rich, and other data from the time the malfunction occurred.

PROCEDURE

  1. CHECK HARNESS AND CONNECTOR (ECM - KNOCK CONTROL SENSOR)

    1. Disconnect the ECM connector.

    2. Disconnect the knock control sensor connector.

    3. Measure the resistance according to the value(s) in the table below.

      Standard Resistance

      Tester Connection

      Condition

      Specified Condition

      B31-124 (KNK1) - B26-1

      Always

      Below 1 Ω

      B31-123 (EKNK) - B26-2

      Always

      Below 1 Ω

      B31-124 (KNK1) or B26-1 - Body ground

      Always

      10 kΩ or higher

      B31-123 (EKNK) or B26-2 - Body ground

      Always

      10 kΩ or higher

    Result

    Proceed to

    OK

    NG

    NG

    REPAIR OR REPLACE HARNESS OR CONNECTOR

    OK
  2. CHECK KNOCK CONTROL SENSOR INSTALLATION

    1. Check the knock control sensor installation condition.

      OK

      Knock control sensor is installed correctly.

    Result

    Proceed to

    OK

    NG

    NG

    SECURELY REINSTALL KNOCK CONTROL SENSOR

    OK
  3. REPLACE KNOCK CONTROL SENSOR

    1. Replace the knock control sensor.

      Click here

    Result

    Proceed to

    NEXT

    NEXT
  4. CHECK WHETHER DTC OUTPUT RECURS (DTC P0327 OR P0328)

    1. Connect the GTS to the DLC3.

    2. Turn the ignition switch to ON.

    3. Turn the GTS on.

    4. Clear the DTCs.

      Powertrain > Engine and ECT > Clear DTCs

    5. Turn the ignition switch off and wait for at least 30 seconds.

    6. Start the engine and warm it up.

    7. Turn the GTS on.

    8. Drive the vehicle in accordance with the driving pattern described in Confirmation Driving Pattern.

    9. Enter the following menus: Powertrain / Engine and ECT / Trouble Codes.

    10. Read the pending DTCs.

      Powertrain > Engine and ECT > Trouble Codes

      Result

      Result

      Proceed to

      DTC P0327 or P0328 is output

      A

      DTCs are not output

      B

    A

    REPLACE ECM

    B

    END