СИСТЕМА НАВИГАЦИИ (для моделей с радиоприемником с дисплеем) СХЕМА СИСТЕМЫ

B006MJZE01
B006KU4E01
B006KW4E01
B006N1CE01
B006RH2E01
B006R2PE01
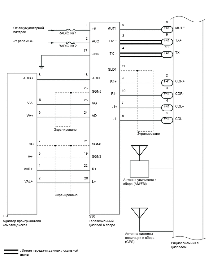
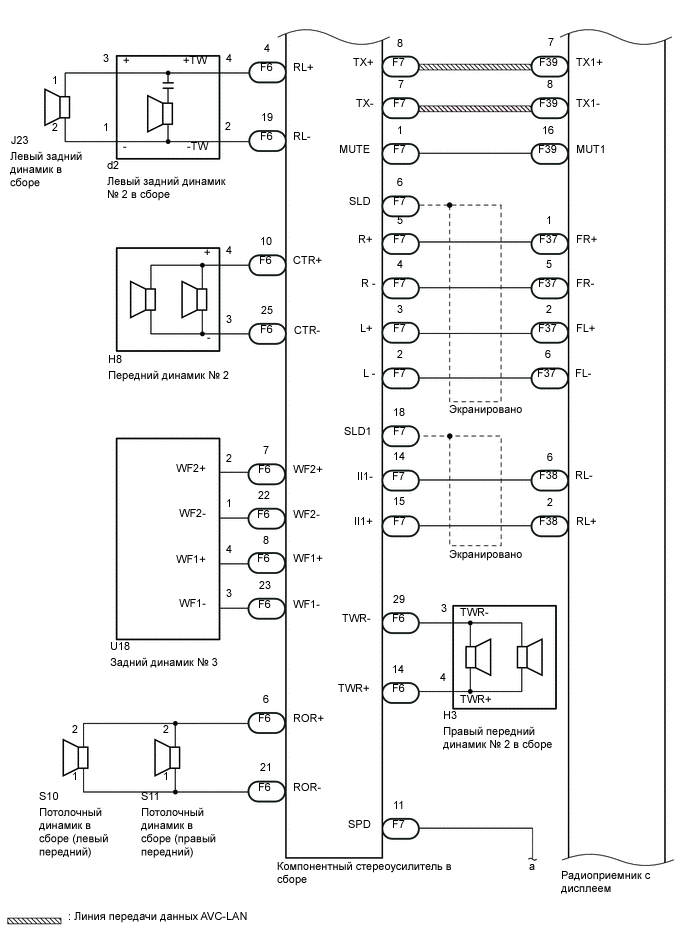
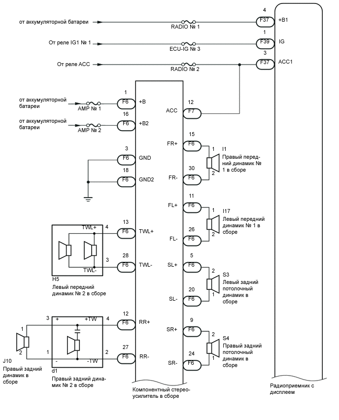
*a Экранировано
*b Переходник стереогнезда № 1 в сборе
*c Радиоприемник с дисплеем
*d Шина передачи данных USB