HYBRID CONTROL SYSTEM Transmission Control Switch Circuit

DTC Code DTC Name
Transmission Control Switch Circuit

DESCRIPTION

When the shift lever is in S, different ranges can be chosen using the floor shift sequential gate.

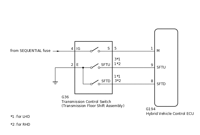
WIRING DIAGRAM

C277057E24

PROCEDURE

  1. READ VALUE USING GTS (SPORTS MODE)

    1. Connect the GTS to the DLC3.

    2. Turn the power switch on (IG).

    3. Enter the following menus: Powertrain / Hybrid Control / Data List / Sports Mode.

      Powertrain > Hybrid Control > Data List

      Tester Display

      Sports Mode

    4. Read the value displayed on the GTS.

      Powertrain > Hybrid Control > Data List

      Tester Display

      Measurement Item

      Range

      Normal Condition

      Sports Mode

      Sports shift signal

      ON or OFF

      Shift lever in S: ON

      Shift lever not in S position: OFF

      Result

      Result

      Proceed to

      The GTS display changes according to the shift lever operation.

      A

      The GTS display does not change according to the shift lever operation.

      B

    5. Turn the power switch off.

    B

    CHECK HARNESS AND CONNECTOR (POWER SOURCE CIRCUIT)Click here

    A
  2. READ VALUE USING GTS (SPORT UP SHIFT SENS STATE, SPORT DWN SHIFT SENS STATE)

    1. Connect the GTS to the DLC3.

    2. Turn the power switch on (IG).

    3. Enter the following menus: Powertrain / Hybrid Control / Data List / Sport Up Shift Sens State, Sport Dwn Shift Sens State.

      Powertrain > Hybrid Control > Data List

      Tester Display

      Sport Up Shift Sens State

      Sport Dwn Shift Sens State

    4. Read the value displayed on the GTS.

      Powertrain > Hybrid Control > Data List

      Tester Display

      Measurement Item

      Range

      Normal Condition

      Sport Up Shift Sens State

      Sports shift UP signal

      ON or OFF

      Shift lever in "+" operated:

      ON

      Shift lever in S not operated:

      OFF

      Sport Dwn Shift Sens State

      Sport shift DOWN signal

      ON or OFF

      Shift lever in "-" operated:

      ON

      Shift lever in S not operated:

      OFF

      Result

      Result

      Proceed to

      The GTS display changes according to the transmission control switch (transmission floor shift assembly) operation.

      A

      The GTS display does not change according to the transmission control switch (transmission floor shift assembly) operation.

      B

    5. Turn the power switch off.

    B

    INSPECT TRANSMISSION CONTROL SWITCH (TRANSMISSION FLOOR SHIFT ASSEMBLY)Click here

    A
  3. CHECK FOR INTERMITTENT PROBLEMS

    Click here

    Result

    Proceed to

    OK

    NG

    OK

    REPLACE HYBRID VEHICLE CONTROL ECU

    NG

    REPAIR OR REPLACE MALFUNCTIONING PARTS, COMPONENT AND AREA

  4. CHECK HARNESS AND CONNECTOR (POWER SOURCE CIRCUIT)

    1. Disconnect the G36 transmission control switch (transmission floor shift assembly) connector.

      Click here

    2. C251979C61

      *a

      Front view of wire harness connector

      (to Transmission Control Switch (Transmission Floor Shift Assembly))

      Measure the voltage according to the value(s) in the table below.

      Standard Voltage

      Tester Connection

      Condition

      Specified Condition

      G36-4 (IG) - Body ground

      Power switch on (IG)

      11 to 14 V

      G36-4 (IG) - Body ground

      Power switch off

      Below 1 V

    3. Turn the power switch off.

    4. Measure the resistance according to the value(s) in the table below.

      Standard Resistance

      Tester Connection

      Condition

      Specified Condition

      G36-2 (E) - Body ground

      Power switch off

      Below 1 Ω

    5. Reconnect the G36 transmission control switch (transmission floor shift assembly) connector.

    Result

    Proceed to

    OK

    NG

    NG

    CHECK POWER SOURCE CIRCUIT

    OK
  5. INSPECT TRANSMISSION CONTROL SWITCH (TRANSMISSION FLOOR SHIFT ASSEMBLY)

    1. Disconnect the G36 transmission control switch (transmission floor shift assembly) connector.

    2. C251980C78

      *A

      for LHD

      *B

      for RHD

      *a

      Component without harness connected

      (Transmission Control Switch (Transmission Floor Shift Assembly))

      Measure the resistance according to the value(s) in the table below when the shift lever is moved to each position.

      Standard Resistance

      Table 1. for LHD

      Tester Connection

      Condition

      Specified Condition

      G36-4 (IG) - G36-5 (S)

      Shift lever in S

      Shift lever held in "+" or "-"

      Below 1 Ω

      G36-3 (SFTU) - G36-2 (E)

      Shift lever held in "+"

      Below 1 Ω

      G36-1 (SFTD) - G36-2 (E)

      Shift lever held in "-"

      Below 1 Ω

      G36-4 (IG) - G36-5 (S)

      Shift lever in any position except S

      10 kΩ or higher

      G36-3 (SFTU) - G36-2 (E)

      Shift lever in S

      10 kΩ or higher

      G36-1 (SFTD) - G36-2 (E)

      Shift lever in S

      10 kΩ or higher

      Table 2. for RHD

      Tester Connection

      Condition

      Specified Condition

      G36-4 (IG) - G36-5 (S)

      Shift lever in S

      Shift lever held in "+" or "-"

      Below 1 Ω

      G36-1 (SFTU) - G36-2 (E)

      Shift lever held in "+"

      Below 1 Ω

      G36-3 (SFTD) - G36-2 (E)

      Shift lever held in "-"

      Below 1 Ω

      G36-4 (IG) - G36-5 (S)

      Shift lever in any position except S

      10 kΩ or higher

      G36-1 (SFTU) - G36-2 (E)

      Shift lever in S

      10 kΩ or higher

      G36-3 (SFTD) - G36-2 (E)

      Shift lever in S

      10 kΩ or higher

    3. Reconnect the G36 transmission control switch (transmission floor shift assembly) connector.

    Result

    Proceed to

    OK

    NG

    NG

    REPLACE TRANSMISSION CONTROL SWITCH (TRANSMISSION FLOOR SHIFT ASSEMBLY)

    OK
  6. CHECK HARNESS AND CONNECTOR (HYBRID VEHICLE CONTROL ECU - TRANSMISSION CONTROL SWITCH (TRANSMISSION FLOOR SHIFT ASSEMBLY))

    1. C264019C44

      *a

      Rear view of wire harness connector

      (to Hybrid Vehicle Control ECU)

      Disconnect the G194 hybrid vehicle control ECU connector.

    2. Turn the power switch on (IG).

    3. Measure the voltage according to the value(s) in the table below when the shift lever is moved to each position.

      Standard Voltage

      Tester Connection

      Condition

      Specified Condition

      G194-1 (M) - Body ground

      Power switch on (IG) S, "+" and "-"

      11 to 14 V

      G194-1 (M) - Body ground

      Power switch on (IG) Except S, "+" and "-"

      Below 1 V

      Note:

      If the power switch is turned on (IG) with the hybrid vehicle control ECU connector disconnected, other DTCs will be stored. After performing the inspection, clear the DTCs.

    4. Measure the resistance according to the value(s) in the table below when the shift lever is moved to each position.

      Standard Resistance

      Tester Connection

      Condition

      Specified Condition

      G194-9 (SFTU) - Body ground

      Shift lever in S

      Shift lever held in "+"

      Below 1 Ω

      G194-8 (SFTD) - Body ground

      Shift lever in S

      Shift lever held in "-"

      Below 1 Ω

      G194-9 (SFTU) - Body ground

      Shift lever in S

      10 kΩ or higher

      G194-8 (SFTD) - Body ground

      Shift lever in S

      10 kΩ or higher

    5. Turn the power switch off.

    6. Reconnect the G194 hybrid vehicle control ECU connector.

    Result

    Proceed to

    OK

    NG

    OK

    REPLACE HYBRID VEHICLE CONTROL ECU

    NG

    REPAIR OR REPLACE HARNESS OR CONNECTOR

  7. INSPECT TRANSMISSION CONTROL SWITCH (TRANSMISSION FLOOR SHIFT ASSEMBLY)

    1. Disconnect the G36 transmission control switch (transmission floor shift assembly) connector.

      Click here

    2. C251980C79

      *A

      for LHD

      *B

      for RHD

      *a

      Component without harness connected

      (to Transmission Control Switch (Transmission Floor Shift Assembly))

      Measure the resistance according to the value(s) in the table below when the shift lever is moved to each position.

      Standard Resistance

      Table 3. for LHD

      Tester Connection

      Condition

      Specified Condition

      G36-3 (SFTU) - G36-2 (E)

      Shift lever held in "+"

      Below 1 Ω

      G36-1 (SFTD) - G36-2 (E)

      Shift lever held in "-"

      Below 1 Ω

      G36-3 (SFTU) - G36-2 (E)

      Shift lever in S

      10 kΩ or higher

      G36-1 (SFTD) - G36-2 (E)

      Shift lever in S

      10 kΩ or higher

      Table 4. for RHD

      Tester Connection

      Condition

      Specified Condition

      G36-1 (SFTU) - G36-2 (E)

      Shift lever held in "+"

      Below 1 Ω

      G36-3 (SFTD) - G36-2 (E)

      Shift lever held in "-"

      Below 1 Ω

      G36-1 (SFTU) - G36-2 (E)

      Shift lever in S

      10 kΩ or higher

      G36-3 (SFTD) - G36-2 (E)

      Shift lever in S

      10 kΩ or higher

    3. Reconnect the G36 transmission control switch (transmission floor shift assembly) connector.

    Result

    Proceed to

    OK

    NG

    NG

    REPLACE TRANSMISSION CONTROL SWITCH (TRANSMISSION FLOOR SHIFT ASSEMBLY)

    OK
  8. CHECK HARNESS AND CONNECTOR (TRANSMISSION CONTROL SWITCH (TRANSMISSION FLOOR SHIFT ASSEMBLY) - HYBRID VEHICLE CONTROL ECU)

    1. Disconnect the G194 hybrid vehicle control ECU connector.

    2. C264019C45

      *a

      Rear view of wire harness connector

      (to Hybrid Vehicle Control ECU)

      Measure the resistance according to the value(s) in the table below when the shift lever is moved to each position.

      Standard Resistance

      Tester Connection

      Condition

      Specified Condition

      G194-9 (SFTU) - Body ground

      Shift lever in S

      Shift lever held in "+"

      Below 1 Ω

      G194-8 (SFTD) - Body ground

      Shift lever in S

      Shift lever held in "-"

      Below 1 Ω

      G194-9 (SFTU) - Body ground

      Shift lever in S

      10 kΩ or higher

      G194-8 (SFTD) - Body ground

      Shift lever in S

      10 kΩ or higher

    3. Reconnect the G194 hybrid vehicle control ECU connector.

    Result

    Proceed to

    OK

    NG

    OK

    REPLACE HYBRID VEHICLE CONTROL ECU

    NG

    REPAIR OR REPLACE HARNESS OR CONNECTOR