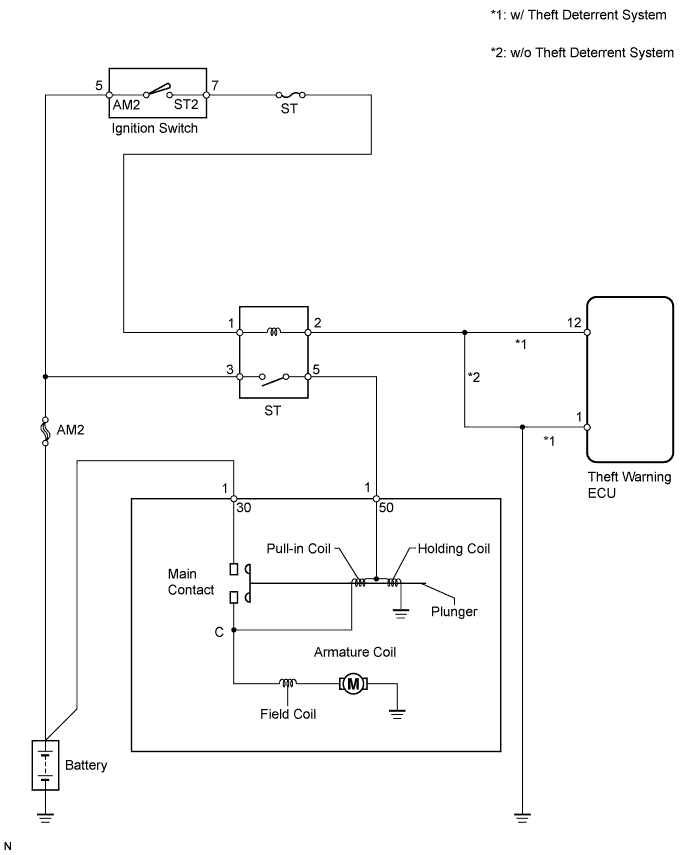
СИСТЕМА ЗАПУСКА СХЕМА СИСТЕМЫ

The starting system rotates the starter motor according to the signals from the ignition switch.

A01E11KE05