СИСТЕМА SFI, диагностический DTC:P019011

Код DTC Наименование DTC
P019011 Датчик давления в распределителе топлива "А", цепь — короткое замыкание на массу

ОПИСАНИЕ

A107720E56

Датчик давления в топливной системе в контуре высокого давления установлен на топливной рампе в части системы с высоким давлением. Датчик давления в топливной системе в контуре высокого давления преобразует давление в топливной системе (в части системы с высоким давлением) в электрический сигнал, который направляет в ECM. Затем ECM регулирует подачу насоса, используя эту обратную связь для поддержания заданного давления в топливной системе в диапазоне от 2 - 25 МПа (20 -255кгс/см2).

№ DTC

Неисправность

Условие обнаружения DTC

Неисправный участок

MIL

Память

Примечание

P019011

Датчик давления в распределителе топлива "А", цепь — короткое замыкание на массу

Выходное напряжение датчика давления в топливной системе в контуре высокого давления составляет менее 0,2933 В в течение не менее 3 с (логика диагностирования за 1 поездку).

  • Обрыв или короткое замыкание в цепи датчика давления в топливной системе в контуре высокого давления

  • Левая топливная рампа с датчиком в сборе (датчик давления в топливной системе в контуре высокого давления)

  • ECM

Загорается

Код DTC сохраняется

Код SAE: P0192

Tip:

Если этот код DTC выводится, проверьте давление в топливной системе (в части системы с высоким давлением) в списке Data List. Войдите в следующие меню: Powertrain / Engine / Data List / Fuel Pressure (High).

№ DTC

Давление в топливной системе (высокое)

Неисправность

P019011

Примерно 0 кПа изб.

  • Короткое замыкание на массу в цепи PR

  • Короткое замыкание цепи PR на цепь ETHW

  • Обрыв в цепи VC

Если в режиме Data List отображаются нормальные значения, это может указывать на временное восстановление после неисправного состояния. Проверьте, нет ли эпизодических неисправностей.

ОПИСАНИЕ РАБОТЫ СИСТЕМЫ КОНТРОЛЯ

Этот DTC регистрируется, если значение выходного напряжения датчика давления в топливной системе в контуре высокого давления выходит за пределы диапазона допустимых значений вследствие обрыва или короткого замыкания в цепи датчика.

Пример:

Если выходное напряжение датчика давления в топливной системе в контуре высокого давления составляет менее 0,2933 В в течение не менее 3 с, ECM регистрирует этот код DTC.

ПРИНЦИП РАБОТЫ СИСТЕМЫ КОНТРОЛЯ

Требуемые датчики/устройства

Датчик давления топлива (в контуре высокого давления)

Продолжительность работы

Непрерывно

ТИПИЧНЫЕ УСЛОВИЯ СРАБАТЫВАНИЯ

Монитор работает, когда указанные ниже коды DTC отсутствуют

Отсутствует

Выполняются все перечисленные ниже условия

-

Напряжение аккумуляторной батареи

8 В или более

Выключатель зажигания

Вкл (IG)

Стартер

OFF (ВЫКЛ)

Время после запуска двигателя

5 с или более

РЕЖИМ ПРОВЕРОЧНОЙ ПОЕЗДКИ

  1. Подключите GTS к DLC3.

  2. Включите зажигание (IG).

  3. Включите GTS.

  4. Удалите коды DTC (даже если нет сохраненных DTC, выполните процедуру удаления DTC).

  5. Выключите зажигание и подождите не менее 30 с.

  6. Запустите двигатель [A].

  7. Дайте двигателю поработать на холостом ходу в течение 10 с [В].

  8. Включите диагностический прибор TechDoc3.

  9. Войдите в следующие меню: Powertrain / Engine / Trouble Codes [C].

  10. Считайте ожидающие обработки коды DTC.

    Tip:
    • Если выводятся ожидающие обработки DTC, система неисправна.

    • Если ожидающие обработки DTC не выводятся, выполните следующую процедуру.

  11. Войдите в следующие меню: Powertrain / Engine / Utility / All Readiness.

  12. Введите DTC: P019011.

  13. Проверьте результат проверки DTC.

    Дисплей GTS

    Описание

    NORMAL

    • Проверка DTC завершена

    • Cистема работает нормально

    ABNORMAL

    • Проверка DTC завершена

    • Нарушения в работе системы

    INCOMPLETE

    • Проверка DTC не завершена

    • Выполните поездку в проверочном режиме после создания условий регистрации DTC

    Tip:
    • Если результат проверки NORMAL, система исправна.

    • Если результат проверки ABNORMAL, система неисправна.

    • Если результатом проверки является состояние INCOMPLETE, повторно выполните шаги с B] по.

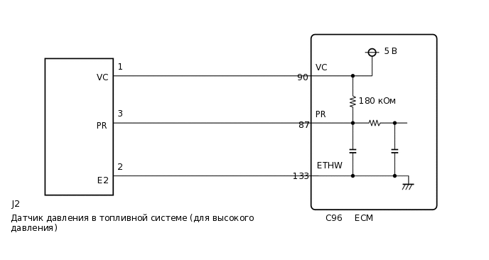
СХЕМА ЭЛЕКТРИЧЕСКИХ СОЕДИНЕНИЙ

A399925E04

ПРЕДОСТЕРЕЖЕНИЕ / ПРИМЕЧАНИЕ / УКАЗАНИЕ

Tip:

С помощью GTS считайте данные фиксированного набора параметров. Одновременно с записью в память кода DTC ECM сохраняет параметры состояния автомобиля и условий движения как данные фиксированного набора параметров. При поиске неисправностей фиксированные параметры позволяют определить, двигался ли автомобиль в момент возникновения неисправности или нет, был ли прогрет двигатель, каким было соотношение воздух-топливо (обедненным или обогащенным) и пр.

ПОРЯДОК ВЫПОЛНЕНИЯ

  1. ПРОВЕРЬТЕ ЖГУТ ПРОВОДОВ И РАЗЪЕМ

    A327836C51

    *a

    Вид спереди разъема со стороны жгута проводов:

    (к датчику давления в топливной системе (в части системы с высоким давлением))

    Tip:

    Убедитесь, что разъем правильно подключен. В противном случае надежно подключите его и повторите проверку на наличие DTC.

    1. Отсоедините разъем датчика давления в топливной системе (в контуре высокого давления).

    2. Включите зажигание (IG).

    3. Измерьте напряжение в соответствии со значениями, приведенными в таблице.

      Номинальное напряжение

      Подключение диагностического прибора

      Условие

      Заданные условия

      J2-1 (VC) - J2-2 (E2)

      Зажигание включено (IG)

      4,75 - 5,25 В

      J2-3 (PR) - J2-2 (E2)

      Зажигание включено (IG)

      3,0-5,25 В

    4. Выключите зажигание и подождите не менее 30 с.

    5. Измерьте сопротивление в соответствии со значениями, приведенными в таблице ниже.

      Номинальное сопротивление

      Подключение диагностического прибора

      Условие

      Заданные условия

      J2-1 (VC) - J2-3 (PR)

      Зажигание выключено

      171 - 189 кОм

    Tip:

    Выполните "Проверку после ремонта" после замены датчика давления в топливной системе в контуре высокого давления.

    Нажмите здесьClick here

    Результат

    Перейти к

    OK

    НЕ СООТВ.

    СООТВ

    ЗАМЕНИТЕ ЛЕВУЮ ТОПЛИВНУЮ РАМПУ С ДАТЧИКОМ В СБОРЕ (ДАТЧИК ДАВЛЕНИЯ В ТОПЛИВНОЙ СИСТЕМЕ В КОНТУРЕ ВЫСОКОГО ДАВЛЕНИЯ)

    Нажмите здесьClick hereClick here

    НЕ СООТВ.
  2. ПРОВЕРЬТЕ ЖГУТ ПРОВОДОВ И РАЗЪЕМ (ДАТЧИК ДАВЛЕНИЯ В ТОПЛИВНОЙ СИСТЕМЕ (В ЧАСТИ СИСТЕМЫ С ВЫСОКИМ ДАВЛЕНИЕМ) - ЕСМ)

    1. Отсоедините разъем датчика давления в топливной системе (в контуре высокого давления).

    2. Отсоедините разъем ECM.

    3. Измерьте сопротивление в соответствии со значениями, приведенными в таблице ниже.

      Номинальное сопротивление

      Подключение диагностического прибора

      Условие

      Заданные условия

      J2-1 (VC) - C96-90 (VC)

      Всегда

      Менее 1 Ом

      J2-3 (PR) или C96-87 (PR) - масса и другие контакты

      Всегда

      10 кОм или более

    Результат

    Перейти к

    OK

    НЕ СООТВ.

    OK

    ЗАМЕНИТЕ ECM

    Нажмите здесьClick hereClick here

    NG

    ОТРЕМОНТИРУЙТЕ ИЛИ ЗАМЕНИТЕ ЖГУТ ПРОВОДОВ ИЛИ РАЗЪЕМ