AUDIO AND VISUAL SYSTEM(for Radio and Display Type), Diagnostic DTC:B1579

DTC Code DTC Name
B1579 Voice Recognition Microphone Disconnected

DESCRIPTION

The radio and display receiver assembly and map light assembly are connected to each other using the microphone connection detection signal lines.

This DTC is stored when a microphone connection detection signal line is disconnected.

DTC No.

Detection Item

DTC Detection Condition

Trouble Area

B1579

Voice Recognition Microphone Disconnected

Telephone microphone signal is lost.

  • Map light assembly

  • Telephone microphone assembly

  • Radio and display receiver assembly

  • Telematics transceiver*

  • Harness or connector

  • *: w/ Telematics Transceiver

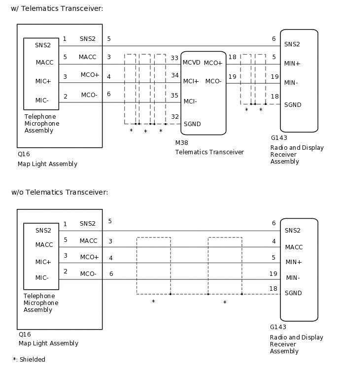
WIRING DIAGRAM

E357368E01

CAUTION / NOTICE / HINT

Note:

Depending on the parts that are replaced during vehicle inspection or maintenance, performing initialization, registration or calibration may be needed. Refer to Precaution for Audio and Visual System.

Click here

PROCEDURE

  1. CONFIRM MODEL

    1. Choose the model to be inspected.

      Model

      Model

      Proceed to

      w/o Telematics Transceiver

      A

      w/ Telematics Transceiver

      B

    B

    CHECK HARNESS AND CONNECTOR (RADIO AND DISPLAY RECEIVER ASSEMBLY - MAP LIGHT ASSEMBLY)Click here

    A
  2. CHECK HARNESS AND CONNECTOR (RADIO AND DISPLAY RECEIVER ASSEMBLY - MAP LIGHT ASSEMBLY [TELEPHONE MICROPHONE ASSEMBLY])

    1. Disconnect the G143 radio and display receiver assembly connector.

    2. Disconnect the Q16 map light assembly (telephone microphone assembly) connector.

    3. Measure the resistance according to the value(s) in the table below.

      Standard Resistance

      Tester Connection

      Condition

      Specified Condition

      G143-5 (MIN+) - Q16-4 (MCO+)

      Always

      Below 1 Ω

      G143-4 (MACC) - Q16-3 (MACC)

      Always

      Below 1 Ω

      G143-19 (MIN-) - Q16-6 (MCO-)

      Always

      Below 1 Ω

      G143-6 (SNS2) - Q16-5 (SNS2)

      Always

      Below 1 Ω

      G143-5 (MIN+) - Body ground

      Always

      10 kΩ or higher

      G143-18 (SGND) - Body ground

      Always

      10 kΩ or higher

      G143-4 (MACC) - Body ground

      Always

      10 kΩ or higher

      G143-19 (MIN-) - Body ground

      Always

      10 kΩ or higher

      G143-6 (SNS2) - Body ground

      Always

      10 kΩ or higher

    Result

    Proceed to

    OK

    NG

    NG

    REPAIR OR REPLACE HARNESS OR CONNECTOR

    OK
  3. INSPECT MAP LIGHT ASSEMBLY

    1. E355981N01

      Remove the map light assembly.

      Click here

    2. Remove the telephone microphone assembly.

      Click here

    3. Measure the resistance according to the value(s) in the table below.

      Standard Resistance

      Tester Connection

      Condition

      Specified Condition

      A-3 (MACC) - B-5 (MACC)

      Always

      Below 1 Ω

      A-4 (MCO+) - B-3 (MIC+)

      Always

      Below 1 Ω

      A-5 (SNS2) - B-1 (SNS2)

      Always

      Below 1 Ω

      A-6 (MCO-) - B-2 (MIC-)

      Always

      Below 1 Ω

      A-3 (MACC) - A-4 (MCO+)

      Always

      10 kΩ or higher

      A-3 (MACC) - A-5 (SNS2)

      Always

      10 kΩ or higher

      A-3 (MACC) - A-6 (MCO-)

      Always

      10 kΩ or higher

      A-4 (MCO+) - A-5 (SNS2)

      Always

      10 kΩ or higher

      A-4 (MCO+) - A-6 (MCO-)

      Always

      10 kΩ or higher

      A-5 (SNS2) - A-6 (MCO-)

      Always

      10 kΩ or higher

    Result

    Proceed to

    OK

    NG

    NG

    REPLACE MAP LIGHT ASSEMBLY

    OK
  4. CHECK TELEPHONE MICROPHONE ASSEMBLY

    1. Replace the telephone microphone assembly with a new or known good one.

      Click here

    2. Clear the DTCs.

      Click here

      Body Electrical > Navigation System > Clear DTCs

    3. Recheck for DTCs and check if the same DTC is output again.

      Click here

      Body Electrical > Navigation System > Trouble Codes

      OK

      No DTCs are output.

    Result

    Proceed to

    OK

    NG

    OK

    END (TELEPHONE MICROPHONE ASSEMBLY IS DEFECTIVE)

    NG

    REPLACE RADIO AND DISPLAY RECEIVER ASSEMBLY

  5. CHECK HARNESS AND CONNECTOR (RADIO AND DISPLAY RECEIVER ASSEMBLY - MAP LIGHT ASSEMBLY)

    1. Disconnect the G143 radio and display receiver assembly connector.

    2. Disconnect the Q16 map light assembly connector.

    3. Measure the resistance according to the value(s) in the table below.

      Standard Resistance

      Tester Connection

      Condition

      Specified Condition

      G143-6 (SNS2) - Q16-5 (SNS2)

      Always

      Below 1 Ω

    Result

    Proceed to

    OK

    NG

    NG

    REPAIR OR REPLACE HARNESS OR CONNECTOR

    OK
  6. CHECK HARNESS AND CONNECTOR (RADIO AND DISPLAY RECEIVER ASSEMBLY - TELEMATICS TRANSCEIVER)

    1. Disconnect the G143 radio and display receiver assembly connector.

    2. Disconnect the M38 telematics transceiver connector.

    3. Measure the resistance according to the value(s) in the table below.

      Standard Resistance

      Tester Connection

      Condition

      Specified Condition

      G143-5 (MIN+) - M38-18 (MCO+)

      Always

      Below 1 Ω

      G143-19 (MIN-) - M38-19 (MCO-)

      Always

      Below 1 Ω

      G143-5 (MIN+) - Body ground

      Always

      10 kΩ or higher

      G143-19 (MIN-) - Body ground

      Always

      10 kΩ or higher

      G143-18 (SGND) - Body ground

      Always

      10 kΩ or higher

    Result

    Proceed to

    OK

    NG

    NG

    REPAIR OR REPLACE HARNESS OR CONNECTOR

    OK
  7. CHECK HARNESS AND CONNECTOR (TELEMATICS TRANSCEIVER - MAP LIGHT ASSEMBLY)

    1. Disconnect the M38 telematics transceiver connector.

    2. Disconnect the Q16 map light assembly connector.

    3. Measure the resistance according to the value(s) in the table below.

      Standard Resistance

      Tester Connection

      Condition

      Specified Condition

      M38-33 (MCVD) - Q16-3 (MACC)

      Always

      Below 1 Ω

      M38-34 (MCI+) - Q16-4 (MCO+)

      Always

      Below 1 Ω

      M38-35 (MCI-) - Q16-6 (MCO-)

      Always

      Below 1 Ω

      M38-33 (MCVD) - Body ground

      Always

      10 kΩ or higher

      M38-34 (MCI+) - Body ground

      Always

      10 kΩ or higher

      M38-35 (MCI-) - Body ground

      Always

      10 kΩ or higher

      M38-32 (SGND) - Body ground

      Always

      10 kΩ or higher

    Result

    Proceed to

    OK

    NG

    NG

    REPAIR OR REPLACE HARNESS OR CONNECTOR

    OK
  8. INSPECT MAP LIGHT ASSEMBLY

    1. E355981N01

      Remove the map light assembly.

      Click here

    2. Remove the telephone microphone assembly.

      Click here

    3. Measure the resistance according to the value(s) in the table below.

      Standard Resistance

      Tester Connection

      Condition

      Specified Condition

      A-3 (MACC) - B-5 (MACC)

      Always

      Below 1 Ω

      A-4 (MCO+) - B-3 (MIC+)

      Always

      Below 1 Ω

      A-5 (SNS2) - B-1 (SNS2)

      Always

      Below 1 Ω

      A-6 (MCO-) - B-2 (MIC-)

      Always

      Below 1 Ω

      A-3 (MACC) - A-4 (MCO+)

      Always

      10 kΩ or higher

      A-3 (MACC) - A-5 (SNS2)

      Always

      10 kΩ or higher

      A-3 (MACC) - A-6 (MCO-)

      Always

      10 kΩ or higher

      A-4 (MCO+) - A-5 (SNS2)

      Always

      10 kΩ or higher

      A-4 (MCO+) - A-6 (MCO-)

      Always

      10 kΩ or higher

      A-5 (SNS2) - A-6 (MCO-)

      Always

      10 kΩ or higher

    Result

    Proceed to

    OK

    NG

    NG

    REPLACE MAP LIGHT ASSEMBLY

    OK
  9. CHECK TELEMATICS TRANSCEIVER

    1. E283057C23

      *a

      Component with harness connected

      (Telematics Transceiver)

      Disconnect the Q16 map light assembly connector.

    2. Measure the voltage according to the value(s) in the table below.

      Standard Voltage

      Tester Connection

      Switch Condition

      Specified Condition

      M38-33 (MCVD) - Body ground

      Power switch on (ACC)

      4 to 6 V

    3. Measure the resistance according to the value(s) in the table below.

      Standard Resistance

      Tester Connection

      Condition

      Specified Condition

      M38-32 (SGND) - Body ground

      Always

      Below 1 Ω

      M38-35 (MCI-) - Body ground

      Always

      Below 1 Ω

    Result

    Proceed to

    OK

    NG

    NG

    REPLACE TELEMATICS TRANSCEIVER

    OK
  10. CHECK TELEPHONE MICROPHONE ASSEMBLY

    1. Replace the telephone microphone assembly with a new or known good one.

      Click here

    2. Clear the DTCs.

      Click here

      Body Electrical > Navigation System > Clear DTCs

    3. Recheck for DTCs and check if the same DTC is output again.

      Click here

      Body Electrical > Navigation System > Trouble Codes

      OK

      No DTCs are output.

    Result

    Proceed to

    OK

    NG

    OK

    END (TELEPHONE MICROPHONE ASSEMBLY IS DEFECTIVE)

    NG

    REPLACE RADIO AND DISPLAY RECEIVER ASSEMBLY