БЛОК ДВИГАТЕЛЯ УЗЛЫ И ДЕТАЛИ
ИЛЛЮСТРАЦИЯ
*1 |
КОРПУС ДРОССЕЛЬНОЙ ЗАСЛОНКИ С ЭЛЕКТРОДВИГАТЕЛЕМ В СБОРЕ |
*2 |
ПЕРЕПУСКНОЙ ШЛАНГ ОХЛАЖДАЮЩЕЙ ЖИДКОСТИ № 1 |
*3 |
ПЕРЕПУСКНОЙ ШЛАНГ ОХЛАЖДАЮЩЕЙ ЖИДКОСТИ № 2 |
*4 |
ТОПЛИВОПРОВОД В СБОРЕ |
*5 |
КРОНШТЕЙН ТОПЛИВОПРОВОДА |
*6 |
ПРОКЛАДКА КОРПУСА ДРОССЕЛЬНОЙ ЗАСЛОНКИ |
![]() |
Н*м (кгс*см, фунт-сила-фут) : Номинальный момент затяжки |
● |
Деталь однократного применения |
ИЛЛЮСТРАЦИЯ
*1 |
КОЛЬЦЕВОЕ УПЛОТНЕНИЕ |
*2 |
ТОПЛИВНАЯ РАМПА |
*3 |
ТОПЛИВНАЯ ФОРСУНКА В СБОРЕ |
*4 |
ТОПЛИВОПРОВОД В СБОРЕ |
*5 |
ВИБРОИЗОЛЯТОР ФОРСУНКИ |
*6 |
РАСПОРНАЯ ВТУЛКА ТОПЛИВНОЙ РАМПЫ |
*7 |
ЭЛЕКТРОВАКУУМНЫЙ КЛАПАН В СБОРЕ (для ACIS) |
- |
- |
![]() |
Момент затяжки для "Основных участков, относящихся к таким характеристикам автомобиля, как движение/поворачивание/остановка": Н*м (кгс*см, фунт-сила-фут) |
![]() |
Н*м (кгс*см, фунт-сила-фут) : Номинальный момент затяжки |
● |
Деталь однократного применения |
- |
- |
ИЛЛЮСТРАЦИЯ
*A |
для моделей без TCV |
- |
- |
*1 |
ВПУСКНОЙ КОЛЛЕКТОР |
*2 |
ПРОВОД ДАТЧИКА |
*3 |
ПРОКЛАДКА МЕЖДУ ВПУСКНЫМ КОЛЛЕКТОРОМ И ГОЛОВКОЙ |
*4 |
ПИТАЮЩИЙ ШЛАНГ ПАРОВ ТОПЛИВА |
*5 |
ШЛАНГ ВЕНТИЛЯЦИИ № 2 |
*6 |
ДАТЧИК ДЕТОНАЦИИ |
![]() |
Н*м (кгс*см, фунт-сила-фут) : Номинальный момент затяжки |
● |
Деталь однократного применения |
ИЛЛЮСТРАЦИЯ
*A |
для моделей с TCV |
- |
- |
*1 |
ВПУСКНОЙ КОЛЛЕКТОР |
*2 |
ПРОВОД ДАТЧИКА |
*3 |
ПРОКЛАДКА МЕЖДУ ВПУСКНЫМ КОЛЛЕКТОРОМ И ГОЛОВКОЙ |
*4 |
ПИТАЮЩИЙ ШЛАНГ ПАРОВ ТОПЛИВА |
*5 |
ШЛАНГ ВЕНТИЛЯЦИИ № 2 |
*6 |
ДАТЧИК ДЕТОНАЦИИ |
![]() |
Н*м (кгс*см, фунт-сила-фут) : Номинальный момент затяжки |
● |
Деталь однократного применения |
ИЛЛЮСТРАЦИЯ
*1 |
ТЕПЛОЗАЩИТНЫЙ ЭКРАН ВЫПУСКНОГО КОЛЛЕКТОРА № 1 |
*2 |
ОПОРА КОЛЛЕКТОРА № 2 |
*3 |
КАТАЛИТИЧЕСКИЙ НЕЙТРАЛИЗАТОР В ВЫПУСКНОМ КОЛЛЕКТОРЕ В СБОРЕ (TWC: передний каталитический нейтрализатор) |
*4 |
ОПОРА КОЛЛЕКТОРА |
*5 |
ПРОКЛАДКА МЕЖДУ ВЫПУСКНЫМ КОЛЛЕКТОРОМ И ГОЛОВКОЙ |
- |
- |
![]() |
Н*м (кгс*см, фунт-сила-фут) : Номинальный момент затяжки |
● |
Деталь однократного применения |
ИЛЛЮСТРАЦИЯ
*A |
для типа A |
*B |
для типа B |
*1 |
ГЕНЕРАТОР |
*2 |
КОМПРЕССОР СО ШКИВОМ В СБОРЕ |
*3 |
ПОЛИКЛИНОВОЙ РЕМЕНЬ |
- |
- |
![]() |
Н*м (кгс*см, фунт-сила-фут) : Номинальный момент затяжки |
- |
- |
ИЛЛЮСТРАЦИЯ
*1 |
ДАТЧИК ТЕМПЕРАТУРЫ ОХЛАЖДАЮЩЕЙ ЖИДКОСТИ |
*2 |
ТРУБКА ЩУПА ПРОВЕРКИ УРОВНЯ МАСЛА |
*3 |
КОНТАКТНЫЙ ДАТЧИК ДАВЛЕНИЯ МОТОРНОГО МАСЛА |
*4 |
КАТУШКА ЗАЖИГАНИЯ В СБОРЕ |
*5 |
КРОНШТЕЙН КОМПРЕССОРА № 1 |
*6 |
ЩУП ПРОВЕРКИ УРОВНЯ МАСЛА |
*7 |
КОЛЬЦЕВОЕ УПЛОТНЕНИЕ |
*8 |
ПРОКЛАДКА |
*9 |
ПЕРЕПУСКНОЙ ШЛАНГ ОХЛАЖДАЮЩЕЙ ЖИДКОСТИ № 1 |
*10 |
ПЕРЕПУСКНОЙ ШЛАНГ ОХЛАЖДАЮЩЕЙ ЖИДКОСТИ № 2 |
*11 |
КРОНШТЕЙН ПОДШИПНИКА ПРИВОДНОГО ВАЛА |
*12 |
КРОНШТЕЙН ЗАЖИМА ЖГУТА ПРОВОДОВ |
![]() |
Н*м (кгс*см, фунт-сила -дюймы) Номинальный момент затяжки |
● |
Деталь однократного применения |
![]() |
Герметик 1344 |
★ |
Деталь с предварительно нанесенным на нее покрытием |
ИЛЛЮСТРАЦИЯ
*1 |
СОЕДИНЕНИЕ КРЫШКИ ДВИГАТЕЛЯ |
*2 |
КРЫШКА МАСЛОНАЛИВНОЙ ГОРЛОВИНЫ В СБОРЕ |
*3 |
ПРОКЛАДКА КРЫШКИ МАСЛОНАЛИВНОЙ ГОРЛОВИНЫ |
*4 |
ГИДРАВЛИЧЕСКИЙ КЛАПАН ИЗМЕНЕНИЯ ФАЗ В СБОРЕ (на впуске) |
*5 |
ДАТЧИК ПОЛОЖЕНИЯ РАСПРЕДВАЛА (впускных клапанов) |
*6 |
КРЫШКА ГОЛОВКИ БЛОКА ЦИЛИНДРОВ В СБОРЕ |
*7 |
ДАТЧИК ПОЛОЖЕНИЯ РАСПРЕДВАЛА (для выпускных клапанов) |
*8 |
СВЕЧА ЗАЖИГАНИЯ |
*9 |
ПРОКЛАДКА ТРУБКИ СВЕЧНОГО КОЛОДЦА |
*10 |
УПЛОТНИТЕЛЬНАЯ ШАЙБА |
*11 |
ПРОКЛАДКА КРЫШКИ ГОЛОВКИ БЛОКА ЦИЛИНДРОВ |
*12 |
КОЛЬЦЕВОЕ УПЛОТНЕНИЕ |
*13 |
ПРОКЛАДКА |
*14 |
ПРОКЛАДКА МАСЛЯНОГО ОТВЕРСТИЯ КРЫШКИ ПОДШИПНИКА РАСПРЕДВАЛА |
*15 |
ГИДРАВЛИЧЕСКИЙ КЛАПАН ИЗМЕНЕНИЯ ФАЗ В СБОРЕ (на выпуске) |
*16 |
ШПИЛЬКА |
![]() |
Н*м (кгс*см, фунт-сила -дюймы) Номинальный момент затяжки |
● |
Деталь однократного применения |
ИЛЛЮСТРАЦИЯ
*A |
Для моделей с масляным радиатором |
- |
- |
*1 |
НАСОС СИСТЕМЫ ОХЛАЖДЕНИЯ ДВИГАТЕЛЯ В СБОРЕ |
*2 |
ПЕРЕПУСКНОЙ ПАТРУБОК ОХЛАЖДАЮЩЕЙ ЖИДКОСТИ № 1 |
*3 |
ШЛАНГ ВЕНТИЛЯЦИИ № 2 |
*4 |
КОРПУС СЕПАРАТОРА |
*5 |
ТЕРМОСТАТ |
*6 |
КОРПУС ВЕНТИЛЯТОРА В СБОРЕ |
*7 |
КЛАПАН ПРИНУДИТЕЛЬНОЙ ВЕНТИЛЯЦИИ КАРТЕРА (САПУН В СБОРЕ) |
*8 |
НАТЯЖИТЕЛЬ ПОЛИКЛИНОВОГО РЕМНЯ В СБОРЕ |
*9 |
ВПУСКНОЙ ПАТРУБОК ОХЛАЖДАЮЩЕЙ ЖИДКОСТИ |
*10 |
КОЖУХ ВПУСКНОГО ВОДЯНОГО ПАТРУБКА |
*11 |
ПРОКЛАДКА |
*12 |
ШПИЛЬКА |
*13 |
УПЛОТНИТЕЛЬНАЯ ШАЙБА |
*14 |
БОЛТ-ШТУЦЕР МАСЛЯНОГО РАДИАТОРА |
*15 |
МАСЛЯНЫЙ РАДИАТОР |
*16 |
КРОНШТЕЙН ЗАЖИМА ЖГУТА ПРОВОДОВ |
![]() |
Момент затяжки для "Основных участков, относящихся к таким характеристикам автомобиля, как движение/поворачивание/остановка": Н*м (кгс*см, фунт-сила-фут) |
![]() |
Н*м (кгс*см, фунт-сила-фут) : Номинальный момент затяжки |
● |
Деталь однократного применения |
![]() |
Герметик 1324 |
★ |
Деталь с предварительно нанесенным на нее покрытием |
- |
- |
ИЛЛЮСТРАЦИЯ
*1 |
ПРАВЫЙ КРОНШТЕЙН ОПОРЫ ДВИГАТЕЛЯ |
*2 |
ПРОБКА ПЕРЕПУСКНОГО КЛАПАНА МАСЛЯНОГО НАСОСА |
*3 |
ЗУБЧАТОЕ КОЛЕСО РАСПРЕДВАЛА ВЫПУСКНЫХ КЛАПАНОВ В СБОРЕ |
*4 |
ЗУБЧАТОЕ КОЛЕСО РАСПРЕДВАЛА В СБОРЕ |
*5 |
ШКИВ КОЛЕНЧАТОГО ВАЛА |
*6 |
ВЕДУЩАЯ ЗВЕЗДОЧКА ЦЕПИ ГРМ НА КОЛЕНЧАТОМ ВАЛУ |
*7 |
ДАТЧИК ПОЛОЖЕНИЯ КОЛЕНЧАТОГО ВАЛА |
*8 |
ПРОКЛАДКА КРЫШКИ СМАЗОЧНОГО ОТВЕРСТИЯ |
*9 |
САЛЬНИК КРЫШКИ ЦЕПНОГО ПРИВОДА ГАЗОРАСПРЕДЕЛИТЕЛЬНОГО МЕХАНИЗМА |
*10 |
НАПРАВЛЯЮЩАЯ ЦЕПНОГО ПРИВОДА ГАЗОРАСПРЕДЕЛИТЕЛЬНОГО МЕХАНИЗМА |
*11 |
КРЫШКА ЦЕПНОГО ПРИВОДА ГАЗОРАСПРЕДЕЛИТЕЛЬНОГО МЕХАНИЗМА В СБОРЕ |
*12 |
ПЛАСТИНА КРЫШКИ ЦЕПНОГО ПРИВОДА ГАЗОРАСПРЕДЕЛИТЕЛЬНОГО МЕХАНИЗМА |
*13 |
НАТЯЖИТЕЛЬ ЦЕПИ № 1 В СБОРЕ |
*14 |
ЦЕПЬ ПРИВОДА ГАЗОРАСПРЕДЕЛИТЕЛЬНОГО МЕХАНИЗМА |
*15 |
БАШМАК НАТЯЖИТЕЛЯ ЦЕПИ |
*16 |
УСПОКОИТЕЛЬ ЦЕПИ № 1 |
*17 |
БОЛТ ШКИВА КОЛЕНЧАТОГО ВАЛА |
*18 |
ПРОКЛАДКА |
*19 |
ПРОКЛАДКА МАСЛЯНОГО НАСОСА |
- |
- |
![]() |
Н*м (кгс*см, фунт-сила-фут) : Номинальный момент затяжки |
● |
Деталь однократного применения |
![]() |
Универсальная консистентная смазка |
![]() |
Не смазывайте резьбовые части. |
ИЛЛЮСТРАЦИЯ
*1 |
ФИЛЬТР ГИДРАВЛИЧЕСКОГО КЛАПАНА ИЗМЕНЕНИЯ ФАЗ |
*2 |
РАСПРЕДВАЛ |
*3 |
РАСПРЕДВАЛ № 2 |
*4 |
КОЖУХ РАСПРЕДВАЛА В СБОРЕ |
*5 |
ПОДШИПНИК РАСПРЕДВАЛА № 1 |
*6 |
ПОДШИПНИК РАСПРЕДВАЛА № 2 |
*7 |
РЕГУЛИРОВОЧНОЕ СОЕДИНИТЕЛЬНОЕ КОЛЬЦО КРЫШКИ ПОДШИПНИКА РАСПРЕДВАЛА |
*8 |
ГОЛОВКА БЛОКА ЦИЛИНДРОВ |
*9 |
ПРОКЛАДКА ГОЛОВКИ БЛОКА ЦИЛИНДРОВ |
*10 |
ШПИЛЬКА |
*11 |
СТОПОРНЫЙ ШТИФТ КОЖУХА РАСПРЕДВАЛА |
*12 |
КОЛПАК ШТОКА КЛАПАНА |
*13 |
МЕХАНИЗМ РЕГУЛИРОВКИ ЗАЗОРА В ПРИВОДЕ КЛАПАНА В СБОРЕ |
*14 |
РЫЧАГ ПРИВОДА КЛАПАНА № 1 В СБОРЕ |
*15 |
КРЫШКА ПОДШИПНИКА РАСПРЕДВАЛА № 1 |
*16 |
КРЫШКА ПОДШИПНИКА РАСПРЕДВАЛА № 2 |
*17 |
КРЫШКА ПОДШИПНИКА РАСПРЕДВАЛА № 3 |
*18 |
ПЛОСКАЯ ШАЙБА |
*19 |
УСТАНОВОЧНЫЙ БОЛТ ГОЛОВКИ БЛОКА ЦИЛИНДРОВ |
- |
- |
![]() |
Н*м (кгс*см, фунт-сила-фут) : Номинальный момент затяжки |
● |
Деталь однократного применения |
![]() |
Герметик 1324 |
★ |
Деталь с предварительно нанесенным покрытием |
*T1 |
1-й: 36 (367, 27) 2-й: 36 (367, 27) 3-й: Доверните на 90° 4-й: Доверните на 90° |
- |
- |
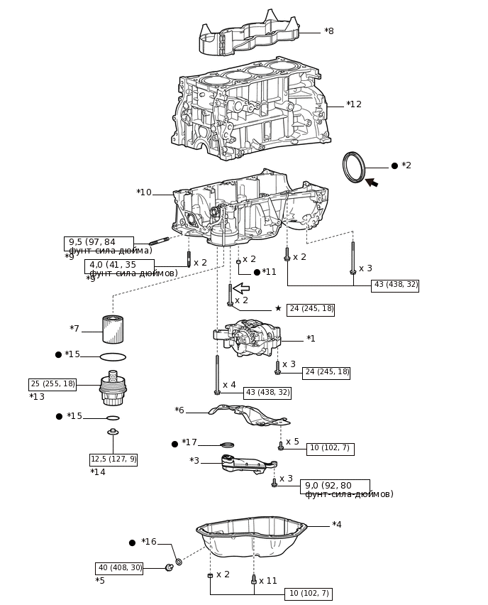
ИЛЛЮСТРАЦИЯ
*1 |
БАЛАНСИРОВОЧНЫЙ УЗЕЛ ДВИГАТЕЛЯ В СБОРЕ |
*2 |
ЗАДНИЙ САЛЬНИК КОЛЕНЧАТОГО ВАЛА |
*3 |
МАСЛОПРИЕМНИК С СЕТЧАТЫМ ФИЛЬТРОМ В СБОРЕ |
*4 |
МАСЛЯНЫЙ ПОДДОН В СБОРЕ |
*5 |
ПРОБКА СЛИВНОГО ОТВЕРСТИЯ МАСЛЯНОГО ПОДДОНА |
*6 |
ОТРАЖАТЕЛЬ МАСЛЯНОГО ПОДДОНА № 1 |
*7 |
ФИЛЬТРУЮЩИЙ ЭЛЕМЕНТ МАСЛЯНОГО ФИЛЬТРА |
*8 |
РАСПОРНАЯ ДЕТАЛЬ ВОДЯНОЙ РУБАШКИ БЛОКА ЦИЛИНДРОВ |
*9 |
ШПИЛЬКА |
*10 |
КАРТЕР С РЕБРАМИ ЖЕСТКОСТИ В СБОРЕ |
*11 |
СОЕДИНИТЕЛЬНОЕ КОЛЬЦО КАРТЕРА С РЕБРАМИ ЖЕСТКОСТИ |
*12 |
БЛОК ЦИЛИНДРОВ В СБОРЕ |
*13 |
КРЫШКА МАСЛЯНОГО ФИЛЬТРА В СБОРЕ |
*14 |
ПРОБКА СЛИВНОГО ОТВЕРСТИЯ МАСЛЯНОГО ФИЛЬТРА |
*15 |
КОЛЬЦЕВОЕ УПЛОТНЕНИЕ |
*16 |
ПРОКЛАДКА |
*17 |
ПРОКЛАДКА МАСЛОПРИЕМНИКА С СЕТЧАТЫМ ФИЛЬТРОМ |
- |
- |
![]() |
Н*м (кгс*см, фунт-сила-фут) : Номинальный момент затяжки |
● |
Деталь однократного применения |
![]() |
Универсальная консистентная смазка |
![]() |
Герметик 1344 |
★ |
Деталь с предварительно нанесенным на нее покрытием |
- |
- |




