POWER DOOR LOCK CONTROL SYSTEM All Doors LOCK/UNLOCK Functions do not Operate Via Door Control Switch or Door Key Cylinder

DESCRIPTION

The body ECU receives switch signals from the power window regulator master switch assembly and driver door key cylinder lock or unlock switch signals from the front door lock assembly LH*1 or RH*2. The body ECU activates the door lock motor on each door according to these signals.


WIRING DIAGRAM


  1. Figure 1. w/ Entry and Start System

    B00288FE06

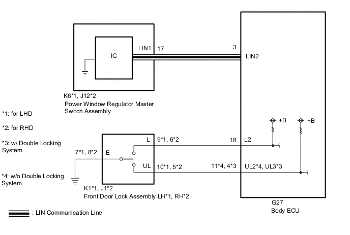
    Figure 2. w/o Entry and Start System

    B0028T5E09

CAUTION / NOTICE / HINT

Note


  • If the body ECU has been replaced, it is necessary to initialize the body ECU.*1

    Click here

  • As the door control battery is installed between the vehicle battery and body ECU, first perform the inspections to confirm that there are no malfunctions in the power source circuit for the body ECU before performing this troubleshooting procedure.*2

    Click here


    • *1: w/ Automatic Light Control System

    • *2: w/ Door Control Battery

PROCEDURE


  1. CHECK DOOR LOCK OPERATION


    1. Check door lock operation.

      Click here

      Result
      Result Proceed to
      All doors cannot be locked by power window regulator master switch assembly (w/ Entry and Start System) A
      All doors cannot be locked by power window regulator master switch assembly (w/o Entry and Start System) B
      All doors cannot be locked by driver door key cylinder C

    B
    C
    A
  2. CHECK POWER WINDOW CONTROL SYSTEM


    1. Check the power window control system.

      Click here

      OK
      Power window control system operates normally.
      Result
      Proceed to
      OK
      NG

    NG
    OK
  3. REPLACE POWER WINDOW REGULATOR MASTER SWITCH ASSEMBLY


    1. Replace the power window regulator master switch assembly.

      Click here

      Result
      Proceed to
      NEXT

    NEXT
  4. CHECK DOOR LOCK OPERATION


    1. Check door lock operation.

      Click here

      OK
      Power door lock control system operates normally.
      Result
      Proceed to
      OK
      NG

    OK
    NG
  5. INSPECT POWER WINDOW REGULATOR MASTER SWITCH ASSEMBLY


    1. Remove the power window regulator master switch assembly.

      Click here

    2. Inspect the power window regulator master switch assembly.

      Click here

      Result
      Proceed to
      OK
      NG

    NG
    OK
  6. CHECK HARNESS AND CONNECTOR (POWER WINDOW REGULATOR MASTER SWITCH ASSEMBLY - BODY ECU AND BODY GROUND)


    • *1: for LHD

    • *2: for RHD


    1. Disconnect the K5*1 or J11*2 power window regulator master switch assembly connector.

    2. Disconnect the G27 body ECU connector.

    3. Measure the resistance according to the value(s) in the table below.

      Standard Resistance
      for LHD
      Tester Connection Condition Specified Condition
      K5-2 (L) - G27-19 (L1) Always Below 1 Ω
      K5-2 (L) or G27-19 (L1) - Body ground Always 10 kΩ or higher
      K5-8 (UL) - G27-12 (UL1) Always Below 1 Ω
      K5-8 (UL) or G27-12 (UL1) - Body ground Always 10 kΩ or higher
      K5-1 (E) - Body ground Always Below 1 Ω
      for RHD
      Tester Connection Condition Specified Condition
      J11-8 (L) - G27-19 (L1) Always Below 1 Ω
      J11-8 (L) or G27-19 (L1) - Body ground Always 10 kΩ or higher
      J11-2 (UL) - G27-12 (UL1) Always Below 1 Ω
      J11-2 (UL) or G27-12 (UL1) - Body ground Always 10 kΩ or higher
      J11-9 (E) - Body ground Always Below 1 Ω
      Result
      Proceed to
      OK
      NG

    OK
    NG
  7. INSPECT FRONT DOOR LOCK ASSEMBLY


    • *1: for LHD

    • *2: for RHD


    1. Remove the front door lock assembly LH*1 or RH*2.

      Click here

    2. Inspect the front door lock assembly LH*1 or RH*2.

      Click here

      Result
      Proceed to
      OK
      NG

    NG
    OK
  8. CHECK HARNESS AND CONNECTOR (FRONT DOOR LOCK ASSEMBLY - BODY ECU AND BODY GROUND)


    • *1: for LHD

    • *2: for RHD


    1. Disconnect the K1*1 or J1*2 front door lock assembly LH*1 or RH*2 connector.

    2. Disconnect the G27 body ECU connector.

    3. Measure the resistance according to the value(s) in the table below.

      Standard Resistance
      for LHD
      Tester Connection Condition Specified Condition
      K1-9 (L) - G27-18 (L2) Always Below 1 Ω
      K1-9 (L) or G27-18 (L2) - Body ground Always 10 kΩ or higher
      K1-10 (UL) - G27-11 (UL2) Always Below 1 Ω
      K1-10 (UL) or G27-11 (UL2) - Body ground Always 10 kΩ or higher
      K1-7 (E) - Body ground Always Below 1 Ω
      for RHD, w/o Double Locking System
      Tester Connection Condition Specified Condition
      J1-6 (L) - G27-18 (L2) Always Below 1 Ω
      J1-6 (L) or G27-18 (L2) - Body ground Always 10 kΩ or higher
      J1-5 (UL) - G27-11 (UL2) Always Below 1 Ω
      J1-5 (UL) or G27-11 (UL2) - Body ground Always 10 kΩ or higher
      J1-8 (E) - Body ground Always Below 1 Ω
      for RHD, w/ Double Locking System
      Tester Connection Condition Specified Condition
      J1-6 (L) - G27-18 (L2) Always Below 1 Ω
      J1-6 (L) or G27-18 (L2) - Body ground Always 10 kΩ or higher
      J1-5 (UL) - G27-4 (UL3) Always Below 1 Ω
      J1-5 (UL) or G27-4 (UL3) - Body ground Always 10 kΩ or higher
      J1-8 (E) - Body ground Always Below 1 Ω
      Result
      Proceed to
      OK
      NG

    OK
    NG